Избранное 0 Корзина 0 Личный кабинет
logo
Каталог
Каталог
  • Справочник
    • Грузовые автомобили
    • Автобусы
    • Сельхозтехника
    • Спецтехника
    • Двигатели
  • Доставка
  • Оплата
  • О компании
    • Реквизиты
    • Магазины
    • Оплата
    • Доставка
    • Лицензии и сертификаты
    • Новости
    • Вакансии
  • Контакты
Отправить заявку
Личный кабинет
8 (800) 700-35-68
sales@din76.ru
Избранное 0 Корзина 0
8 (800) 700-35-68
Оптовый прайс-лист
Каталог
  • Двигатели
  • Запчасти WEICHAI
  • Запчасти ЯМЗ, ТМЗ (V-образные)
  • Запчасти ЯМЗ-534, ЯМЗ-536
  • Запчасти ЯМЗ-650, ЯМЗ-651, DCi-11
  • Топливная аппаратура
  • Запчасти УРАЛ
  • Запчасти МАЗ
  • Запчасти КамАЗ
  • Запчасти ММЗ
  • Ремни
Автокаталог (справочник)
  • Доставка
  • Оплата
  • О компании
  • Контакты
8 (800) 700-35-68
Написать в Whatsapp
sales@din76.ru
Динамика 76
Меню  
  • Каталог
    • Двигатели  
      • Двигатели ТМЗ  
        • Двигатели ТМЗ для автомобилей
        • Двигатели ТМЗ для тракторов
        • Специальные двигатели ТМЗ
        • Промышленные двигатели ТМЗ
      • Двигатели ЯМЗ  
        • ЯМЗ 236
        • ЯМЗ 238
        • ЯМЗ 240
        • ЯМЗ 751
        • ЯМЗ 840
        • ЯМЗ 850
        • ЯМЗ 656
        • ЯМЗ 658
        • ЯМЗ 534
        • ЯМЗ 536
        • ЯМЗ 650
        • Двигатели ЯМЗ для электростанций
      • Двигатели КАМАЗ
      • Двигатели ММЗ
      • Двигатели индивидуальной сборки
      • Комплекты переоборудования
    • Запчасти WEICHAI  
      • Основные запчасти двигателя  
        • Клапаны и толкатели
        • Шатуны
        • Вал коленчатый и маховик
        • Вал распределительный
        • Цилиндро-поршневая группа
      • Система питания  
        • Форсунки
        • Турбокомпрессор
      • Система смазки  
        • Насос масляный
      • Головка блока
      • Ремкомплекты
      • Система охлаждения  
        • Насос водяной
        • Муфта вязкостная и крыльчатка
      • Фильтры
      • Электрооборудование  
        • Генератор
        • Стартер
    • Запчасти ЯМЗ, ТМЗ (V-образные)  
      • Основные запчасти двигателя  
        • Блок двигателя и комплектующие
        • Валы распределительные и клапаны
        • Головка блока и комплектующие
        • Цилиндро-поршневая группа
        • Маховики и комплектующие
        • Валы коленчатые и комплектующие
        • Шатуны и комплектующие
      • Система питания  
        • Коллекторы и патрубки
        • Топливные трубопроводы
        • Турбокомпрессор
        • Топливные фильтры
      • Электрооборудование двигателя
      • Система охлаждения  
        • Вязкостные муфты и крыльчатки
        • Приводы вентилятора
        • Водяные насосы
        • Водяные трубы и термостаты
      • Коробки переключения передач  
        • 8 Ступенчатые КПП
        • 5 Ступенчатые КПП
        • 9 Ступенчатые КПП
        • Запасные части КПП ЯМЗ, ТМЗ
      • Система смазки  
        • Теплообменник и комплектующие
        • Масляные насосы
        • Фильтры масляные (ФГОМ, ФЦОМ)
      • Сцепление  
        • Запасные части механизма сцепления
        • Муфты (подшипники выжимные)
        • Корзины (диски нажимные)
        • Диски ведомые
      • Прочие запчасти двигателя  
        • Ремкомплекты
        • Привод агрегатов
        • Натяжные устройства
        • Трубки
    • Запчасти ЯМЗ-534, ЯМЗ-536  
      • Основные запчасти двигателя  
        • Цилиндро-поршневая группа
        • Головка блока цилиндров и комплектующие
        • Блок цилиндров и комплектующие
        • Вал коленчатый и маховик
        • Вал распределительный
        • Клапаны и толкатели
        • ГУР (Гидроусилитель руля)
        • Система рециркуляции отработавших газов
        • Выпускной коллектор
      • Система питания  
        • Коллекторы и патрубки
        • Топливные фильтры
        • Турбокомпрессор
        • Топливные трубопроводы
      • Система смазки  
        • Масляный картер поддон
        • Масляный насос
        • Теплообменник /Водо-масляный радиатор
        • Фильтры масляные (ФГОМ, ФЦОМ)
      • Пневмокомпрессор и натяжное
      • Система охлаждения  
        • Водяной насос
        • Водяные трубы и патрубки
        • Муфты вязкостные, приводы, крыльчатки
      • Ремкомплекты
      • Сцепление
      • Электрооборудование
    • Запчасти ЯМЗ-650, ЯМЗ-651, DCi-11  
      • Основные запчасти двигателя  
        • Цилиндро-поршневая группа
        • Головка блока цилиндров и комплектующие
        • Блок цилиндров и комплектующие
        • Вал коленчатый и маховик
        • Выпускной коллектор
        • Вал распределительный
        • Клапаны и толкатели
        • ГУР (Гидроусилитель руля)
        • Система рециркуляции отработавших газов
      • Система питания  
        • Коллекторы и патрубки
        • Топливные трубопроводы
        • Топливные фильтры
        • Турбокомпрессор
      • Система смазки  
        • Масляный картер / поддон
        • Масляный насос
        • Теплообменник / Водо-масляный радиатор
        • Фильтры масляные (ФГОМ, ФЦОМ)
      • Система охлаждения  
        • Водяной насос
        • Водяные трубы и патрубки
        • Муфты вязкостные, приводы, крыльчатки
      • Ремкомплекты
      • Пневмокомпрессор и натяжное
      • Электрооборудование
      • Сцепление
    • Топливная аппаратура  
      • ЯЗДА  
        • Распылители
        • ТНВД
        • Форсунки
        • Топливный насос низкого давления
        • Пары плунжерные
        • Муфта опережения впрыска топлива
        • Запчасти и комплектующие ТНВД
      • НЗТА
      • АЗПИ  
        • Распылители
        • Форсунки
      • BOSCH
    • Запчасти УРАЛ  
      • Трансмиссия  
        • Коробка раздаточная
        • Передача карданная
        • Мост задний
        • Мост передний (ведущий)
        • Мост средний (промежуточный)
      • Кузов  
        • Дверь кабины
        • Капот, крылья, облицовка радиатора
        • Окно ветровое и заднее
        • Отопление и вентиляция кабины
        • Кабина
      • Механизмы управления  
        • Управление рулевое
        • Тормоза
      • Дополнительное оборудование  
        • Отбор мощности
        • Устройство седельное
      • Электрооборудование
      • Ходовая часть  
        • Колеса и ступицы
        • Ось передняя
        • Подвеска автомобиля
        • Рама
    • Запчасти МАЗ  
      • Трансмиссия  
        • Мост задний
        • Мост передний (ведущий)
        • Передача карданная
        • Мост средний (промежуточный)
      • Кузов  
        • Кабина
        • Дверь кабины
        • Детали основания кабины
        • Окно ветровое и заднее
        • Платформа
      • Механизмы управления  
        • Тормоза
        • Управление рулевое
      • Ходовая часть  
        • Колеса и ступицы
        • Ось передняя
        • Подвеска автомобиля
        • Рама
    • Запчасти КамАЗ  
      • Кузов  
        • Кабина
        • Капот, крылья, облицовка радиатора
        • Дверь кабины
        • Платформа
        • Окно ветровое и заднее
        • Устройство подъемное и опрокидывающее
        • Сиденье
        • Крыша кабины (крыша кузова)
        • Отопление и вентиляция кабины
      • Трансмиссия  
        • Коробка передач
        • Коробка раздаточная
        • Мост задний
        • Сцепление
        • Мост средний (промежуточный)
        • Передача карданная
        • Мост передний (ведущий)
      • Двигатель  
        • Основные запчасти двигателя
        • Система охлаждения
        • Система питания
        • Система смазки
      • Дополнительное оборудование  
        • Отбор мощности
        • Устройство седельное
      • Ходовая часть  
        • Подвеска автомобиля
        • Рама
        • Колеса и ступицы
        • Ось передняя
      • Механизмы управления  
        • Тормоза
        • Управление рулевое
      • Электрооборудование
    • Запчасти ММЗ
    • Ремни
  • Справочник
    • Грузовые автомобили
    • Автобусы
    • Сельхозтехника
    • Спецтехника
    • Двигатели
  • Как купить
    • Условия оплаты
    • Условия доставки
    • Гарантия на товар
    • Пункты выдачи
  • Услуги
    • Капитальный ремонт двигателей ЯМЗ
  • Акции
  • Статьи
  • Контакты
  • Компания
    • Реквизиты
    • Магазины
    • Оплата
    • Доставка
    • Лицензии и сертификаты
    • Новости
    • Вакансии
Избранное 0 Корзина 0
8-800-700-35-68

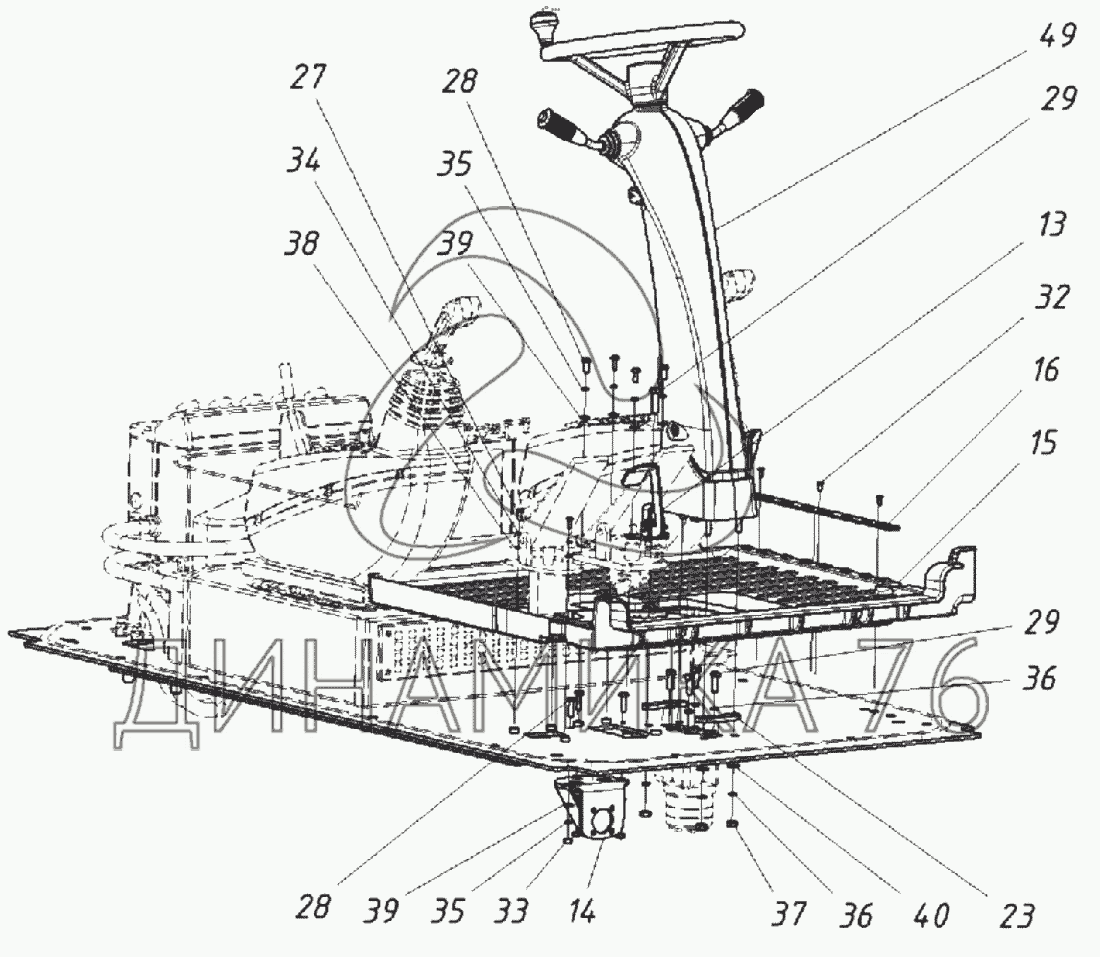
Пост управления экскаватором на WX200 (до 2019 г.)

Справочник
Главная
-
Автокаталог
-
Спецтехника
-
ТВЭКС
-
WX200
Справочный каталог

Пост управления экскаватором — WX200:

1 2 3 5 6 10 13 14 15 16 17 18 20 25 27 28 28 29 29 32 33 34 35 35 36 36 37 38 39 39 40 49 50 51 52 53 54 55 56
в наличии
нет в наличии
масштаб

В наличии
Нет в наличии

Перечень комплектующих от Пост управления экскаватором на WX200

Схемы запчастей предназначены для справочных целей! Мы продаем не все запчасти от Пост управления экскаватором на WX200, представленные в этом списке.
Наличие на складах по деталям с ценой смотрите в карточке товара.
1
1
Артикул: 202030100000-00
нет в наличии
Металлоконструкция пола
Количество на схеме: 1
Информация
Металлоконструкция пола
Количество
1
Группа
Привод гидравлический мостов полуприцепа
Подгруппа
2020
Порядковый номер детали
301
2
2
Артикул: 202030200000-00
нет в наличии
Установка пультов
Количество на схеме: 1
Информация
Установка пультов
Количество
1
Группа
Привод гидравлический мостов полуприцепа
Подгруппа
2020
Порядковый номер детали
302
3
3
Артикул: 202030300000-00
нет в наличии
Установка климатической системы
Количество на схеме: 1
Информация
Установка климатической системы
Количество
1
Группа
Привод гидравлический мостов полуприцепа
Подгруппа
2020
Порядковый номер детали
303
5
5
Артикул: 202030500000-00
нет в наличии
Гидроуправление в кабине
Количество на схеме: 1
Информация
Гидроуправление в кабине
Количество
1
Группа
Привод гидравлический мостов полуприцепа
Подгруппа
2020
Порядковый номер детали
305
6
6
Артикул: 202030600000-00
нет в наличии
Электроуправление в кабине
Количество на схеме: 1
Информация
Электроуправление в кабине
Количество
1
Группа
Привод гидравлический мостов полуприцепа
Подгруппа
2020
Порядковый номер детали
306
10
10
Артикул: 202030000100-00
нет в наличии
Основание
Количество на схеме: 1
Информация
Основание
Количество
1
Группа
Привод гидравлический мостов полуприцепа
Подгруппа
2020
Порядковый номер детали
300
13
13
Артикул: 312408690600-00
нет в наличии
Фиксатор
Количество на схеме: 1
Информация
Фиксатор
Количество
1
Группа
Колеса и ступицы
Подгруппа
Подвод воздуха к шинам
Порядковый номер детали
086
14
14
Артикул: 306208692010-01
нет в наличии
Кронштейн
Количество на схеме: 1
Информация
Кронштейн
Количество
1
Группа
Тяги рулевые. Оси передняя и задняя
Подгруппа
3062
Порядковый номер детали
086
Дополнительно
Не взаимозаменяема с деталью, выпущенной ранее под этим же номером
15
15
Артикул: 202020200018-00
нет в наличии
Коврик
Количество на схеме: 1
Информация
Коврик
Количество
1
Группа
Привод гидравлический мостов полуприцепа
Подгруппа
2020
Порядковый номер детали
202
16
16
Артикул: 202030000002-00
нет в наличии
Планка
Количество на схеме: 1
Информация
Планка
Количество
1
Группа
Привод гидравлический мостов полуприцепа
Подгруппа
2020
Порядковый номер детали
300
17
17
Артикул: 202030000003-00
нет в наличии
Фильтр
Количество на схеме: 1
Информация
Фильтр
Количество
1
Группа
Привод гидравлический мостов полуприцепа
Подгруппа
2020
Порядковый номер детали
300
18
18
Артикул: 202030000004-00
нет в наличии
Решетка передняя
Количество на схеме: 1
Информация
Решетка передняя
Количество
1
Группа
Привод гидравлический мостов полуприцепа
Подгруппа
2020
Порядковый номер детали
300
20
20
Артикул: 202030000006-00
нет в наличии
Крышка
Количество на схеме: 1
Информация
Крышка
Количество
1
Группа
Привод гидравлический мостов полуприцепа
Подгруппа
2020
Порядковый номер детали
300
25
25
Артикул: 001426210001-00
нет в наличии
Втулка уплотнительная
Количество на схеме: 22
Информация
Втулка уплотнительная
Количество
22
Подгруппа
Система управления двигателем электронная
Порядковый номер детали
262
27
27
Артикул: 000026400014-01
нет в наличии
Болт
Количество на схеме: 3
Информация
Болт
Количество
3
Примечание
М6-6gх16.58.016 ГОСТ 7798-70
Подгруппа
0000
Порядковый номер детали
264
28
28
Артикул: 000026400131-01
нет в наличии
Болт
Количество на схеме: 11
Информация
Болт
Количество
11
Примечание
М8-6gх30.58.016 ГОСТ 7798-70
Подгруппа
0000
Порядковый номер детали
264
29
29
Артикул: 000026400225-01
нет в наличии
Болт
Количество на схеме: 15
Информация
Болт
Количество
15
Примечание
М10-6gх25.58.016 ГОСТ 7798-70
Подгруппа
0000
Порядковый номер детали
264
32
32
Артикул: 000026420313-01
нет в наличии
Винт
Количество на схеме: 3
Информация
Винт
Количество
3
Примечание
М6х16.58.019 ГОСТ 17475-80
Подгруппа
0000
Порядковый номер детали
264
33
33
Артикул: 000026410608-01
нет в наличии
Гайка
Количество на схеме: 3
Информация
Гайка
Количество
3
Примечание
М8-6H.5.016 ГОСТ 5915-70
Подгруппа
0000
Порядковый номер детали
264
34
34
Артикул: 000026440204-01
нет в наличии
Шайба
Количество на схеме: 3
Информация
Шайба
Количество
3
Примечание
6.65Г.016 ГОСТ 6402-70
Подгруппа
0000
Порядковый номер детали
264
35
35
Артикул: 000026440205-01
нет в наличии
Шайба
Количество на схеме: 11
Информация
Шайба
Количество
11
Примечание
8 65Г.016 ГОСТ 6402-70
Подгруппа
0000
Порядковый номер детали
264
36
36
Артикул: 000026440206-01
нет в наличии
Шайба
Количество на схеме: 15
Информация
Шайба
Количество
15
Примечание
10.65Г.016 ГОСТ 6402-70
Подгруппа
0000
Порядковый номер детали
264
37
37
Артикул: 000026410610-01
нет в наличии
Гайка
Количество на схеме: 4
Информация
Гайка
Количество
4
Примечание
М10-6H.5.016 ГОСТ 5915-70
Подгруппа
0000
Порядковый номер детали
264
38
38
Артикул: 000026440606-01
нет в наличии
Шайба плоская
Количество на схеме: 3
Информация
Шайба плоская
Количество
3
Примечание
DIN125 O 6 ГОСТ 11371-78
Подгруппа
0000
Порядковый номер детали
264
39
39
Артикул: 000026440608-01
нет в наличии
Шайба
Количество на схеме: 11
Информация
Шайба
Количество
11
Примечание
DIN125 O 8 ГОСТ 11371-78
Подгруппа
0000
Порядковый номер детали
264
40
40
Артикул: 000026440610-01
нет в наличии
Шайба
Количество на схеме: 11
Информация
Шайба
Количество
11
Примечание
DIN125 O 10 ГОСТ 11371-78
Подгруппа
0000
Порядковый номер детали
264
49
49
Артикул: 000100024371-01
нет в наличии
Рулевая колонка
Количество на схеме: 1
Информация
Рулевая колонка
Количество
1
Подгруппа
0001
Порядковый номер детали
000
Дополнительно
Не взаимозаменяема с деталью, выпущенной ранее под этим же номером
50
50
Артикул: 000026410231-01
нет в наличии
Гайка заклеп. шестигр.
Количество на схеме: 8
Информация
Гайка заклеп. шестигр.
Количество
8
Примечание
М6
Подгруппа
0000
Порядковый номер детали
264
51
51
Артикул: 000026430038-01
нет в наличии
Винт
Количество на схеме: 4
Информация
Винт
Количество
4
Примечание
М6х20 DIN 7985
Подгруппа
0000
Порядковый номер детали
264
52
52
Артикул: 064309001-1
нет в наличии
Уплотнитель резиновый армированный
Количество на схеме: 1
Информация
Уплотнитель резиновый армированный
Количество
1
Примечание
L=900мм
Подгруппа
0643
Порядковый номер детали
090
Дополнительно
Не взаимозаменяема с деталью, выпущенной ранее под этим же номером
53
53
Артикул: 064309001-1
нет в наличии
Уплотнитель резиновый армированный
Количество на схеме: 1
Информация
Уплотнитель резиновый армированный
Количество
1
Примечание
L=800мм
Подгруппа
0643
Порядковый номер детали
090
Дополнительно
Не взаимозаменяема с деталью, выпущенной ранее под этим же номером
54
54
Артикул: 000026430031-01
нет в наличии
Винт
Количество на схеме: 2
Информация
Винт
Количество
2
Примечание
(М6х12)
Подгруппа
0000
Порядковый номер детали
264
55
55
Артикул: 064450201-1
нет в наличии
Лента амортизационная
Количество на схеме: 1
Информация
Лента амортизационная
Количество
1
Примечание
L=5м
Подгруппа
0644
Порядковый номер детали
502
Дополнительно
Не взаимозаменяема с деталью, выпущенной ранее под этим же номером
56
56
Артикул: 064450201-1
нет в наличии
Лента амортизационная
Количество на схеме: 1
Информация
Лента амортизационная
Количество
1
Примечание
L=1м
Подгруппа
0644
Порядковый номер детали
502
Дополнительно
Не взаимозаменяема с деталью, выпущенной ранее под этим же номером
  • Грузовые автомобили
  • Автобусы
  • Сельхозтехника
  • Спецтехника
  • Двигатели
Получить оптовый прайс-лист
Скачать прайс-лист от 09.05.2026 16:00
Специальное предложение от 09.05.2026 17:00
Производители:


  • WEICHAI
  • Автодизель ПАО (ЯМЗ)
  • Тутаевский МЗ
  • ЯЗДА
  • УралАЗ
  • МАЗ
  • АЗПИ
  • BOSCH
  • ММЗ
  • ШААЗ
  • FEDERAL MOGUL
  • ПРАМО
  • Мотордеталь
  • ТАИМ
  • АвтоКрАЗ
  • БЕЛКАРД
  • CZ Strakonice
  • КамАЗ
  • БЗА
  • ЧМЗ
  • BMZ
Новости
Все новости
25 марта 2024
Флагманский седельный тягач «Валдай 45» на выставке «TransRussia»
10 марта 2024
Современные автобусы «CITYMAX 9» и ЛиАЗ-5292 CNG
25 февраля 2024
Серийное производство средних дизельных двигателей повышенной мощности от ЯМЗ
Статьи
Все статьи
Датчики двигателя: за что они отвечают, признаки неисправности и как не прогадать с выбором
Двигатели ЯМЗ-534: история, технические характеристики и области применения
Двигатели ЯМЗ 650: углублённый технический обзор и история
Компания
О компании
Реквизиты
Новости
Политика
Магазины
Информация
Условия оплаты
Условия доставки
Гарантия на товар
Обмен и возврат товара
Помощь
Как оформить заказ
Полезные статьи
Бренды
Пункты выдачи
Оставайтесь на связи
  • Вконтакте
  • YouTube
  • Одноклассники
  • Google Plus
Увидели ошибку?
Выделите, нажав Ctrl + Enter
Наши контакты
8-800-700-35-68
sales@din76.ru
г. Ярославль, Ленинградский пр-т 33, ТЦ "ОМЕГА"
2026 © ООО «Динамика 76» - Все права защищены ООО "Динамика 76"
Предложения на сайте не являются публичной офертой.
На сайте обнаружена ошибка

Текст с ошибкой