Избранное 0 Корзина 0 Личный кабинет
logo
Каталог
Каталог
  • Справочник
    • Грузовые автомобили
    • Автобусы
    • Сельхозтехника
    • Спецтехника
    • Двигатели
  • Доставка
  • Оплата
  • О компании
    • Реквизиты
    • Магазины
    • Оплата
    • Доставка
    • Лицензии и сертификаты
    • Новости
    • Вакансии
  • Контакты
Отправить заявку
Личный кабинет
8 (800) 700-35-68
sales@din76.ru
Избранное 0 Корзина 0
8 (800) 700-35-68
Оптовый прайс-лист
Каталог
  • Двигатели
  • Запчасти WEICHAI
  • Запчасти ЯМЗ, ТМЗ (V-образные)
  • Запчасти ЯМЗ-534, ЯМЗ-536
  • Запчасти ЯМЗ-650, ЯМЗ-651, DCi-11
  • Топливная аппаратура
  • Запчасти УРАЛ
  • Запчасти МАЗ
  • Запчасти КамАЗ
  • Запчасти ММЗ
  • Ремни
Автокаталог (справочник)
  • Доставка
  • Оплата
  • О компании
  • Контакты
8 (800) 700-35-68
Написать в Whatsapp
sales@din76.ru
Динамика 76
Меню  
  • Каталог
    • Двигатели  
      • Двигатели ТМЗ  
        • Двигатели ТМЗ для автомобилей
        • Двигатели ТМЗ для тракторов
        • Специальные двигатели ТМЗ
        • Промышленные двигатели ТМЗ
      • Двигатели ЯМЗ  
        • ЯМЗ 236
        • ЯМЗ 238
        • ЯМЗ 240
        • ЯМЗ 751
        • ЯМЗ 840
        • ЯМЗ 850
        • ЯМЗ 656
        • ЯМЗ 658
        • ЯМЗ 534
        • ЯМЗ 536
        • ЯМЗ 650
        • Двигатели ЯМЗ для электростанций
      • Двигатели КАМАЗ
      • Двигатели ММЗ
      • Двигатели индивидуальной сборки
      • Комплекты переоборудования
    • Запчасти WEICHAI  
      • Основные запчасти двигателя  
        • Клапаны и толкатели
        • Шатуны
        • Вал коленчатый и маховик
        • Вал распределительный
        • Цилиндро-поршневая группа
      • Система питания  
        • Форсунки
        • Турбокомпрессор
      • Система смазки  
        • Насос масляный
      • Головка блока
      • Ремкомплекты
      • Система охлаждения  
        • Насос водяной
        • Муфта вязкостная и крыльчатка
      • Фильтры
      • Электрооборудование  
        • Генератор
        • Стартер
    • Запчасти ЯМЗ, ТМЗ (V-образные)  
      • Основные запчасти двигателя  
        • Блок двигателя и комплектующие
        • Валы распределительные и клапаны
        • Головка блока и комплектующие
        • Цилиндро-поршневая группа
        • Маховики и комплектующие
        • Валы коленчатые и комплектующие
        • Шатуны и комплектующие
      • Система питания  
        • Коллекторы и патрубки
        • Топливные трубопроводы
        • Турбокомпрессор
        • Топливные фильтры
      • Электрооборудование двигателя
      • Система охлаждения  
        • Вязкостные муфты и крыльчатки
        • Приводы вентилятора
        • Водяные насосы
        • Водяные трубы и термостаты
      • Коробки переключения передач  
        • 8 Ступенчатые КПП
        • 5 Ступенчатые КПП
        • 9 Ступенчатые КПП
        • Запасные части КПП ЯМЗ, ТМЗ
      • Система смазки  
        • Теплообменник и комплектующие
        • Масляные насосы
        • Фильтры масляные (ФГОМ, ФЦОМ)
      • Сцепление  
        • Запасные части механизма сцепления
        • Муфты (подшипники выжимные)
        • Корзины (диски нажимные)
        • Диски ведомые
      • Прочие запчасти двигателя  
        • Ремкомплекты
        • Привод агрегатов
        • Натяжные устройства
        • Трубки
    • Запчасти ЯМЗ-534, ЯМЗ-536  
      • Основные запчасти двигателя  
        • Цилиндро-поршневая группа
        • Головка блока цилиндров и комплектующие
        • Блок цилиндров и комплектующие
        • Вал коленчатый и маховик
        • Вал распределительный
        • Клапаны и толкатели
        • ГУР (Гидроусилитель руля)
        • Система рециркуляции отработавших газов
        • Выпускной коллектор
      • Система питания  
        • Коллекторы и патрубки
        • Топливные фильтры
        • Турбокомпрессор
        • Топливные трубопроводы
      • Система смазки  
        • Масляный картер поддон
        • Масляный насос
        • Теплообменник /Водо-масляный радиатор
        • Фильтры масляные (ФГОМ, ФЦОМ)
      • Пневмокомпрессор и натяжное
      • Система охлаждения  
        • Водяной насос
        • Водяные трубы и патрубки
        • Муфты вязкостные, приводы, крыльчатки
      • Ремкомплекты
      • Сцепление
      • Электрооборудование
    • Запчасти ЯМЗ-650, ЯМЗ-651, DCi-11  
      • Основные запчасти двигателя  
        • Цилиндро-поршневая группа
        • Головка блока цилиндров и комплектующие
        • Блок цилиндров и комплектующие
        • Вал коленчатый и маховик
        • Выпускной коллектор
        • Вал распределительный
        • Клапаны и толкатели
        • ГУР (Гидроусилитель руля)
        • Система рециркуляции отработавших газов
      • Система питания  
        • Коллекторы и патрубки
        • Топливные трубопроводы
        • Топливные фильтры
        • Турбокомпрессор
      • Система смазки  
        • Масляный картер / поддон
        • Масляный насос
        • Теплообменник / Водо-масляный радиатор
        • Фильтры масляные (ФГОМ, ФЦОМ)
      • Система охлаждения  
        • Водяной насос
        • Водяные трубы и патрубки
        • Муфты вязкостные, приводы, крыльчатки
      • Ремкомплекты
      • Пневмокомпрессор и натяжное
      • Электрооборудование
      • Сцепление
    • Топливная аппаратура  
      • ЯЗДА  
        • Распылители
        • ТНВД
        • Форсунки
        • Топливный насос низкого давления
        • Пары плунжерные
        • Муфта опережения впрыска топлива
        • Запчасти и комплектующие ТНВД
      • НЗТА
      • АЗПИ  
        • Распылители
        • Форсунки
      • BOSCH
    • Запчасти УРАЛ  
      • Трансмиссия  
        • Коробка раздаточная
        • Передача карданная
        • Мост задний
        • Мост передний (ведущий)
        • Мост средний (промежуточный)
      • Кузов  
        • Дверь кабины
        • Капот, крылья, облицовка радиатора
        • Окно ветровое и заднее
        • Отопление и вентиляция кабины
        • Кабина
      • Механизмы управления  
        • Управление рулевое
        • Тормоза
      • Дополнительное оборудование  
        • Отбор мощности
        • Устройство седельное
      • Электрооборудование
      • Ходовая часть  
        • Колеса и ступицы
        • Ось передняя
        • Подвеска автомобиля
        • Рама
    • Запчасти МАЗ  
      • Трансмиссия  
        • Мост задний
        • Мост передний (ведущий)
        • Передача карданная
        • Мост средний (промежуточный)
      • Кузов  
        • Кабина
        • Дверь кабины
        • Детали основания кабины
        • Окно ветровое и заднее
        • Платформа
      • Механизмы управления  
        • Тормоза
        • Управление рулевое
      • Ходовая часть  
        • Колеса и ступицы
        • Ось передняя
        • Подвеска автомобиля
        • Рама
    • Запчасти КамАЗ  
      • Кузов  
        • Кабина
        • Капот, крылья, облицовка радиатора
        • Дверь кабины
        • Платформа
        • Окно ветровое и заднее
        • Устройство подъемное и опрокидывающее
        • Сиденье
        • Крыша кабины (крыша кузова)
        • Отопление и вентиляция кабины
      • Трансмиссия  
        • Коробка передач
        • Коробка раздаточная
        • Мост задний
        • Сцепление
        • Мост средний (промежуточный)
        • Передача карданная
        • Мост передний (ведущий)
      • Двигатель  
        • Основные запчасти двигателя
        • Система охлаждения
        • Система питания
        • Система смазки
      • Дополнительное оборудование  
        • Отбор мощности
        • Устройство седельное
      • Ходовая часть  
        • Подвеска автомобиля
        • Рама
        • Колеса и ступицы
        • Ось передняя
      • Механизмы управления  
        • Тормоза
        • Управление рулевое
      • Электрооборудование
    • Запчасти ММЗ
    • Ремни
  • Справочник
    • Грузовые автомобили
    • Автобусы
    • Сельхозтехника
    • Спецтехника
    • Двигатели
  • Как купить
    • Условия оплаты
    • Условия доставки
    • Гарантия на товар
    • Пункты выдачи
  • Услуги
    • Капитальный ремонт двигателей ЯМЗ
  • Акции
  • Статьи
  • Контакты
  • Компания
    • Реквизиты
    • Магазины
    • Оплата
    • Доставка
    • Лицензии и сертификаты
    • Новости
    • Вакансии
Избранное 0 Корзина 0
8-800-700-35-68

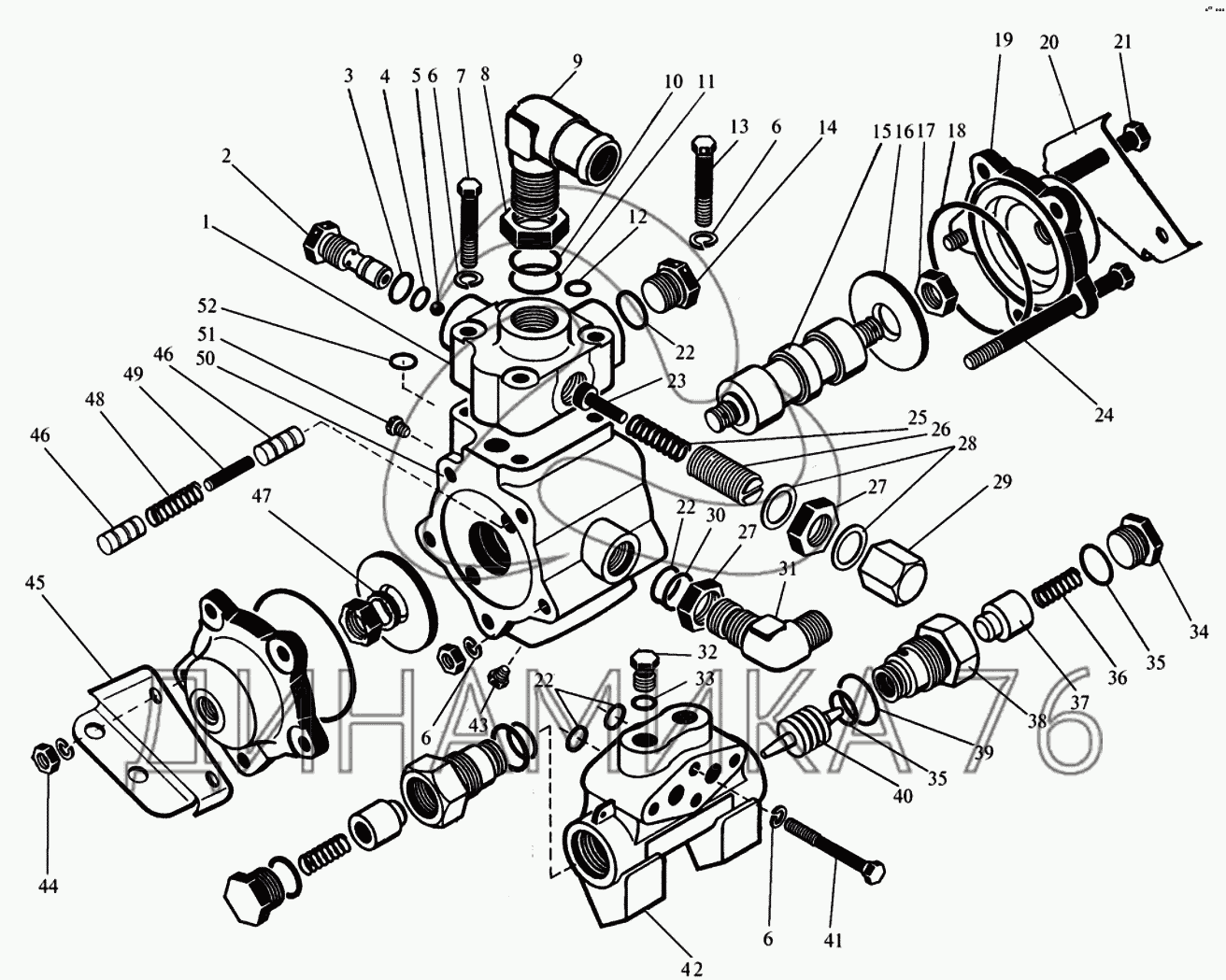
Гидрораспределитель на К-703МА-12 / К-703М-12 (до 2008 г.)

Справочник
Главная
-
Автокаталог
-
Спецтехника
-
Петербургский Трактор
-
К-703МА-12 / К-703М-12
Справочный каталог

Гидрораспределитель — К-703МА-12 / К-703М-12:

1 2 3 4 5 6 6 6 6 7 8 9 10 11 12 13 14 15 16 17 18 19 20 21 22 22 22 23 24 25 26 27 27 28 29 30 31 32 33 34 35 35 36 37 38 39 40 41 42 43 44 45 46 46 47 48 49 50 51 52
в наличии
нет в наличии
масштаб

В наличии
Нет в наличии

Перечень комплектующих от Гидрораспределитель на К-703МА-12 / К-703М-12

Схемы запчастей предназначены для справочных целей! Мы продаем не все запчасти от Гидрораспределитель на К-703МА-12 / К-703М-12, представленные в этом списке.
Наличие на складах по деталям с ценой смотрите в карточке товара.
1
1
Артикул: 700А-3422035
нет в наличии
Корпус
Количество на схеме: 1
Информация
Корпус
Количество
1
Модель
700А
Группа
Управление рулевое
Подгруппа
Вал карданный рулевого управления
Порядковый номер детали
035
2
2
Артикул: 2256010-3416018
нет в наличии
Седло
Количество на схеме: 1
Информация
Седло
Количество
1
Группа
Валы карданные
Подгруппа
2256
Порядковый номер детали
010
Дополнительно
Не взаимозаменяема с деталью, выпущенной ранее под этим же номером
3
3
Артикул: 020-025-30-1-3
нет в наличии
Кольцо
Количество на схеме: 1
Информация
Кольцо
Количество
1
4
4
Артикул: 014-018-25-1-3
нет в наличии
Кольцо
Количество на схеме: 1
Информация
Кольцо
Количество
1
5
5
Артикул: Б12,7-100
нет в наличии
Шарик
Количество на схеме: 1
Информация
Шарик
Количество
1
6
6
Артикул: 12-65Г
нет в наличии
Шайба
Количество на схеме: 13
Информация
Шайба
Количество
13
7
7
Артикул: М12х65
нет в наличии
Болт
Количество на схеме: 3
Информация
Болт
Количество
3
8
8
Артикул: 700-4611061
нет в наличии
Гайка
Количество на схеме: 1
Информация
Гайка
Количество
1
Модель
700
Подгруппа
4611
Порядковый номер детали
061
9
9
Артикул: 700А-3422037-1
нет в наличии
Угольник
Количество на схеме: 1
Информация
Угольник
Количество
1
Модель
700А
Группа
Управление рулевое
Подгруппа
Вал карданный рулевого управления
Порядковый номер детали
037
Дополнительно
Не взаимозаменяема с деталью, выпущенной ранее под этим же номером
10
10
Артикул: 700А-3422064-01
нет в наличии
Кольцо
Количество на схеме: 1
Информация
Кольцо
Количество
1
Модель
700А
Группа
Управление рулевое
Подгруппа
Вал карданный рулевого управления
Порядковый номер детали
064
11
11
Артикул: 700А-3422067-02
нет в наличии
Кольцо уплотнительное
Количество на схеме: 1
Информация
Кольцо уплотнительное
Количество
1
Модель
700А
Группа
Управление рулевое
Подгруппа
Вал карданный рулевого управления
Порядковый номер детали
067
12
12
Артикул: 018-022-25-1-3
нет в наличии
Кольцо
Количество на схеме: 1
Информация
Кольцо
Количество
1
13
13
Артикул: 3М12х65
нет в наличии
Болт
Количество на схеме: 1
Информация
Болт
Количество
1
14
14
Артикул: 700-3422041
нет в наличии
Пробка
Количество на схеме: 1
Информация
Пробка
Количество
1
Модель
700
Группа
Управление рулевое
Подгруппа
Вал карданный рулевого управления
Порядковый номер детали
041
15
15
Артикул: 2256010-3416013
нет в наличии
Золотник
Количество на схеме: 1
Информация
Золотник
Количество
1
Группа
Валы карданные
Подгруппа
2256
Порядковый номер детали
010
Дополнительно
Не взаимозаменяема с деталью, выпущенной ранее под этим же номером
16
16
Артикул: 2256010-3416026
нет в наличии
Шайба золотника
Количество на схеме: 2
Информация
Шайба золотника
Количество
2
Группа
Валы карданные
Подгруппа
2256
Порядковый номер детали
010
Дополнительно
Не взаимозаменяема с деталью, выпущенной ранее под этим же номером
17
17
Артикул: М20х1,5
нет в наличии
Гайка
Количество на схеме: 2
Информация
Гайка
Количество
2
18
18
Артикул: 104-110-36-1-3
нет в наличии
Кольцо
Количество на схеме: 2
Информация
Кольцо
Количество
2
19
19
Артикул: 2256010-3416011-1
нет в наличии
Крышка
Количество на схеме: 2
Информация
Крышка
Количество
2
Группа
Валы карданные
Подгруппа
2256
Порядковый номер детали
010
Дополнительно
Не взаимозаменяема с деталью, выпущенной ранее под этим же номером
20
20
Артикул: 2256010-3416023
нет в наличии
Кронштейн
Количество на схеме: 1
Информация
Кронштейн
Количество
1
Группа
Валы карданные
Подгруппа
2256
Порядковый номер детали
010
Дополнительно
Не взаимозаменяема с деталью, выпущенной ранее под этим же номером
21
21
Артикул: М12х180
нет в наличии
Болт
Количество на схеме: 2
Информация
Болт
Количество
2
22
22
Артикул: 022-028-36-1-3
нет в наличии
Кольцо
Количество на схеме: 4
Информация
Кольцо
Количество
4
23
23
Артикул: 700-3422039
нет в наличии
Направляющая
Количество на схеме: 1
Информация
Направляющая
Количество
1
Модель
700
Группа
Управление рулевое
Подгруппа
Вал карданный рулевого управления
Порядковый номер детали
039
24
24
Артикул: М12х160
нет в наличии
Болт
Количество на схеме: 3
Информация
Болт
Количество
3
25
25
Артикул: 700-3422016
нет в наличии
Пружина
Количество на схеме: 1
Информация
Пружина
Количество
1
Модель
700
Группа
Управление рулевое
Подгруппа
Вал карданный рулевого управления
Порядковый номер детали
016
26
26
Артикул: 700А-3422015
нет в наличии
Винт регулировочный
Количество на схеме: 1
Информация
Винт регулировочный
Количество
1
Модель
700А
Группа
Управление рулевое
Подгруппа
Вал карданный рулевого управления
Порядковый номер детали
015
27
27
Артикул: 700А-3422065
нет в наличии
Гайка
Количество на схеме: 2
Информация
Гайка
Количество
2
Модель
700А
Группа
Управление рулевое
Подгруппа
Вал карданный рулевого управления
Порядковый номер детали
065
28
28
Артикул: 700-3422042
нет в наличии
Прокладка
Количество на схеме: 2
Информация
Прокладка
Количество
2
Модель
700
Группа
Управление рулевое
Подгруппа
Вал карданный рулевого управления
Порядковый номер детали
042
29
29
Артикул: 700-3422043
нет в наличии
Колпачок
Количество на схеме: 1
Информация
Колпачок
Количество
1
Модель
700
Группа
Управление рулевое
Подгруппа
Вал карданный рулевого управления
Порядковый номер детали
043
30
30
Артикул: 700А-3422064
нет в наличии
Кольцо
Количество на схеме: 1
Информация
Кольцо
Количество
1
Модель
700А
Группа
Управление рулевое
Подгруппа
Вал карданный рулевого управления
Порядковый номер детали
064
31
31
Артикул: 700А-3422014
нет в наличии
Угольник
Количество на схеме: 1
Информация
Угольник
Количество
1
Модель
700А
Группа
Управление рулевое
Подгруппа
Вал карданный рулевого управления
Порядковый номер детали
014
32
32
Артикул: 700А-3422023
нет в наличии
Пробка
Количество на схеме: 2
Информация
Пробка
Количество
2
Модель
700А
Группа
Управление рулевое
Подгруппа
Вал карданный рулевого управления
Порядковый номер детали
023
33
33
Артикул: 015-019-25-1-3
нет в наличии
Кольцо
Количество на схеме: 2
Информация
Кольцо
Количество
2
34
34
Артикул: 700-3429062
нет в наличии
Пробка
Количество на схеме: 2
Информация
Пробка
Количество
2
Модель
700
Группа
Управление рулевое
Подгруппа
3429
Порядковый номер детали
062
35
35
Артикул: 700А-3422067-01
нет в наличии
Кольцо
Количество на схеме: 4
Информация
Кольцо
Количество
4
Модель
700А
Группа
Управление рулевое
Подгруппа
Вал карданный рулевого управления
Порядковый номер детали
067
36
36
Артикул: 700-4619027
нет в наличии
Пружина
Количество на схеме: 2
Информация
Пружина
Количество
2
Модель
700
Подгруппа
4619
Порядковый номер детали
027
37
37
Артикул: 700-3429061
нет в наличии
Клапан
Количество на схеме: 2
Информация
Клапан
Количество
2
Модель
700
Группа
Управление рулевое
Подгруппа
3429
Порядковый номер детали
061
38
38
Артикул: 700А-3422019
нет в наличии
Корпус клапана
Количество на схеме: 2
Информация
Корпус клапана
Количество
2
Модель
700А
Группа
Управление рулевое
Подгруппа
Вал карданный рулевого управления
Порядковый номер детали
019
39
39
Артикул: 700А-3422067-03
нет в наличии
Кольцо
Количество на схеме: 2
Информация
Кольцо
Количество
2
Модель
700А
Группа
Управление рулевое
Подгруппа
Вал карданный рулевого управления
Порядковый номер детали
067
40
40
Артикул: 700А-3422022
нет в наличии
Толкатель
Количество на схеме: 1
Информация
Толкатель
Количество
1
Модель
700А
Группа
Управление рулевое
Подгруппа
Вал карданный рулевого управления
Порядковый номер детали
022
41
41
Артикул: М12х90
нет в наличии
Болт
Количество на схеме: 4
Информация
Болт
Количество
4
42
42
Артикул: 700А-3422021
нет в наличии
Коробка клапанная
Количество на схеме: 1
Информация
Коробка клапанная
Количество
1
Модель
700А
Группа
Управление рулевое
Подгруппа
Вал карданный рулевого управления
Порядковый номер детали
021
43
43
Артикул: КГ1/8
нет в наличии
Пробка
Количество на схеме: 1
Информация
Пробка
Количество
1
44
44
Артикул: М12
нет в наличии
Гайка
Количество на схеме: 5
Информация
Гайка
Количество
5
45
45
Артикул: 2256010-3416022
нет в наличии
Кронштейн
Количество на схеме: 1
Информация
Кронштейн
Количество
1
Группа
Валы карданные
Подгруппа
2256
Порядковый номер детали
010
Дополнительно
Не взаимозаменяема с деталью, выпущенной ранее под этим же номером
46
46
Артикул: 2256010-3416014-1
нет в наличии
Плунжер
Количество на схеме: 4
Информация
Плунжер
Количество
4
Группа
Валы карданные
Подгруппа
2256
Порядковый номер детали
010
Дополнительно
Не взаимозаменяема с деталью, выпущенной ранее под этим же номером
47
47
Артикул: 20-65Г-05
нет в наличии
Шайба
Количество на схеме: 2
Информация
Шайба
Количество
2
48
48
Артикул: 2256010-3416025
нет в наличии
Пружина
Количество на схеме: 1
Информация
Пружина
Количество
1
Группа
Валы карданные
Подгруппа
2256
Порядковый номер детали
010
Дополнительно
Не взаимозаменяема с деталью, выпущенной ранее под этим же номером
49
49
Артикул: 2256010-3416024
нет в наличии
Упор
Количество на схеме: 1
Информация
Упор
Количество
1
Группа
Валы карданные
Подгруппа
2256
Порядковый номер детали
010
Дополнительно
Не взаимозаменяема с деталью, выпущенной ранее под этим же номером
50
50
Артикул: 2256010-3416012-1
нет в наличии
Корпус золотника
Количество на схеме: 1
Информация
Корпус золотника
Количество
1
Группа
Валы карданные
Подгруппа
2256
Порядковый номер детали
010
Дополнительно
Не взаимозаменяема с деталью, выпущенной ранее под этим же номером
51
51
Артикул: КГ3/8
нет в наличии
Пробка
Количество на схеме: 1
Информация
Пробка
Количество
1
52
52
Артикул: 024-030-36-1-3
нет в наличии
Кольцо
Количество на схеме: 2
Информация
Кольцо
Количество
2
  • Грузовые автомобили
  • Автобусы
  • Сельхозтехника
  • Спецтехника
  • Двигатели
Получить оптовый прайс-лист
Скачать прайс-лист от 09.05.2026 08:00
Специальное предложение от 09.05.2026 09:00
Производители:


  • WEICHAI
  • Автодизель ПАО (ЯМЗ)
  • Тутаевский МЗ
  • ЯЗДА
  • УралАЗ
  • МАЗ
  • АЗПИ
  • BOSCH
  • ММЗ
  • ШААЗ
  • FEDERAL MOGUL
  • ПРАМО
  • Мотордеталь
  • ТАИМ
  • АвтоКрАЗ
  • БЕЛКАРД
  • CZ Strakonice
  • КамАЗ
  • БЗА
  • ЧМЗ
  • BMZ
Новости
Все новости
25 марта 2024
Флагманский седельный тягач «Валдай 45» на выставке «TransRussia»
10 марта 2024
Современные автобусы «CITYMAX 9» и ЛиАЗ-5292 CNG
25 февраля 2024
Серийное производство средних дизельных двигателей повышенной мощности от ЯМЗ
Статьи
Все статьи
Датчики двигателя: за что они отвечают, признаки неисправности и как не прогадать с выбором
Двигатели ЯМЗ-534: история, технические характеристики и области применения
Двигатели ЯМЗ 650: углублённый технический обзор и история
Компания
О компании
Реквизиты
Новости
Политика
Магазины
Информация
Условия оплаты
Условия доставки
Гарантия на товар
Обмен и возврат товара
Помощь
Как оформить заказ
Полезные статьи
Бренды
Пункты выдачи
Оставайтесь на связи
  • Вконтакте
  • YouTube
  • Одноклассники
  • Google Plus
Увидели ошибку?
Выделите, нажав Ctrl + Enter
Наши контакты
8-800-700-35-68
sales@din76.ru
г. Ярославль, Ленинградский пр-т 33, ТЦ "ОМЕГА"
2026 © ООО «Динамика 76» - Все права защищены ООО "Динамика 76"
Предложения на сайте не являются публичной офертой.
На сайте обнаружена ошибка

Текст с ошибкой