Избранное 0 Корзина 0 Личный кабинет
logo
Каталог
Каталог
  • Справочник
    • Грузовые автомобили
    • Автобусы
    • Сельхозтехника
    • Спецтехника
    • Двигатели
  • Доставка
  • Оплата
  • О компании
    • Реквизиты
    • Магазины
    • Оплата
    • Доставка
    • Лицензии и сертификаты
    • Новости
    • Вакансии
  • Контакты
Отправить заявку
Личный кабинет
8 (800) 700-35-68
sales@din76.ru
Избранное 0 Корзина 0
8 (800) 700-35-68
Оптовый прайс-лист
Каталог
  • Двигатели
  • Запчасти WEICHAI
  • Запчасти ЯМЗ, ТМЗ (V-образные)
  • Запчасти ЯМЗ-534, ЯМЗ-536
  • Запчасти ЯМЗ-650, ЯМЗ-651, DCi-11
  • Топливная аппаратура
  • Запчасти УРАЛ
  • Запчасти МАЗ
  • Запчасти КамАЗ
  • Запчасти ММЗ
  • Ремни
Автокаталог (справочник)
  • Доставка
  • Оплата
  • О компании
  • Контакты
8 (800) 700-35-68
Написать в Whatsapp
sales@din76.ru
Динамика 76
Меню  
  • Каталог
    • Двигатели  
      • Двигатели ТМЗ  
        • Двигатели ТМЗ для автомобилей
        • Двигатели ТМЗ для тракторов
        • Специальные двигатели ТМЗ
        • Промышленные двигатели ТМЗ
      • Двигатели ЯМЗ  
        • ЯМЗ 236
        • ЯМЗ 238
        • ЯМЗ 240
        • ЯМЗ 751
        • ЯМЗ 840
        • ЯМЗ 850
        • ЯМЗ 656
        • ЯМЗ 658
        • ЯМЗ 534
        • ЯМЗ 536
        • ЯМЗ 650
        • Двигатели ЯМЗ для электростанций
      • Двигатели КАМАЗ
      • Двигатели ММЗ
      • Двигатели индивидуальной сборки
      • Комплекты переоборудования
    • Запчасти WEICHAI  
      • Основные запчасти двигателя  
        • Клапаны и толкатели
        • Шатуны
        • Вал коленчатый и маховик
        • Вал распределительный
        • Цилиндро-поршневая группа
      • Система питания  
        • Форсунки
        • Турбокомпрессор
      • Система смазки  
        • Насос масляный
      • Головка блока
      • Ремкомплекты
      • Система охлаждения  
        • Насос водяной
        • Муфта вязкостная и крыльчатка
      • Фильтры
      • Электрооборудование  
        • Генератор
        • Стартер
    • Запчасти ЯМЗ, ТМЗ (V-образные)  
      • Основные запчасти двигателя  
        • Блок двигателя и комплектующие
        • Валы распределительные и клапаны
        • Головка блока и комплектующие
        • Цилиндро-поршневая группа
        • Маховики и комплектующие
        • Валы коленчатые и комплектующие
        • Шатуны и комплектующие
      • Система питания  
        • Коллекторы и патрубки
        • Топливные трубопроводы
        • Турбокомпрессор
        • Топливные фильтры
      • Электрооборудование двигателя
      • Система охлаждения  
        • Вязкостные муфты и крыльчатки
        • Приводы вентилятора
        • Водяные насосы
        • Водяные трубы и термостаты
      • Коробки переключения передач  
        • 8 Ступенчатые КПП
        • 5 Ступенчатые КПП
        • 9 Ступенчатые КПП
        • Запасные части КПП ЯМЗ, ТМЗ
      • Система смазки  
        • Теплообменник и комплектующие
        • Масляные насосы
        • Фильтры масляные (ФГОМ, ФЦОМ)
      • Сцепление  
        • Запасные части механизма сцепления
        • Муфты (подшипники выжимные)
        • Корзины (диски нажимные)
        • Диски ведомые
      • Прочие запчасти двигателя  
        • Ремкомплекты
        • Привод агрегатов
        • Натяжные устройства
        • Трубки
    • Запчасти ЯМЗ-534, ЯМЗ-536  
      • Основные запчасти двигателя  
        • Цилиндро-поршневая группа
        • Головка блока цилиндров и комплектующие
        • Блок цилиндров и комплектующие
        • Вал коленчатый и маховик
        • Вал распределительный
        • Клапаны и толкатели
        • ГУР (Гидроусилитель руля)
        • Система рециркуляции отработавших газов
        • Выпускной коллектор
      • Система питания  
        • Коллекторы и патрубки
        • Топливные фильтры
        • Турбокомпрессор
        • Топливные трубопроводы
      • Система смазки  
        • Масляный картер поддон
        • Масляный насос
        • Теплообменник /Водо-масляный радиатор
        • Фильтры масляные (ФГОМ, ФЦОМ)
      • Пневмокомпрессор и натяжное
      • Система охлаждения  
        • Водяной насос
        • Водяные трубы и патрубки
        • Муфты вязкостные, приводы, крыльчатки
      • Ремкомплекты
      • Сцепление
      • Электрооборудование
    • Запчасти ЯМЗ-650, ЯМЗ-651, DCi-11  
      • Основные запчасти двигателя  
        • Цилиндро-поршневая группа
        • Головка блока цилиндров и комплектующие
        • Блок цилиндров и комплектующие
        • Вал коленчатый и маховик
        • Выпускной коллектор
        • Вал распределительный
        • Клапаны и толкатели
        • ГУР (Гидроусилитель руля)
        • Система рециркуляции отработавших газов
      • Система питания  
        • Коллекторы и патрубки
        • Топливные трубопроводы
        • Топливные фильтры
        • Турбокомпрессор
      • Система смазки  
        • Масляный картер / поддон
        • Масляный насос
        • Теплообменник / Водо-масляный радиатор
        • Фильтры масляные (ФГОМ, ФЦОМ)
      • Система охлаждения  
        • Водяной насос
        • Водяные трубы и патрубки
        • Муфты вязкостные, приводы, крыльчатки
      • Ремкомплекты
      • Пневмокомпрессор и натяжное
      • Электрооборудование
      • Сцепление
    • Топливная аппаратура  
      • ЯЗДА  
        • Распылители
        • ТНВД
        • Форсунки
        • Топливный насос низкого давления
        • Пары плунжерные
        • Муфта опережения впрыска топлива
        • Запчасти и комплектующие ТНВД
      • НЗТА
      • АЗПИ  
        • Распылители
        • Форсунки
      • BOSCH
    • Запчасти УРАЛ  
      • Трансмиссия  
        • Коробка раздаточная
        • Передача карданная
        • Мост задний
        • Мост передний (ведущий)
        • Мост средний (промежуточный)
      • Кузов  
        • Дверь кабины
        • Капот, крылья, облицовка радиатора
        • Окно ветровое и заднее
        • Отопление и вентиляция кабины
        • Кабина
      • Механизмы управления  
        • Управление рулевое
        • Тормоза
      • Дополнительное оборудование  
        • Отбор мощности
        • Устройство седельное
      • Электрооборудование
      • Ходовая часть  
        • Колеса и ступицы
        • Ось передняя
        • Подвеска автомобиля
        • Рама
    • Запчасти МАЗ  
      • Трансмиссия  
        • Мост задний
        • Мост передний (ведущий)
        • Передача карданная
        • Мост средний (промежуточный)
      • Кузов  
        • Кабина
        • Дверь кабины
        • Детали основания кабины
        • Окно ветровое и заднее
        • Платформа
      • Механизмы управления  
        • Тормоза
        • Управление рулевое
      • Ходовая часть  
        • Колеса и ступицы
        • Ось передняя
        • Подвеска автомобиля
        • Рама
    • Запчасти КамАЗ  
      • Кузов  
        • Кабина
        • Капот, крылья, облицовка радиатора
        • Дверь кабины
        • Платформа
        • Окно ветровое и заднее
        • Устройство подъемное и опрокидывающее
        • Сиденье
        • Крыша кабины (крыша кузова)
        • Отопление и вентиляция кабины
      • Трансмиссия  
        • Коробка передач
        • Коробка раздаточная
        • Мост задний
        • Сцепление
        • Мост средний (промежуточный)
        • Передача карданная
        • Мост передний (ведущий)
      • Двигатель  
        • Основные запчасти двигателя
        • Система охлаждения
        • Система питания
        • Система смазки
      • Дополнительное оборудование  
        • Отбор мощности
        • Устройство седельное
      • Ходовая часть  
        • Подвеска автомобиля
        • Рама
        • Колеса и ступицы
        • Ось передняя
      • Механизмы управления  
        • Тормоза
        • Управление рулевое
      • Электрооборудование
    • Запчасти ММЗ
    • Ремни
  • Справочник
    • Грузовые автомобили
    • Автобусы
    • Сельхозтехника
    • Спецтехника
    • Двигатели
  • Как купить
    • Условия оплаты
    • Условия доставки
    • Гарантия на товар
    • Пункты выдачи
  • Услуги
    • Капитальный ремонт двигателей ЯМЗ
  • Акции
  • Статьи
  • Контакты
  • Компания
    • Реквизиты
    • Магазины
    • Оплата
    • Доставка
    • Лицензии и сертификаты
    • Новости
    • Вакансии
Избранное 0 Корзина 0
8-800-700-35-68

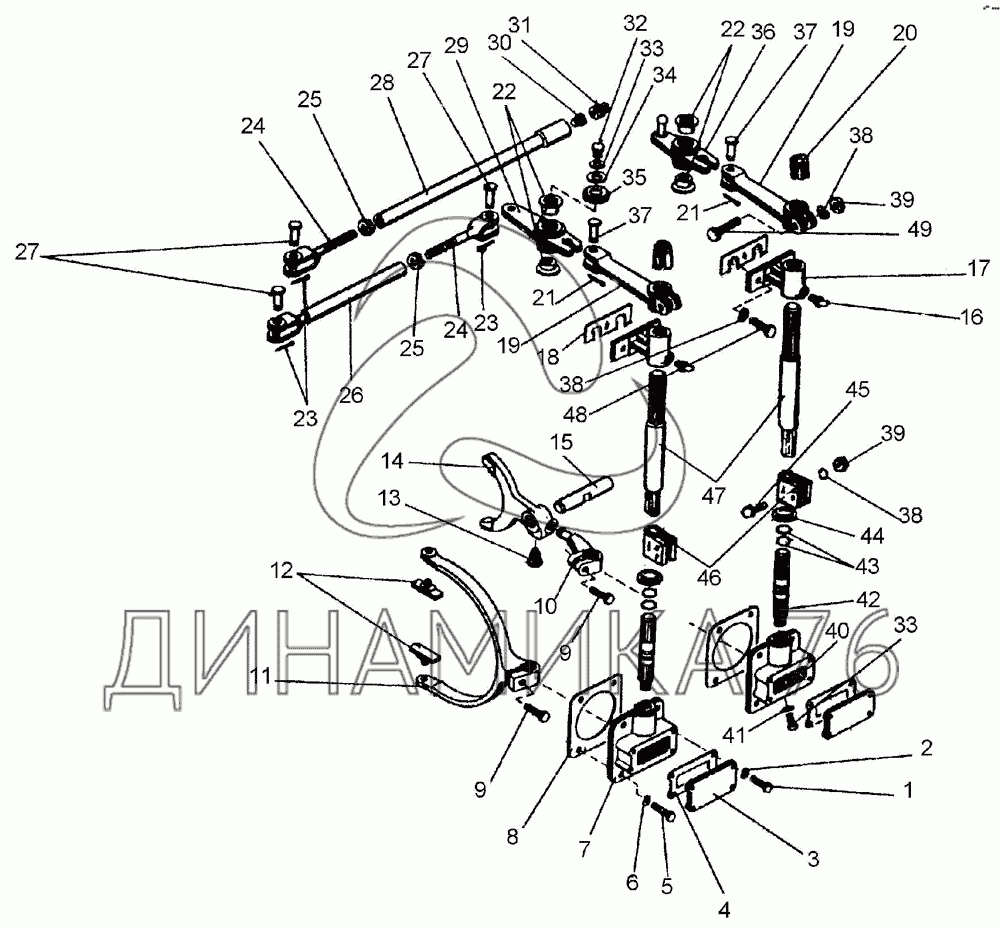
Привод управления муфтами раздаточного вала на К-702МБА (до 1998 г.)

Справочник
Главная
-
Автокаталог
-
Спецтехника
-
Петербургский Трактор
-
К-702МБА
Справочный каталог

Привод управления муфтами раздаточного вала — К-702МБА:

1 2 3 4 5 6 7 8 9 9 10 11 12 13 14 15 16 17 18 19 19 20 21 21 22 22 23 23 24 24 25 25 26 27 27 28 29 30 31 32 33 33 34 35 36 37 37 38 38 38 39 39 40 41 42 43 44 45 46 47 48 49
в наличии
нет в наличии
масштаб

В наличии
Нет в наличии

Перечень комплектующих от Привод управления муфтами раздаточного вала на К-702МБА

Схемы запчастей предназначены для справочных целей! Мы продаем не все запчасти от Привод управления муфтами раздаточного вала на К-702МБА, представленные в этом списке.
Наличие на складах по деталям с ценой смотрите в карточке товара.
1
1
Артикул: М8х16
нет в наличии
Болт
Количество на схеме: 8
Информация
Болт
Количество
8
2
2
Артикул: 8-65Г
нет в наличии
Шайба
Количество на схеме: 8
Информация
Шайба
Количество
8
3
3
Артикул: 700-1701118
нет в наличии
Крышка
Количество на схеме: 2
Информация
Крышка
Количество
2
Модель
700
Группа
Коробка передач
Подгруппа
Коробка передач
Порядковый номер детали
118
4
4
Артикул: 700-1701254
нет в наличии
Прокладка
Количество на схеме: 2
Информация
Прокладка
Количество
2
Модель
700
Группа
Коробка передач
Подгруппа
Коробка передач
Порядковый номер детали
254
5
5
Артикул: М10х20
нет в наличии
Болт
Количество на схеме: 8
Информация
Болт
Количество
8
6
6
Артикул: 700А-1701481
нет в наличии
Шайба
Количество на схеме: 8
Информация
Шайба
Количество
8
Модель
700А
Группа
Коробка передач
Подгруппа
Коробка передач
Порядковый номер детали
481
7
7
Артикул: 700-1701253-1
нет в наличии
Корпус
Количество на схеме: 1
Информация
Корпус
Количество
1
Модель
700
Группа
Коробка передач
Подгруппа
Коробка передач
Порядковый номер детали
253
Дополнительно
Не взаимозаменяема с деталью, выпущенной ранее под этим же номером
8
8
Артикул: 700-1701233-1
нет в наличии
Прокладка
Количество на схеме: 2
Информация
Прокладка
Количество
2
Модель
700
Группа
Коробка передач
Подгруппа
Коробка передач
Порядковый номер детали
233
Дополнительно
Не взаимозаменяема с деталью, выпущенной ранее под этим же номером
9
9
Артикул: 3М10х30
нет в наличии
Болт
Количество на схеме: 2
Информация
Болт
Количество
2
10
10
Артикул: 700-1701338
нет в наличии
Рычаг
Количество на схеме: 1
Информация
Рычаг
Количество
1
Модель
700
Группа
Коробка передач
Подгруппа
Коробка передач
Порядковый номер детали
338
11
11
Артикул: 700-1701229-2
нет в наличии
Вилка
Количество на схеме: 1
Информация
Вилка
Количество
1
Модель
700
Группа
Коробка передач
Подгруппа
Коробка передач
Порядковый номер детали
229
Дополнительно
Не взаимозаменяема с деталью, выпущенной ранее под этим же номером
12
12
Артикул: 700-1701294-1
нет в наличии
Сухарь
Количество на схеме: 2
Информация
Сухарь
Количество
2
Модель
700
Группа
Коробка передач
Подгруппа
Коробка передач
Порядковый номер детали
294
Дополнительно
Не взаимозаменяема с деталью, выпущенной ранее под этим же номером
13
13
Артикул: 700-1701357
нет в наличии
Винт установочный
Количество на схеме: 1
Информация
Винт установочный
Количество
1
Модель
700
Группа
Коробка передач
Подгруппа
Коробка передач
Порядковый номер детали
357
14
14
Артикул: 700-1701072-1
нет в наличии
Вилка
Количество на схеме: 1
Информация
Вилка
Количество
1
Модель
700
Группа
Коробка передач
Подгруппа
Коробка передач
Порядковый номер детали
072
Дополнительно
Не взаимозаменяема с деталью, выпущенной ранее под этим же номером
15
15
Артикул: 700-1701312
нет в наличии
Палец
Количество на схеме: 1
Информация
Палец
Количество
1
Модель
700
Группа
Коробка передач
Подгруппа
Коробка передач
Порядковый номер детали
312
16
16
Артикул: 2-3-45-Ц6
нет в наличии
Масленка
Количество на схеме: 2
Информация
Масленка
Количество
2
17
17
Артикул: 700-1701252-1
нет в наличии
Кронштейн
Количество на схеме: 2
Информация
Кронштейн
Количество
2
Модель
700
Группа
Коробка передач
Подгруппа
Коробка передач
Порядковый номер детали
252
Дополнительно
Не взаимозаменяема с деталью, выпущенной ранее под этим же номером
18
18
Артикул: 700-1701236
нет в наличии
Планка
Количество на схеме: 2
Информация
Планка
Количество
2
Модель
700
Группа
Коробка передач
Подгруппа
Коробка передач
Порядковый номер детали
236
19
19
Артикул: 2256010-1700045
нет в наличии
Рычаг
Количество на схеме: 2
Информация
Рычаг
Количество
2
Группа
Валы карданные
Подгруппа
2256
Порядковый номер детали
010
Дополнительно
Не взаимозаменяема с деталью, выпущенной ранее под этим же номером
20
20
Артикул: 700-1701297
нет в наличии
Втулка
Количество на схеме: 2
Информация
Втулка
Количество
2
Модель
700
Группа
Коробка передач
Подгруппа
Коробка передач
Порядковый номер детали
297
21
21
Артикул: 3,2х20
нет в наличии
Шплинт
Количество на схеме: 2
Информация
Шплинт
Количество
2
22
22
Артикул: 700-1701242-1
нет в наличии
Втулка
Количество на схеме: 4
Информация
Втулка
Количество
4
Модель
700
Группа
Коробка передач
Подгруппа
Коробка передач
Порядковый номер детали
242
Дополнительно
Не взаимозаменяема с деталью, выпущенной ранее под этим же номером
23
23
Артикул: 2,5х16
нет в наличии
Шплинт
Количество на схеме: 3
Информация
Шплинт
Количество
3
24
24
Артикул: 700-1719360
нет в наличии
Тяга в сборе
Количество на схеме: 1
Информация
Тяга в сборе
Количество
1
Модель
700
Группа
Коробка передач
Подгруппа
1719
Порядковый номер детали
360
25
25
Артикул: М14
нет в наличии
Гайка
Количество на схеме: 2
Информация
Гайка
Количество
2
26
26
Артикул: 2256010-1700190
нет в наличии
Тяга
Количество на схеме: 1
Информация
Тяга
Количество
1
Группа
Валы карданные
Подгруппа
2256
Порядковый номер детали
010
Дополнительно
Не взаимозаменяема с деталью, выпущенной ранее под этим же номером
27
27
Артикул: 700-1719055-3
нет в наличии
Валик
Количество на схеме: 3
Информация
Валик
Количество
3
Модель
700
Группа
Коробка передач
Подгруппа
1719
Порядковый номер детали
055
Дополнительно
Не взаимозаменяема с деталью, выпущенной ранее под этим же номером
28
28
Артикул: 2256010-1700180
нет в наличии
Тяга
Количество на схеме: 1
Информация
Тяга
Количество
1
Группа
Валы карданные
Подгруппа
2256
Порядковый номер детали
010
Дополнительно
Не взаимозаменяема с деталью, выпущенной ранее под этим же номером
29
29
Артикул: 2256010-1700210
нет в наличии
Балансир
Количество на схеме: 1
Информация
Балансир
Количество
1
Группа
Валы карданные
Подгруппа
2256
Порядковый номер детали
010
Дополнительно
Не взаимозаменяема с деталью, выпущенной ранее под этим же номером
30
30
Артикул: 700-1719049
нет в наличии
Сухарь
Количество на схеме: 1
Информация
Сухарь
Количество
1
Модель
700
Группа
Коробка передач
Подгруппа
1719
Порядковый номер детали
049
31
31
Артикул: 700-1719051
нет в наличии
Гайка
Количество на схеме: 1
Информация
Гайка
Количество
1
Модель
700
Группа
Коробка передач
Подгруппа
1719
Порядковый номер детали
051
32
32
Артикул: 700А-1405021-02
нет в наличии
Пробка
Количество на схеме: 2
Информация
Пробка
Количество
2
Модель
700А
Группа
Система управления двигателем электронная
Подгруппа
1405
Порядковый номер детали
021
33
33
Артикул: ФТ10х16х1
нет в наличии
Прокладка
Количество на схеме: 4
Информация
Прокладка
Количество
4
34
34
Артикул: С20
нет в наличии
Кольцо
Количество на схеме: 2
Информация
Кольцо
Количество
2
35
35
Артикул: 700-1701237
нет в наличии
Крышка
Количество на схеме: 2
Информация
Крышка
Количество
2
Модель
700
Группа
Коробка передач
Подгруппа
Коробка передач
Порядковый номер детали
237
36
36
Артикул: 2256010-1700200
нет в наличии
Балансир
Количество на схеме: 1
Информация
Балансир
Количество
1
Группа
Валы карданные
Подгруппа
2256
Порядковый номер детали
010
Дополнительно
Не взаимозаменяема с деталью, выпущенной ранее под этим же номером
37
37
Артикул: 700-1701346
нет в наличии
Валик с головкой
Количество на схеме: 2
Информация
Валик с головкой
Количество
2
Модель
700
Группа
Коробка передач
Подгруппа
Коробка передач
Порядковый номер детали
346
38
38
Артикул: 10-65Г
нет в наличии
Шайба
Количество на схеме: 10
Информация
Шайба
Количество
10
39
39
Артикул: М10
нет в наличии
Гайка
Количество на схеме: 6
Информация
Гайка
Количество
6
40
40
Артикул: 700-1701415
нет в наличии
Корпус
Количество на схеме: 1
Информация
Корпус
Количество
1
Модель
700
Группа
Коробка передач
Подгруппа
Коробка передач
Порядковый номер детали
415
41
41
Артикул: 700А-1405021-02
нет в наличии
Пробка
Количество на схеме: 2
Информация
Пробка
Количество
2
Модель
700А
Группа
Система управления двигателем электронная
Подгруппа
1405
Порядковый номер детали
021
42
42
Артикул: 700-1701231
нет в наличии
Валик
Количество на схеме: 2
Информация
Валик
Количество
2
Модель
700
Группа
Коробка передач
Подгруппа
Коробка передач
Порядковый номер детали
231
43
43
Артикул: 016-020-25-1-3
нет в наличии
Кольцо
Количество на схеме: 4
Информация
Кольцо
Количество
4
44
44
Артикул: 700-1701241
нет в наличии
Шайба
Количество на схеме: 2
Информация
Шайба
Количество
2
Модель
700
Группа
Коробка передач
Подгруппа
Коробка передач
Порядковый номер детали
241
45
45
Артикул: М10х40
нет в наличии
Болт
Количество на схеме: 4
Информация
Болт
Количество
4
46
46
Артикул: 2256010-1701068-1
нет в наличии
Втулка
Количество на схеме: 2
Информация
Втулка
Количество
2
Группа
Валы карданные
Подгруппа
2256
Порядковый номер детали
010
Дополнительно
Не взаимозаменяема с деталью, выпущенной ранее под этим же номером
47
47
Артикул: 2256010-1701069-1
нет в наличии
Вал
Количество на схеме: 2
Информация
Вал
Количество
2
Группа
Валы карданные
Подгруппа
2256
Порядковый номер детали
010
Дополнительно
Не взаимозаменяема с деталью, выпущенной ранее под этим же номером
48
48
Артикул: М10х25
нет в наличии
Болт
Количество на схеме: 4
Информация
Болт
Количество
4
49
49
Артикул: М10х45
нет в наличии
Болт
Количество на схеме: 2
Информация
Болт
Количество
2
  • Грузовые автомобили
  • Автобусы
  • Сельхозтехника
  • Спецтехника
  • Двигатели
Получить оптовый прайс-лист
Скачать прайс-лист от 07.05.2026 12:00
Специальное предложение от 07.05.2026 13:00
Производители:


  • WEICHAI
  • Автодизель ПАО (ЯМЗ)
  • Тутаевский МЗ
  • ЯЗДА
  • УралАЗ
  • МАЗ
  • АЗПИ
  • BOSCH
  • ММЗ
  • ШААЗ
  • FEDERAL MOGUL
  • ПРАМО
  • Мотордеталь
  • ТАИМ
  • АвтоКрАЗ
  • БЕЛКАРД
  • CZ Strakonice
  • КамАЗ
  • БЗА
  • ЧМЗ
  • BMZ
Новости
Все новости
25 марта 2024
Флагманский седельный тягач «Валдай 45» на выставке «TransRussia»
10 марта 2024
Современные автобусы «CITYMAX 9» и ЛиАЗ-5292 CNG
25 февраля 2024
Серийное производство средних дизельных двигателей повышенной мощности от ЯМЗ
Статьи
Все статьи
Датчики двигателя: за что они отвечают, признаки неисправности и как не прогадать с выбором
Двигатели ЯМЗ-534: история, технические характеристики и области применения
Двигатели ЯМЗ 650: углублённый технический обзор и история
Компания
О компании
Реквизиты
Новости
Политика
Магазины
Информация
Условия оплаты
Условия доставки
Гарантия на товар
Обмен и возврат товара
Помощь
Как оформить заказ
Полезные статьи
Бренды
Пункты выдачи
Оставайтесь на связи
  • Вконтакте
  • YouTube
  • Одноклассники
  • Google Plus
Увидели ошибку?
Выделите, нажав Ctrl + Enter
Наши контакты
8-800-700-35-68
sales@din76.ru
г. Ярославль, Ленинградский пр-т 33, ТЦ "ОМЕГА"
2026 © ООО «Динамика 76» - Все права защищены ООО "Динамика 76"
Предложения на сайте не являются публичной офертой.
На сайте обнаружена ошибка

Текст с ошибкой