Избранное 0 Корзина 0 Личный кабинет
logo
Каталог
Каталог
  • Справочник
    • Грузовые автомобили
    • Автобусы
    • Сельхозтехника
    • Спецтехника
    • Двигатели
  • Доставка
  • Оплата
  • О компании
    • Реквизиты
    • Магазины
    • Оплата
    • Доставка
    • Лицензии и сертификаты
    • Новости
    • Вакансии
  • Контакты
Отправить заявку
Личный кабинет
8 (800) 700-35-68
sales@din76.ru
Избранное 0 Корзина 0
8 (800) 700-35-68
Оптовый прайс-лист
Каталог
  • Двигатели
  • Запчасти WEICHAI
  • Запчасти ЯМЗ, ТМЗ (V-образные)
  • Запчасти ЯМЗ-534, ЯМЗ-536
  • Запчасти ЯМЗ-650, ЯМЗ-651, DCi-11
  • Топливная аппаратура
  • Запчасти УРАЛ
  • Запчасти МАЗ
  • Запчасти КамАЗ
  • Запчасти ММЗ
  • Ремни
Автокаталог (справочник)
  • Доставка
  • Оплата
  • О компании
  • Контакты
8 (800) 700-35-68
Написать в Whatsapp
sales@din76.ru
Динамика 76
Меню  
  • Каталог
    • Двигатели  
      • Двигатели ТМЗ  
        • Двигатели ТМЗ для автомобилей
        • Двигатели ТМЗ для тракторов
        • Специальные двигатели ТМЗ
        • Промышленные двигатели ТМЗ
      • Двигатели ЯМЗ  
        • ЯМЗ 236
        • ЯМЗ 238
        • ЯМЗ 240
        • ЯМЗ 751
        • ЯМЗ 840
        • ЯМЗ 850
        • ЯМЗ 656
        • ЯМЗ 658
        • ЯМЗ 534
        • ЯМЗ 536
        • ЯМЗ 650
        • Двигатели ЯМЗ для электростанций
      • Двигатели КАМАЗ
      • Двигатели ММЗ
      • Двигатели индивидуальной сборки
      • Комплекты переоборудования
    • Запчасти WEICHAI  
      • Основные запчасти двигателя  
        • Клапаны и толкатели
        • Шатуны
        • Вал коленчатый и маховик
        • Вал распределительный
        • Цилиндро-поршневая группа
      • Система питания  
        • Форсунки
        • Турбокомпрессор
      • Система смазки  
        • Насос масляный
      • Головка блока
      • Ремкомплекты
      • Система охлаждения  
        • Насос водяной
        • Муфта вязкостная и крыльчатка
      • Фильтры
      • Электрооборудование  
        • Генератор
        • Стартер
    • Запчасти ЯМЗ, ТМЗ (V-образные)  
      • Основные запчасти двигателя  
        • Блок двигателя и комплектующие
        • Валы распределительные и клапаны
        • Головка блока и комплектующие
        • Цилиндро-поршневая группа
        • Маховики и комплектующие
        • Валы коленчатые и комплектующие
        • Шатуны и комплектующие
      • Система питания  
        • Коллекторы и патрубки
        • Топливные трубопроводы
        • Турбокомпрессор
        • Топливные фильтры
      • Электрооборудование двигателя
      • Система охлаждения  
        • Вязкостные муфты и крыльчатки
        • Приводы вентилятора
        • Водяные насосы
        • Водяные трубы и термостаты
      • Коробки переключения передач  
        • 8 Ступенчатые КПП
        • 5 Ступенчатые КПП
        • 9 Ступенчатые КПП
        • Запасные части КПП ЯМЗ, ТМЗ
      • Система смазки  
        • Теплообменник и комплектующие
        • Масляные насосы
        • Фильтры масляные (ФГОМ, ФЦОМ)
      • Сцепление  
        • Запасные части механизма сцепления
        • Муфты (подшипники выжимные)
        • Корзины (диски нажимные)
        • Диски ведомые
      • Прочие запчасти двигателя  
        • Ремкомплекты
        • Привод агрегатов
        • Натяжные устройства
        • Трубки
    • Запчасти ЯМЗ-534, ЯМЗ-536  
      • Основные запчасти двигателя  
        • Цилиндро-поршневая группа
        • Головка блока цилиндров и комплектующие
        • Блок цилиндров и комплектующие
        • Вал коленчатый и маховик
        • Вал распределительный
        • Клапаны и толкатели
        • ГУР (Гидроусилитель руля)
        • Система рециркуляции отработавших газов
        • Выпускной коллектор
      • Система питания  
        • Коллекторы и патрубки
        • Топливные фильтры
        • Турбокомпрессор
        • Топливные трубопроводы
      • Система смазки  
        • Масляный картер поддон
        • Масляный насос
        • Теплообменник /Водо-масляный радиатор
        • Фильтры масляные (ФГОМ, ФЦОМ)
      • Пневмокомпрессор и натяжное
      • Система охлаждения  
        • Водяной насос
        • Водяные трубы и патрубки
        • Муфты вязкостные, приводы, крыльчатки
      • Ремкомплекты
      • Сцепление
      • Электрооборудование
    • Запчасти ЯМЗ-650, ЯМЗ-651, DCi-11  
      • Основные запчасти двигателя  
        • Цилиндро-поршневая группа
        • Головка блока цилиндров и комплектующие
        • Блок цилиндров и комплектующие
        • Вал коленчатый и маховик
        • Выпускной коллектор
        • Вал распределительный
        • Клапаны и толкатели
        • ГУР (Гидроусилитель руля)
        • Система рециркуляции отработавших газов
      • Система питания  
        • Коллекторы и патрубки
        • Топливные трубопроводы
        • Топливные фильтры
        • Турбокомпрессор
      • Система смазки  
        • Масляный картер / поддон
        • Масляный насос
        • Теплообменник / Водо-масляный радиатор
        • Фильтры масляные (ФГОМ, ФЦОМ)
      • Система охлаждения  
        • Водяной насос
        • Водяные трубы и патрубки
        • Муфты вязкостные, приводы, крыльчатки
      • Ремкомплекты
      • Пневмокомпрессор и натяжное
      • Электрооборудование
      • Сцепление
    • Топливная аппаратура  
      • ЯЗДА  
        • Распылители
        • ТНВД
        • Форсунки
        • Топливный насос низкого давления
        • Пары плунжерные
        • Муфта опережения впрыска топлива
        • Запчасти и комплектующие ТНВД
      • НЗТА
      • АЗПИ  
        • Распылители
        • Форсунки
      • BOSCH
    • Запчасти УРАЛ  
      • Трансмиссия  
        • Коробка раздаточная
        • Передача карданная
        • Мост задний
        • Мост передний (ведущий)
        • Мост средний (промежуточный)
      • Кузов  
        • Дверь кабины
        • Капот, крылья, облицовка радиатора
        • Окно ветровое и заднее
        • Отопление и вентиляция кабины
        • Кабина
      • Механизмы управления  
        • Управление рулевое
        • Тормоза
      • Дополнительное оборудование  
        • Отбор мощности
        • Устройство седельное
      • Электрооборудование
      • Ходовая часть  
        • Колеса и ступицы
        • Ось передняя
        • Подвеска автомобиля
        • Рама
    • Запчасти МАЗ  
      • Трансмиссия  
        • Мост задний
        • Мост передний (ведущий)
        • Передача карданная
        • Мост средний (промежуточный)
      • Кузов  
        • Кабина
        • Дверь кабины
        • Детали основания кабины
        • Окно ветровое и заднее
        • Платформа
      • Механизмы управления  
        • Тормоза
        • Управление рулевое
      • Ходовая часть  
        • Колеса и ступицы
        • Ось передняя
        • Подвеска автомобиля
        • Рама
    • Запчасти КамАЗ  
      • Кузов  
        • Кабина
        • Капот, крылья, облицовка радиатора
        • Дверь кабины
        • Платформа
        • Окно ветровое и заднее
        • Устройство подъемное и опрокидывающее
        • Сиденье
        • Крыша кабины (крыша кузова)
        • Отопление и вентиляция кабины
      • Трансмиссия  
        • Коробка передач
        • Коробка раздаточная
        • Мост задний
        • Сцепление
        • Мост средний (промежуточный)
        • Передача карданная
        • Мост передний (ведущий)
      • Двигатель  
        • Основные запчасти двигателя
        • Система охлаждения
        • Система питания
        • Система смазки
      • Дополнительное оборудование  
        • Отбор мощности
        • Устройство седельное
      • Ходовая часть  
        • Подвеска автомобиля
        • Рама
        • Колеса и ступицы
        • Ось передняя
      • Механизмы управления  
        • Тормоза
        • Управление рулевое
      • Электрооборудование
    • Запчасти ММЗ
    • Ремни
  • Справочник
    • Грузовые автомобили
    • Автобусы
    • Сельхозтехника
    • Спецтехника
    • Двигатели
  • Как купить
    • Условия оплаты
    • Условия доставки
    • Гарантия на товар
    • Пункты выдачи
  • Услуги
    • Капитальный ремонт двигателей ЯМЗ
  • Акции
  • Статьи
  • Контакты
  • Компания
    • Реквизиты
    • Магазины
    • Оплата
    • Доставка
    • Лицензии и сертификаты
    • Новости
    • Вакансии
Избранное 0 Корзина 0
8-800-700-35-68

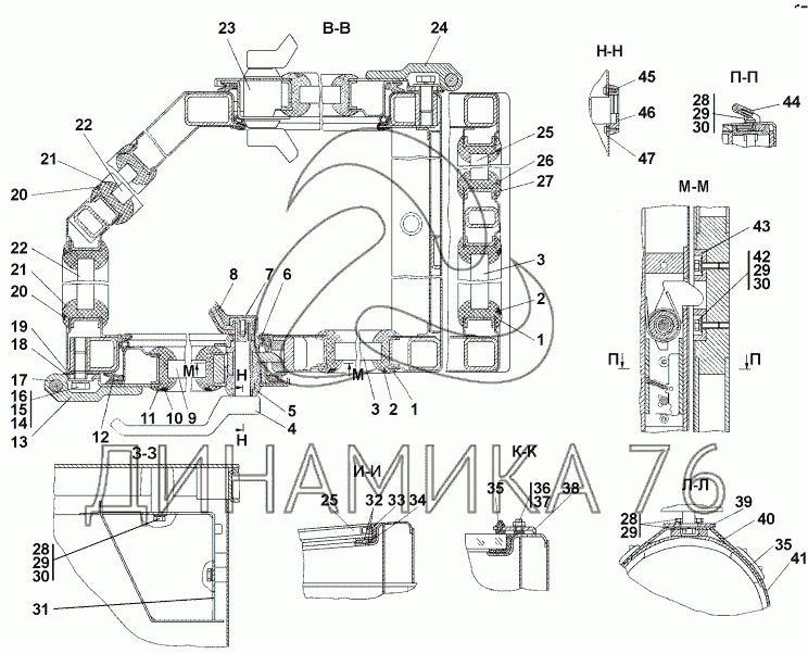
ТТ2501-59-1СП Кабина на ТГ-503К (до 2006 г.)

Справочник
Главная
-
Автокаталог
-
Спецтехника
-
Промтрактор
-
ТГ-503К
Справочный каталог

ТТ2501-59-1СП Кабина — ТГ-503К:

1 1 2 2 3 3 4 4 5 6 7 8 8 9 10 11 12 13 13 14 14 15 16 16 17 17 18 18 19 20 20 21 21 22 22 23 24 24 25 25 26 27 28 28 28 29 29 29 29 30 30 30 30 31 31 32 33 34 35 35 36 37 38 38 39 39 40 40 41 42 43 44 45 46 47
в наличии
нет в наличии
масштаб

В наличии
Нет в наличии

Перечень комплектующих от ТТ2501-59-1СП Кабина на ТГ-503К

Схемы запчастей предназначены для справочных целей! Мы продаем не все запчасти от ТТ2501-59-1СП Кабина на ТГ-503К, представленные в этом списке.
Наличие на складах по деталям с ценой смотрите в карточке товара.
1
1
Артикул: 2501-59-73-05
нет в наличии
Окантовка
Количество на схеме: 2
Информация
Окантовка
Количество
2
2
2
Артикул: 46-59-419-03
нет в наличии
Кант №23
Количество на схеме: 2
Информация
Кант №23
Количество
2
3
3
Артикул: ТТ2501-59-111СП(SP)
нет в наличии
Стеклопакет СПТК
Количество на схеме: 2
Информация
Стеклопакет СПТК
Количество
2
Примечание
ТУ21-0287200-005-91
4
4
Артикул: 2501-59-134-20СП(SP)
нет в наличии
Ручка
Количество на схеме: 2
Информация
Ручка
Количество
2
4
4
Артикул: 2501-59-134СП(SP)
нет в наличии
Ручка
Количество на схеме: 2
Информация
Ручка
Количество
2
5
5
Артикул: А1-2501-59-25
нет в наличии
Замок правый А1.2501-59-25
Количество на схеме: 1
Информация
Замок правый А1.2501-59-25
Количество
1
Примечание
ТУ4980-001-05786040-2005
6
6
Артикул: 2107-6107018
нет в наличии
Уплотнитель 2107-6107018
Количество на схеме: ;;;
Информация
Уплотнитель 2107-6107018
Количество
;;;
Модель
2107
Группа
Дверь кабины (передняя)
Подгруппа
Уплотнение (передней) двери
Порядковый номер детали
018
7
7
Артикул: Винт-А1-2501-59-102
нет в наличии
Винт А1.2501-59-102
Количество на схеме: 3
Информация
Винт А1.2501-59-102
Количество
3
8
8
Артикул: 2501-59-135-20СП(SP)
нет в наличии
Ручка
Количество на схеме: 1
Информация
Ручка
Количество
1
8
8
Артикул: 2501-59-135СП(SP)
нет в наличии
Ручка
Количество на схеме: 1
Информация
Ручка
Количество
1
9
9
Артикул: 2501-118СП(SP)
нет в наличии
Стеклопакет
Количество на схеме: 2
Информация
Стеклопакет
Количество
2
10
10
Артикул: 46-59-419-01
нет в наличии
Кант №23
Количество на схеме: 2
Информация
Кант №23
Количество
2
11
11
Артикул: 2501-59-73-01
нет в наличии
Окантовка
Количество на схеме: 2
Информация
Окантовка
Количество
2
12
12
Артикул: 40-0460
нет в наличии
Уплотнитель двери
Количество на схеме: 2
Информация
Уплотнитель двери
Количество
2
13
13
Артикул: ТТ2501-59-140-01--20СП(SP)
нет в наличии
Дверь
Количество на схеме: 1
Информация
Дверь
Количество
1
13
13
Артикул: ТТ2501-59-140-01СП-(SP)
нет в наличии
Дверь
Количество на схеме: 1
Информация
Дверь
Количество
1
14
14
Артикул: 31-0270
нет в наличии
Шайба 16 ГОСТ 11371-78
Количество на схеме: 12
Информация
Шайба 16 ГОСТ 11371-78
Количество
12
Примечание
ГОСТ 11371-78
14
14
Артикул: 31-0270-20
нет в наличии
Шайба 16.0Т.10.0221 ГОСТ 11371-78
Количество на схеме: 12
Информация
Шайба 16.0Т.10.0221 ГОСТ 11371-78
Количество
12
Примечание
ГОСТ 11371-78
15
15
Артикул: Шайба-16-ОТ
нет в наличии
Шайба 16 ОТ
Количество на схеме: 18
Информация
Шайба 16 ОТ
Количество
18
Примечание
ГОСТ 6402-70
16
16
Артикул: 28-0535
нет в наличии
Болт М16х1,25-6gх38.109.40Х.019 ГОСТ 7796-70
Количество на схеме: 12
Информация
Болт М16х1,25-6gх38.109.40Х.019 ГОСТ 7796-70
Количество
12
Примечание
ГОСТ 7796-70
16
16
Артикул: 28-0535-20
нет в наличии
Болт М16х1,25-6gх38.109.40Х.029 ГОСТ 7796-70
Количество на схеме: 12
Информация
Болт М16х1,25-6gх38.109.40Х.029 ГОСТ 7796-70
Количество
12
Примечание
ГОСТ 7796-70
17
17
Артикул: 2501-59-105
нет в наличии
Стержень
Количество на схеме: 4
Информация
Стержень
Количество
4
17
17
Артикул: 2501-59-105-20
нет в наличии
Стержень
Количество на схеме: 4
Информация
Стержень
Количество
4
18
18
Артикул: 46-59-245-20СП(SP)
нет в наличии
Створка
Количество на схеме: 4
Информация
Створка
Количество
4
18
18
Артикул: 46-59-245СП(SP)
нет в наличии
Створка
Количество на схеме: 4
Информация
Створка
Количество
4
19
19
Артикул: 401-59-422
нет в наличии
Планка
Количество на схеме: -
Информация
Планка
Количество
-
20
20
Артикул: 46-59-419-02
нет в наличии
Кант №23
Количество на схеме: 2
Информация
Кант №23
Количество
2
21
21
Артикул: 2501-59-73-06
нет в наличии
Окантовка
Количество на схеме: 2
Информация
Окантовка
Количество
2
22
22
Артикул: ТТ2501-59-110СП(SP)
нет в наличии
Стеклопакет СПТК
Количество на схеме: 2
Информация
Стеклопакет СПТК
Количество
2
Примечание
ТУ21-0287200-005-91
23
23
Артикул: А1-2501-59-25Т
нет в наличии
Замок правый А1.2501-59-25Т
Количество на схеме: 1
Информация
Замок правый А1.2501-59-25Т
Количество
1
Примечание
ТУ4980-001-05786040-2005
24
24
Артикул: ТТ2501-59-140-20СП--20(SP)
нет в наличии
Дверь
Количество на схеме: 1
Информация
Дверь
Количество
1
24
24
Артикул: ТТ2501-59-140СП(SP)
нет в наличии
Дверь
Количество на схеме: 1
Информация
Дверь
Количество
1
25
25
Артикул: ТТ2501-59-112СП(SP)
нет в наличии
Стеклопакет СПТК
Количество на схеме: 2
Информация
Стеклопакет СПТК
Количество
2
Примечание
ТУ21-0287200-005-91
26
26
Артикул: 46-59-419
нет в наличии
Кант №23
Количество на схеме: 2
Информация
Кант №23
Количество
2
27
27
Артикул: 2501-59-73-04
нет в наличии
Окантовка
Количество на схеме: 2
Информация
Окантовка
Количество
2
28
28
Артикул: Болт-М8-6gx20
нет в наличии
Болт М8-6gx20
Количество на схеме: 20
Информация
Болт М8-6gx20
Количество
20
Примечание
ГОСТ 7796-70
29
29
Артикул: Шайба-6Т
нет в наличии
Шайба 6Т
Количество на схеме: 28
Информация
Шайба 6Т
Количество
28
Примечание
ГОСТ 6402-70
30
30
Артикул: 31-0150
нет в наличии
Шайба 8 ГОСТ 11371-78
Количество на схеме: 12
Информация
Шайба 8 ГОСТ 11371-78
Количество
12
Примечание
ГОСТ 11371-78
30
30
Артикул: 31-0150-20
нет в наличии
Шайба 8.01.08кп.0221 ГОСТ 11371-78
Количество на схеме: 12
Информация
Шайба 8.01.08кп.0221 ГОСТ 11371-78
Количество
12
Примечание
ГОСТ 11371-78
31
31
Артикул: ТТ2501-59-117-20СП--20(SP)
нет в наличии
Ящик
Количество на схеме: 1
Информация
Ящик
Количество
1
31
31
Артикул: ТТ2501-59-117СП(SP)
нет в наличии
Ящик
Количество на схеме: 1
Информация
Ящик
Количество
1
32
32
Артикул: Герметик-УТ-32
нет в наличии
Герметик УТ-32
Количество на схеме: ;;;
Информация
Герметик УТ-32
Количество
;;;
33
33
Артикул: Герметик-Абрис-Б
нет в наличии
Герметик Абрис-Б
Количество на схеме: ;;;
Информация
Герметик Абрис-Б
Количество
;;;
34
34
Артикул: ТТ2501-59-148
нет в наличии
Прокладка
Количество на схеме: 1
Информация
Прокладка
Количество
1
35
35
Артикул: 40-0085
нет в наличии
Опора
Количество на схеме: 9
Информация
Опора
Количество
9
36
36
Артикул: Гайка-М6
нет в наличии
Гайка М6
Количество на схеме: 6
Информация
Гайка М6
Количество
6
Примечание
ГОСТ 5915-70
37
37
Артикул: Шайба-5
нет в наличии
Шайба 5
Количество на схеме: 4
Информация
Шайба 5
Количество
4
Примечание
ГОСТ 6402-70
38
38
Артикул: ТТ2501-59-171
нет в наличии
Пластина
Количество на схеме: 4
Информация
Пластина
Количество
4
38
38
Артикул: ТТ2501-59-171-20
нет в наличии
Пластина
Количество на схеме: 4
Информация
Пластина
Количество
4
39
39
Артикул: 2501-59-150
нет в наличии
Кронштейн
Количество на схеме: 1
Информация
Кронштейн
Количество
1
39
39
Артикул: 2501-59-150-20
нет в наличии
Кронштейн
Количество на схеме: 1
Информация
Кронштейн
Количество
1
40
40
Артикул: 401-59-260-20СП(SP)
нет в наличии
Гнездо
Количество на схеме: 1
Информация
Гнездо
Количество
1
40
40
Артикул: 401-59-260СП(SP)
нет в наличии
Гнездо
Количество на схеме: 1
Информация
Гнездо
Количество
1
41
41
Артикул: 54-00-630
нет в наличии
Хомут крепления термоса 54-00-630
Количество на схеме: 1
Информация
Хомут крепления термоса 54-00-630
Количество
1
42
42
Артикул: Болт-М8-6gx30
нет в наличии
Болт М8-6gx30
Количество на схеме: 8
Информация
Болт М8-6gx30
Количество
8
Примечание
ГОСТ 7796-70
43
43
Артикул: А1-2501-59-103
нет в наличии
Планка А1.2501-59-103
Количество на схеме: 2
Информация
Планка А1.2501-59-103
Количество
2
44
44
Артикул: 2501-59-101
нет в наличии
Ручка
Количество на схеме: 2
Информация
Ручка
Количество
2
45
45
Артикул: Винт-МЦ8-9-00-04
нет в наличии
Винт МЦ8-9.00.04
Количество на схеме: 2
Информация
Винт МЦ8-9.00.04
Количество
2
46
46
Артикул: МЦ8-900-02
нет в наличии
Накладка МЦ8-900.02
Количество на схеме: 1
Информация
Накладка МЦ8-900.02
Количество
1
47
47
Артикул: МЦ8-9-00-03
нет в наличии
Пластина пружинная МЦ8-9.00.03
Количество на схеме: 1
Информация
Пластина пружинная МЦ8-9.00.03
Количество
1
  • Грузовые автомобили
  • Автобусы
  • Сельхозтехника
  • Спецтехника
  • Двигатели
Получить оптовый прайс-лист
Скачать прайс-лист от 06.05.2026 16:00
Специальное предложение от 06.05.2026 17:00
Производители:


  • WEICHAI
  • Автодизель ПАО (ЯМЗ)
  • Тутаевский МЗ
  • ЯЗДА
  • УралАЗ
  • МАЗ
  • АЗПИ
  • BOSCH
  • ММЗ
  • ШААЗ
  • FEDERAL MOGUL
  • ПРАМО
  • Мотордеталь
  • ТАИМ
  • АвтоКрАЗ
  • БЕЛКАРД
  • CZ Strakonice
  • КамАЗ
  • БЗА
  • ЧМЗ
  • BMZ
Новости
Все новости
25 марта 2024
Флагманский седельный тягач «Валдай 45» на выставке «TransRussia»
10 марта 2024
Современные автобусы «CITYMAX 9» и ЛиАЗ-5292 CNG
25 февраля 2024
Серийное производство средних дизельных двигателей повышенной мощности от ЯМЗ
Статьи
Все статьи
Датчики двигателя: за что они отвечают, признаки неисправности и как не прогадать с выбором
Двигатели ЯМЗ-534: история, технические характеристики и области применения
Двигатели ЯМЗ 650: углублённый технический обзор и история
Компания
О компании
Реквизиты
Новости
Политика
Магазины
Информация
Условия оплаты
Условия доставки
Гарантия на товар
Обмен и возврат товара
Помощь
Как оформить заказ
Полезные статьи
Бренды
Пункты выдачи
Оставайтесь на связи
  • Вконтакте
  • YouTube
  • Одноклассники
  • Google Plus
Увидели ошибку?
Выделите, нажав Ctrl + Enter
Наши контакты
8-800-700-35-68
sales@din76.ru
г. Ярославль, Ленинградский пр-т 33, ТЦ "ОМЕГА"
2026 © ООО «Динамика 76» - Все права защищены ООО "Динамика 76"
Предложения на сайте не являются публичной офертой.
На сайте обнаружена ошибка

Текст с ошибкой