Избранное 0 Корзина 0 Личный кабинет
logo
Каталог
Каталог
  • Справочник
    • Грузовые автомобили
    • Автобусы
    • Сельхозтехника
    • Спецтехника
    • Двигатели
  • Доставка
  • Оплата
  • О компании
    • Реквизиты
    • Магазины
    • Оплата
    • Доставка
    • Лицензии и сертификаты
    • Новости
    • Вакансии
  • Контакты
Отправить заявку
Личный кабинет
8 (800) 700-35-68
sales@din76.ru
Избранное 0 Корзина 0
8 (800) 700-35-68
Оптовый прайс-лист
Каталог
  • Двигатели
  • Запчасти WEICHAI
  • Запчасти ЯМЗ, ТМЗ (V-образные)
  • Запчасти ЯМЗ-534, ЯМЗ-536
  • Запчасти ЯМЗ-650, ЯМЗ-651, DCi-11
  • Топливная аппаратура
  • Запчасти УРАЛ
  • Запчасти МАЗ
  • Запчасти КамАЗ
  • Запчасти ММЗ
  • Ремни
Автокаталог (справочник)
  • Доставка
  • Оплата
  • О компании
  • Контакты
8 (800) 700-35-68
Написать в Whatsapp
sales@din76.ru
Динамика 76
Меню  
  • Каталог
    • Двигатели  
      • Двигатели ТМЗ  
        • Двигатели ТМЗ для автомобилей
        • Двигатели ТМЗ для тракторов
        • Специальные двигатели ТМЗ
        • Промышленные двигатели ТМЗ
      • Двигатели ЯМЗ  
        • ЯМЗ 236
        • ЯМЗ 238
        • ЯМЗ 240
        • ЯМЗ 751
        • ЯМЗ 840
        • ЯМЗ 850
        • ЯМЗ 656
        • ЯМЗ 658
        • ЯМЗ 534
        • ЯМЗ 536
        • ЯМЗ 650
        • Двигатели ЯМЗ для электростанций
      • Двигатели КАМАЗ
      • Двигатели ММЗ
      • Двигатели индивидуальной сборки
      • Комплекты переоборудования
    • Запчасти WEICHAI  
      • Основные запчасти двигателя  
        • Клапаны и толкатели
        • Шатуны
        • Вал коленчатый и маховик
        • Вал распределительный
        • Цилиндро-поршневая группа
      • Система питания  
        • Форсунки
        • Турбокомпрессор
      • Система смазки  
        • Насос масляный
      • Головка блока
      • Ремкомплекты
      • Система охлаждения  
        • Насос водяной
        • Муфта вязкостная и крыльчатка
      • Фильтры
      • Электрооборудование  
        • Генератор
        • Стартер
    • Запчасти ЯМЗ, ТМЗ (V-образные)  
      • Основные запчасти двигателя  
        • Блок двигателя и комплектующие
        • Валы распределительные и клапаны
        • Головка блока и комплектующие
        • Цилиндро-поршневая группа
        • Маховики и комплектующие
        • Валы коленчатые и комплектующие
        • Шатуны и комплектующие
      • Система питания  
        • Коллекторы и патрубки
        • Топливные трубопроводы
        • Турбокомпрессор
        • Топливные фильтры
      • Электрооборудование двигателя
      • Система охлаждения  
        • Вязкостные муфты и крыльчатки
        • Приводы вентилятора
        • Водяные насосы
        • Водяные трубы и термостаты
      • Коробки переключения передач  
        • 8 Ступенчатые КПП
        • 5 Ступенчатые КПП
        • 9 Ступенчатые КПП
        • Запасные части КПП ЯМЗ, ТМЗ
      • Система смазки  
        • Теплообменник и комплектующие
        • Масляные насосы
        • Фильтры масляные (ФГОМ, ФЦОМ)
      • Сцепление  
        • Запасные части механизма сцепления
        • Муфты (подшипники выжимные)
        • Корзины (диски нажимные)
        • Диски ведомые
      • Прочие запчасти двигателя  
        • Ремкомплекты
        • Привод агрегатов
        • Натяжные устройства
        • Трубки
    • Запчасти ЯМЗ-534, ЯМЗ-536  
      • Основные запчасти двигателя  
        • Цилиндро-поршневая группа
        • Головка блока цилиндров и комплектующие
        • Блок цилиндров и комплектующие
        • Вал коленчатый и маховик
        • Вал распределительный
        • Клапаны и толкатели
        • ГУР (Гидроусилитель руля)
        • Система рециркуляции отработавших газов
        • Выпускной коллектор
      • Система питания  
        • Коллекторы и патрубки
        • Топливные фильтры
        • Турбокомпрессор
        • Топливные трубопроводы
      • Система смазки  
        • Масляный картер поддон
        • Масляный насос
        • Теплообменник /Водо-масляный радиатор
        • Фильтры масляные (ФГОМ, ФЦОМ)
      • Пневмокомпрессор и натяжное
      • Система охлаждения  
        • Водяной насос
        • Водяные трубы и патрубки
        • Муфты вязкостные, приводы, крыльчатки
      • Ремкомплекты
      • Сцепление
      • Электрооборудование
    • Запчасти ЯМЗ-650, ЯМЗ-651, DCi-11  
      • Основные запчасти двигателя  
        • Цилиндро-поршневая группа
        • Головка блока цилиндров и комплектующие
        • Блок цилиндров и комплектующие
        • Вал коленчатый и маховик
        • Выпускной коллектор
        • Вал распределительный
        • Клапаны и толкатели
        • ГУР (Гидроусилитель руля)
        • Система рециркуляции отработавших газов
      • Система питания  
        • Коллекторы и патрубки
        • Топливные трубопроводы
        • Топливные фильтры
        • Турбокомпрессор
      • Система смазки  
        • Масляный картер / поддон
        • Масляный насос
        • Теплообменник / Водо-масляный радиатор
        • Фильтры масляные (ФГОМ, ФЦОМ)
      • Система охлаждения  
        • Водяной насос
        • Водяные трубы и патрубки
        • Муфты вязкостные, приводы, крыльчатки
      • Ремкомплекты
      • Пневмокомпрессор и натяжное
      • Электрооборудование
      • Сцепление
    • Топливная аппаратура  
      • ЯЗДА  
        • Распылители
        • ТНВД
        • Форсунки
        • Топливный насос низкого давления
        • Пары плунжерные
        • Муфта опережения впрыска топлива
        • Запчасти и комплектующие ТНВД
      • НЗТА
      • АЗПИ  
        • Распылители
        • Форсунки
      • BOSCH
    • Запчасти УРАЛ  
      • Трансмиссия  
        • Коробка раздаточная
        • Передача карданная
        • Мост задний
        • Мост передний (ведущий)
        • Мост средний (промежуточный)
      • Кузов  
        • Дверь кабины
        • Капот, крылья, облицовка радиатора
        • Окно ветровое и заднее
        • Отопление и вентиляция кабины
        • Кабина
      • Механизмы управления  
        • Управление рулевое
        • Тормоза
      • Дополнительное оборудование  
        • Отбор мощности
        • Устройство седельное
      • Электрооборудование
      • Ходовая часть  
        • Колеса и ступицы
        • Ось передняя
        • Подвеска автомобиля
        • Рама
    • Запчасти МАЗ  
      • Трансмиссия  
        • Мост задний
        • Мост передний (ведущий)
        • Передача карданная
        • Мост средний (промежуточный)
      • Кузов  
        • Кабина
        • Дверь кабины
        • Детали основания кабины
        • Окно ветровое и заднее
        • Платформа
      • Механизмы управления  
        • Тормоза
        • Управление рулевое
      • Ходовая часть  
        • Колеса и ступицы
        • Ось передняя
        • Подвеска автомобиля
        • Рама
    • Запчасти КамАЗ  
      • Кузов  
        • Кабина
        • Капот, крылья, облицовка радиатора
        • Дверь кабины
        • Платформа
        • Окно ветровое и заднее
        • Устройство подъемное и опрокидывающее
        • Сиденье
        • Крыша кабины (крыша кузова)
        • Отопление и вентиляция кабины
      • Трансмиссия  
        • Коробка передач
        • Коробка раздаточная
        • Мост задний
        • Сцепление
        • Мост средний (промежуточный)
        • Передача карданная
        • Мост передний (ведущий)
      • Двигатель  
        • Основные запчасти двигателя
        • Система охлаждения
        • Система питания
        • Система смазки
      • Дополнительное оборудование  
        • Отбор мощности
        • Устройство седельное
      • Ходовая часть  
        • Подвеска автомобиля
        • Рама
        • Колеса и ступицы
        • Ось передняя
      • Механизмы управления  
        • Тормоза
        • Управление рулевое
      • Электрооборудование
    • Запчасти ММЗ
    • Ремни
  • Справочник
    • Грузовые автомобили
    • Автобусы
    • Сельхозтехника
    • Спецтехника
    • Двигатели
  • Как купить
    • Условия оплаты
    • Условия доставки
    • Гарантия на товар
    • Пункты выдачи
  • Услуги
    • Капитальный ремонт двигателей ЯМЗ
  • Акции
  • Статьи
  • Контакты
  • Компания
    • Реквизиты
    • Магазины
    • Оплата
    • Доставка
    • Лицензии и сертификаты
    • Новости
    • Вакансии
Избранное 0 Корзина 0
8-800-700-35-68

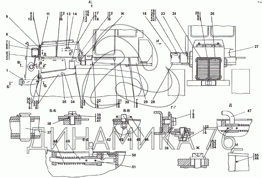
311102-55-1СП Облицовка на ТГ-121Я (до 2004 г.)

Справочник
Главная
-
Автокаталог
-
Спецтехника
-
Промтрактор
-
ТГ-121Я
Справочный каталог

311102-55-1СП Облицовка — ТГ-121Я:

311102-55-1-20СП 311102-55-1СП 1 1 2 2 2 3 3 3 4 4 5 5 5 5 5 5 6 6 6 6 6 6 6 6 6 6 6 6 6 7 7 7 7 7 7 7 7 8 8 9 9 10 10 11 11 12 12 12 13 13 14 15 15 16 17 17 18 18 18 18 18 19 20 21 22 22 23 23 24 24 25 25 26 26 27 27 28 28 29 29 30 30 31 31 32 32 32 32 32 32 33 33 33 34 34 35 35 36 36 36 37 38 39 39 40 40 41 42 42 43 44 44 45 46 46 46 47 48 48 49 50 51 52 52 53 53 54 54 55
в наличии
нет в наличии
масштаб

В наличии
Нет в наличии

Перечень комплектующих от 311102-55-1СП Облицовка на ТГ-121Я

Схемы запчастей предназначены для справочных целей! Мы продаем не все запчасти от 311102-55-1СП Облицовка на ТГ-121Я, представленные в этом списке.
Наличие на складах по деталям с ценой смотрите в карточке товара.
Артикул: 311102-55-1-20СП
нет в наличии
Облицовка
Количество на схеме: ;;;
Информация
Облицовка
Количество
;;;
Артикул: 311102-55-1СП
нет в наличии
Облицовка
Количество на схеме: ;;;
Информация
Облицовка
Количество
;;;
1
1
Артикул: 312001-51-14-20СП
нет в наличии
Палец
Количество на схеме: 1
Информация
Палец
Количество
1
Покрытие
без покрытия
1
1
Артикул: 312001-51-14СП
нет в наличии
Палец
Количество на схеме: 1
Информация
Палец
Количество
1
Покрытие
без покрытия
2
2
Артикул: 31-0140
нет в наличии
Шайба 8.01.10.019 ГОСТ 6958-78
Количество на схеме: 6
Информация
Шайба 8.01.10.019 ГОСТ 6958-78
Количество
6
Примечание
ГОСТ 6958-78
2
2
Артикул: 31-0140-20
нет в наличии
Шайба 8 ГОСТ 6958-78
Количество на схеме: 6
Информация
Шайба 8 ГОСТ 6958-78
Количество
6
Примечание
ГОСТ 6958-78
3
3
Артикул: Шайба-8Т
нет в наличии
Шайба 8Т
Количество на схеме: 14
Информация
Шайба 8Т
Количество
14
Примечание
ГОСТ 6402-70
4
4
Артикул: Болт-М8-6gx25
нет в наличии
Болт М8-6gx25
Количество на схеме: 10
Информация
Болт М8-6gx25
Количество
10
Примечание
ГОСТ 7796-70
5
5
Артикул: 31-0230
нет в наличии
Шайба 12.01.10.019 ГОСТ 6958-78
Количество на схеме: 44
Информация
Шайба 12.01.10.019 ГОСТ 6958-78
Количество
44
Примечание
ГОСТ 6958-78
5
5
Артикул: 31-0230-20
нет в наличии
Шайба 12.01.10.0221 ГОСТ 6958-78
Количество на схеме: 44
Информация
Шайба 12.01.10.0221 ГОСТ 6958-78
Количество
44
Примечание
ГОСТ 6958-78
6
6
Артикул: Шайба-12-ОТ
нет в наличии
Шайба 12 ОТ
Количество на схеме: 91
Информация
Шайба 12 ОТ
Количество
91
Примечание
ГОСТ 6402-70
7
7
Артикул: Болт-М12x1,25-6gx25
нет в наличии
Болт М12x1,25-6gx25
Количество на схеме: 52
Информация
Болт М12x1,25-6gx25
Количество
52
Примечание
ГОСТ 7796-70
8
8
Артикул: 311102-55-10-20СП
нет в наличии
Корпус
Количество на схеме: 1
Информация
Корпус
Количество
1
Покрытие
без покрытия
8
8
Артикул: 311102-55-10СП
нет в наличии
Корпус
Количество на схеме: 1
Информация
Корпус
Количество
1
Покрытие
без покрытия
9
9
Артикул: 311102-55-106
нет в наличии
Прокладка
Количество на схеме: 2
Информация
Прокладка
Количество
2
Покрытие
без покрытия
9
9
Артикул: 311102-55-106-20
нет в наличии
Прокладка
Количество на схеме: 2
Информация
Прокладка
Количество
2
Покрытие
10
10
Артикул: 31-0150
нет в наличии
Шайба 8 ГОСТ 11371-78
Количество на схеме: 6
Информация
Шайба 8 ГОСТ 11371-78
Количество
6
Примечание
ГОСТ 11371-78
10
10
Артикул: 31-0150-20
нет в наличии
Шайба 8.01.08кп.0221 ГОСТ 11371-78
Количество на схеме: 6
Информация
Шайба 8.01.08кп.0221 ГОСТ 11371-78
Количество
6
Примечание
ГОСТ 11371-78
11
11
Артикул: 311102-55-105
нет в наличии
Планка
Количество на схеме: 2
Информация
Планка
Количество
2
Покрытие
без покрытия
11
11
Артикул: 311102-55-105-20
нет в наличии
Планка
Количество на схеме: 2
Информация
Планка
Количество
2
Покрытие
12
12
Артикул: 311102-55-111
нет в наличии
Шайба специальная
Количество на схеме: 6
Информация
Шайба специальная
Количество
6
Покрытие
без покрытия
12
12
Артикул: 311102-55-111-20
нет в наличии
Шайба специальная
Количество на схеме: 6
Информация
Шайба специальная
Количество
6
Покрытие
13
13
Артикул: 36-0100
нет в наличии
Заклепка 3x6,37
Количество на схеме: 4
Информация
Заклепка 3x6,37
Количество
4
Примечание
ГОСТ 10299-80
13
13
Артикул: 36-0100-20
нет в наличии
Заклепка 3x6,37
Количество на схеме: 4
Информация
Заклепка 3x6,37
Количество
4
Примечание
ГОСТ 10299-80
14
14
Артикул: 42-0167
нет в наличии
Табличка 125х80 ГОСТ 12971-67
Количество на схеме: 1
Информация
Табличка 125х80 ГОСТ 12971-67
Количество
1
Примечание
ГОСТ 12971-67
15
15
Артикул: 311102-55-17-20СП
нет в наличии
Крышка
Количество на схеме: 1
Информация
Крышка
Количество
1
Покрытие
без покрытия
15
15
Артикул: 311102-55-17СП
нет в наличии
Крышка
Количество на схеме: 1
Информация
Крышка
Количество
1
Покрытие
без покрытия
16
16
Артикул: Болт-М8-6gx20
нет в наличии
Болт М8-6gx20
Количество на схеме: 4
Информация
Болт М8-6gx20
Количество
4
Примечание
ГОСТ 7796-70
17
17
Артикул: 28-0370
нет в наличии
Болт М12x1,25-6x55
Количество на схеме: 8
Информация
Болт М12x1,25-6x55
Количество
8
Примечание
ГОСТ 7795-70
17
17
Артикул: 28-0370-20
нет в наличии
Болт М12х1,25-6gх55.109.40Х.029 ГОСТ 7795-70
Количество на схеме: 8
Информация
Болт М12х1,25-6gх55.109.40Х.029 ГОСТ 7795-70
Количество
8
Примечание
ГОСТ 7795-70
18
18
Артикул: 31-0210
нет в наличии
Шайба 12х2.01.08кп.019 ГОСТ 11371-78
Количество на схеме: 6
Информация
Шайба 12х2.01.08кп.019 ГОСТ 11371-78
Количество
6
Примечание
ГОСТ 11371-78
18
18
Артикул: 31-0210-20
нет в наличии
Шайба 12х2 ГОСТ 11371-78
Количество на схеме: 6
Информация
Шайба 12х2 ГОСТ 11371-78
Количество
6
Примечание
ГОСТ 11371-78
18
18
Артикул: 311102-55-22-20СП
нет в наличии
Контейнер
Количество на схеме: 1
Информация
Контейнер
Количество
1
Покрытие
без покрытия
18
18
Артикул: 311102-55-22СП
нет в наличии
Контейнер
Количество на схеме: 1
Информация
Контейнер
Количество
1
Покрытие
без покрытия
19
19
Артикул: 2001-53-44
нет в наличии
Упор
Количество на схеме: 1
Информация
Упор
Количество
1
20
20
Артикул: Гайка-М6
нет в наличии
Гайка М6
Количество на схеме: 2
Информация
Гайка М6
Количество
2
Примечание
ГОСТ 5915-70
21
21
Артикул: Шайба-6Т
нет в наличии
Шайба 6Т
Количество на схеме: 6
Информация
Шайба 6Т
Количество
6
Примечание
ГОСТ 6402-70
22
22
Артикул: 31-0120
нет в наличии
Шайба 6.01.08кп.019 ГОСТ 6958-78
Количество на схеме: 4
Информация
Шайба 6.01.08кп.019 ГОСТ 6958-78
Количество
4
Примечание
ГОСТ 6958-78
22
22
Артикул: 31-0120-20
нет в наличии
Шайба 6.01.08кп.0221 ГОСТ 6958-78
Количество на схеме: 4
Информация
Шайба 6.01.08кп.0221 ГОСТ 6958-78
Количество
4
Примечание
ГОСТ 6958-78
23
23
Артикул: 311102-55-23-20СП
нет в наличии
Ящик
Количество на схеме: 1
Информация
Ящик
Количество
1
Покрытие
без покрытия
23
23
Артикул: 311102-55-23СП
нет в наличии
Ящик
Количество на схеме: 1
Информация
Ящик
Количество
1
Покрытие
без покрытия
24
24
Артикул: 1101-55-17-20СП
нет в наличии
Решетка
Количество на схеме: 1
Информация
Решетка
Количество
1
24
24
Артикул: 1101-55-17СП
нет в наличии
Решетка
Количество на схеме: 1
Информация
Решетка
Количество
1
25
25
Артикул: 28-1379
нет в наличии
Болт М12х1,25-6gх65 ГОСТ 7795-70
Количество на схеме: 8
Информация
Болт М12х1,25-6gх65 ГОСТ 7795-70
Количество
8
Примечание
ГОСТ 7795-70
25
25
Артикул: 28-1379-20
нет в наличии
Болт М12х1,25-6gх65 ГОСТ 795-70
Количество на схеме: 8
Информация
Болт М12х1,25-6gх65 ГОСТ 795-70
Количество
8
Примечание
ГОСТ 7795-70
26
26
Артикул: 1101-55-17-01-20СП
нет в наличии
Решетка
Количество на схеме: 1
Информация
Решетка
Количество
1
26
26
Артикул: 1101-55-17-01СП
нет в наличии
Решетка
Количество на схеме: 1
Информация
Решетка
Количество
1
27
27
Артикул: 312001-55-26-20СП
нет в наличии
Кожух
Количество на схеме: 1
Информация
Кожух
Количество
1
Покрытие
без покрытия
27
27
Артикул: 312001-55-26СП
нет в наличии
Кожух
Количество на схеме: 1
Информация
Кожух
Количество
1
Покрытие
без покрытия
28
28
Артикул: 311102-55-16-20СП
нет в наличии
Крыло
Количество на схеме: 1
Информация
Крыло
Количество
1
Покрытие
без покрытия
28
28
Артикул: 311102-55-16СП
нет в наличии
Крыло
Количество на схеме: 1
Информация
Крыло
Количество
1
Покрытие
без покрытия
29
29
Артикул: 311102-55-25-20СП
нет в наличии
Боковина
Количество на схеме: 1
Информация
Боковина
Количество
1
Покрытие
без покрытия
29
29
Артикул: 311102-55-25СП
нет в наличии
Боковина
Количество на схеме: 1
Информация
Боковина
Количество
1
Покрытие
без покрытия
30
30
Артикул: 311102-55-24-20СП
нет в наличии
Боковина
Количество на схеме: 1
Информация
Боковина
Количество
1
Покрытие
без покрытия
30
30
Артикул: 311102-55-24СП
нет в наличии
Боковина
Количество на схеме: 1
Информация
Боковина
Количество
1
Покрытие
без покрытия
31
31
Артикул: 28-0342
нет в наличии
Болт М12х1,25-6gх30.109.40Х.019 ГОСТ 7796-70
Количество на схеме: 8
Информация
Болт М12х1,25-6gх30.109.40Х.019 ГОСТ 7796-70
Количество
8
Примечание
ГОСТ 7796-70
31
31
Артикул: 28-0342-20
нет в наличии
Болт М12х1,25-6gх30.109.40Х.029 ГОСТ 7796-70
Количество на схеме: 8
Информация
Болт М12х1,25-6gх30.109.40Х.029 ГОСТ 7796-70
Количество
8
Примечание
ГОСТ 7796-70
32
32
Артикул: 31-5211
нет в наличии
Шайба
Количество на схеме: 24
Информация
Шайба
Количество
24
32
32
Артикул: 31-5211-20
нет в наличии
Шайба
Количество на схеме: 24
Информация
Шайба
Количество
24
33
33
Артикул: 28-0361
нет в наличии
Болт М12х1,25-6gх45
Количество на схеме: 11
Информация
Болт М12х1,25-6gх45
Количество
11
33
33
Артикул: 28-0361-20
нет в наличии
Болт М12х1,25-6gх45
Количество на схеме: 11
Информация
Болт М12х1,25-6gх45
Количество
11
34
34
Артикул: 311102-55-15-20СП
нет в наличии
Боковина
Количество на схеме: 1
Информация
Боковина
Количество
1
Покрытие
без покрытия
34
34
Артикул: 311102-55-15СП
нет в наличии
Боковина
Количество на схеме: 1
Информация
Боковина
Количество
1
Покрытие
без покрытия
35
35
Артикул: 311102-55-15-01-20СП
нет в наличии
Боковина
Количество на схеме: 1
Информация
Боковина
Количество
1
Покрытие
без покрытия
35
35
Артикул: 311102-55-15-01СП
нет в наличии
Боковина
Количество на схеме: 1
Информация
Боковина
Количество
1
Покрытие
без покрытия
36
36
Артикул: 311102-55-19-20СП
нет в наличии
Уголок
Количество на схеме: 2
Информация
Уголок
Количество
2
Покрытие
без покрытия
36
36
Артикул: 311102-55-19СП
нет в наличии
Уголок
Количество на схеме: 2
Информация
Уголок
Количество
2
Покрытие
без покрытия
37
37
Артикул: 311102-55-102
нет в наличии
Палец
Количество на схеме: 2
Информация
Палец
Количество
2
Покрытие
без покрытия
38
38
Артикул: 311102-55-104
нет в наличии
Втулка
Количество на схеме: 2
Информация
Втулка
Количество
2
Покрытие
без покрытия
39
39
Артикул: 31-5325
нет в наличии
Шайба
Количество на схеме: 2
Информация
Шайба
Количество
2
39
39
Артикул: 31-5325-20
нет в наличии
Шайба
Количество на схеме: 2
Информация
Шайба
Количество
2
40
40
Артикул: 28-0830
нет в наличии
Болт М24х2-6gх70.109.40Х.029 ГОСТ 7796-70
Количество на схеме: 2
Информация
Болт М24х2-6gх70.109.40Х.029 ГОСТ 7796-70
Количество
2
40
40
Артикул: 28-0830-20
нет в наличии
Болт М24х2-6gх70.109.40Х.029 ГОСТ 7796-70
Количество на схеме: 2
Информация
Болт М24х2-6gх70.109.40Х.029 ГОСТ 7796-70
Количество
2
41
41
Артикул: Шайба-24Т
нет в наличии
Шайба 24Т
Количество на схеме: 2
Информация
Шайба 24Т
Количество
2
Примечание
ГОСТ 6402-70
42
42
Артикул: 401-55-384
нет в наличии
Защелка
Количество на схеме: 1
Информация
Защелка
Количество
1
42
42
Артикул: 401-55-384-20
нет в наличии
Защелка
Количество на схеме: 1
Информация
Защелка
Количество
1
43
43
Артикул: Шплинт-2x14
нет в наличии
Шплинт 2x14
Количество на схеме: 1
Информация
Шплинт 2x14
Количество
1
Примечание
ГОСТ 397-79
44
44
Артикул: 30-0160
нет в наличии
Гайка
Количество на схеме: 1
Информация
Гайка
Количество
1
44
44
Артикул: 30-0160-20
нет в наличии
Гайка
Количество на схеме: 1
Информация
Гайка
Количество
1
45
45
Артикул: 401-55-383
нет в наличии
Ось
Количество на схеме: 1
Информация
Ось
Количество
1
46
46
Артикул: 46-43-105-01
нет в наличии
Кольцо
Количество на схеме: 2
Информация
Кольцо
Количество
2
46
46
Артикул: 46-43-105-01-20
нет в наличии
Кольцо
Количество на схеме: 2
Информация
Кольцо
Количество
2
47
47
Артикул: 2001-55-30СП
нет в наличии
Ручка
Количество на схеме: 2
Информация
Ручка
Количество
2
48
48
Артикул: 700-38-2563
нет в наличии
Пружина
Количество на схеме: 10
Информация
Пружина
Количество
10
48
48
Артикул: 700-38-2563-20
нет в наличии
Пружина
Количество на схеме: 10
Информация
Пружина
Количество
10
49
49
Артикул: 2501-55-215
нет в наличии
Стержень
Количество на схеме: 10
Информация
Стержень
Количество
10
50
50
Артикул: 2501-55-169СП
нет в наличии
Ручка
Количество на схеме: 7
Информация
Ручка
Количество
7
51
51
Артикул: Шплинт-4x25
нет в наличии
Шплинт 4x25
Количество на схеме: 20
Информация
Шплинт 4x25
Количество
20
Примечание
ГОСТ 397-79
52
52
Артикул: 2501-55-574
нет в наличии
Планка
Количество на схеме: 2
Информация
Планка
Количество
2
52
52
Артикул: 2501-55-574-20
нет в наличии
Планка
Количество на схеме: 2
Информация
Планка
Количество
2
53
53
Артикул: 700-31-2295
нет в наличии
Пластина стопорная
Количество на схеме: 2
Информация
Пластина стопорная
Количество
2
53
53
Артикул: 700-31-2295-20
нет в наличии
Пластина стопорная
Количество на схеме: 2
Информация
Пластина стопорная
Количество
2
54
54
Артикул: 28-0544
нет в наличии
Болт М16х1,5-6gх45.109.40Х.019 ГОСТ 7796-70
Количество на схеме: 4
Информация
Болт М16х1,5-6gх45.109.40Х.019 ГОСТ 7796-70
Количество
4
54
54
Артикул: 28-0544-20
нет в наличии
Болт М16х1,5-6gх45.109.40Х.029 ГОСТ 7796-70
Количество на схеме: 4
Информация
Болт М16х1,5-6gх45.109.40Х.029 ГОСТ 7796-70
Количество
4
55
55
Артикул: 2501-55-170СП
нет в наличии
Ручка
Количество на схеме: 1
Информация
Ручка
Количество
1
  • Грузовые автомобили
  • Автобусы
  • Сельхозтехника
  • Спецтехника
  • Двигатели
Получить оптовый прайс-лист
Скачать прайс-лист от 08.05.2026 16:00
Специальное предложение от 08.05.2026 17:00
Производители:


  • WEICHAI
  • Автодизель ПАО (ЯМЗ)
  • Тутаевский МЗ
  • ЯЗДА
  • УралАЗ
  • МАЗ
  • АЗПИ
  • BOSCH
  • ММЗ
  • ШААЗ
  • FEDERAL MOGUL
  • ПРАМО
  • Мотордеталь
  • ТАИМ
  • АвтоКрАЗ
  • БЕЛКАРД
  • CZ Strakonice
  • КамАЗ
  • БЗА
  • ЧМЗ
  • BMZ
Новости
Все новости
25 марта 2024
Флагманский седельный тягач «Валдай 45» на выставке «TransRussia»
10 марта 2024
Современные автобусы «CITYMAX 9» и ЛиАЗ-5292 CNG
25 февраля 2024
Серийное производство средних дизельных двигателей повышенной мощности от ЯМЗ
Статьи
Все статьи
Датчики двигателя: за что они отвечают, признаки неисправности и как не прогадать с выбором
Двигатели ЯМЗ-534: история, технические характеристики и области применения
Двигатели ЯМЗ 650: углублённый технический обзор и история
Компания
О компании
Реквизиты
Новости
Политика
Магазины
Информация
Условия оплаты
Условия доставки
Гарантия на товар
Обмен и возврат товара
Помощь
Как оформить заказ
Полезные статьи
Бренды
Пункты выдачи
Оставайтесь на связи
  • Вконтакте
  • YouTube
  • Одноклассники
  • Google Plus
Увидели ошибку?
Выделите, нажав Ctrl + Enter
Наши контакты
8-800-700-35-68
sales@din76.ru
г. Ярославль, Ленинградский пр-т 33, ТЦ "ОМЕГА"
2026 © ООО «Динамика 76» - Все права защищены ООО "Динамика 76"
Предложения на сайте не являются публичной офертой.
На сайте обнаружена ошибка

Текст с ошибкой