Избранное 0 Корзина 0 Личный кабинет
logo
Каталог
Каталог
  • Справочник
    • Грузовые автомобили
    • Автобусы
    • Сельхозтехника
    • Спецтехника
    • Двигатели
  • Доставка
  • Оплата
  • О компании
    • Реквизиты
    • Магазины
    • Оплата
    • Доставка
    • Лицензии и сертификаты
    • Новости
    • Вакансии
  • Контакты
Отправить заявку
Личный кабинет
8 (800) 700-35-68
sales@din76.ru
Избранное 0 Корзина 0
8 (800) 700-35-68
Оптовый прайс-лист
Каталог
  • Двигатели
  • Запчасти WEICHAI
  • Запчасти ЯМЗ, ТМЗ (V-образные)
  • Запчасти ЯМЗ-534, ЯМЗ-536
  • Запчасти ЯМЗ-650, ЯМЗ-651, DCi-11
  • Топливная аппаратура
  • Запчасти УРАЛ
  • Запчасти МАЗ
  • Запчасти КамАЗ
  • Запчасти ММЗ
  • Ремни
Автокаталог (справочник)
  • Доставка
  • Оплата
  • О компании
  • Контакты
8 (800) 700-35-68
Написать в Whatsapp
sales@din76.ru
Динамика 76
Меню  
  • Каталог
    • Двигатели  
      • Двигатели ТМЗ  
        • Двигатели ТМЗ для автомобилей
        • Двигатели ТМЗ для тракторов
        • Специальные двигатели ТМЗ
        • Промышленные двигатели ТМЗ
      • Двигатели ЯМЗ  
        • ЯМЗ 236
        • ЯМЗ 238
        • ЯМЗ 240
        • ЯМЗ 751
        • ЯМЗ 840
        • ЯМЗ 850
        • ЯМЗ 656
        • ЯМЗ 658
        • ЯМЗ 534
        • ЯМЗ 536
        • ЯМЗ 650
        • Двигатели ЯМЗ для электростанций
      • Двигатели КАМАЗ
      • Двигатели ММЗ
      • Двигатели индивидуальной сборки
      • Комплекты переоборудования
    • Запчасти WEICHAI  
      • Основные запчасти двигателя  
        • Клапаны и толкатели
        • Шатуны
        • Вал коленчатый и маховик
        • Вал распределительный
        • Цилиндро-поршневая группа
      • Система питания  
        • Форсунки
        • Турбокомпрессор
      • Система смазки  
        • Насос масляный
      • Головка блока
      • Ремкомплекты
      • Система охлаждения  
        • Насос водяной
        • Муфта вязкостная и крыльчатка
      • Фильтры
      • Электрооборудование  
        • Генератор
        • Стартер
    • Запчасти ЯМЗ, ТМЗ (V-образные)  
      • Основные запчасти двигателя  
        • Блок двигателя и комплектующие
        • Валы распределительные и клапаны
        • Головка блока и комплектующие
        • Цилиндро-поршневая группа
        • Маховики и комплектующие
        • Валы коленчатые и комплектующие
        • Шатуны и комплектующие
      • Система питания  
        • Коллекторы и патрубки
        • Топливные трубопроводы
        • Турбокомпрессор
        • Топливные фильтры
      • Электрооборудование двигателя
      • Система охлаждения  
        • Вязкостные муфты и крыльчатки
        • Приводы вентилятора
        • Водяные насосы
        • Водяные трубы и термостаты
      • Коробки переключения передач  
        • 8 Ступенчатые КПП
        • 5 Ступенчатые КПП
        • 9 Ступенчатые КПП
        • Запасные части КПП ЯМЗ, ТМЗ
      • Система смазки  
        • Теплообменник и комплектующие
        • Масляные насосы
        • Фильтры масляные (ФГОМ, ФЦОМ)
      • Сцепление  
        • Запасные части механизма сцепления
        • Муфты (подшипники выжимные)
        • Корзины (диски нажимные)
        • Диски ведомые
      • Прочие запчасти двигателя  
        • Ремкомплекты
        • Привод агрегатов
        • Натяжные устройства
        • Трубки
    • Запчасти ЯМЗ-534, ЯМЗ-536  
      • Основные запчасти двигателя  
        • Цилиндро-поршневая группа
        • Головка блока цилиндров и комплектующие
        • Блок цилиндров и комплектующие
        • Вал коленчатый и маховик
        • Вал распределительный
        • Клапаны и толкатели
        • ГУР (Гидроусилитель руля)
        • Система рециркуляции отработавших газов
        • Выпускной коллектор
      • Система питания  
        • Коллекторы и патрубки
        • Топливные фильтры
        • Турбокомпрессор
        • Топливные трубопроводы
      • Система смазки  
        • Масляный картер поддон
        • Масляный насос
        • Теплообменник /Водо-масляный радиатор
        • Фильтры масляные (ФГОМ, ФЦОМ)
      • Пневмокомпрессор и натяжное
      • Система охлаждения  
        • Водяной насос
        • Водяные трубы и патрубки
        • Муфты вязкостные, приводы, крыльчатки
      • Ремкомплекты
      • Сцепление
      • Электрооборудование
    • Запчасти ЯМЗ-650, ЯМЗ-651, DCi-11  
      • Основные запчасти двигателя  
        • Цилиндро-поршневая группа
        • Головка блока цилиндров и комплектующие
        • Блок цилиндров и комплектующие
        • Вал коленчатый и маховик
        • Выпускной коллектор
        • Вал распределительный
        • Клапаны и толкатели
        • ГУР (Гидроусилитель руля)
        • Система рециркуляции отработавших газов
      • Система питания  
        • Коллекторы и патрубки
        • Топливные трубопроводы
        • Топливные фильтры
        • Турбокомпрессор
      • Система смазки  
        • Масляный картер / поддон
        • Масляный насос
        • Теплообменник / Водо-масляный радиатор
        • Фильтры масляные (ФГОМ, ФЦОМ)
      • Система охлаждения  
        • Водяной насос
        • Водяные трубы и патрубки
        • Муфты вязкостные, приводы, крыльчатки
      • Ремкомплекты
      • Пневмокомпрессор и натяжное
      • Электрооборудование
      • Сцепление
    • Топливная аппаратура  
      • ЯЗДА  
        • Распылители
        • ТНВД
        • Форсунки
        • Топливный насос низкого давления
        • Пары плунжерные
        • Муфта опережения впрыска топлива
        • Запчасти и комплектующие ТНВД
      • НЗТА
      • АЗПИ  
        • Распылители
        • Форсунки
      • BOSCH
    • Запчасти УРАЛ  
      • Трансмиссия  
        • Коробка раздаточная
        • Передача карданная
        • Мост задний
        • Мост передний (ведущий)
        • Мост средний (промежуточный)
      • Кузов  
        • Дверь кабины
        • Капот, крылья, облицовка радиатора
        • Окно ветровое и заднее
        • Отопление и вентиляция кабины
        • Кабина
      • Механизмы управления  
        • Управление рулевое
        • Тормоза
      • Дополнительное оборудование  
        • Отбор мощности
        • Устройство седельное
      • Электрооборудование
      • Ходовая часть  
        • Колеса и ступицы
        • Ось передняя
        • Подвеска автомобиля
        • Рама
    • Запчасти МАЗ  
      • Трансмиссия  
        • Мост задний
        • Мост передний (ведущий)
        • Передача карданная
        • Мост средний (промежуточный)
      • Кузов  
        • Кабина
        • Дверь кабины
        • Детали основания кабины
        • Окно ветровое и заднее
        • Платформа
      • Механизмы управления  
        • Тормоза
        • Управление рулевое
      • Ходовая часть  
        • Колеса и ступицы
        • Ось передняя
        • Подвеска автомобиля
        • Рама
    • Запчасти КамАЗ  
      • Кузов  
        • Кабина
        • Капот, крылья, облицовка радиатора
        • Дверь кабины
        • Платформа
        • Окно ветровое и заднее
        • Устройство подъемное и опрокидывающее
        • Сиденье
        • Крыша кабины (крыша кузова)
        • Отопление и вентиляция кабины
      • Трансмиссия  
        • Коробка передач
        • Коробка раздаточная
        • Мост задний
        • Сцепление
        • Мост средний (промежуточный)
        • Передача карданная
        • Мост передний (ведущий)
      • Двигатель  
        • Основные запчасти двигателя
        • Система охлаждения
        • Система питания
        • Система смазки
      • Дополнительное оборудование  
        • Отбор мощности
        • Устройство седельное
      • Ходовая часть  
        • Подвеска автомобиля
        • Рама
        • Колеса и ступицы
        • Ось передняя
      • Механизмы управления  
        • Тормоза
        • Управление рулевое
      • Электрооборудование
    • Запчасти ММЗ
    • Ремни
  • Справочник
    • Грузовые автомобили
    • Автобусы
    • Сельхозтехника
    • Спецтехника
    • Двигатели
  • Как купить
    • Условия оплаты
    • Условия доставки
    • Гарантия на товар
    • Пункты выдачи
  • Услуги
    • Капитальный ремонт двигателей ЯМЗ
  • Акции
  • Статьи
  • Контакты
  • Компания
    • Реквизиты
    • Магазины
    • Оплата
    • Доставка
    • Лицензии и сертификаты
    • Новости
    • Вакансии
Избранное 0 Корзина 0
8-800-700-35-68

Установка подогревателя на Т-500 (до 1999 г.)

Справочник
Главная
-
Автокаталог
-
Спецтехника
-
Промтрактор
-
Т-500
Справочный каталог

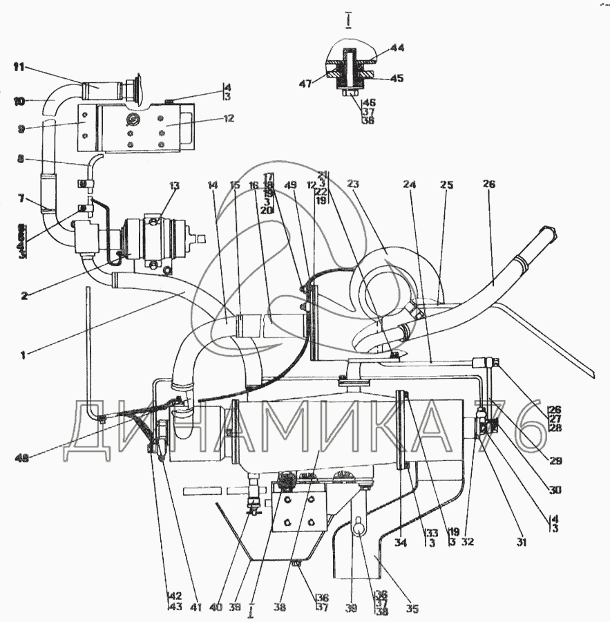
Установка подогревателя — Т-500:

404-43-323 404-43-5-10СП 404-43-5СП 1 2 2 3 3 3 3 3 3 3 4 4 4 5 6 7 7 8 9 9 10 11 12 12 12 12 13 14 15 16 17 18 19 19 19 20 20 21 22 23 23 24 25 26 26 27 28 29 30 31 32 33 34 35 36 36 37 37 37 38 38 38 38 38 39 39 39 40 41 42 43 44 45 46 47 48 49
в наличии
нет в наличии
масштаб

В наличии
Нет в наличии

Перечень комплектующих от Установка подогревателя на Т-500

Схемы запчастей предназначены для справочных целей! Мы продаем не все запчасти от Установка подогревателя на Т-500, представленные в этом списке.
Наличие на складах по деталям с ценой смотрите в карточке товара.
Артикул: 404-43-323
нет в наличии
Рукав
Количество на схеме: 1
Информация
Рукав
Количество
1
Артикул: 404-43-5-10СП
нет в наличии
Установка подогревателя
Количество на схеме: ;;
Информация
Установка подогревателя
Количество
;;
Артикул: 404-43-5СП
нет в наличии
Установка подогревателя
Количество на схеме: ;;
Информация
Установка подогревателя
Количество
;;
1
1
Артикул: 461201-25
нет в наличии
Рукав
Количество на схеме: 1
Информация
Рукав
Количество
1
Покрытие
2
2
Артикул: 404-43-283-10СП
нет в наличии
Агрегат насосный
Количество на схеме: 1
Информация
Агрегат насосный
Количество
1
2
2
Артикул: 404-43-283СП
нет в наличии
Агрегат насосный
Количество на схеме: 1
Информация
Агрегат насосный
Количество
1
3
3
Артикул: Шайба-8Т-65Г-019-ГОСТ-6402-70
нет в наличии
Шайба 8Т.65Г.019 ГОСТ 6402-70
Количество на схеме: 25
Информация
Шайба 8Т.65Г.019 ГОСТ 6402-70
Количество
25
4
4
Артикул: Болт-М8-6gх16-88-35-019-ГОСТ-7796-70
нет в наличии
Болт М8-6gх16.88.35.019 ГОСТ 7796-70
Количество на схеме: 8
Информация
Болт М8-6gх16.88.35.019 ГОСТ 7796-70
Количество
8
5
5
Артикул: 700-41-2866
нет в наличии
Хомут
Количество на схеме: 4
Информация
Хомут
Количество
4
6
6
Артикул: 700-40-6684-05
нет в наличии
Прокладка
Количество на схеме: 4
Информация
Прокладка
Количество
4
7
7
Артикул: 58-60-180-10-СП
нет в наличии
Хомут
Количество на схеме: 8
Информация
Хомут
Количество
8
7
7
Артикул: 58-60-180-СП
нет в наличии
Хомут
Количество на схеме: 8
Информация
Хомут
Количество
8
8
8
Артикул: 404-43-186СП
нет в наличии
Жгут
Количество на схеме: 1
Информация
Жгут
Количество
1
9
9
Артикул: 404-43-278
нет в наличии
Кронштейн
Количество на схеме: 1
Информация
Кронштейн
Количество
1
9
9
Артикул: 404-43-278-10
нет в наличии
Кронштейн
Количество на схеме: 1
Информация
Кронштейн
Количество
1
10
10
Артикул: 404-43-188СП
нет в наличии
Трубопровод
Количество на схеме: 1
Информация
Трубопровод
Количество
1
11
11
Артикул: 461201-05
нет в наличии
Рукав
Количество на схеме: 2
Информация
Рукав
Количество
2
Покрытие
без покрытия
12
12
Артикул: 404-43-290-10СП
нет в наличии
Щиток управления
Количество на схеме: 1
Информация
Щиток управления
Количество
1
12
12
Артикул: 404-43-290СП
нет в наличии
Щиток управления
Количество на схеме: 1
Информация
Щиток управления
Количество
1
12
12
Артикул: 700-40-5562
нет в наличии
Прокладка
Количество на схеме: 1
Информация
Прокладка
Количество
1
13
13
Артикул: 404-43-18-01
нет в наличии
Зажим
Количество на схеме: 1
Информация
Зажим
Количество
1
14
14
Артикул: 404-43-265
нет в наличии
Труба
Количество на схеме: 1
Информация
Труба
Количество
1
15
15
Артикул: 415190-11СП
нет в наличии
Хомут
Количество на схеме: 4
Информация
Хомут
Количество
4
Покрытие
без покрытия
16
16
Артикул: 404-43-303
нет в наличии
Рукав
Количество на схеме: 1
Информация
Рукав
Количество
1
17
17
Артикул: 700-40-6684-07
нет в наличии
Прокладка
Количество на схеме: 2
Информация
Прокладка
Количество
2
18
18
Артикул: 700-41-3310
нет в наличии
Хомутик
Количество на схеме: 2
Информация
Хомутик
Количество
2
19
19
Артикул: Гайка-М8-7Н-6-019-ГОСТ-5915-70
нет в наличии
Гайка М8-7Н.6.019 ГОСТ 5915-70
Количество на схеме: 11
Информация
Гайка М8-7Н.6.019 ГОСТ 5915-70
Количество
11
20
20
Артикул: 290125
нет в наличии
Шпилька М8(3п/6g)х25.88.35.013 ГОСТ 22034-76
Количество на схеме: 5
Информация
Шпилька М8(3п/6g)х25.88.35.013 ГОСТ 22034-76
Количество
5
Покрытие
без покрытия
20
20
Артикул: 290125-10
нет в наличии
Шпилька М8(3п/6g)х25.88.35.019 ГОСТ 22034-76
Количество на схеме: 5
Информация
Шпилька М8(3п/6g)х25.88.35.019 ГОСТ 22034-76
Количество
5
Покрытие
лужение
21
21
Артикул: 280150
нет в наличии
Болт М8-6gх55.40.58.019 ГОСТ 7795-70
Количество на схеме: 4
Информация
Болт М8-6gх55.40.58.019 ГОСТ 7795-70
Количество
4
Покрытие
без покрытия
22
22
Артикул: 310150
нет в наличии
Шайба 8.01.08кп.019 ГОСТ 11371-78
Количество на схеме: 4
Информация
Шайба 8.01.08кп.019 ГОСТ 11371-78
Количество
4
Покрытие
без покрытия
23
23
Артикул: 404-43-284-10СП
нет в наличии
Агрегат насосный
Количество на схеме: 1
Информация
Агрегат насосный
Количество
1
23
23
Артикул: 404-43-284СП
нет в наличии
Агрегат насосный
Количество на схеме: 1
Информация
Агрегат насосный
Количество
1
24
24
Артикул: 404-43-293СП
нет в наличии
Топливопровод
Количество на схеме: 1
Информация
Топливопровод
Количество
1
25
25
Артикул: 404-43-292СП
нет в наличии
Топливопровод
Количество на схеме: 1
Информация
Топливопровод
Количество
1
26
26
Артикул: 46-43-313
нет в наличии
Прокладка
Количество на схеме: 12
Информация
Прокладка
Количество
12
26
26
Артикул: 461201-15
нет в наличии
Рукав
Количество на схеме: 1
Информация
Рукав
Количество
1
Покрытие
оксидирование (окисное)
27
27
Артикул: 700-41-2622
нет в наличии
Болт зажимной
Количество на схеме: 5
Информация
Болт зажимной
Количество
5
28
28
Артикул: Кольцо-12х16-МН-4152-62
нет в наличии
Кольцо 12х16 МН 4152-62
Количество на схеме: 12
Информация
Кольцо 12х16 МН 4152-62
Количество
12
29
29
Артикул: 404-43-294СП
нет в наличии
Трубопровод
Количество на схеме: 1
Информация
Трубопровод
Количество
1
30
30
Артикул: Проволока-1,6-0-4-ГОСТ-3284-74
нет в наличии
Проволока 1,6-0-4 ГОСТ 3284-74
Количество на схеме: ;;
Информация
Проволока 1,6-0-4 ГОСТ 3284-74
Количество
;;
31
31
Артикул: 46-43-148СП
нет в наличии
Корпус
Количество на схеме: 1
Информация
Корпус
Количество
1
32
32
Артикул: 700-40-5560
нет в наличии
Прокладка
Количество на схеме: 1
Информация
Прокладка
Количество
1
33
33
Артикул: Болт-М8-6gх20-58-019-ГОСТ-7796-70
нет в наличии
Болт М8-6gх20.58.019 ГОСТ 7796-70
Количество на схеме: 6
Информация
Болт М8-6gх20.58.019 ГОСТ 7796-70
Количество
6
34
34
Артикул: 404-43-245
нет в наличии
Прокладка
Количество на схеме: 1
Информация
Прокладка
Количество
1
35
35
Артикул: 404-43-201СП
нет в наличии
Газовод
Количество на схеме: 1
Информация
Газовод
Количество
1
36
36
Артикул: Болт-М12-6gх25-88-35-019-ГОСТ-7796-70
нет в наличии
Болт М12-6gх25.88.35.019 ГОСТ 7796-70
Количество на схеме: 10
Информация
Болт М12-6gх25.88.35.019 ГОСТ 7796-70
Количество
10
37
37
Артикул: Шайба-12-0Т-65Г-019-ГОСТ-6402-70
нет в наличии
Шайба 12.0Т.65Г.019 ГОСТ 6402-70
Количество на схеме: 20
Информация
Шайба 12.0Т.65Г.019 ГОСТ 6402-70
Количество
20
38
38
Артикул: 310230
нет в наличии
Шайба 12.01.08кп.019 ГОСТ 6958-78
Количество на схеме: 6
Информация
Шайба 12.01.08кп.019 ГОСТ 6958-78
Количество
6
Покрытие
без покрытия
38
38
Артикул: 404-43-285-10СП
нет в наличии
Подогреватель
Количество на схеме: 1
Информация
Подогреватель
Количество
1
38
38
Артикул: 404-43-285СП
нет в наличии
Подогреватель
Количество на схеме: 1
Информация
Подогреватель
Количество
1
39
39
Артикул: 35-00-43-131
нет в наличии
Щиток
Количество на схеме: 1
Информация
Щиток
Количество
1
39
39
Артикул: 404-43-289
нет в наличии
Пластина
Количество на схеме: 1
Информация
Пластина
Количество
1
40
40
Артикул: 45-9930-0076
нет в наличии
Кран ВС 11-0 ОСТ 37.001.241-81
Количество на схеме: 1
Информация
Кран ВС 11-0 ОСТ 37.001.241-81
Количество
1
41
41
Артикул: 404-43-192СП
нет в наличии
Топливопровод
Количество на схеме: 1
Информация
Топливопровод
Количество
1
42
42
Артикул: 46-43-322
нет в наличии
Кольцо
Количество на схеме: 2
Информация
Кольцо
Количество
2
43
43
Артикул: 415115
нет в наличии
Болт зажимной
Количество на схеме: 1
Информация
Болт зажимной
Количество
1
Покрытие
без покрытия
44
44
Артикул: 404-43-203
нет в наличии
Втулка
Количество на схеме: 4
Информация
Втулка
Количество
4
45
45
Артикул: 404-43-308
нет в наличии
Шайба
Количество на схеме: 8
Информация
Шайба
Количество
8
46
46
Артикул: 280370
нет в наличии
Болт М12х1,25-6gх55.109.40Х.019 ГОСТ 7795-70
Количество на схеме: 4
Информация
Болт М12х1,25-6gх55.109.40Х.019 ГОСТ 7795-70
Количество
4
Покрытие
без покрытия
47
47
Артикул: 404-43-296
нет в наличии
Кольцо
Количество на схеме: 8
Информация
Кольцо
Количество
8
48
48
Артикул: 461501-02
нет в наличии
Рукав
Количество на схеме: 1
Информация
Рукав
Количество
1
Покрытие
без покрытия
49
49
Артикул: 404-43-206СП
нет в наличии
Корпус
Количество на схеме: 1
Информация
Корпус
Количество
1
  • Грузовые автомобили
  • Автобусы
  • Сельхозтехника
  • Спецтехника
  • Двигатели
Получить оптовый прайс-лист
Скачать прайс-лист от 07.05.2026 12:00
Специальное предложение от 07.05.2026 09:00
Производители:


  • WEICHAI
  • Автодизель ПАО (ЯМЗ)
  • Тутаевский МЗ
  • ЯЗДА
  • УралАЗ
  • МАЗ
  • АЗПИ
  • BOSCH
  • ММЗ
  • ШААЗ
  • FEDERAL MOGUL
  • ПРАМО
  • Мотордеталь
  • ТАИМ
  • АвтоКрАЗ
  • БЕЛКАРД
  • CZ Strakonice
  • КамАЗ
  • БЗА
  • ЧМЗ
  • BMZ
Новости
Все новости
25 марта 2024
Флагманский седельный тягач «Валдай 45» на выставке «TransRussia»
10 марта 2024
Современные автобусы «CITYMAX 9» и ЛиАЗ-5292 CNG
25 февраля 2024
Серийное производство средних дизельных двигателей повышенной мощности от ЯМЗ
Статьи
Все статьи
Датчики двигателя: за что они отвечают, признаки неисправности и как не прогадать с выбором
Двигатели ЯМЗ-534: история, технические характеристики и области применения
Двигатели ЯМЗ 650: углублённый технический обзор и история
Компания
О компании
Реквизиты
Новости
Политика
Магазины
Информация
Условия оплаты
Условия доставки
Гарантия на товар
Обмен и возврат товара
Помощь
Как оформить заказ
Полезные статьи
Бренды
Пункты выдачи
Оставайтесь на связи
  • Вконтакте
  • YouTube
  • Одноклассники
  • Google Plus
Увидели ошибку?
Выделите, нажав Ctrl + Enter
Наши контакты
8-800-700-35-68
sales@din76.ru
г. Ярославль, Ленинградский пр-т 33, ТЦ "ОМЕГА"
2026 © ООО «Динамика 76» - Все права защищены ООО "Динамика 76"
Предложения на сайте не являются публичной офертой.
На сайте обнаружена ошибка

Текст с ошибкой