Избранное 0 Корзина 0 Личный кабинет
logo
Каталог
Каталог
  • Справочник
    • Грузовые автомобили
    • Автобусы
    • Сельхозтехника
    • Спецтехника
    • Двигатели
  • Доставка
  • Оплата
  • О компании
    • Реквизиты
    • Магазины
    • Оплата
    • Доставка
    • Лицензии и сертификаты
    • Новости
    • Вакансии
  • Контакты
Отправить заявку
Личный кабинет
8 (800) 700-35-68
sales@din76.ru
Избранное 0 Корзина 0
8 (800) 700-35-68
Оптовый прайс-лист
Каталог
  • Двигатели
  • Запчасти WEICHAI
  • Запчасти ЯМЗ, ТМЗ (V-образные)
  • Запчасти ЯМЗ-534, ЯМЗ-536
  • Запчасти ЯМЗ-650, ЯМЗ-651, DCi-11
  • Топливная аппаратура
  • Запчасти УРАЛ
  • Запчасти МАЗ
  • Запчасти КамАЗ
  • Запчасти ММЗ
  • Ремни
Автокаталог (справочник)
  • Доставка
  • Оплата
  • О компании
  • Контакты
8 (800) 700-35-68
Написать в Whatsapp
sales@din76.ru
Динамика 76
Меню  
  • Каталог
    • Двигатели  
      • Двигатели ТМЗ  
        • Двигатели ТМЗ для автомобилей
        • Двигатели ТМЗ для тракторов
        • Специальные двигатели ТМЗ
        • Промышленные двигатели ТМЗ
      • Двигатели ЯМЗ  
        • ЯМЗ 236
        • ЯМЗ 238
        • ЯМЗ 240
        • ЯМЗ 751
        • ЯМЗ 840
        • ЯМЗ 850
        • ЯМЗ 656
        • ЯМЗ 658
        • ЯМЗ 534
        • ЯМЗ 536
        • ЯМЗ 650
        • Двигатели ЯМЗ для электростанций
      • Двигатели КАМАЗ
      • Двигатели ММЗ
      • Двигатели индивидуальной сборки
      • Комплекты переоборудования
    • Запчасти WEICHAI  
      • Основные запчасти двигателя  
        • Клапаны и толкатели
        • Шатуны
        • Вал коленчатый и маховик
        • Вал распределительный
        • Цилиндро-поршневая группа
      • Система питания  
        • Форсунки
        • Турбокомпрессор
      • Система смазки  
        • Насос масляный
      • Головка блока
      • Ремкомплекты
      • Система охлаждения  
        • Насос водяной
        • Муфта вязкостная и крыльчатка
      • Фильтры
      • Электрооборудование  
        • Генератор
        • Стартер
    • Запчасти ЯМЗ, ТМЗ (V-образные)  
      • Основные запчасти двигателя  
        • Блок двигателя и комплектующие
        • Валы распределительные и клапаны
        • Головка блока и комплектующие
        • Цилиндро-поршневая группа
        • Маховики и комплектующие
        • Валы коленчатые и комплектующие
        • Шатуны и комплектующие
      • Система питания  
        • Коллекторы и патрубки
        • Топливные трубопроводы
        • Турбокомпрессор
        • Топливные фильтры
      • Электрооборудование двигателя
      • Система охлаждения  
        • Вязкостные муфты и крыльчатки
        • Приводы вентилятора
        • Водяные насосы
        • Водяные трубы и термостаты
      • Коробки переключения передач  
        • 8 Ступенчатые КПП
        • 5 Ступенчатые КПП
        • 9 Ступенчатые КПП
        • Запасные части КПП ЯМЗ, ТМЗ
      • Система смазки  
        • Теплообменник и комплектующие
        • Масляные насосы
        • Фильтры масляные (ФГОМ, ФЦОМ)
      • Сцепление  
        • Запасные части механизма сцепления
        • Муфты (подшипники выжимные)
        • Корзины (диски нажимные)
        • Диски ведомые
      • Прочие запчасти двигателя  
        • Ремкомплекты
        • Привод агрегатов
        • Натяжные устройства
        • Трубки
    • Запчасти ЯМЗ-534, ЯМЗ-536  
      • Основные запчасти двигателя  
        • Цилиндро-поршневая группа
        • Головка блока цилиндров и комплектующие
        • Блок цилиндров и комплектующие
        • Вал коленчатый и маховик
        • Вал распределительный
        • Клапаны и толкатели
        • ГУР (Гидроусилитель руля)
        • Система рециркуляции отработавших газов
        • Выпускной коллектор
      • Система питания  
        • Коллекторы и патрубки
        • Топливные фильтры
        • Турбокомпрессор
        • Топливные трубопроводы
      • Система смазки  
        • Масляный картер поддон
        • Масляный насос
        • Теплообменник /Водо-масляный радиатор
        • Фильтры масляные (ФГОМ, ФЦОМ)
      • Пневмокомпрессор и натяжное
      • Система охлаждения  
        • Водяной насос
        • Водяные трубы и патрубки
        • Муфты вязкостные, приводы, крыльчатки
      • Ремкомплекты
      • Сцепление
      • Электрооборудование
    • Запчасти ЯМЗ-650, ЯМЗ-651, DCi-11  
      • Основные запчасти двигателя  
        • Цилиндро-поршневая группа
        • Головка блока цилиндров и комплектующие
        • Блок цилиндров и комплектующие
        • Вал коленчатый и маховик
        • Выпускной коллектор
        • Вал распределительный
        • Клапаны и толкатели
        • ГУР (Гидроусилитель руля)
        • Система рециркуляции отработавших газов
      • Система питания  
        • Коллекторы и патрубки
        • Топливные трубопроводы
        • Топливные фильтры
        • Турбокомпрессор
      • Система смазки  
        • Масляный картер / поддон
        • Масляный насос
        • Теплообменник / Водо-масляный радиатор
        • Фильтры масляные (ФГОМ, ФЦОМ)
      • Система охлаждения  
        • Водяной насос
        • Водяные трубы и патрубки
        • Муфты вязкостные, приводы, крыльчатки
      • Ремкомплекты
      • Пневмокомпрессор и натяжное
      • Электрооборудование
      • Сцепление
    • Топливная аппаратура  
      • ЯЗДА  
        • Распылители
        • ТНВД
        • Форсунки
        • Топливный насос низкого давления
        • Пары плунжерные
        • Муфта опережения впрыска топлива
        • Запчасти и комплектующие ТНВД
      • НЗТА
      • АЗПИ  
        • Распылители
        • Форсунки
      • BOSCH
    • Запчасти УРАЛ  
      • Трансмиссия  
        • Коробка раздаточная
        • Передача карданная
        • Мост задний
        • Мост передний (ведущий)
        • Мост средний (промежуточный)
      • Кузов  
        • Дверь кабины
        • Капот, крылья, облицовка радиатора
        • Окно ветровое и заднее
        • Отопление и вентиляция кабины
        • Кабина
      • Механизмы управления  
        • Управление рулевое
        • Тормоза
      • Дополнительное оборудование  
        • Отбор мощности
        • Устройство седельное
      • Электрооборудование
      • Ходовая часть  
        • Колеса и ступицы
        • Ось передняя
        • Подвеска автомобиля
        • Рама
    • Запчасти МАЗ  
      • Трансмиссия  
        • Мост задний
        • Мост передний (ведущий)
        • Передача карданная
        • Мост средний (промежуточный)
      • Кузов  
        • Кабина
        • Дверь кабины
        • Детали основания кабины
        • Окно ветровое и заднее
        • Платформа
      • Механизмы управления  
        • Тормоза
        • Управление рулевое
      • Ходовая часть  
        • Колеса и ступицы
        • Ось передняя
        • Подвеска автомобиля
        • Рама
    • Запчасти КамАЗ  
      • Кузов  
        • Кабина
        • Капот, крылья, облицовка радиатора
        • Дверь кабины
        • Платформа
        • Окно ветровое и заднее
        • Устройство подъемное и опрокидывающее
        • Сиденье
        • Крыша кабины (крыша кузова)
        • Отопление и вентиляция кабины
      • Трансмиссия  
        • Коробка передач
        • Коробка раздаточная
        • Мост задний
        • Сцепление
        • Мост средний (промежуточный)
        • Передача карданная
        • Мост передний (ведущий)
      • Двигатель  
        • Основные запчасти двигателя
        • Система охлаждения
        • Система питания
        • Система смазки
      • Дополнительное оборудование  
        • Отбор мощности
        • Устройство седельное
      • Ходовая часть  
        • Подвеска автомобиля
        • Рама
        • Колеса и ступицы
        • Ось передняя
      • Механизмы управления  
        • Тормоза
        • Управление рулевое
      • Электрооборудование
    • Запчасти ММЗ
    • Ремни
  • Справочник
    • Грузовые автомобили
    • Автобусы
    • Сельхозтехника
    • Спецтехника
    • Двигатели
  • Как купить
    • Условия оплаты
    • Условия доставки
    • Гарантия на товар
    • Пункты выдачи
  • Услуги
    • Капитальный ремонт двигателей ЯМЗ
  • Акции
  • Статьи
  • Контакты
  • Компания
    • Реквизиты
    • Магазины
    • Оплата
    • Доставка
    • Лицензии и сертификаты
    • Новости
    • Вакансии
Избранное 0 Корзина 0
8-800-700-35-68

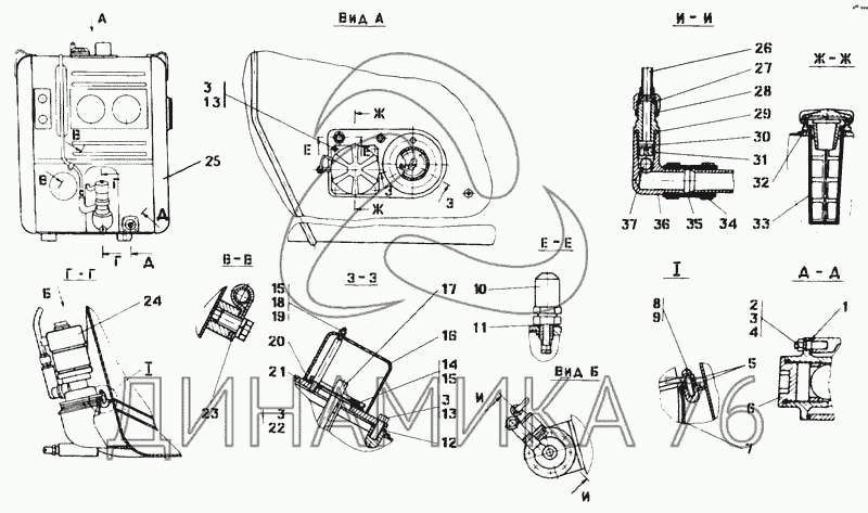
Бак топливный на Т-330 (до 2006 г.)

Справочник
Главная
-
Автокаталог
-
Спецтехника
-
Промтрактор
-
Т-330
Справочный каталог

Бак топливный — Т-330:

46-25-215-10-СП 46-25-215-20-СП 46-25-215-СП 1 1 2 2 3 3 3 3 3 4 4 4 5 5 6 6 6 7 8 8 9 9 10 10 11 12 12 13 13 13 14 14 15 15 15 16 16 17 17 17 18 18 19 19 20 21 21 21 22 22 23 24 25 25 25 26 26 26 27 28 28 28 29 30 31 32 32 33 33 34 35 36 36 37
в наличии
нет в наличии
масштаб

В наличии
Нет в наличии

Перечень комплектующих от Бак топливный на Т-330

Схемы запчастей предназначены для справочных целей! Мы продаем не все запчасти от Бак топливный на Т-330, представленные в этом списке.
Наличие на складах по деталям с ценой смотрите в карточке товара.
Артикул: 46-25-215-10-СП
нет в наличии
Бак топливный
Количество на схеме: 1
Информация
Бак топливный
Количество
1
Артикул: 46-25-215-20-СП
нет в наличии
Бак топливный
Количество на схеме: 1
Информация
Бак топливный
Количество
1
Артикул: 46-25-215-СП
нет в наличии
Бак топливный
Количество на схеме: 1
Информация
Бак топливный
Количество
1
1
1
Артикул: 700-40-5397
нет в наличии
Прокладка
Количество на схеме: 1
Информация
Прокладка
Количество
1
1
1
Артикул: 700-40-5397-20
нет в наличии
Прокладка
Количество на схеме: 1
Информация
Прокладка
Количество
1
2
2
Артикул: Гайка-М8-7Н-6-019-ГОСТ-5915-70
нет в наличии
Гайка М8.7Н.6.019 ГОСТ 5915-70
Количество на схеме: 4
Информация
Гайка М8.7Н.6.019 ГОСТ 5915-70
Количество
4
2
2
Артикул: Гайка-М8-7Н-6-029-ГОСТ-5915-70
нет в наличии
Гайка М8.7Н.6.029 ГОСТ 5915-70
Количество на схеме: 4
Информация
Гайка М8.7Н.6.029 ГОСТ 5915-70
Количество
4
3
3
Артикул: Шайба-8Т-65Г-019-ГОСТ-6402-70
нет в наличии
Шайба 8Т.65Г.019 ГОСТ 6402-70
Количество на схеме: 12
Информация
Шайба 8Т.65Г.019 ГОСТ 6402-70
Количество
12
3
3
Артикул: Шайба-8Т-65Г-0221-ГОСТ-6402-70
нет в наличии
Шайба 8Т.65Г.0221 ГОСТ 6402-70
Количество на схеме: 12
Информация
Шайба 8Т.65Г.0221 ГОСТ 6402-70
Количество
12
4
4
Артикул: 290125
нет в наличии
Шпилька М8(3п/6g)х25.88.35.013 ГОСТ 22034-76
Количество на схеме: 4
Информация
Шпилька М8(3п/6g)х25.88.35.013 ГОСТ 22034-76
Количество
4
Покрытие
без покрытия
4
4
Артикул: 290125-10
нет в наличии
Шпилька М8(3п/6g)х25.88.35.019 ГОСТ 22034-76
Количество на схеме: 4
Информация
Шпилька М8(3п/6g)х25.88.35.019 ГОСТ 22034-76
Количество
4
Покрытие
лужение
4
4
Артикул: 290125-20
нет в наличии
Шпилька М8(3п/6g)х25.88.35.029 ГОСТ 22034-76
Количество на схеме: 4
Информация
Шпилька М8(3п/6g)х25.88.35.029 ГОСТ 22034-76
Количество
4
Покрытие
5
5
Артикул: 700-40-4122
нет в наличии
Прокладка
Количество на схеме: 1
Информация
Прокладка
Количество
1
5
5
Артикул: 700-40-4122-20
нет в наличии
Прокладка
Количество на схеме: 1
Информация
Прокладка
Количество
1
6
6
Артикул: 47-25-142-10-СП
нет в наличии
Клапан
Количество на схеме: 1
Информация
Клапан
Количество
1
6
6
Артикул: 47-25-142-20-СП
нет в наличии
Клапан
Количество на схеме: 1
Информация
Клапан
Количество
1
6
6
Артикул: 47-25-142-СП
нет в наличии
Клапан
Количество на схеме: 1
Информация
Клапан
Количество
1
7
7
Артикул: 46-25-49
нет в наличии
Колпак
Количество на схеме: 1
Информация
Колпак
Количество
1
8
8
Артикул: Винт-В-М6-65х22-58-019-ГОСТ-17473-80
нет в наличии
Винт В М6-65х22.58.019 ГОСТ 17473-80
Количество на схеме: 8
Информация
Винт В М6-65х22.58.019 ГОСТ 17473-80
Количество
8
8
8
Артикул: Винт-В-М6-6gх22-58-029-ГОСТ-17473-80
нет в наличии
Винт В М6-6gх22.58.029 ГОСТ 17473-80
Количество на схеме: 8
Информация
Винт В М6-6gх22.58.029 ГОСТ 17473-80
Количество
8
9
9
Артикул: Шайба-6Т-65Г-019-ГОСТ-6402-70
нет в наличии
Шайба 6Т.65Г.019 ГОСТ 6402-70
Количество на схеме: 8
Информация
Шайба 6Т.65Г.019 ГОСТ 6402-70
Количество
8
9
9
Артикул: Шайба-6Т-65Г-0221-ГОСТ-6402-70
нет в наличии
Шайба 6Т.65Г.0221 ГОСТ 6402-70
Количество на схеме: 8
Информация
Шайба 6Т.65Г.0221 ГОСТ 6402-70
Количество
8
10
10
Артикул: 401-25-132-20-СП
нет в наличии
Сапун
Количество на схеме: 1
Информация
Сапун
Количество
1
10
10
Артикул: 401-25-132-СП
нет в наличии
Сапун
Количество на схеме: 1
Информация
Сапун
Количество
1
11
11
Артикул: 700-40-260-10
нет в наличии
Прокладка
Количество на схеме: 1
Информация
Прокладка
Количество
1
12
12
Артикул: 700-40-4120
нет в наличии
Прокладка
Количество на схеме: 1
Информация
Прокладка
Количество
1
12
12
Артикул: 700-40-4120-20
нет в наличии
Прокладка
Количество на схеме: 1
Информация
Прокладка
Количество
1
13
13
Артикул: Болт-М8-6gх20--58-019-ГОСТ-7796-70
нет в наличии
Болт М8-6gх20. 58.019 ГОСТ 7796-70
Количество на схеме: 7
Информация
Болт М8-6gх20. 58.019 ГОСТ 7796-70
Количество
7
13
13
Артикул: Болт-М8-6gх20-58-029-ГОСТ-7796-70
нет в наличии
Болт М8-6gх20.58.029 ГОСТ 7796-70
Количество на схеме: 7
Информация
Болт М8-6gх20.58.029 ГОСТ 7796-70
Количество
7
14
14
Артикул: Винт-В-М5-6gх16-58-026-ГОСТ-17473-60
нет в наличии
Винт В М5-6gх16.58.026 ГОСТ 17473-60
Количество на схеме: 4
Информация
Винт В М5-6gх16.58.026 ГОСТ 17473-60
Количество
4
14
14
Артикул: Винт-ВМ5-6gх16-58-016-ГОСТ-17473-80
нет в наличии
Винт ВМ5-6gх16.58.016 ГОСТ 17473-80
Количество на схеме: 4
Информация
Винт ВМ5-6gх16.58.016 ГОСТ 17473-80
Количество
4
15
15
Артикул: Шайба-5-65Г-019-ГОСТ-6402-70
нет в наличии
Шайба 5.65Г.019 ГОСТ 6402-70
Количество на схеме: 1
Информация
Шайба 5.65Г.019 ГОСТ 6402-70
Количество
1
15
15
Артикул: Шайба-5-65Г-0221-ГОСТ-6402-70
нет в наличии
Шайба 5.65Г.0221 ГОСТ 6402-70
Количество на схеме: 1
Информация
Шайба 5.65Г.0221 ГОСТ 6402-70
Количество
1
16
16
Артикул: 46-25-338
нет в наличии
Колпачок
Количество на схеме: 1
Информация
Колпачок
Количество
1
16
16
Артикул: 46-25-338-20
нет в наличии
Колпачок
Количество на схеме: 1
Информация
Колпачок
Количество
1
17
17
Артикул: БМ162Б
нет в наличии
Датчик ТУ 311-00.225.621.152-93
Количество на схеме: 1
Информация
Датчик ТУ 311-00.225.621.152-93
Количество
1
17
17
Артикул: БМ162Б
нет в наличии
Датчик ТУ 311-00.225.621.152-93
Количество на схеме: 1
Информация
Датчик ТУ 311-00.225.621.152-93
Количество
1
17
17
Артикул: БМ162Б
нет в наличии
Датчик ТУ 311-00.225.621.152-93
Количество на схеме: 1
Информация
Датчик ТУ 311-00.225.621.152-93
Количество
1
18
18
Артикул: 46-25-337
нет в наличии
Шпилька
Количество на схеме: 1
Информация
Шпилька
Количество
1
18
18
Артикул: 46-25-337-20
нет в наличии
Шпилька
Количество на схеме: 1
Информация
Шпилька
Количество
1
19
19
Артикул: Гайка-М5-7Н-8-026-ГОСТ-5927-70
нет в наличии
Гайка М5-7Н.8.026 ГОСТ 5927-70
Количество на схеме: 1
Информация
Гайка М5-7Н.8.026 ГОСТ 5927-70
Количество
1
19
19
Артикул: Гайка-М5-7Н-8-016-ГОСТ-5927-70
нет в наличии
Гайка М5.7Н.8.016 ГОСТ 5927-70
Количество на схеме: 1
Информация
Гайка М5.7Н.8.016 ГОСТ 5927-70
Количество
1
20
20
Артикул: 450019
нет в наличии
Прокладка
Количество на схеме: 1
Информация
Прокладка
Количество
1
Покрытие
без покрытия
21
21
Артикул: 450019-20
нет в наличии
Прокладка
Количество на схеме: 1
Информация
Прокладка
Количество
1
Покрытие
21
21
Артикул: 46-25-363
нет в наличии
Фланец
Количество на схеме: 1
Информация
Фланец
Количество
1
21
21
Артикул: 46-25-363-20
нет в наличии
Фланец
Количество на схеме: 1
Информация
Фланец
Количество
1
22
22
Артикул: Болт-М8-6gх16-88-35--019-ГОСТ-7796-70
нет в наличии
Болт М8-6gх16.88.35. 019 ГОСТ 7796-70
Количество на схеме: 1
Информация
Болт М8-6gх16.88.35. 019 ГОСТ 7796-70
Количество
1
22
22
Артикул: Болт-М8-6gх16-88-35--029-ГОСТ-7796-70
нет в наличии
Болт М8-6gх16.88.35. 029 ГОСТ 7796-70
Количество на схеме: 1
Информация
Болт М8-6gх16.88.35. 029 ГОСТ 7796-70
Количество
1
23
23
Артикул: 41-5119
нет в наличии
Хомутик
Количество на схеме: 1
Информация
Хомутик
Количество
1
24
24
Артикул: 45-7131-8151
нет в наличии
Агрегат электронасосный 1ЭНЦ-2,8-000Е
Количество на схеме: 1
Информация
Агрегат электронасосный 1ЭНЦ-2,8-000Е
Количество
1
25
25
Артикул: 46-25-272-10-СП
нет в наличии
Бак
Количество на схеме: 1
Информация
Бак
Количество
1
25
25
Артикул: 46-25-272-20-СП
нет в наличии
Бак
Количество на схеме: 1
Информация
Бак
Количество
1
25
25
Артикул: 46-25-272-СП
нет в наличии
Бак
Количество на схеме: 1
Информация
Бак
Количество
1
26
26
Артикул: 46-25-216-10-СП
нет в наличии
Трубка
Количество на схеме: 1
Информация
Трубка
Количество
1
26
26
Артикул: 46-25-216-20-СП
нет в наличии
Трубка
Количество на схеме: 1
Информация
Трубка
Количество
1
26
26
Артикул: 46-25-216-СП
нет в наличии
Трубка
Количество на схеме: 1
Информация
Трубка
Количество
1
27
27
Артикул: Кольцо-14х20
нет в наличии
Кольцо 14х20
Количество на схеме: 2
Информация
Кольцо 14х20
Количество
2
28
28
Артикул: 46-25-101
нет в наличии
Проставка
Количество на схеме: 1
Информация
Проставка
Количество
1
28
28
Артикул: 46-25-101-10
нет в наличии
Проставка
Количество на схеме: 1
Информация
Проставка
Количество
1
28
28
Артикул: 46-25-101-20
нет в наличии
Проставка
Количество на схеме: 1
Информация
Проставка
Количество
1
29
29
Артикул: 700-40-260-14
нет в наличии
Прокладка
Количество на схеме: 1
Информация
Прокладка
Количество
1
30
30
Артикул: 700-58-2307-01
нет в наличии
Кольцо запорное
Количество на схеме: 1
Информация
Кольцо запорное
Количество
1
31
31
Артикул: 46-25-102
нет в наличии
Проставка
Количество на схеме: 1
Информация
Проставка
Количество
1
32
32
Артикул: 700-40-4591
нет в наличии
Прокладка
Количество на схеме: 1
Информация
Прокладка
Количество
1
32
32
Артикул: 700-40-4591-20
нет в наличии
Прокладка
Количество на схеме: 1
Информация
Прокладка
Количество
1
33
33
Артикул: 46-25-212-20-СП
нет в наличии
Горловина
Количество на схеме: 1
Информация
Горловина
Количество
1
33
33
Артикул: 46-25-212-СП
нет в наличии
Горловина
Количество на схеме: 1
Информация
Горловина
Количество
1
34
34
Артикул: 41-5190-05-СП
нет в наличии
Хомут
Количество на схеме: 2
Информация
Хомут
Количество
2
35
35
Артикул: 700-46-2026
нет в наличии
Рукав
Количество на схеме: 1
Информация
Рукав
Количество
1
36
36
Артикул: 46-25-105
нет в наличии
Патрубок
Количество на схеме: 1
Информация
Патрубок
Количество
1
36
36
Артикул: 46-25-105-20
нет в наличии
Патрубок
Количество на схеме: 1
Информация
Патрубок
Количество
1
37
37
Артикул: Б12-100-ГОСТ-3722-81
нет в наличии
Шарик
Количество на схеме: 1
Информация
Шарик
Количество
1
  • Грузовые автомобили
  • Автобусы
  • Сельхозтехника
  • Спецтехника
  • Двигатели
Получить оптовый прайс-лист
Скачать прайс-лист от 12.05.2026 16:00
Специальное предложение от 12.05.2026 17:00
Производители:


  • WEICHAI
  • Автодизель ПАО (ЯМЗ)
  • Тутаевский МЗ
  • ЯЗДА
  • УралАЗ
  • МАЗ
  • АЗПИ
  • BOSCH
  • ММЗ
  • ШААЗ
  • FEDERAL MOGUL
  • ПРАМО
  • Мотордеталь
  • ТАИМ
  • АвтоКрАЗ
  • БЕЛКАРД
  • CZ Strakonice
  • КамАЗ
  • БЗА
  • ЧМЗ
  • BMZ
Новости
Все новости
25 марта 2024
Флагманский седельный тягач «Валдай 45» на выставке «TransRussia»
10 марта 2024
Современные автобусы «CITYMAX 9» и ЛиАЗ-5292 CNG
25 февраля 2024
Серийное производство средних дизельных двигателей повышенной мощности от ЯМЗ
Статьи
Все статьи
Датчики двигателя: за что они отвечают, признаки неисправности и как не прогадать с выбором
Двигатели ЯМЗ-534: история, технические характеристики и области применения
Двигатели ЯМЗ 650: углублённый технический обзор и история
Компания
О компании
Реквизиты
Новости
Политика
Магазины
Информация
Условия оплаты
Условия доставки
Гарантия на товар
Обмен и возврат товара
Помощь
Как оформить заказ
Полезные статьи
Бренды
Пункты выдачи
Оставайтесь на связи
  • Вконтакте
  • YouTube
  • Одноклассники
  • Google Plus
Увидели ошибку?
Выделите, нажав Ctrl + Enter
Наши контакты
8-800-700-35-68
sales@din76.ru
г. Ярославль, Ленинградский пр-т 33, ТЦ "ОМЕГА"
2026 © ООО «Динамика 76» - Все права защищены ООО "Динамика 76"
Предложения на сайте не являются публичной офертой.
На сайте обнаружена ошибка

Текст с ошибкой