Избранное 0 Корзина 0 Личный кабинет
logo
Каталог
Каталог
  • Справочник
    • Грузовые автомобили
    • Автобусы
    • Сельхозтехника
    • Спецтехника
    • Двигатели
  • Доставка
  • Оплата
  • О компании
    • Реквизиты
    • Магазины
    • Оплата
    • Доставка
    • Лицензии и сертификаты
    • Новости
    • Вакансии
  • Контакты
Отправить заявку
Личный кабинет
8 (800) 700-35-68
sales@din76.ru
Избранное 0 Корзина 0
8 (800) 700-35-68
Оптовый прайс-лист
Каталог
  • Двигатели
  • Запчасти WEICHAI
  • Запчасти ЯМЗ, ТМЗ (V-образные)
  • Запчасти ЯМЗ-534, ЯМЗ-536
  • Запчасти ЯМЗ-650, ЯМЗ-651, DCi-11
  • Топливная аппаратура
  • Запчасти УРАЛ
  • Запчасти МАЗ
  • Запчасти КамАЗ
  • Запчасти ММЗ
  • Ремни
Автокаталог (справочник)
  • Доставка
  • Оплата
  • О компании
  • Контакты
8 (800) 700-35-68
Написать в Whatsapp
sales@din76.ru
Динамика 76
Меню  
  • Каталог
    • Двигатели  
      • Двигатели ТМЗ  
        • Двигатели ТМЗ для автомобилей
        • Двигатели ТМЗ для тракторов
        • Специальные двигатели ТМЗ
        • Промышленные двигатели ТМЗ
      • Двигатели ЯМЗ  
        • ЯМЗ 236
        • ЯМЗ 238
        • ЯМЗ 240
        • ЯМЗ 751
        • ЯМЗ 840
        • ЯМЗ 850
        • ЯМЗ 656
        • ЯМЗ 658
        • ЯМЗ 534
        • ЯМЗ 536
        • ЯМЗ 650
        • Двигатели ЯМЗ для электростанций
      • Двигатели КАМАЗ
      • Двигатели ММЗ
      • Двигатели индивидуальной сборки
      • Комплекты переоборудования
    • Запчасти WEICHAI  
      • Основные запчасти двигателя  
        • Клапаны и толкатели
        • Шатуны
        • Вал коленчатый и маховик
        • Вал распределительный
        • Цилиндро-поршневая группа
      • Система питания  
        • Форсунки
        • Турбокомпрессор
      • Система смазки  
        • Насос масляный
      • Головка блока
      • Ремкомплекты
      • Система охлаждения  
        • Насос водяной
        • Муфта вязкостная и крыльчатка
      • Фильтры
      • Электрооборудование  
        • Генератор
        • Стартер
    • Запчасти ЯМЗ, ТМЗ (V-образные)  
      • Основные запчасти двигателя  
        • Блок двигателя и комплектующие
        • Валы распределительные и клапаны
        • Головка блока и комплектующие
        • Цилиндро-поршневая группа
        • Маховики и комплектующие
        • Валы коленчатые и комплектующие
        • Шатуны и комплектующие
      • Система питания  
        • Коллекторы и патрубки
        • Топливные трубопроводы
        • Турбокомпрессор
        • Топливные фильтры
      • Электрооборудование двигателя
      • Система охлаждения  
        • Вязкостные муфты и крыльчатки
        • Приводы вентилятора
        • Водяные насосы
        • Водяные трубы и термостаты
      • Коробки переключения передач  
        • 8 Ступенчатые КПП
        • 5 Ступенчатые КПП
        • 9 Ступенчатые КПП
        • Запасные части КПП ЯМЗ, ТМЗ
      • Система смазки  
        • Теплообменник и комплектующие
        • Масляные насосы
        • Фильтры масляные (ФГОМ, ФЦОМ)
      • Сцепление  
        • Запасные части механизма сцепления
        • Муфты (подшипники выжимные)
        • Корзины (диски нажимные)
        • Диски ведомые
      • Прочие запчасти двигателя  
        • Ремкомплекты
        • Привод агрегатов
        • Натяжные устройства
        • Трубки
    • Запчасти ЯМЗ-534, ЯМЗ-536  
      • Основные запчасти двигателя  
        • Цилиндро-поршневая группа
        • Головка блока цилиндров и комплектующие
        • Блок цилиндров и комплектующие
        • Вал коленчатый и маховик
        • Вал распределительный
        • Клапаны и толкатели
        • ГУР (Гидроусилитель руля)
        • Система рециркуляции отработавших газов
        • Выпускной коллектор
      • Система питания  
        • Коллекторы и патрубки
        • Топливные фильтры
        • Турбокомпрессор
        • Топливные трубопроводы
      • Система смазки  
        • Масляный картер поддон
        • Масляный насос
        • Теплообменник /Водо-масляный радиатор
        • Фильтры масляные (ФГОМ, ФЦОМ)
      • Пневмокомпрессор и натяжное
      • Система охлаждения  
        • Водяной насос
        • Водяные трубы и патрубки
        • Муфты вязкостные, приводы, крыльчатки
      • Ремкомплекты
      • Сцепление
      • Электрооборудование
    • Запчасти ЯМЗ-650, ЯМЗ-651, DCi-11  
      • Основные запчасти двигателя  
        • Цилиндро-поршневая группа
        • Головка блока цилиндров и комплектующие
        • Блок цилиндров и комплектующие
        • Вал коленчатый и маховик
        • Выпускной коллектор
        • Вал распределительный
        • Клапаны и толкатели
        • ГУР (Гидроусилитель руля)
        • Система рециркуляции отработавших газов
      • Система питания  
        • Коллекторы и патрубки
        • Топливные трубопроводы
        • Топливные фильтры
        • Турбокомпрессор
      • Система смазки  
        • Масляный картер / поддон
        • Масляный насос
        • Теплообменник / Водо-масляный радиатор
        • Фильтры масляные (ФГОМ, ФЦОМ)
      • Система охлаждения  
        • Водяной насос
        • Водяные трубы и патрубки
        • Муфты вязкостные, приводы, крыльчатки
      • Ремкомплекты
      • Пневмокомпрессор и натяжное
      • Электрооборудование
      • Сцепление
    • Топливная аппаратура  
      • ЯЗДА  
        • Распылители
        • ТНВД
        • Форсунки
        • Топливный насос низкого давления
        • Пары плунжерные
        • Муфта опережения впрыска топлива
        • Запчасти и комплектующие ТНВД
      • НЗТА
      • АЗПИ  
        • Распылители
        • Форсунки
      • BOSCH
    • Запчасти УРАЛ  
      • Трансмиссия  
        • Коробка раздаточная
        • Передача карданная
        • Мост задний
        • Мост передний (ведущий)
        • Мост средний (промежуточный)
      • Кузов  
        • Дверь кабины
        • Капот, крылья, облицовка радиатора
        • Окно ветровое и заднее
        • Отопление и вентиляция кабины
        • Кабина
      • Механизмы управления  
        • Управление рулевое
        • Тормоза
      • Дополнительное оборудование  
        • Отбор мощности
        • Устройство седельное
      • Электрооборудование
      • Ходовая часть  
        • Колеса и ступицы
        • Ось передняя
        • Подвеска автомобиля
        • Рама
    • Запчасти МАЗ  
      • Трансмиссия  
        • Мост задний
        • Мост передний (ведущий)
        • Передача карданная
        • Мост средний (промежуточный)
      • Кузов  
        • Кабина
        • Дверь кабины
        • Детали основания кабины
        • Окно ветровое и заднее
        • Платформа
      • Механизмы управления  
        • Тормоза
        • Управление рулевое
      • Ходовая часть  
        • Колеса и ступицы
        • Ось передняя
        • Подвеска автомобиля
        • Рама
    • Запчасти КамАЗ  
      • Кузов  
        • Кабина
        • Капот, крылья, облицовка радиатора
        • Дверь кабины
        • Платформа
        • Окно ветровое и заднее
        • Устройство подъемное и опрокидывающее
        • Сиденье
        • Крыша кабины (крыша кузова)
        • Отопление и вентиляция кабины
      • Трансмиссия  
        • Коробка передач
        • Коробка раздаточная
        • Мост задний
        • Сцепление
        • Мост средний (промежуточный)
        • Передача карданная
        • Мост передний (ведущий)
      • Двигатель  
        • Основные запчасти двигателя
        • Система охлаждения
        • Система питания
        • Система смазки
      • Дополнительное оборудование  
        • Отбор мощности
        • Устройство седельное
      • Ходовая часть  
        • Подвеска автомобиля
        • Рама
        • Колеса и ступицы
        • Ось передняя
      • Механизмы управления  
        • Тормоза
        • Управление рулевое
      • Электрооборудование
    • Запчасти ММЗ
    • Ремни
  • Справочник
    • Грузовые автомобили
    • Автобусы
    • Сельхозтехника
    • Спецтехника
    • Двигатели
  • Как купить
    • Условия оплаты
    • Условия доставки
    • Гарантия на товар
    • Пункты выдачи
  • Услуги
    • Капитальный ремонт двигателей ЯМЗ
  • Акции
  • Статьи
  • Контакты
  • Компания
    • Реквизиты
    • Магазины
    • Оплата
    • Доставка
    • Лицензии и сертификаты
    • Новости
    • Вакансии
Избранное 0 Корзина 0
8-800-700-35-68

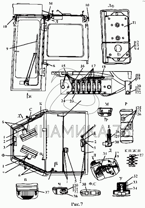
Электрооборудование крыши кабины на Т-25.01Я (до 2006 г.)

Справочник
Главная
-
Автокаталог
-
Спецтехника
-
Промтрактор
-
Т-25.01Я
Справочный каталог

Электрооборудование крыши кабины — Т-25.01Я:

3501-10-14-01-20СП 3501-10-14-01СП 1 1 1 1 1 2 2 2 3 3 4 4 5 6 6 7 7 8 8 9 9 10 10 11 11 11 12 12 13 13 13 14 14 15 15 16 16 17 17 18 18 18 18 19 20 20 20 21 21 21 22 22 22 23 23 23 23 24 24 25 25 26 26 27 28 29 30 30 31 31 32 32 33 33 34 36 36 37 37
в наличии
нет в наличии
масштаб

В наличии
Нет в наличии

Перечень комплектующих от Электрооборудование крыши кабины на Т-25.01Я

Схемы запчастей предназначены для справочных целей! Мы продаем не все запчасти от Электрооборудование крыши кабины на Т-25.01Я, представленные в этом списке.
Наличие на складах по деталям с ценой смотрите в карточке товара.
Артикул: 3501-10-14-01-20СП
нет в наличии
Электрооборудование крыши кабины
Количество на схеме: 1
Информация
Электрооборудование крыши кабины
Количество
1
Артикул: 3501-10-14-01СП
нет в наличии
Электрооборудование крыши кабины
Количество на схеме: 1
Информация
Электрооборудование крыши кабины
Количество
1
1
1
Артикул: 700-40-6695
нет в наличии
Кольцо
Количество на схеме: 12
Информация
Кольцо
Количество
12
2
2
Артикул: 700-40-6684-05
нет в наличии
Прокладка
Количество на схеме: 7
Информация
Прокладка
Количество
7
3
3
Артикул: 6002-3730-А
нет в наличии
Моторедуктор стеклоочистителя ТУ 37.003.1322-87
Количество на схеме: 1
Информация
Моторедуктор стеклоочистителя ТУ 37.003.1322-87
Количество
1
4
4
Артикул: 3501-10-167-20СП
нет в наличии
Жгут
Количество на схеме: 1
Информация
Жгут
Количество
1
4
4
Артикул: 3501-10-167СП
нет в наличии
Жгут
Количество на схеме: 1
Информация
Жгут
Количество
1
5
5
Артикул: 0026-12-3714010
нет в наличии
Плафон 0026.12.3714010 ТУ 37.458.064-90
Количество на схеме: 1
Информация
Плафон 0026.12.3714010 ТУ 37.458.064-90
Количество
1
Модель
0026.12
Группа
Электрооборудование
Подгруппа
Плафоны внутреннего освещения
Порядковый номер детали
010
6
6
Артикул: 700-40-6684-04
нет в наличии
Прокладка
Количество на схеме: 9
Информация
Прокладка
Количество
9
7
7
Артикул: 6002-3720-02
нет в наличии
Моторедуктор стеклоочистителя ТУ 37.003.1322-87
Количество на схеме: 3
Информация
Моторедуктор стеклоочистителя ТУ 37.003.1322-87
Количество
3
8
8
Артикул: 3501-10-116-20СП
нет в наличии
Жгут
Количество на схеме: 1
Информация
Жгут
Количество
1
8
8
Артикул: 3501-10-116СП
нет в наличии
Жгут
Количество на схеме: 1
Информация
Жгут
Количество
1
9
9
Артикул: 40-5205-800-06
нет в наличии
Пантографное устройство стеклоочистителя ТУ 37.003.1323-87
Количество на схеме: 2
Информация
Пантографное устройство стеклоочистителя ТУ 37.003.1323-87
Количество
2
10
10
Артикул: 40-5205-800-06
нет в наличии
Пантографное устройство стеклоочистителя ТУ 37.003.1323-87
Количество на схеме: 2
Информация
Пантографное устройство стеклоочистителя ТУ 37.003.1323-87
Количество
2
11
11
Артикул: 3501-10-169-01-10СП
нет в наличии
Блок выключателей
Количество на схеме: 1
Информация
Блок выключателей
Количество
1
11
11
Артикул: 3501-10-169-01-20СП
нет в наличии
Блок выключателей
Количество на схеме: 1
Информация
Блок выключателей
Количество
1
11
11
Артикул: 3501-10-169-01СП
нет в наличии
Блок выключателей
Количество на схеме: 1
Информация
Блок выключателей
Количество
1
12
12
Артикул: Винт-В-М6-6gх16-ГОСТ-17473-80
нет в наличии
Винт В.М6-6gх16 ГОСТ 17473-80
Количество на схеме: 2
Информация
Винт В.М6-6gх16 ГОСТ 17473-80
Количество
2
12
12
Артикул: Винт-В-М6-6gх16-ГОСТ-17473-80
нет в наличии
Винт В.М6-6gх16 ГОСТ 17473-80
Количество на схеме: 2
Информация
Винт В.М6-6gх16 ГОСТ 17473-80
Количество
2
13
13
Артикул: Шайба-6Т-ГОСТ-6402-70
нет в наличии
Шайба 6Т ГОСТ 6402-70
Количество на схеме: 5
Информация
Шайба 6Т ГОСТ 6402-70
Количество
5
13
13
Артикул: Шайба-6Т-ГОСТ-6402-70
нет в наличии
Шайба 6Т ГОСТ 6402-70
Количество на схеме: 5
Информация
Шайба 6Т ГОСТ 6402-70
Количество
5
14
14
Артикул: 310110
нет в наличии
Шайба 6.01.08кп.019 ГОСТ 11371-78
Количество на схеме: 2
Информация
Шайба 6.01.08кп.019 ГОСТ 11371-78
Количество
2
Покрытие
без покрытия
14
14
Артикул: 310110-20
нет в наличии
Шайба 6.01.08кп.0221 ГОСТ 11371-78
Количество на схеме: 2
Информация
Шайба 6.01.08кп.0221 ГОСТ 11371-78
Количество
2
Покрытие
15
15
Артикул: Винт-В-М4-6gх12-ГОСТ-17475-80
нет в наличии
Винт В.М4-6gх12 ГОСТ 17475-80
Количество на схеме: 6
Информация
Винт В.М4-6gх12 ГОСТ 17475-80
Количество
6
15
15
Артикул: Винт-В-М4-6gх12-ГОСТ-17475-80
нет в наличии
Винт В.М4-6gх12 ГОСТ 17475-80
Количество на схеме: 6
Информация
Винт В.М4-6gх12 ГОСТ 17475-80
Количество
6
16
16
Артикул: ПВ-6
нет в наличии
Предохранитель ПВ-6, УХЛ3, 30В ТУ 16-522.001-82
Количество на схеме: 1
Информация
Предохранитель ПВ-6, УХЛ3, 30В ТУ 16-522.001-82
Количество
1
16
16
Артикул: ПВ-6-экспорт
нет в наличии
Предохранитель ПВ-6, УХЛ3, 30В ТУ 16-522.001-82 экспорт
Количество на схеме: 1
Информация
Предохранитель ПВ-6, УХЛ3, 30В ТУ 16-522.001-82 экспорт
Количество
1
17
17
Артикул: ПВ-10
нет в наличии
Предохранитель ПВ-10, УХЛ3, 30В ТУ 16-522.001-82
Количество на схеме: 4
Информация
Предохранитель ПВ-10, УХЛ3, 30В ТУ 16-522.001-82
Количество
4
17
17
Артикул: ПВ-10-экспорт
нет в наличии
Предохранитель ПВ-10, УХЛ3, 30В ТУ 16-522.001-82 экспорт
Количество на схеме: 4
Информация
Предохранитель ПВ-10, УХЛ3, 30В ТУ 16-522.001-82 экспорт
Количество
4
18
18
Артикул: 700-40-6684-02
нет в наличии
Прокладка
Количество на схеме: 1
Информация
Прокладка
Количество
1
18
18
Артикул: ПВ-20
нет в наличии
Предохранитель ПВ-20, УХЛ3, 30В ТУ 16-522.001-82
Количество на схеме: 1
Информация
Предохранитель ПВ-20, УХЛ3, 30В ТУ 16-522.001-82
Количество
1
18
18
Артикул: ПВ-20-экспорт
нет в наличии
Предохранитель ПВ-20, УХЛ3, 30В ТУ 16-522.001-82 экспорт
Количество на схеме: 1
Информация
Предохранитель ПВ-20, УХЛ3, 30В ТУ 16-522.001-82 экспорт
Количество
1
19
19
Артикул: 700-41-3187
нет в наличии
Хомутик
Количество на схеме: 1
Информация
Хомутик
Количество
1
20
20
Артикул: М8-6gх16-ГОСТ-7796-70
нет в наличии
Болт
Количество на схеме: 2
Информация
Болт
Количество
2
20
20
Артикул: М8-6gх16-ГОСТ-7796-70
нет в наличии
Болт
Количество на схеме: 2
Информация
Болт
Количество
2
21
21
Артикул: Шайба-8Т-ГОСТ-6402-70
нет в наличии
Шайба 8Т ГОСТ 6402-70
Количество на схеме: 2
Информация
Шайба 8Т ГОСТ 6402-70
Количество
2
21
21
Артикул: Шайба-8Т-ГОСТ-6402-70
нет в наличии
Шайба 8Т ГОСТ 6402-70
Количество на схеме: 2
Информация
Шайба 8Т ГОСТ 6402-70
Количество
2
22
22
Артикул: 310150
нет в наличии
Шайба 8.01.08кп.019 ГОСТ 11371-78
Количество на схеме: 2
Информация
Шайба 8.01.08кп.019 ГОСТ 11371-78
Количество
2
Покрытие
без покрытия
22
22
Артикул: 310150-20
нет в наличии
Шайба 8.01.08кп.0221 ГОСТ 11371-78
Количество на схеме: 2
Информация
Шайба 8.01.08кп.0221 ГОСТ 11371-78
Количество
2
Покрытие
23
23
Артикул: 3501-10-13-20
нет в наличии
Шинка
Количество на схеме: 1
Информация
Шинка
Количество
1
23
23
Артикул: 405-10-36
нет в наличии
Втулка
Количество на схеме: 4
Информация
Втулка
Количество
4
23
23
Артикул: 405-10-36-20
нет в наличии
Втулка
Количество на схеме: 4
Информация
Втулка
Количество
4
23
23
Артикул: 585040
нет в наличии
Шинка
Количество на схеме: 1
Информация
Шинка
Количество
1
Покрытие
без покрытия
24
24
Артикул: БЗ-20
нет в наличии
Блок защиты БЗ-20, УХЛ3, 30В ТУ 16-522.001-82
Количество на схеме: 6
Информация
Блок защиты БЗ-20, УХЛ3, 30В ТУ 16-522.001-82
Количество
6
24
24
Артикул: БЗ-20-экспорт
нет в наличии
Блок защиты БЗ-20, УХЛ3, 30В ТУ 16-522.001-82 экспорт
Количество на схеме: 6
Информация
Блок защиты БЗ-20, УХЛ3, 30В ТУ 16-522.001-82 экспорт
Количество
6
25
25
Артикул: Болт-М6-6gх16-ГОСТ-7798-70
нет в наличии
Болт М6-6gх16 ГОСТ 7798-70
Количество на схеме: 3
Информация
Болт М6-6gх16 ГОСТ 7798-70
Количество
3
25
25
Артикул: Болт-М6-6gх16-ГОСТ-7798-70
нет в наличии
Болт М6-6gх16 ГОСТ 7798-70
Количество на схеме: 3
Информация
Болт М6-6gх16 ГОСТ 7798-70
Количество
3
26
26
Артикул: 310120
нет в наличии
Шайба 6.01.08кп.019 ГОСТ 6958-78
Количество на схеме: 3
Информация
Шайба 6.01.08кп.019 ГОСТ 6958-78
Количество
3
Покрытие
без покрытия
26
26
Артикул: 310120-20
нет в наличии
Шайба 6.01.08кп.0221 ГОСТ 6958-78
Количество на схеме: 3
Информация
Шайба 6.01.08кп.0221 ГОСТ 6958-78
Количество
3
Покрытие
27
27
Артикул: 602602
нет в наличии
Колодка гнездовая ОСТ 37.003.032-88
Количество на схеме: 4
Информация
Колодка гнездовая ОСТ 37.003.032-88
Количество
4
Покрытие
без покрытия
28
28
Артикул: 400195
нет в наличии
Колпачок
Количество на схеме: 3
Информация
Колпачок
Количество
3
Примечание
51
Покрытие
без покрытия
29
29
Артикул: 700-40-5607
нет в наличии
Наконечник
Количество на схеме: 3
Информация
Наконечник
Количество
3
Примечание
52
30
30
Артикул: 602602
нет в наличии
Колодка гнездовая ОСТ 37.003.032-88
Количество на схеме: 5
Информация
Колодка гнездовая ОСТ 37.003.032-88
Количество
5
Покрытие
без покрытия
31
31
Артикул: 404-10-180-51-20СП
нет в наличии
Провод
Количество на схеме: 4
Информация
Провод
Количество
4
31
31
Артикул: 404-10-180-51СП
нет в наличии
Провод
Количество на схеме: 4
Информация
Провод
Количество
4
32
32
Артикул: Гайка-М5-7Н-ГОСТ-5927-70
нет в наличии
Гайка М5-7Н ГОСТ 5927-70
Количество на схеме: 4
Информация
Гайка М5-7Н ГОСТ 5927-70
Количество
4
32
32
Артикул: Гайка-М5-7Н-ГОСТ-5927-70
нет в наличии
Гайка М5-7Н ГОСТ 5927-70
Количество на схеме: 4
Информация
Гайка М5-7Н ГОСТ 5927-70
Количество
4
33
33
Артикул: 405-10-36
нет в наличии
Втулка
Информация
Втулка
33
33
Артикул: 405-10-36-20
нет в наличии
Втулка
Информация
Втулка
34
34
Артикул: 405-10-34
нет в наличии
Ручка
Количество на схеме: 4
Информация
Ручка
Количество
4
36
36
Артикул: 3501-10-129-33-20СП
нет в наличии
Провод
Количество на схеме: 1
Информация
Провод
Количество
1
36
36
Артикул: 3501-10-129-33СП
нет в наличии
Провод
Количество на схеме: 1
Информация
Провод
Количество
1
37
37
Артикул: 3501-10-160-20СП
нет в наличии
Кожух
Количество на схеме: 1
Информация
Кожух
Количество
1
37
37
Артикул: 3501-10-160СП
нет в наличии
Кожух
Количество на схеме: 1
Информация
Кожух
Количество
1
  • Грузовые автомобили
  • Автобусы
  • Сельхозтехника
  • Спецтехника
  • Двигатели
Получить оптовый прайс-лист
Скачать прайс-лист от 07.05.2026 08:00
Специальное предложение от 06.05.2026 17:00
Производители:


  • WEICHAI
  • Автодизель ПАО (ЯМЗ)
  • Тутаевский МЗ
  • ЯЗДА
  • УралАЗ
  • МАЗ
  • АЗПИ
  • BOSCH
  • ММЗ
  • ШААЗ
  • FEDERAL MOGUL
  • ПРАМО
  • Мотордеталь
  • ТАИМ
  • АвтоКрАЗ
  • БЕЛКАРД
  • CZ Strakonice
  • КамАЗ
  • БЗА
  • ЧМЗ
  • BMZ
Новости
Все новости
25 марта 2024
Флагманский седельный тягач «Валдай 45» на выставке «TransRussia»
10 марта 2024
Современные автобусы «CITYMAX 9» и ЛиАЗ-5292 CNG
25 февраля 2024
Серийное производство средних дизельных двигателей повышенной мощности от ЯМЗ
Статьи
Все статьи
Датчики двигателя: за что они отвечают, признаки неисправности и как не прогадать с выбором
Двигатели ЯМЗ-534: история, технические характеристики и области применения
Двигатели ЯМЗ 650: углублённый технический обзор и история
Компания
О компании
Реквизиты
Новости
Политика
Магазины
Информация
Условия оплаты
Условия доставки
Гарантия на товар
Обмен и возврат товара
Помощь
Как оформить заказ
Полезные статьи
Бренды
Пункты выдачи
Оставайтесь на связи
  • Вконтакте
  • YouTube
  • Одноклассники
  • Google Plus
Увидели ошибку?
Выделите, нажав Ctrl + Enter
Наши контакты
8-800-700-35-68
sales@din76.ru
г. Ярославль, Ленинградский пр-т 33, ТЦ "ОМЕГА"
2026 © ООО «Динамика 76» - Все права защищены ООО "Динамика 76"
Предложения на сайте не являются публичной офертой.
На сайте обнаружена ошибка

Текст с ошибкой