Избранное 0 Корзина 0 Личный кабинет
logo
Каталог
Каталог
  • Справочник
    • Грузовые автомобили
    • Автобусы
    • Сельхозтехника
    • Спецтехника
    • Двигатели
  • Доставка
  • Оплата
  • О компании
    • Реквизиты
    • Магазины
    • Оплата
    • Доставка
    • Лицензии и сертификаты
    • Новости
    • Вакансии
  • Контакты
Отправить заявку
Личный кабинет
8 (800) 700-35-68
sales@din76.ru
Избранное 0 Корзина 0
8 (800) 700-35-68
Оптовый прайс-лист
Каталог
  • Двигатели
  • Запчасти WEICHAI
  • Запчасти ЯМЗ, ТМЗ (V-образные)
  • Запчасти ЯМЗ-534, ЯМЗ-536
  • Запчасти ЯМЗ-650, ЯМЗ-651, DCi-11
  • Топливная аппаратура
  • Запчасти УРАЛ
  • Запчасти МАЗ
  • Запчасти КамАЗ
  • Запчасти ММЗ
  • Ремни
Автокаталог (справочник)
  • Доставка
  • Оплата
  • О компании
  • Контакты
8 (800) 700-35-68
Написать в Whatsapp
sales@din76.ru
Динамика 76
Меню  
  • Каталог
    • Двигатели  
      • Двигатели ТМЗ  
        • Двигатели ТМЗ для автомобилей
        • Двигатели ТМЗ для тракторов
        • Специальные двигатели ТМЗ
        • Промышленные двигатели ТМЗ
      • Двигатели ЯМЗ  
        • ЯМЗ 236
        • ЯМЗ 238
        • ЯМЗ 240
        • ЯМЗ 751
        • ЯМЗ 840
        • ЯМЗ 850
        • ЯМЗ 656
        • ЯМЗ 658
        • ЯМЗ 534
        • ЯМЗ 536
        • ЯМЗ 650
        • Двигатели ЯМЗ для электростанций
      • Двигатели КАМАЗ
      • Двигатели ММЗ
      • Двигатели индивидуальной сборки
      • Комплекты переоборудования
    • Запчасти WEICHAI  
      • Основные запчасти двигателя  
        • Клапаны и толкатели
        • Шатуны
        • Вал коленчатый и маховик
        • Вал распределительный
        • Цилиндро-поршневая группа
      • Система питания  
        • Форсунки
        • Турбокомпрессор
      • Система смазки  
        • Насос масляный
      • Головка блока
      • Ремкомплекты
      • Система охлаждения  
        • Насос водяной
        • Муфта вязкостная и крыльчатка
      • Фильтры
      • Электрооборудование  
        • Генератор
        • Стартер
    • Запчасти ЯМЗ, ТМЗ (V-образные)  
      • Основные запчасти двигателя  
        • Блок двигателя и комплектующие
        • Валы распределительные и клапаны
        • Головка блока и комплектующие
        • Цилиндро-поршневая группа
        • Маховики и комплектующие
        • Валы коленчатые и комплектующие
        • Шатуны и комплектующие
      • Система питания  
        • Коллекторы и патрубки
        • Топливные трубопроводы
        • Турбокомпрессор
        • Топливные фильтры
      • Электрооборудование двигателя
      • Система охлаждения  
        • Вязкостные муфты и крыльчатки
        • Приводы вентилятора
        • Водяные насосы
        • Водяные трубы и термостаты
      • Коробки переключения передач  
        • 8 Ступенчатые КПП
        • 5 Ступенчатые КПП
        • 9 Ступенчатые КПП
        • Запасные части КПП ЯМЗ, ТМЗ
      • Система смазки  
        • Теплообменник и комплектующие
        • Масляные насосы
        • Фильтры масляные (ФГОМ, ФЦОМ)
      • Сцепление  
        • Запасные части механизма сцепления
        • Муфты (подшипники выжимные)
        • Корзины (диски нажимные)
        • Диски ведомые
      • Прочие запчасти двигателя  
        • Ремкомплекты
        • Привод агрегатов
        • Натяжные устройства
        • Трубки
    • Запчасти ЯМЗ-534, ЯМЗ-536  
      • Основные запчасти двигателя  
        • Цилиндро-поршневая группа
        • Головка блока цилиндров и комплектующие
        • Блок цилиндров и комплектующие
        • Вал коленчатый и маховик
        • Вал распределительный
        • Клапаны и толкатели
        • ГУР (Гидроусилитель руля)
        • Система рециркуляции отработавших газов
        • Выпускной коллектор
      • Система питания  
        • Коллекторы и патрубки
        • Топливные фильтры
        • Турбокомпрессор
        • Топливные трубопроводы
      • Система смазки  
        • Масляный картер поддон
        • Масляный насос
        • Теплообменник /Водо-масляный радиатор
        • Фильтры масляные (ФГОМ, ФЦОМ)
      • Пневмокомпрессор и натяжное
      • Система охлаждения  
        • Водяной насос
        • Водяные трубы и патрубки
        • Муфты вязкостные, приводы, крыльчатки
      • Ремкомплекты
      • Сцепление
      • Электрооборудование
    • Запчасти ЯМЗ-650, ЯМЗ-651, DCi-11  
      • Основные запчасти двигателя  
        • Цилиндро-поршневая группа
        • Головка блока цилиндров и комплектующие
        • Блок цилиндров и комплектующие
        • Вал коленчатый и маховик
        • Выпускной коллектор
        • Вал распределительный
        • Клапаны и толкатели
        • ГУР (Гидроусилитель руля)
        • Система рециркуляции отработавших газов
      • Система питания  
        • Коллекторы и патрубки
        • Топливные трубопроводы
        • Топливные фильтры
        • Турбокомпрессор
      • Система смазки  
        • Масляный картер / поддон
        • Масляный насос
        • Теплообменник / Водо-масляный радиатор
        • Фильтры масляные (ФГОМ, ФЦОМ)
      • Система охлаждения  
        • Водяной насос
        • Водяные трубы и патрубки
        • Муфты вязкостные, приводы, крыльчатки
      • Ремкомплекты
      • Пневмокомпрессор и натяжное
      • Электрооборудование
      • Сцепление
    • Топливная аппаратура  
      • ЯЗДА  
        • Распылители
        • ТНВД
        • Форсунки
        • Топливный насос низкого давления
        • Пары плунжерные
        • Муфта опережения впрыска топлива
        • Запчасти и комплектующие ТНВД
      • НЗТА
      • АЗПИ  
        • Распылители
        • Форсунки
      • BOSCH
    • Запчасти УРАЛ  
      • Трансмиссия  
        • Коробка раздаточная
        • Передача карданная
        • Мост задний
        • Мост передний (ведущий)
        • Мост средний (промежуточный)
      • Кузов  
        • Дверь кабины
        • Капот, крылья, облицовка радиатора
        • Окно ветровое и заднее
        • Отопление и вентиляция кабины
        • Кабина
      • Механизмы управления  
        • Управление рулевое
        • Тормоза
      • Дополнительное оборудование  
        • Отбор мощности
        • Устройство седельное
      • Электрооборудование
      • Ходовая часть  
        • Колеса и ступицы
        • Ось передняя
        • Подвеска автомобиля
        • Рама
    • Запчасти МАЗ  
      • Трансмиссия  
        • Мост задний
        • Мост передний (ведущий)
        • Передача карданная
        • Мост средний (промежуточный)
      • Кузов  
        • Кабина
        • Дверь кабины
        • Детали основания кабины
        • Окно ветровое и заднее
        • Платформа
      • Механизмы управления  
        • Тормоза
        • Управление рулевое
      • Ходовая часть  
        • Колеса и ступицы
        • Ось передняя
        • Подвеска автомобиля
        • Рама
    • Запчасти КамАЗ  
      • Кузов  
        • Кабина
        • Капот, крылья, облицовка радиатора
        • Дверь кабины
        • Платформа
        • Окно ветровое и заднее
        • Устройство подъемное и опрокидывающее
        • Сиденье
        • Крыша кабины (крыша кузова)
        • Отопление и вентиляция кабины
      • Трансмиссия  
        • Коробка передач
        • Коробка раздаточная
        • Мост задний
        • Сцепление
        • Мост средний (промежуточный)
        • Передача карданная
        • Мост передний (ведущий)
      • Двигатель  
        • Основные запчасти двигателя
        • Система охлаждения
        • Система питания
        • Система смазки
      • Дополнительное оборудование  
        • Отбор мощности
        • Устройство седельное
      • Ходовая часть  
        • Подвеска автомобиля
        • Рама
        • Колеса и ступицы
        • Ось передняя
      • Механизмы управления  
        • Тормоза
        • Управление рулевое
      • Электрооборудование
    • Запчасти ММЗ
    • Ремни
  • Справочник
    • Грузовые автомобили
    • Автобусы
    • Сельхозтехника
    • Спецтехника
    • Двигатели
  • Как купить
    • Условия оплаты
    • Условия доставки
    • Гарантия на товар
    • Пункты выдачи
  • Услуги
    • Капитальный ремонт двигателей ЯМЗ
  • Акции
  • Статьи
  • Контакты
  • Компания
    • Реквизиты
    • Магазины
    • Оплата
    • Доставка
    • Лицензии и сертификаты
    • Новости
    • Вакансии
Избранное 0 Корзина 0
8-800-700-35-68

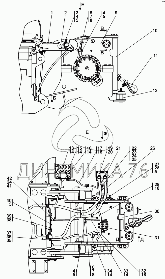
Агрегат тяговый на Т-20.02К (Четра) (до 2009 г.)

Справочник
Главная
-
Автокаталог
-
Спецтехника
-
Промтрактор
-
Т-20.02К (Четра)
Справочный каталог

Агрегат тяговый — Т-20.02К (Четра):

1501-96-2-01СП(SP) 1 1 2 2 3 3 4 4 4 5 5 5 5 5 6 6 6 7 7 7 8 8 8 9 10 10 11 12 12 13 13 14 14 14 14 14 15 15 16 16 17 17 18 18 18 19 19 20 21 21 22 22 23 23 24 24 25 26 26 27 27 27 28 29 29 30 30 31 31 32 32 33 33 34 34 35 35 36 37 37 38 38 39 39 40 41 41 42 42
в наличии
нет в наличии
масштаб

В наличии
Нет в наличии

Перечень комплектующих от Агрегат тяговый на Т-20.02К (Четра)

Схемы запчастей предназначены для справочных целей! Мы продаем не все запчасти от Агрегат тяговый на Т-20.02К (Четра), представленные в этом списке.
Наличие на складах по деталям с ценой смотрите в карточке товара.
Артикул: 1501-96-2-01СП(SP)
нет в наличии
Агрегат тяговый
Количество на схеме: ;;;
Информация
Агрегат тяговый
Количество
;;;
1
1
Артикул: 1501-96-59-01
нет в наличии
Серьга
Количество на схеме: 2
Информация
Серьга
Количество
2
1
1
Артикул: 1501-96-59-01-20
нет в наличии
Серьга
Количество на схеме: 2
Информация
Серьга
Количество
2
2
2
Артикул: 311102-93-22-01
нет в наличии
Палец
Количество на схеме: 2
Информация
Палец
Количество
2
Покрытие
без покрытия
2
2
Артикул: 311102-93-22-01-20
нет в наличии
Палец
Количество на схеме: 2
Информация
Палец
Количество
2
Покрытие
3
3
Артикул: 312501-94-103
нет в наличии
Пластина
Количество на схеме: 2
Информация
Пластина
Количество
2
Покрытие
без покрытия
3
3
Артикул: 312501-94-103-20
нет в наличии
Пластина
Количество на схеме: 2
Информация
Пластина
Количество
2
Покрытие
4
4
Артикул: ГОСТ7796-70
нет в наличии
Болт
Количество на схеме: 9
Информация
Болт
Количество
9
Примечание
Болт М12x1,25-6gx30
5
5
Артикул: ГОСТ6402-70
нет в наличии
Шайба
Количество на схеме: 60
Информация
Шайба
Количество
60
Примечание
Шайба 12.ОТ
6
6
Артикул: 2501-26-216
нет в наличии
Скоба
Количество на схеме: 6
Информация
Скоба
Количество
6
6
6
Артикул: 2501-26-216-20
нет в наличии
Скоба
Количество на схеме: 6
Информация
Скоба
Количество
6
7
7
Артикул: 2501-26-217
нет в наличии
Планка
Количество на схеме: 6
Информация
Планка
Количество
6
7
7
Артикул: 2501-26-217-20
нет в наличии
Планка
Количество на схеме: 6
Информация
Планка
Количество
6
8
8
Артикул: 1501-96-10-03-20СП-20SP
нет в наличии
Лебедка
Количество на схеме: 1
Информация
Лебедка
Количество
1
8
8
Артикул: 400354-05
нет в наличии
Втулка
Количество на схеме: 6
Информация
Втулка
Количество
6
Покрытие
без покрытия
9
9
Артикул: 1501-96-10-03СП(SP)
нет в наличии
Лебедка
Количество на схеме: 1
Информация
Лебедка
Количество
1
10
10
Артикул: 1501-96-52-01
нет в наличии
Труба
Количество на схеме: 2
Информация
Труба
Количество
2
10
10
Артикул: 1501-96-52-01-20
нет в наличии
Труба
Количество на схеме: 2
Информация
Труба
Количество
2
11
11
Артикул: 1501-96-106СП(SP)
нет в наличии
Канат
Количество на схеме: 1
Информация
Канат
Количество
1
12
12
Артикул: 312001-51-14-20СП-20SP
нет в наличии
Палец
Количество на схеме: 1
Информация
Палец
Количество
1
Покрытие
без покрытия
12
12
Артикул: 312001-51-14СП(SP)
нет в наличии
Палец
Количество на схеме: 1
Информация
Палец
Количество
1
Покрытие
без покрытия
13
13
Артикул: 1501-96-120-20СП(SP)
нет в наличии
Трубопровод
Количество на схеме: 1
Информация
Трубопровод
Количество
1
13
13
Артикул: 1501-96-120СП(SP)
нет в наличии
Трубопровод
Количество на схеме: 1
Информация
Трубопровод
Количество
1
14
14
Артикул: ТУ2531-260-00149245-00
нет в наличии
Кольцо
Количество на схеме: 8
Информация
Кольцо
Количество
8
Примечание
Кольцо 012-016-25-2-1668
Модель
ТУ2531-260
Подгруппа
Система управления двигателем электронная
Порядковый номер детали
924
15
15
Артикул: 1501-96-121-20СП(SP)
нет в наличии
Трубопровод
Количество на схеме: 1
Информация
Трубопровод
Количество
1
15
15
Артикул: 1501-96-121СП(SP)
нет в наличии
Трубопровод
Количество на схеме: 1
Информация
Трубопровод
Количество
1
16
16
Артикул: 404-26-213-16-20СП-20SP
нет в наличии
Рукав
Количество на схеме: 1
Информация
Рукав
Количество
1
Примечание
d.12
16
16
Артикул: 404-26-213-16СП(SP)
нет в наличии
Рукав
Количество на схеме: 1
Информация
Рукав
Количество
1
Примечание
d.12
17
17
Артикул: 311102-26-517-07-20СП(SP)
нет в наличии
Рукав d.8
Количество на схеме: 1
Информация
Рукав d.8
Количество
1
Примечание
d.8
Покрытие
без покрытия
17
17
Артикул: 311102-26-517-07СП(SP)
нет в наличии
Рукав d.8
Количество на схеме: 1
Информация
Рукав d.8
Количество
1
Примечание
d.8
Покрытие
без покрытия
18
18
Артикул: ТУ2531-260-00149245-00
нет в наличии
Кольцо
Количество на схеме: 6
Информация
Кольцо
Количество
6
Примечание
Кольцо 007-011-25-2-1668
Модель
ТУ2531-260
Подгруппа
Система управления двигателем электронная
Порядковый номер детали
924
19
19
Артикул: 415430
нет в наличии
Штуцер
Количество на схеме: 2
Информация
Штуцер
Количество
2
Покрытие
без покрытия
19
19
Артикул: 415430-20
нет в наличии
Штуцер
Количество на схеме: 2
Информация
Штуцер
Количество
2
Покрытие
20
20
Артикул: ТУ2531-260-00149245-00
нет в наличии
Кольцо
Количество на схеме: 2
Информация
Кольцо
Количество
2
Примечание
Кольцо 032-038-36-2-1668
Модель
ТУ2531-260
Подгруппа
Система управления двигателем электронная
Порядковый номер детали
924
21
21
Артикул: 700-46-2112-15-20СП-20SP
нет в наличии
Рукав
Количество на схеме: 1
Информация
Рукав
Количество
1
Примечание
Рукав d.25
21
21
Артикул: 700-46-2112-15СП(SP)
нет в наличии
Рукав d.25
Количество на схеме: 1
Информация
Рукав d.25
Количество
1
Примечание
Рукав d.25
22
22
Артикул: 311102-26-566
нет в наличии
Штуцер ввертной
Количество на схеме: 1
Информация
Штуцер ввертной
Количество
1
Покрытие
без покрытия
22
22
Артикул: 311102-26-566-20
нет в наличии
Штуцер ввертной
Количество на схеме: 1
Информация
Штуцер ввертной
Количество
1
Покрытие
23
23
Артикул: 415233
нет в наличии
Штуцер
Количество на схеме: 1
Информация
Штуцер
Количество
1
Покрытие
без покрытия
23
23
Артикул: 415233-20
нет в наличии
Штуцер
Количество на схеме: 1
Информация
Штуцер
Количество
1
Покрытие
24
24
Артикул: ТУ2531-260-00149245-00
нет в наличии
Кольцо
Количество на схеме: 7
Информация
Кольцо
Количество
7
Примечание
018-022-25-2-1668
Модель
ТУ2531-260
Подгруппа
Система управления двигателем электронная
Порядковый номер детали
924
25
25
Артикул: ТУ2531-260-00149245-00
нет в наличии
Кольцо
Количество на схеме: 1
Информация
Кольцо
Количество
1
Примечание
019-023-25-2-1668
Модель
ТУ2531-260
Подгруппа
Система управления двигателем электронная
Порядковый номер детали
924
26
26
Артикул: 700-46-2112-16-20СП-20SP
нет в наличии
Рукав
Количество на схеме: 1
Информация
Рукав
Количество
1
Примечание
Рукав d.25
26
26
Артикул: 700-46-2112-16СП(SP)
нет в наличии
Рукав d.25
Количество на схеме: 1
Информация
Рукав d.25
Количество
1
Примечание
Рукав d.25
27
27
Артикул: 2501-98-551
нет в наличии
Бугель
Количество на схеме: 2
Информация
Бугель
Количество
2
27
27
Артикул: 2501-98-551-20
нет в наличии
Бугель
Количество на схеме: 2
Информация
Бугель
Количество
2
27
27
Артикул: 280361
нет в наличии
Болт М12х1,25-6gх45.109.40Х019 ГОСТ 7796-70
Количество на схеме: 38
Информация
Болт М12х1,25-6gх45.109.40Х019 ГОСТ 7796-70
Количество
38
Примечание
ГОСТ 7796-70, М12x1,25-6gx45
Покрытие
без покрытия
28
28
Артикул: 280361-20
нет в наличии
Болт М12х 1,25-6gх45.109.40Х029 ГОСТ 7796-70
Количество на схеме: 38
Информация
Болт М12х 1,25-6gх45.109.40Х029 ГОСТ 7796-70
Количество
38
Примечание
ГОСТ 7796-70, М12x1,25-6gx45
Покрытие
29
29
Артикул: 311102-26-517-26-20СП(SP)
нет в наличии
Рукав диам. 8
Количество на схеме: 1
Информация
Рукав диам. 8
Количество
1
Примечание
Рукав d.8
Покрытие
без покрытия
29
29
Артикул: 311102-26-517-26СП(SP)
нет в наличии
Рукав диам. 8
Количество на схеме: 1
Информация
Рукав диам. 8
Количество
1
Примечание
Рукав d.8
Покрытие
без покрытия
30
30
Артикул: 1501-96-52
нет в наличии
Труба
Количество на схеме: 1
Информация
Труба
Количество
1
30
30
Артикул: 1501-96-52-20
нет в наличии
Труба
Количество на схеме: 1
Информация
Труба
Количество
1
31
31
Артикул: 313512-26-16-20СП-20SP
нет в наличии
Клапан
Количество на схеме: 1
Информация
Клапан
Количество
1
Покрытие
без покрытия
31
31
Артикул: 313512-26-16СП(SP)
нет в наличии
Клапан
Количество на схеме: 1
Информация
Клапан
Количество
1
Покрытие
без покрытия
32
32
Артикул: 311102-26-517-02-20СП(SP)
нет в наличии
Рукав d.8
Количество на схеме: 1
Информация
Рукав d.8
Количество
1
Примечание
d.8
Покрытие
без покрытия
32
32
Артикул: 311102-26-517-02СП(SP)
нет в наличии
Рукав d.8
Количество на схеме: 1
Информация
Рукав d.8
Количество
1
Примечание
d.8
Покрытие
без покрытия
33
33
Артикул: 404-26-213-04-20СП-20SP
нет в наличии
Рукав
Количество на схеме: 1
Информация
Рукав
Количество
1
Примечание
d.12
33
33
Артикул: 404-26-213-04СП(SP)
нет в наличии
Рукав
Количество на схеме: 1
Информация
Рукав
Количество
1
Примечание
d.12
34
34
Артикул: 404-26-213-14-20СП-20SP
нет в наличии
Рукав
Количество на схеме: 1
Информация
Рукав
Количество
1
Примечание
d.12
34
34
Артикул: 404-26-213-14СП(SP)
нет в наличии
Рукав
Количество на схеме: 1
Информация
Рукав
Количество
1
Примечание
d.12
35
35
Артикул: Н-036-23-072
нет в наличии
Контргайка
Количество на схеме: 1
Информация
Контргайка
Количество
1
35
35
Артикул: Н-036-23-072-01
нет в наличии
Контргайка
Количество на схеме: 1
Информация
Контргайка
Количество
1
36
36
Артикул: ТУ2531-260-00149245-00
нет в наличии
Кольцо
Количество на схеме: 1
Информация
Кольцо
Количество
1
Примечание
021-027-36-2-1668
Модель
ТУ2531-260
Подгруппа
Система управления двигателем электронная
Порядковый номер детали
924
37
37
Артикул: 415235
нет в наличии
Угольник ввертный
Количество на схеме: 1
Информация
Угольник ввертный
Количество
1
Покрытие
без покрытия
37
37
Артикул: 415235-20
нет в наличии
Угольник ввертный
Количество на схеме: 1
Информация
Угольник ввертный
Количество
1
Покрытие
38
38
Артикул: 450271
нет в наличии
Прокладка
Количество на схеме: 1
Информация
Прокладка
Количество
1
Покрытие
без покрытия
38
38
Артикул: 450271-20
нет в наличии
Прокладка
Количество на схеме: 1
Информация
Прокладка
Количество
1
Покрытие
39
39
Артикул: 1101-96-117-01-20СП-20SP
нет в наличии
Крышка
Количество на схеме: 1
Информация
Крышка
Количество
1
39
39
Артикул: 1101-96-117-01СП(SP)
нет в наличии
Крышка
Количество на схеме: 1
Информация
Крышка
Количество
1
40
40
Артикул: ГОСТ7796-70
нет в наличии
Болт
Количество на схеме: 13
Информация
Болт
Количество
13
Примечание
Болт М12-6gx30
41
41
Артикул: Н-036-23-022
нет в наличии
Контргайка
Количество на схеме: 7
Информация
Контргайка
Количество
7
41
41
Артикул: Н-036-23-022-01
нет в наличии
Контргайка
Количество на схеме: 7
Информация
Контргайка
Количество
7
42
42
Артикул: 2601-26-14-20СП(SP)
нет в наличии
Тройник
Количество на схеме: 1
Информация
Тройник
Количество
1
42
42
Артикул: 2601-26-14СП(SP)
нет в наличии
Тройник
Количество на схеме: 1
Информация
Тройник
Количество
1
  • Грузовые автомобили
  • Автобусы
  • Сельхозтехника
  • Спецтехника
  • Двигатели
Получить оптовый прайс-лист
Скачать прайс-лист от 06.05.2026 16:00
Специальное предложение от 06.05.2026 17:00
Производители:


  • WEICHAI
  • Автодизель ПАО (ЯМЗ)
  • Тутаевский МЗ
  • ЯЗДА
  • УралАЗ
  • МАЗ
  • АЗПИ
  • BOSCH
  • ММЗ
  • ШААЗ
  • FEDERAL MOGUL
  • ПРАМО
  • Мотордеталь
  • ТАИМ
  • АвтоКрАЗ
  • БЕЛКАРД
  • CZ Strakonice
  • КамАЗ
  • БЗА
  • ЧМЗ
  • BMZ
Новости
Все новости
25 марта 2024
Флагманский седельный тягач «Валдай 45» на выставке «TransRussia»
10 марта 2024
Современные автобусы «CITYMAX 9» и ЛиАЗ-5292 CNG
25 февраля 2024
Серийное производство средних дизельных двигателей повышенной мощности от ЯМЗ
Статьи
Все статьи
Датчики двигателя: за что они отвечают, признаки неисправности и как не прогадать с выбором
Двигатели ЯМЗ-534: история, технические характеристики и области применения
Двигатели ЯМЗ 650: углублённый технический обзор и история
Компания
О компании
Реквизиты
Новости
Политика
Магазины
Информация
Условия оплаты
Условия доставки
Гарантия на товар
Обмен и возврат товара
Помощь
Как оформить заказ
Полезные статьи
Бренды
Пункты выдачи
Оставайтесь на связи
  • Вконтакте
  • YouTube
  • Одноклассники
  • Google Plus
Увидели ошибку?
Выделите, нажав Ctrl + Enter
Наши контакты
8-800-700-35-68
sales@din76.ru
г. Ярославль, Ленинградский пр-т 33, ТЦ "ОМЕГА"
2026 © ООО «Динамика 76» - Все права защищены ООО "Динамика 76"
Предложения на сайте не являются публичной офертой.
На сайте обнаружена ошибка

Текст с ошибкой