Избранное 0 Корзина 0 Личный кабинет
logo
Каталог
Каталог
  • Справочник
    • Грузовые автомобили
    • Автобусы
    • Сельхозтехника
    • Спецтехника
    • Двигатели
  • Доставка
  • Оплата
  • О компании
    • Реквизиты
    • Магазины
    • Оплата
    • Доставка
    • Лицензии и сертификаты
    • Новости
    • Вакансии
  • Контакты
Отправить заявку
Личный кабинет
8 (800) 700-35-68
sales@din76.ru
Избранное 0 Корзина 0
8 (800) 700-35-68
Оптовый прайс-лист
Каталог
  • Двигатели
  • Запчасти WEICHAI
  • Запчасти ЯМЗ, ТМЗ (V-образные)
  • Запчасти ЯМЗ-534, ЯМЗ-536
  • Запчасти ЯМЗ-650, ЯМЗ-651, DCi-11
  • Топливная аппаратура
  • Запчасти УРАЛ
  • Запчасти МАЗ
  • Запчасти КамАЗ
  • Запчасти ММЗ
  • Ремни
Автокаталог (справочник)
  • Доставка
  • Оплата
  • О компании
  • Контакты
8 (800) 700-35-68
Написать в Whatsapp
sales@din76.ru
Динамика 76
Меню  
  • Каталог
    • Двигатели  
      • Двигатели ТМЗ  
        • Двигатели ТМЗ для автомобилей
        • Двигатели ТМЗ для тракторов
        • Специальные двигатели ТМЗ
        • Промышленные двигатели ТМЗ
      • Двигатели ЯМЗ  
        • ЯМЗ 236
        • ЯМЗ 238
        • ЯМЗ 240
        • ЯМЗ 751
        • ЯМЗ 840
        • ЯМЗ 850
        • ЯМЗ 656
        • ЯМЗ 658
        • ЯМЗ 534
        • ЯМЗ 536
        • ЯМЗ 650
        • Двигатели ЯМЗ для электростанций
      • Двигатели КАМАЗ
      • Двигатели ММЗ
      • Двигатели индивидуальной сборки
      • Комплекты переоборудования
    • Запчасти WEICHAI  
      • Основные запчасти двигателя  
        • Клапаны и толкатели
        • Шатуны
        • Вал коленчатый и маховик
        • Вал распределительный
        • Цилиндро-поршневая группа
      • Система питания  
        • Форсунки
        • Турбокомпрессор
      • Система смазки  
        • Насос масляный
      • Головка блока
      • Ремкомплекты
      • Система охлаждения  
        • Насос водяной
        • Муфта вязкостная и крыльчатка
      • Фильтры
      • Электрооборудование  
        • Генератор
        • Стартер
    • Запчасти ЯМЗ, ТМЗ (V-образные)  
      • Основные запчасти двигателя  
        • Блок двигателя и комплектующие
        • Валы распределительные и клапаны
        • Головка блока и комплектующие
        • Цилиндро-поршневая группа
        • Маховики и комплектующие
        • Валы коленчатые и комплектующие
        • Шатуны и комплектующие
      • Система питания  
        • Коллекторы и патрубки
        • Топливные трубопроводы
        • Турбокомпрессор
        • Топливные фильтры
      • Электрооборудование двигателя
      • Система охлаждения  
        • Вязкостные муфты и крыльчатки
        • Приводы вентилятора
        • Водяные насосы
        • Водяные трубы и термостаты
      • Коробки переключения передач  
        • 8 Ступенчатые КПП
        • 5 Ступенчатые КПП
        • 9 Ступенчатые КПП
        • Запасные части КПП ЯМЗ, ТМЗ
      • Система смазки  
        • Теплообменник и комплектующие
        • Масляные насосы
        • Фильтры масляные (ФГОМ, ФЦОМ)
      • Сцепление  
        • Запасные части механизма сцепления
        • Муфты (подшипники выжимные)
        • Корзины (диски нажимные)
        • Диски ведомые
      • Прочие запчасти двигателя  
        • Ремкомплекты
        • Привод агрегатов
        • Натяжные устройства
        • Трубки
    • Запчасти ЯМЗ-534, ЯМЗ-536  
      • Основные запчасти двигателя  
        • Цилиндро-поршневая группа
        • Головка блока цилиндров и комплектующие
        • Блок цилиндров и комплектующие
        • Вал коленчатый и маховик
        • Вал распределительный
        • Клапаны и толкатели
        • ГУР (Гидроусилитель руля)
        • Система рециркуляции отработавших газов
        • Выпускной коллектор
      • Система питания  
        • Коллекторы и патрубки
        • Топливные фильтры
        • Турбокомпрессор
        • Топливные трубопроводы
      • Система смазки  
        • Масляный картер поддон
        • Масляный насос
        • Теплообменник /Водо-масляный радиатор
        • Фильтры масляные (ФГОМ, ФЦОМ)
      • Пневмокомпрессор и натяжное
      • Система охлаждения  
        • Водяной насос
        • Водяные трубы и патрубки
        • Муфты вязкостные, приводы, крыльчатки
      • Ремкомплекты
      • Сцепление
      • Электрооборудование
    • Запчасти ЯМЗ-650, ЯМЗ-651, DCi-11  
      • Основные запчасти двигателя  
        • Цилиндро-поршневая группа
        • Головка блока цилиндров и комплектующие
        • Блок цилиндров и комплектующие
        • Вал коленчатый и маховик
        • Выпускной коллектор
        • Вал распределительный
        • Клапаны и толкатели
        • ГУР (Гидроусилитель руля)
        • Система рециркуляции отработавших газов
      • Система питания  
        • Коллекторы и патрубки
        • Топливные трубопроводы
        • Топливные фильтры
        • Турбокомпрессор
      • Система смазки  
        • Масляный картер / поддон
        • Масляный насос
        • Теплообменник / Водо-масляный радиатор
        • Фильтры масляные (ФГОМ, ФЦОМ)
      • Система охлаждения  
        • Водяной насос
        • Водяные трубы и патрубки
        • Муфты вязкостные, приводы, крыльчатки
      • Ремкомплекты
      • Пневмокомпрессор и натяжное
      • Электрооборудование
      • Сцепление
    • Топливная аппаратура  
      • ЯЗДА  
        • Распылители
        • ТНВД
        • Форсунки
        • Топливный насос низкого давления
        • Пары плунжерные
        • Муфта опережения впрыска топлива
        • Запчасти и комплектующие ТНВД
      • НЗТА
      • АЗПИ  
        • Распылители
        • Форсунки
      • BOSCH
    • Запчасти УРАЛ  
      • Трансмиссия  
        • Коробка раздаточная
        • Передача карданная
        • Мост задний
        • Мост передний (ведущий)
        • Мост средний (промежуточный)
      • Кузов  
        • Дверь кабины
        • Капот, крылья, облицовка радиатора
        • Окно ветровое и заднее
        • Отопление и вентиляция кабины
        • Кабина
      • Механизмы управления  
        • Управление рулевое
        • Тормоза
      • Дополнительное оборудование  
        • Отбор мощности
        • Устройство седельное
      • Электрооборудование
      • Ходовая часть  
        • Колеса и ступицы
        • Ось передняя
        • Подвеска автомобиля
        • Рама
    • Запчасти МАЗ  
      • Трансмиссия  
        • Мост задний
        • Мост передний (ведущий)
        • Передача карданная
        • Мост средний (промежуточный)
      • Кузов  
        • Кабина
        • Дверь кабины
        • Детали основания кабины
        • Окно ветровое и заднее
        • Платформа
      • Механизмы управления  
        • Тормоза
        • Управление рулевое
      • Ходовая часть  
        • Колеса и ступицы
        • Ось передняя
        • Подвеска автомобиля
        • Рама
    • Запчасти КамАЗ  
      • Кузов  
        • Кабина
        • Капот, крылья, облицовка радиатора
        • Дверь кабины
        • Платформа
        • Окно ветровое и заднее
        • Устройство подъемное и опрокидывающее
        • Сиденье
        • Крыша кабины (крыша кузова)
        • Отопление и вентиляция кабины
      • Трансмиссия  
        • Коробка передач
        • Коробка раздаточная
        • Мост задний
        • Сцепление
        • Мост средний (промежуточный)
        • Передача карданная
        • Мост передний (ведущий)
      • Двигатель  
        • Основные запчасти двигателя
        • Система охлаждения
        • Система питания
        • Система смазки
      • Дополнительное оборудование  
        • Отбор мощности
        • Устройство седельное
      • Ходовая часть  
        • Подвеска автомобиля
        • Рама
        • Колеса и ступицы
        • Ось передняя
      • Механизмы управления  
        • Тормоза
        • Управление рулевое
      • Электрооборудование
    • Запчасти ММЗ
    • Ремни
  • Справочник
    • Грузовые автомобили
    • Автобусы
    • Сельхозтехника
    • Спецтехника
    • Двигатели
  • Как купить
    • Условия оплаты
    • Условия доставки
    • Гарантия на товар
    • Пункты выдачи
  • Услуги
    • Капитальный ремонт двигателей ЯМЗ
  • Акции
  • Статьи
  • Контакты
  • Компания
    • Реквизиты
    • Магазины
    • Оплата
    • Доставка
    • Лицензии и сертификаты
    • Новости
    • Вакансии
Избранное 0 Корзина 0
8-800-700-35-68

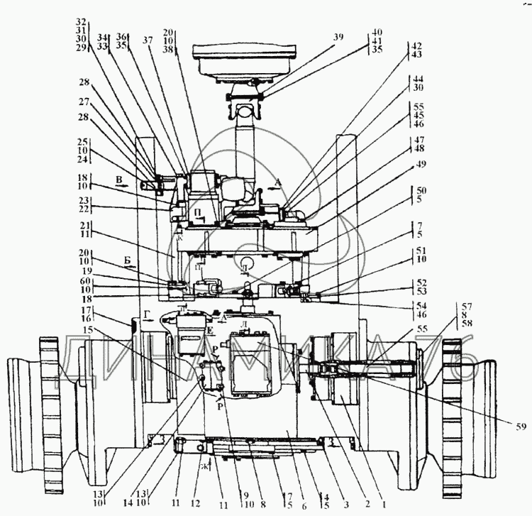
Установка трансмиссии на Т-20.01Я (до 2000 г.)

Справочник
Главная
-
Автокаталог
-
Спецтехника
-
Промтрактор
-
Т-20.01Я
Справочный каталог

Установка трансмиссии — Т-20.01Я:

2001-16-1-01-20СП 2001-16-1-01СП 1 1 2 3 4 4 5 5 5 5 6 6 7 7 7 8 8 9 9 10 10 10 10 10 10 10 10 10 11 11 11 12 13 13 13 14 14 15 15 16 17 17 18 18 19 19 20 20 21 21 22 23 23 26 26 27 27 28 28 28 29 29 30 30 31 32 32 33 34 35 35 36 37 38 38 39 39 40 40 41 41 42 42 43 44 45 45 46 46 47 47 48 49 49 50 50 51 52 52 53 54 54 55 55 56 56 57 58 59 59 60 60
в наличии
нет в наличии
масштаб

В наличии
Нет в наличии

Перечень комплектующих от Установка трансмиссии на Т-20.01Я

Схемы запчастей предназначены для справочных целей! Мы продаем не все запчасти от Установка трансмиссии на Т-20.01Я, представленные в этом списке.
Наличие на складах по деталям с ценой смотрите в карточке товара.
Артикул: 2001-16-1-01-20СП
нет в наличии
Установка трансмиссии
Количество на схеме: 1
Информация
Установка трансмиссии
Количество
1
Артикул: 2001-16-1-01СП
нет в наличии
Установка трансмиссии
Количество на схеме: 1
Информация
Установка трансмиссии
Количество
1
1
1
Артикул: 2001-19-1-20СП
нет в наличии
Передача бортовая, фрикцион и тормоз
Количество на схеме: 2
Информация
Передача бортовая, фрикцион и тормоз
Количество
2
1
1
Артикул: 2001-19-1СП
нет в наличии
Передача бортовая, фрикцион и тормоз
Количество на схеме: 2
Информация
Передача бортовая, фрикцион и тормоз
Количество
2
2
2
Артикул: 2001-16-110СП
нет в наличии
Торсион
Количество на схеме: 2
Информация
Торсион
Количество
2
3
3
Артикул: 325463
нет в наличии
Штифт
Количество на схеме: 2
Информация
Штифт
Количество
2
Покрытие
без покрытия
4
4
Артикул: 280562
нет в наличии
Болт М16х1,5х75 ГОСТ 7796-70
Количество на схеме: 19
Информация
Болт М16х1,5х75 ГОСТ 7796-70
Количество
19
Покрытие
без покрытия
4
4
Артикул: 280562-20
нет в наличии
Болт М16х1,5х75 ГОСТ 7796-70
Количество на схеме: 19
Информация
Болт М16х1,5х75 ГОСТ 7796-70
Количество
19
Покрытие
5
5
Артикул: Шайба-16-ОТ-65Г
нет в наличии
Шайба 16.ОТ.65Г
Количество на схеме: 33
Информация
Шайба 16.ОТ.65Г
Количество
33
6
6
Артикул: 2001-12-13-20СП
нет в наличии
Блок трансмиссии
Количество на схеме: 1
Информация
Блок трансмиссии
Количество
1
6
6
Артикул: 2001-12-13СП
нет в наличии
Блок трансмиссии
Количество на схеме: 1
Информация
Блок трансмиссии
Количество
1
7
7
Артикул: 280570
нет в наличии
Болт М16х1,5-6gх105.88.40Х019 ГОСТ 7795-70
Количество на схеме: 4
Информация
Болт М16х1,5-6gх105.88.40Х019 ГОСТ 7795-70
Количество
4
Покрытие
без покрытия
7
7
Артикул: 280570-20
нет в наличии
Болт М16х1,5-6gх105.88.40Х029 ГОСТ 7795-70
Количество на схеме: 4
Информация
Болт М16х1,5-6gх105.88.40Х029 ГОСТ 7795-70
Количество
4
Покрытие
8
8
Артикул: 580665
нет в наличии
Кольцо С70 ГОСТ 13943-86
Количество на схеме: 2
Информация
Кольцо С70 ГОСТ 13943-86
Количество
2
Покрытие
без покрытия
9
9
Артикул: 282393
нет в наличии
Болт М12-6gх115
Количество на схеме: 2
Информация
Болт М12-6gх115
Количество
2
Покрытие
без покрытия
9
9
Артикул: 282393-20
нет в наличии
Болт М12-6gх115
Количество на схеме: 2
Информация
Болт М12-6gх115
Количество
2
Покрытие
10
10
Артикул: Шайба-12-ОТ-65Г
нет в наличии
Шайба 12.ОТ.65Г
Количество на схеме: 69
Информация
Шайба 12.ОТ.65Г
Количество
69
11
11
Артикул: Кольцо-038-046-46-2-3
нет в наличии
Кольцо 038-046-46-2-3
Количество на схеме: 5
Информация
Кольцо 038-046-46-2-3
Количество
5
12
12
Артикул: Кольцо-135-145-58-2-51-1668
нет в наличии
Кольцо 135-145-58-2-51-1668
Количество на схеме: 1
Информация
Кольцо 135-145-58-2-51-1668
Количество
1
13
13
Артикул: 280388
нет в наличии
Болт М12-6gх90.109.40Х.019 ГОСТ 7795-70
Количество на схеме: 13
Информация
Болт М12-6gх90.109.40Х.019 ГОСТ 7795-70
Количество
13
Покрытие
без покрытия
13
13
Артикул: 280388-20
нет в наличии
Болт М12-6gх90.109.40Х029 ГОСТ 7795-70
Количество на схеме: 13
Информация
Болт М12-6gх90.109.40Х029 ГОСТ 7795-70
Количество
13
Покрытие
14
14
Артикул: 312001-15-15-01-20СП
нет в наличии
Делитель потока
Количество на схеме: 1
Информация
Делитель потока
Количество
1
Покрытие
без покрытия
14
14
Артикул: 312001-15-15-01СП
нет в наличии
Делитель потока
Количество на схеме: 1
Информация
Делитель потока
Количество
1
Покрытие
без покрытия
15
15
Артикул: 312001-15-10-20СП
нет в наличии
Фильтр
Количество на схеме: 1
Информация
Фильтр
Количество
1
Покрытие
без покрытия
15
15
Артикул: 312001-15-10СП
нет в наличии
Фильтр
Количество на схеме: 1
Информация
Фильтр
Количество
1
Покрытие
без покрытия
16
16
Артикул: Шайба-20-ОТ-65Г
нет в наличии
Шайба 20.ОТ.65Г
Количество на схеме: 56
Информация
Шайба 20.ОТ.65Г
Количество
56
17
17
Артикул: 280728
нет в наличии
Болт М20-6gх60
Количество на схеме: 56
Информация
Болт М20-6gх60
Количество
56
Покрытие
без покрытия
17
17
Артикул: 280728-20
нет в наличии
Болт М20-6gх60
Количество на схеме: 56
Информация
Болт М20-6gх60
Количество
56
Покрытие
18
18
Артикул: 3501-16-28
нет в наличии
Фланец
Количество на схеме: 1
Информация
Фланец
Количество
1
19
19
Артикул: 2501-26-83
нет в наличии
Фланец
Количество на схеме: 2
Информация
Фланец
Количество
2
19
19
Артикул: 2501-26-83-20
нет в наличии
Фланец
Количество на схеме: 2
Информация
Фланец
Количество
2
20
20
Артикул: Болт-М12-6gх35
нет в наличии
Болт М12-6gх35
Количество на схеме: 12
Информация
Болт М12-6gх35
Количество
12
21
21
Артикул: 2001-16-112-20СП
нет в наличии
Труба
Количество на схеме: 1
Информация
Труба
Количество
1
21
21
Артикул: 2001-16-112СП
нет в наличии
Труба
Количество на схеме: 1
Информация
Труба
Количество
1
22
22
Артикул: Кольцо-060-070-58-2-51-1668
нет в наличии
Кольцо 060-070-58-2-51-1668
Количество на схеме: 2
Информация
Кольцо 060-070-58-2-51-1668
Количество
2
23
23
Артикул: 2001-16-33
нет в наличии
Фланец
Количество на схеме: 1
Информация
Фланец
Количество
1
23
23
Артикул: 2001-16-33-20
нет в наличии
Фланец
Количество на схеме: 1
Информация
Фланец
Количество
1
26
26
Артикул: 2501-15-124-20СП
нет в наличии
Пробка
Количество на схеме: 1
Информация
Пробка
Количество
1
26
26
Артикул: 2501-15-124СП
нет в наличии
Пробка
Количество на схеме: 1
Информация
Пробка
Количество
1
27
27
Артикул: 2501-12-170
нет в наличии
Пластина
Количество на схеме: 1
Информация
Пластина
Количество
1
27
27
Артикул: 400324
нет в наличии
Пластина
Количество на схеме: 1
Информация
Пластина
Количество
1
Покрытие
без покрытия
28
28
Артикул: 2001-16-15
нет в наличии
Кронштейн
Количество на схеме: 1
Информация
Кронштейн
Количество
1
28
28
Артикул: 2001-16-15-20
нет в наличии
Кронштейн
Количество на схеме: 1
Информация
Кронштейн
Количество
1
29
29
Артикул: 310140
нет в наличии
Шайба 8.01.10.019 ГОСТ 6958-78
Количество на схеме: 2
Информация
Шайба 8.01.10.019 ГОСТ 6958-78
Количество
2
Покрытие
без покрытия
29
29
Артикул: 310140-20
нет в наличии
Шайба 8.01.10.0221 ГОСТ 6958-78
Количество на схеме: 2
Информация
Шайба 8.01.10.0221 ГОСТ 6958-78
Количество
2
Покрытие
30
30
Артикул: Шайба-8Т-65Г
нет в наличии
Шайба 8Т.65Г
Количество на схеме: 6
Информация
Шайба 8Т.65Г
Количество
6
31
31
Артикул: Гайка-М8-7Н
нет в наличии
Гайка М8-7Н
Количество на схеме: 2
Информация
Гайка М8-7Н
Количество
2
32
32
Артикул: 2501-15-107
нет в наличии
Хомут
Количество на схеме: 1
Информация
Хомут
Количество
1
32
32
Артикул: 2501-15-107-20
нет в наличии
Хомут
Количество на схеме: 1
Информация
Хомут
Количество
1
33
33
Артикул: Кольцо-024-028-25-2-51-1668
нет в наличии
Кольцо 024-028-25-2-51-1668
Количество на схеме: 1
Информация
Кольцо 024-028-25-2-51-1668
Количество
1
34
34
Артикул: 375783
нет в наличии
Пробка
Количество на схеме: 1
Информация
Пробка
Количество
1
Покрытие
без покрытия
35
35
Артикул: Шайба-10-ОТ-65Г
нет в наличии
Шайба 10.ОТ.65Г
Количество на схеме: 24
Информация
Шайба 10.ОТ.65Г
Количество
24
36
36
Артикул: Болт-М10-6gх30
нет в наличии
Болт М10-6gх30
Количество на схеме: 4
Информация
Болт М10-6gх30
Количество
4
37
37
Артикул: 2701-16-24
нет в наличии
Фланец
Количество на схеме: 2
Информация
Фланец
Количество
2
38
38
Артикул: 310210
нет в наличии
Шайба 12х2.01.10.019 ГОСТ 11371-78
Количество на схеме: 4
Информация
Шайба 12х2.01.10.019 ГОСТ 11371-78
Количество
4
Покрытие
без покрытия
38
38
Артикул: 310210-20
нет в наличии
Шайба 12х2.01.10.0221 ГОСТ 11371-78
Количество на схеме: 4
Информация
Шайба 12х2.01.10.0221 ГОСТ 11371-78
Количество
4
Покрытие
39
39
Артикул: 2001-49-1-02-20СП
нет в наличии
Передача карданная
Количество на схеме: 1
Информация
Передача карданная
Количество
1
39
39
Артикул: 2001-49-1-02СП
нет в наличии
Передача карданная
Количество на схеме: 1
Информация
Передача карданная
Количество
1
40
40
Артикул: 305186
нет в наличии
Гайка М10х1,25-6Н
Количество на схеме: 16
Информация
Гайка М10х1,25-6Н
Количество
16
Покрытие
без покрытия
40
40
Артикул: 305186-20
нет в наличии
Гайка М10х1,25-6Н
Количество на схеме: 16
Информация
Гайка М10х1,25-6Н
Количество
16
Покрытие
41
41
Артикул: 280242
нет в наличии
Болт М10х1,25-6gх35
Количество на схеме: 16
Информация
Болт М10х1,25-6gх35
Количество
16
Покрытие
без покрытия
41
41
Артикул: 280242-20
нет в наличии
Болт М10х1,25-6gх35
Количество на схеме: 16
Информация
Болт М10х1,25-6gх35
Количество
16
Покрытие
42
42
Артикул: 2001-16-31
нет в наличии
Фланец
Количество на схеме: 1
Информация
Фланец
Количество
1
42
42
Артикул: 2001-16-31-20
нет в наличии
Фланец
Количество на схеме: 1
Информация
Фланец
Количество
1
43
43
Артикул: Кольцо-039-045-36-2-51-1668
нет в наличии
Кольцо 039-045-36-2-51-1668
Количество на схеме: 1
Информация
Кольцо 039-045-36-2-51-1668
Количество
1
44
44
Артикул: Болт-М8-6gх30
нет в наличии
Болт М8-6gх30
Количество на схеме: 4
Информация
Болт М8-6gх30
Количество
4
45
45
Артикул: Н036-23-022
нет в наличии
Гайка
Количество на схеме: 1
Информация
Гайка
Количество
1
45
45
Артикул: Н036-23-022-20
нет в наличии
Гайка
Количество на схеме: 1
Информация
Гайка
Количество
1
46
46
Артикул: 018-022-25-2-51-1668
нет в наличии
Кольцо
Количество на схеме: 2
Информация
Кольцо
Количество
2
47
47
Артикул: 404-26-213-01-20СП
нет в наличии
Рукав диаметр 12
Количество на схеме: 1
Информация
Рукав диаметр 12
Количество
1
47
47
Артикул: 404-26-213-01СП
нет в наличии
Рукав диаметр 12
Количество на схеме: 1
Информация
Рукав диаметр 12
Количество
1
48
48
Артикул: Кольцо-012-016-25-2-51-1668
нет в наличии
Кольцо 012-016-25-2-51-1668
Количество на схеме: 4
Информация
Кольцо 012-016-25-2-51-1668
Количество
4
49
49
Артикул: 2001-14-1-20СП
нет в наличии
Гидротрансформатор с редуктором привода насосов
Количество на схеме: 1
Информация
Гидротрансформатор с редуктором привода насосов
Количество
1
49
49
Артикул: 2001-14-1СП
нет в наличии
Гидротрансформатор с редуктором привода насосов
Количество на схеме: 1
Информация
Гидротрансформатор с редуктором привода насосов
Количество
1
50
50
Артикул: 280544
нет в наличии
Болт М16х1,5-6gх45.109.40Х019 ГОСТ 7796-70
Количество на схеме: 10
Информация
Болт М16х1,5-6gх45.109.40Х019 ГОСТ 7796-70
Количество
10
Покрытие
без покрытия
50
50
Артикул: 280544-20
нет в наличии
Болт М16х1,5-6gх45.109.40Х029 ГОСТ 7796-70
Количество на схеме: 10
Информация
Болт М16х1,5-6gх45.109.40Х029 ГОСТ 7796-70
Количество
10
Покрытие
51
51
Артикул: Болт-М12-6gх30
нет в наличии
Болт М12-6gх30
Количество на схеме: 16
Информация
Болт М12-6gх30
Количество
16
52
52
Артикул: 2001-16-29
нет в наличии
Крышка
Количество на схеме: 1
Информация
Крышка
Количество
1
52
52
Артикул: 2001-16-29-20
нет в наличии
Крышка
Количество на схеме: 1
Информация
Крышка
Количество
1
53
53
Артикул: Кольцо-130-135-36-2-3
нет в наличии
Кольцо 130-135-36-2-3
Количество на схеме: 1
Информация
Кольцо 130-135-36-2-3
Количество
1
54
54
Артикул: 5001-26-78
нет в наличии
Штуцер ввертной
Количество на схеме: 1
Информация
Штуцер ввертной
Количество
1
54
54
Артикул: 5001-26-78-20
нет в наличии
Штуцер ввертной
Количество на схеме: 1
Информация
Штуцер ввертной
Количество
1
55
55
Артикул: 2001-16-111СП
нет в наличии
Торсион
Количество на схеме: 2
Информация
Торсион
Количество
2
56
56
Артикул: 3501-26-159-20СП
нет в наличии
Угольник
Количество на схеме: 1
Информация
Угольник
Количество
1
56
56
Артикул: 3501-26-159СП
нет в наличии
Угольник
Количество на схеме: 1
Информация
Угольник
Количество
1
57
57
Артикул: Кольцо-055-065-58-2-51-1668
нет в наличии
Кольцо 055-065-58-2-51-1668
Количество на схеме: 2
Информация
Кольцо 055-065-58-2-51-1668
Количество
2
58
58
Артикул: 2001-19-16
нет в наличии
Крышка
Количество на схеме: 2
Информация
Крышка
Количество
2
59
59
Артикул: 1501-15-20-20СП
нет в наличии
Блок управления
Количество на схеме: 1
Информация
Блок управления
Количество
1
59
59
Артикул: 1501-15-20СП
нет в наличии
Блок управления
Количество на схеме: 1
Информация
Блок управления
Количество
1
60
60
Артикул: 280379
нет в наличии
Болт 3М12-6gх65.109.40Х.019 ГОСТ 7796-70
Количество на схеме: 8
Информация
Болт 3М12-6gх65.109.40Х.019 ГОСТ 7796-70
Количество
8
Покрытие
без покрытия
60
60
Артикул: 280379-20
нет в наличии
Болт 3М12-6gх65.109.40Х.029 ГОСТ 7796-70
Количество на схеме: 8
Информация
Болт 3М12-6gх65.109.40Х.029 ГОСТ 7796-70
Количество
8
Покрытие
  • Грузовые автомобили
  • Автобусы
  • Сельхозтехника
  • Спецтехника
  • Двигатели
Получить оптовый прайс-лист
Скачать прайс-лист от 07.05.2026 08:00
Специальное предложение от 07.05.2026 09:00
Производители:


  • WEICHAI
  • Автодизель ПАО (ЯМЗ)
  • Тутаевский МЗ
  • ЯЗДА
  • УралАЗ
  • МАЗ
  • АЗПИ
  • BOSCH
  • ММЗ
  • ШААЗ
  • FEDERAL MOGUL
  • ПРАМО
  • Мотордеталь
  • ТАИМ
  • АвтоКрАЗ
  • БЕЛКАРД
  • CZ Strakonice
  • КамАЗ
  • БЗА
  • ЧМЗ
  • BMZ
Новости
Все новости
25 марта 2024
Флагманский седельный тягач «Валдай 45» на выставке «TransRussia»
10 марта 2024
Современные автобусы «CITYMAX 9» и ЛиАЗ-5292 CNG
25 февраля 2024
Серийное производство средних дизельных двигателей повышенной мощности от ЯМЗ
Статьи
Все статьи
Датчики двигателя: за что они отвечают, признаки неисправности и как не прогадать с выбором
Двигатели ЯМЗ-534: история, технические характеристики и области применения
Двигатели ЯМЗ 650: углублённый технический обзор и история
Компания
О компании
Реквизиты
Новости
Политика
Магазины
Информация
Условия оплаты
Условия доставки
Гарантия на товар
Обмен и возврат товара
Помощь
Как оформить заказ
Полезные статьи
Бренды
Пункты выдачи
Оставайтесь на связи
  • Вконтакте
  • YouTube
  • Одноклассники
  • Google Plus
Увидели ошибку?
Выделите, нажав Ctrl + Enter
Наши контакты
8-800-700-35-68
sales@din76.ru
г. Ярославль, Ленинградский пр-т 33, ТЦ "ОМЕГА"
2026 © ООО «Динамика 76» - Все права защищены ООО "Динамика 76"
Предложения на сайте не являются публичной офертой.
На сайте обнаружена ошибка

Текст с ошибкой