Избранное 0 Корзина 0 Личный кабинет
logo
Каталог
Каталог
  • Справочник
    • Грузовые автомобили
    • Автобусы
    • Сельхозтехника
    • Спецтехника
    • Двигатели
  • Доставка
  • Оплата
  • О компании
    • Реквизиты
    • Магазины
    • Оплата
    • Доставка
    • Лицензии и сертификаты
    • Новости
    • Вакансии
  • Контакты
Отправить заявку
Личный кабинет
8 (800) 700-35-68
sales@din76.ru
Избранное 0 Корзина 0
8 (800) 700-35-68
Оптовый прайс-лист
Каталог
  • Двигатели
  • Запчасти WEICHAI
  • Запчасти ЯМЗ, ТМЗ (V-образные)
  • Запчасти ЯМЗ-534, ЯМЗ-536
  • Запчасти ЯМЗ-650, ЯМЗ-651, DCi-11
  • Топливная аппаратура
  • Запчасти УРАЛ
  • Запчасти МАЗ
  • Запчасти КамАЗ
  • Запчасти ММЗ
  • Ремни
Автокаталог (справочник)
  • Доставка
  • Оплата
  • О компании
  • Контакты
8 (800) 700-35-68
Написать в Whatsapp
sales@din76.ru
Динамика 76
Меню  
  • Каталог
    • Двигатели  
      • Двигатели ТМЗ  
        • Двигатели ТМЗ для автомобилей
        • Двигатели ТМЗ для тракторов
        • Специальные двигатели ТМЗ
        • Промышленные двигатели ТМЗ
      • Двигатели ЯМЗ  
        • ЯМЗ 236
        • ЯМЗ 238
        • ЯМЗ 240
        • ЯМЗ 751
        • ЯМЗ 840
        • ЯМЗ 850
        • ЯМЗ 656
        • ЯМЗ 658
        • ЯМЗ 534
        • ЯМЗ 536
        • ЯМЗ 650
        • Двигатели ЯМЗ для электростанций
      • Двигатели КАМАЗ
      • Двигатели ММЗ
      • Двигатели индивидуальной сборки
      • Комплекты переоборудования
    • Запчасти WEICHAI  
      • Основные запчасти двигателя  
        • Клапаны и толкатели
        • Шатуны
        • Вал коленчатый и маховик
        • Вал распределительный
        • Цилиндро-поршневая группа
      • Система питания  
        • Форсунки
        • Турбокомпрессор
      • Система смазки  
        • Насос масляный
      • Головка блока
      • Ремкомплекты
      • Система охлаждения  
        • Насос водяной
        • Муфта вязкостная и крыльчатка
      • Фильтры
      • Электрооборудование  
        • Генератор
        • Стартер
    • Запчасти ЯМЗ, ТМЗ (V-образные)  
      • Основные запчасти двигателя  
        • Блок двигателя и комплектующие
        • Валы распределительные и клапаны
        • Головка блока и комплектующие
        • Цилиндро-поршневая группа
        • Маховики и комплектующие
        • Валы коленчатые и комплектующие
        • Шатуны и комплектующие
      • Система питания  
        • Коллекторы и патрубки
        • Топливные трубопроводы
        • Турбокомпрессор
        • Топливные фильтры
      • Электрооборудование двигателя
      • Система охлаждения  
        • Вязкостные муфты и крыльчатки
        • Приводы вентилятора
        • Водяные насосы
        • Водяные трубы и термостаты
      • Коробки переключения передач  
        • 8 Ступенчатые КПП
        • 5 Ступенчатые КПП
        • 9 Ступенчатые КПП
        • Запасные части КПП ЯМЗ, ТМЗ
      • Система смазки  
        • Теплообменник и комплектующие
        • Масляные насосы
        • Фильтры масляные (ФГОМ, ФЦОМ)
      • Сцепление  
        • Запасные части механизма сцепления
        • Муфты (подшипники выжимные)
        • Корзины (диски нажимные)
        • Диски ведомые
      • Прочие запчасти двигателя  
        • Ремкомплекты
        • Привод агрегатов
        • Натяжные устройства
        • Трубки
    • Запчасти ЯМЗ-534, ЯМЗ-536  
      • Основные запчасти двигателя  
        • Цилиндро-поршневая группа
        • Головка блока цилиндров и комплектующие
        • Блок цилиндров и комплектующие
        • Вал коленчатый и маховик
        • Вал распределительный
        • Клапаны и толкатели
        • ГУР (Гидроусилитель руля)
        • Система рециркуляции отработавших газов
        • Выпускной коллектор
      • Система питания  
        • Коллекторы и патрубки
        • Топливные фильтры
        • Турбокомпрессор
        • Топливные трубопроводы
      • Система смазки  
        • Масляный картер поддон
        • Масляный насос
        • Теплообменник /Водо-масляный радиатор
        • Фильтры масляные (ФГОМ, ФЦОМ)
      • Пневмокомпрессор и натяжное
      • Система охлаждения  
        • Водяной насос
        • Водяные трубы и патрубки
        • Муфты вязкостные, приводы, крыльчатки
      • Ремкомплекты
      • Сцепление
      • Электрооборудование
    • Запчасти ЯМЗ-650, ЯМЗ-651, DCi-11  
      • Основные запчасти двигателя  
        • Цилиндро-поршневая группа
        • Головка блока цилиндров и комплектующие
        • Блок цилиндров и комплектующие
        • Вал коленчатый и маховик
        • Выпускной коллектор
        • Вал распределительный
        • Клапаны и толкатели
        • ГУР (Гидроусилитель руля)
        • Система рециркуляции отработавших газов
      • Система питания  
        • Коллекторы и патрубки
        • Топливные трубопроводы
        • Топливные фильтры
        • Турбокомпрессор
      • Система смазки  
        • Масляный картер / поддон
        • Масляный насос
        • Теплообменник / Водо-масляный радиатор
        • Фильтры масляные (ФГОМ, ФЦОМ)
      • Система охлаждения  
        • Водяной насос
        • Водяные трубы и патрубки
        • Муфты вязкостные, приводы, крыльчатки
      • Ремкомплекты
      • Пневмокомпрессор и натяжное
      • Электрооборудование
      • Сцепление
    • Топливная аппаратура  
      • ЯЗДА  
        • Распылители
        • ТНВД
        • Форсунки
        • Топливный насос низкого давления
        • Пары плунжерные
        • Муфта опережения впрыска топлива
        • Запчасти и комплектующие ТНВД
      • НЗТА
      • АЗПИ  
        • Распылители
        • Форсунки
      • BOSCH
    • Запчасти УРАЛ  
      • Трансмиссия  
        • Коробка раздаточная
        • Передача карданная
        • Мост задний
        • Мост передний (ведущий)
        • Мост средний (промежуточный)
      • Кузов  
        • Дверь кабины
        • Капот, крылья, облицовка радиатора
        • Окно ветровое и заднее
        • Отопление и вентиляция кабины
        • Кабина
      • Механизмы управления  
        • Управление рулевое
        • Тормоза
      • Дополнительное оборудование  
        • Отбор мощности
        • Устройство седельное
      • Электрооборудование
      • Ходовая часть  
        • Колеса и ступицы
        • Ось передняя
        • Подвеска автомобиля
        • Рама
    • Запчасти МАЗ  
      • Трансмиссия  
        • Мост задний
        • Мост передний (ведущий)
        • Передача карданная
        • Мост средний (промежуточный)
      • Кузов  
        • Кабина
        • Дверь кабины
        • Детали основания кабины
        • Окно ветровое и заднее
        • Платформа
      • Механизмы управления  
        • Тормоза
        • Управление рулевое
      • Ходовая часть  
        • Колеса и ступицы
        • Ось передняя
        • Подвеска автомобиля
        • Рама
    • Запчасти КамАЗ  
      • Кузов  
        • Кабина
        • Капот, крылья, облицовка радиатора
        • Дверь кабины
        • Платформа
        • Окно ветровое и заднее
        • Устройство подъемное и опрокидывающее
        • Сиденье
        • Крыша кабины (крыша кузова)
        • Отопление и вентиляция кабины
      • Трансмиссия  
        • Коробка передач
        • Коробка раздаточная
        • Мост задний
        • Сцепление
        • Мост средний (промежуточный)
        • Передача карданная
        • Мост передний (ведущий)
      • Двигатель  
        • Основные запчасти двигателя
        • Система охлаждения
        • Система питания
        • Система смазки
      • Дополнительное оборудование  
        • Отбор мощности
        • Устройство седельное
      • Ходовая часть  
        • Подвеска автомобиля
        • Рама
        • Колеса и ступицы
        • Ось передняя
      • Механизмы управления  
        • Тормоза
        • Управление рулевое
      • Электрооборудование
    • Запчасти ММЗ
    • Ремни
  • Справочник
    • Грузовые автомобили
    • Автобусы
    • Сельхозтехника
    • Спецтехника
    • Двигатели
  • Как купить
    • Условия оплаты
    • Условия доставки
    • Гарантия на товар
    • Пункты выдачи
  • Услуги
    • Капитальный ремонт двигателей ЯМЗ
  • Акции
  • Статьи
  • Контакты
  • Компания
    • Реквизиты
    • Магазины
    • Оплата
    • Доставка
    • Лицензии и сертификаты
    • Новости
    • Вакансии
Избранное 0 Корзина 0
8-800-700-35-68

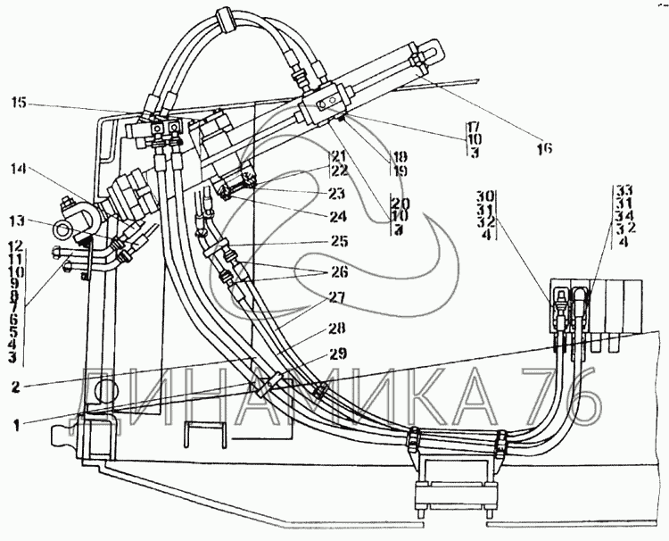
Установка гидроцилиндров на Т-20.01Я (до 2000 г.)

Справочник
Главная
-
Автокаталог
-
Спецтехника
-
Промтрактор
-
Т-20.01Я
Справочный каталог

Установка гидроцилиндров — Т-20.01Я:

2001-26-10-20СП 2001-26-10СП 1 1 2 2 3 3 3 4 4 4 5 6 7 7 8 9 9 10 10 10 11 11 12 12 13 13 14 14 15 15 16 16 17 17 18 18 19 20 20 21 21 22 23 23 24 25 25 26 26 27 27 28 28 29 29 30 30 31 31 32 32 32 33 33 34 34
в наличии
нет в наличии
масштаб

В наличии
Нет в наличии

Перечень комплектующих от Установка гидроцилиндров на Т-20.01Я

Схемы запчастей предназначены для справочных целей! Мы продаем не все запчасти от Установка гидроцилиндров на Т-20.01Я, представленные в этом списке.
Наличие на складах по деталям с ценой смотрите в карточке товара.
Артикул: 2001-26-10-20СП
нет в наличии
Установка гидроцилиндров
Количество на схеме: 1
Информация
Установка гидроцилиндров
Количество
1
Артикул: 2001-26-10СП
нет в наличии
Установка гидроцилиндров
Количество на схеме: 1
Информация
Установка гидроцилиндров
Количество
1
1
1
Артикул: 3501-26-177-09-20СП
нет в наличии
Рукав d25
Количество на схеме: 1
Информация
Рукав d25
Количество
1
1
1
Артикул: 3501-26-177-09СП
нет в наличии
Рукав d25
Количество на схеме: 1
Информация
Рукав d25
Количество
1
2
2
Артикул: 404-26-118-05-20СП
нет в наличии
Рукав диаметр 25
Количество на схеме: 1
Информация
Рукав диаметр 25
Количество
1
2
2
Артикул: 404-26-118-05СП
нет в наличии
Рукав диаметр 25
Количество на схеме: 1
Информация
Рукав диаметр 25
Количество
1
3
3
Артикул: Кольцо-002-028-36-2-3
нет в наличии
Кольцо 002-028-36-2-3
Количество на схеме: 51
Информация
Кольцо 002-028-36-2-3
Количество
51
4
4
Артикул: Шайба-12-ОТ-65Г
нет в наличии
Шайба 12.ОТ.65Г
Количество на схеме: 48
Информация
Шайба 12.ОТ.65Г
Количество
48
5
5
Артикул: Шайба-10-ОТ-65Г
нет в наличии
Шайба 10.ОТ.65Г
Количество на схеме: 112
Информация
Шайба 10.ОТ.65Г
Количество
112
6
6
Артикул: Гайка-М12-6Н-6
нет в наличии
Гайка М12-6Н.6
Количество на схеме: 4
Информация
Гайка М12-6Н.6
Количество
4
7
7
Артикул: 280383
нет в наличии
Болт 3М12х85 ГОСТ 7796-70
Количество на схеме: 2
Информация
Болт 3М12х85 ГОСТ 7796-70
Количество
2
Покрытие
без покрытия
7
7
Артикул: 280383-20
нет в наличии
Болт 3М12-6gх85
Количество на схеме: 2
Информация
Болт 3М12-6gх85
Количество
2
Покрытие
8
8
Артикул: Болт-М10-6gх30
нет в наличии
Болт М10-6gх30
Количество на схеме: 112
Информация
Болт М10-6gх30
Количество
112
9
9
Артикул: 400-26-55
нет в наличии
Заглушка
Количество на схеме: 2
Информация
Заглушка
Количество
2
9
9
Артикул: 400-26-55-20
нет в наличии
Заглушка
Количество на схеме: 2
Информация
Заглушка
Количество
2
10
10
Артикул: 2001-26-193
нет в наличии
Кольцо защитное
Количество на схеме: 51
Информация
Кольцо защитное
Количество
51
11
11
Артикул: 2001-26-125
нет в наличии
Фланец
Количество на схеме: 70
Информация
Фланец
Количество
70
11
11
Артикул: 2001-26-125-20
нет в наличии
Фланец
Количество на схеме: 70
Информация
Фланец
Количество
70
12
12
Артикул: 2001-26-73-20СП
нет в наличии
Трубопровод
Количество на схеме: 1
Информация
Трубопровод
Количество
1
12
12
Артикул: 2001-26-73СП
нет в наличии
Трубопровод
Количество на схеме: 1
Информация
Трубопровод
Количество
1
13
13
Артикул: 2001-26-37-20СП
нет в наличии
Рукав d16
Количество на схеме: 1
Информация
Рукав d16
Количество
1
13
13
Артикул: 2001-26-37СП
нет в наличии
Рукав d16
Количество на схеме: 1
Информация
Рукав d16
Количество
1
14
14
Артикул: 2001-26-37-01-20СП
нет в наличии
Рукав d16
Количество на схеме: 1
Информация
Рукав d16
Количество
1
14
14
Артикул: 2001-26-37-01СП
нет в наличии
Рукав d16
Количество на схеме: 1
Информация
Рукав d16
Количество
1
15
15
Артикул: 700-41-2151-20-СП
нет в наличии
Масленка
Количество на схеме: 6
Информация
Масленка
Количество
6
15
15
Артикул: 700-41-2151-СП
нет в наличии
Масленка
Количество на схеме: 6
Информация
Масленка
Количество
6
16
16
Артикул: 2001-26-501-20СП
нет в наличии
Гидроцилиндр d.125
Количество на схеме: 2
Информация
Гидроцилиндр d.125
Количество
2
16
16
Артикул: 2001-26-501СП
нет в наличии
Гидроцилиндр d.125
Количество на схеме: 2
Информация
Гидроцилиндр d.125
Количество
2
17
17
Артикул: 2001-26-191
нет в наличии
Заглушка
Количество на схеме: 2
Информация
Заглушка
Количество
2
17
17
Артикул: 2001-26-191-20
нет в наличии
Заглушка
Количество на схеме: 2
Информация
Заглушка
Количество
2
18
18
Артикул: 375245
нет в наличии
Пробка
Количество на схеме: 2
Информация
Пробка
Количество
2
Покрытие
без покрытия
18
18
Артикул: 375245-20
нет в наличии
Пробка
Количество на схеме: 2
Информация
Пробка
Количество
2
Покрытие
19
19
Артикул: Кольцо-007-011-25-2-51-1668-/-ТУ-31-005-
нет в наличии
Кольцо 007-011-25-2-51-1668 / ТУ 31.005.204-84
Количество на схеме: 2
Информация
Кольцо 007-011-25-2-51-1668 / ТУ 31.005.204-84
Количество
2
20
20
Артикул: 2001-26-190
нет в наличии
Заглушка
Количество на схеме: 2
Информация
Заглушка
Количество
2
20
20
Артикул: 2001-26-190-20
нет в наличии
Заглушка
Количество на схеме: 2
Информация
Заглушка
Количество
2
21
21
Артикул: 280544
нет в наличии
Болт М16х1,5-6gх45.109.40Х019 ГОСТ 7796-70
Количество на схеме: 25
Информация
Болт М16х1,5-6gх45.109.40Х019 ГОСТ 7796-70
Количество
25
Покрытие
без покрытия
21
21
Артикул: 280544-20
нет в наличии
Болт М16х1,5-6gх45.109.40Х029 ГОСТ 7796-70
Количество на схеме: 25
Информация
Болт М16х1,5-6gх45.109.40Х029 ГОСТ 7796-70
Количество
25
Покрытие
22
22
Артикул: Шайба-16-ОТ-65Г
нет в наличии
Шайба 16.ОТ.65Г
Количество на схеме: 33
Информация
Шайба 16.ОТ.65Г
Количество
33
23
23
Артикул: 2001-26-132
нет в наличии
Заглушка
Количество на схеме: 4
Информация
Заглушка
Количество
4
23
23
Артикул: 2001-26-132-20
нет в наличии
Заглушка
Количество на схеме: 4
Информация
Заглушка
Количество
4
24
24
Артикул: 2001-26-120
нет в наличии
Крышка
Количество на схеме: 4
Информация
Крышка
Количество
4
25
25
Артикул: 2601-28-60
нет в наличии
Бугель
Количество на схеме: 1
Информация
Бугель
Количество
1
25
25
Артикул: 2601-28-60-20
нет в наличии
Бугель
Количество на схеме: 1
Информация
Бугель
Количество
1
26
26
Артикул: 2001-26-74-20СП
нет в наличии
Трубопровод
Количество на схеме: 2
Информация
Трубопровод
Количество
2
26
26
Артикул: 2001-26-74СП
нет в наличии
Трубопровод
Количество на схеме: 2
Информация
Трубопровод
Количество
2
27
27
Артикул: 2001-26-37-02-20СП
нет в наличии
Рукав d16
Количество на схеме: 1
Информация
Рукав d16
Количество
1
27
27
Артикул: 2001-26-37-02СП
нет в наличии
Рукав d16
Количество на схеме: 1
Информация
Рукав d16
Количество
1
28
28
Артикул: 2001-26-37-03-20СП
нет в наличии
Рукав d16
Количество на схеме: 1
Информация
Рукав d16
Количество
1
28
28
Артикул: 2001-26-37-03СП
нет в наличии
Рукав d16
Количество на схеме: 1
Информация
Рукав d16
Количество
1
29
29
Артикул: 2501-98-551
нет в наличии
Бугель
Количество на схеме: 1
Информация
Бугель
Количество
1
29
29
Артикул: 2501-98-551-20
нет в наличии
Бугель
Количество на схеме: 1
Информация
Бугель
Количество
1
30
30
Артикул: 2001-26-184
нет в наличии
Фланец
Количество на схеме: 1
Информация
Фланец
Количество
1
30
30
Артикул: 2001-26-184-20
нет в наличии
Фланец
Количество на схеме: 1
Информация
Фланец
Количество
1
31
31
Артикул: 440038
нет в наличии
Кольцо защитное
Количество на схеме: 6
Информация
Кольцо защитное
Количество
6
Покрытие
без покрытия
32
32
Артикул: 280366
нет в наличии
Болт М12-6gх75
Количество на схеме: 8
Информация
Болт М12-6gх75
Количество
8
Покрытие
без покрытия
32
32
Артикул: 280366-20
нет в наличии
Болт М12-6gх75
Количество на схеме: 8
Информация
Болт М12-6gх75
Количество
8
Покрытие
33
33
Артикул: 2001-26-183
нет в наличии
Фланец
Количество на схеме: 1
Информация
Фланец
Количество
1
33
33
Артикул: 2001-26-183-20
нет в наличии
Фланец
Количество на схеме: 1
Информация
Фланец
Количество
1
34
34
Артикул: 280348
нет в наличии
Болт М12х1,25-6gх35.88.45.019 ГОСТ 7796-70
Количество на схеме: 14
Информация
Болт М12х1,25-6gх35.88.45.019 ГОСТ 7796-70
Количество
14
Покрытие
без покрытия
34
34
Артикул: 280348-20
нет в наличии
Болт М12х1,25-6gх35.88.45.029 ГОСТ 7796-70
Количество на схеме: 14
Информация
Болт М12х1,25-6gх35.88.45.029 ГОСТ 7796-70
Количество
14
Покрытие
  • Грузовые автомобили
  • Автобусы
  • Сельхозтехника
  • Спецтехника
  • Двигатели
Получить оптовый прайс-лист
Скачать прайс-лист от 07.05.2026 08:00
Специальное предложение от 07.05.2026 09:00
Производители:


  • WEICHAI
  • Автодизель ПАО (ЯМЗ)
  • Тутаевский МЗ
  • ЯЗДА
  • УралАЗ
  • МАЗ
  • АЗПИ
  • BOSCH
  • ММЗ
  • ШААЗ
  • FEDERAL MOGUL
  • ПРАМО
  • Мотордеталь
  • ТАИМ
  • АвтоКрАЗ
  • БЕЛКАРД
  • CZ Strakonice
  • КамАЗ
  • БЗА
  • ЧМЗ
  • BMZ
Новости
Все новости
25 марта 2024
Флагманский седельный тягач «Валдай 45» на выставке «TransRussia»
10 марта 2024
Современные автобусы «CITYMAX 9» и ЛиАЗ-5292 CNG
25 февраля 2024
Серийное производство средних дизельных двигателей повышенной мощности от ЯМЗ
Статьи
Все статьи
Датчики двигателя: за что они отвечают, признаки неисправности и как не прогадать с выбором
Двигатели ЯМЗ-534: история, технические характеристики и области применения
Двигатели ЯМЗ 650: углублённый технический обзор и история
Компания
О компании
Реквизиты
Новости
Политика
Магазины
Информация
Условия оплаты
Условия доставки
Гарантия на товар
Обмен и возврат товара
Помощь
Как оформить заказ
Полезные статьи
Бренды
Пункты выдачи
Оставайтесь на связи
  • Вконтакте
  • YouTube
  • Одноклассники
  • Google Plus
Увидели ошибку?
Выделите, нажав Ctrl + Enter
Наши контакты
8-800-700-35-68
sales@din76.ru
г. Ярославль, Ленинградский пр-т 33, ТЦ "ОМЕГА"
2026 © ООО «Динамика 76» - Все права защищены ООО "Динамика 76"
Предложения на сайте не являются публичной офертой.
На сайте обнаружена ошибка

Текст с ошибкой