Избранное 0 Корзина 0 Личный кабинет
logo
Каталог
Каталог
  • Справочник
    • Грузовые автомобили
    • Автобусы
    • Сельхозтехника
    • Спецтехника
    • Двигатели
  • Доставка
  • Оплата
  • О компании
    • Реквизиты
    • Магазины
    • Оплата
    • Доставка
    • Лицензии и сертификаты
    • Новости
    • Вакансии
  • Контакты
Отправить заявку
Личный кабинет
8 (800) 700-35-68
sales@din76.ru
Избранное 0 Корзина 0
8 (800) 700-35-68
Оптовый прайс-лист
Каталог
  • Двигатели
  • Запчасти WEICHAI
  • Запчасти ЯМЗ, ТМЗ (V-образные)
  • Запчасти ЯМЗ-534, ЯМЗ-536
  • Запчасти ЯМЗ-650, ЯМЗ-651, DCi-11
  • Топливная аппаратура
  • Запчасти УРАЛ
  • Запчасти МАЗ
  • Запчасти КамАЗ
  • Запчасти ММЗ
  • Ремни
Автокаталог (справочник)
  • Доставка
  • Оплата
  • О компании
  • Контакты
8 (800) 700-35-68
Написать в Whatsapp
sales@din76.ru
Динамика 76
Меню  
  • Каталог
    • Двигатели  
      • Двигатели ТМЗ  
        • Двигатели ТМЗ для автомобилей
        • Двигатели ТМЗ для тракторов
        • Специальные двигатели ТМЗ
        • Промышленные двигатели ТМЗ
      • Двигатели ЯМЗ  
        • ЯМЗ 236
        • ЯМЗ 238
        • ЯМЗ 240
        • ЯМЗ 751
        • ЯМЗ 840
        • ЯМЗ 850
        • ЯМЗ 656
        • ЯМЗ 658
        • ЯМЗ 534
        • ЯМЗ 536
        • ЯМЗ 650
        • Двигатели ЯМЗ для электростанций
      • Двигатели КАМАЗ
      • Двигатели ММЗ
      • Двигатели индивидуальной сборки
      • Комплекты переоборудования
    • Запчасти WEICHAI  
      • Основные запчасти двигателя  
        • Клапаны и толкатели
        • Шатуны
        • Вал коленчатый и маховик
        • Вал распределительный
        • Цилиндро-поршневая группа
      • Система питания  
        • Форсунки
        • Турбокомпрессор
      • Система смазки  
        • Насос масляный
      • Головка блока
      • Ремкомплекты
      • Система охлаждения  
        • Насос водяной
        • Муфта вязкостная и крыльчатка
      • Фильтры
      • Электрооборудование  
        • Генератор
        • Стартер
    • Запчасти ЯМЗ, ТМЗ (V-образные)  
      • Основные запчасти двигателя  
        • Блок двигателя и комплектующие
        • Валы распределительные и клапаны
        • Головка блока и комплектующие
        • Цилиндро-поршневая группа
        • Маховики и комплектующие
        • Валы коленчатые и комплектующие
        • Шатуны и комплектующие
      • Система питания  
        • Коллекторы и патрубки
        • Топливные трубопроводы
        • Турбокомпрессор
        • Топливные фильтры
      • Электрооборудование двигателя
      • Система охлаждения  
        • Вязкостные муфты и крыльчатки
        • Приводы вентилятора
        • Водяные насосы
        • Водяные трубы и термостаты
      • Коробки переключения передач  
        • 8 Ступенчатые КПП
        • 5 Ступенчатые КПП
        • 9 Ступенчатые КПП
        • Запасные части КПП ЯМЗ, ТМЗ
      • Система смазки  
        • Теплообменник и комплектующие
        • Масляные насосы
        • Фильтры масляные (ФГОМ, ФЦОМ)
      • Сцепление  
        • Запасные части механизма сцепления
        • Муфты (подшипники выжимные)
        • Корзины (диски нажимные)
        • Диски ведомые
      • Прочие запчасти двигателя  
        • Ремкомплекты
        • Привод агрегатов
        • Натяжные устройства
        • Трубки
    • Запчасти ЯМЗ-534, ЯМЗ-536  
      • Основные запчасти двигателя  
        • Цилиндро-поршневая группа
        • Головка блока цилиндров и комплектующие
        • Блок цилиндров и комплектующие
        • Вал коленчатый и маховик
        • Вал распределительный
        • Клапаны и толкатели
        • ГУР (Гидроусилитель руля)
        • Система рециркуляции отработавших газов
        • Выпускной коллектор
      • Система питания  
        • Коллекторы и патрубки
        • Топливные фильтры
        • Турбокомпрессор
        • Топливные трубопроводы
      • Система смазки  
        • Масляный картер поддон
        • Масляный насос
        • Теплообменник /Водо-масляный радиатор
        • Фильтры масляные (ФГОМ, ФЦОМ)
      • Пневмокомпрессор и натяжное
      • Система охлаждения  
        • Водяной насос
        • Водяные трубы и патрубки
        • Муфты вязкостные, приводы, крыльчатки
      • Ремкомплекты
      • Сцепление
      • Электрооборудование
    • Запчасти ЯМЗ-650, ЯМЗ-651, DCi-11  
      • Основные запчасти двигателя  
        • Цилиндро-поршневая группа
        • Головка блока цилиндров и комплектующие
        • Блок цилиндров и комплектующие
        • Вал коленчатый и маховик
        • Выпускной коллектор
        • Вал распределительный
        • Клапаны и толкатели
        • ГУР (Гидроусилитель руля)
        • Система рециркуляции отработавших газов
      • Система питания  
        • Коллекторы и патрубки
        • Топливные трубопроводы
        • Топливные фильтры
        • Турбокомпрессор
      • Система смазки  
        • Масляный картер / поддон
        • Масляный насос
        • Теплообменник / Водо-масляный радиатор
        • Фильтры масляные (ФГОМ, ФЦОМ)
      • Система охлаждения  
        • Водяной насос
        • Водяные трубы и патрубки
        • Муфты вязкостные, приводы, крыльчатки
      • Ремкомплекты
      • Пневмокомпрессор и натяжное
      • Электрооборудование
      • Сцепление
    • Топливная аппаратура  
      • ЯЗДА  
        • Распылители
        • ТНВД
        • Форсунки
        • Топливный насос низкого давления
        • Пары плунжерные
        • Муфта опережения впрыска топлива
        • Запчасти и комплектующие ТНВД
      • НЗТА
      • АЗПИ  
        • Распылители
        • Форсунки
      • BOSCH
    • Запчасти УРАЛ  
      • Трансмиссия  
        • Коробка раздаточная
        • Передача карданная
        • Мост задний
        • Мост передний (ведущий)
        • Мост средний (промежуточный)
      • Кузов  
        • Дверь кабины
        • Капот, крылья, облицовка радиатора
        • Окно ветровое и заднее
        • Отопление и вентиляция кабины
        • Кабина
      • Механизмы управления  
        • Управление рулевое
        • Тормоза
      • Дополнительное оборудование  
        • Отбор мощности
        • Устройство седельное
      • Электрооборудование
      • Ходовая часть  
        • Колеса и ступицы
        • Ось передняя
        • Подвеска автомобиля
        • Рама
    • Запчасти МАЗ  
      • Трансмиссия  
        • Мост задний
        • Мост передний (ведущий)
        • Передача карданная
        • Мост средний (промежуточный)
      • Кузов  
        • Кабина
        • Дверь кабины
        • Детали основания кабины
        • Окно ветровое и заднее
        • Платформа
      • Механизмы управления  
        • Тормоза
        • Управление рулевое
      • Ходовая часть  
        • Колеса и ступицы
        • Ось передняя
        • Подвеска автомобиля
        • Рама
    • Запчасти КамАЗ  
      • Кузов  
        • Кабина
        • Капот, крылья, облицовка радиатора
        • Дверь кабины
        • Платформа
        • Окно ветровое и заднее
        • Устройство подъемное и опрокидывающее
        • Сиденье
        • Крыша кабины (крыша кузова)
        • Отопление и вентиляция кабины
      • Трансмиссия  
        • Коробка передач
        • Коробка раздаточная
        • Мост задний
        • Сцепление
        • Мост средний (промежуточный)
        • Передача карданная
        • Мост передний (ведущий)
      • Двигатель  
        • Основные запчасти двигателя
        • Система охлаждения
        • Система питания
        • Система смазки
      • Дополнительное оборудование  
        • Отбор мощности
        • Устройство седельное
      • Ходовая часть  
        • Подвеска автомобиля
        • Рама
        • Колеса и ступицы
        • Ось передняя
      • Механизмы управления  
        • Тормоза
        • Управление рулевое
      • Электрооборудование
    • Запчасти ММЗ
    • Ремни
  • Справочник
    • Грузовые автомобили
    • Автобусы
    • Сельхозтехника
    • Спецтехника
    • Двигатели
  • Как купить
    • Условия оплаты
    • Условия доставки
    • Гарантия на товар
    • Пункты выдачи
  • Услуги
    • Капитальный ремонт двигателей ЯМЗ
  • Акции
  • Статьи
  • Контакты
  • Компания
    • Реквизиты
    • Магазины
    • Оплата
    • Доставка
    • Лицензии и сертификаты
    • Новости
    • Вакансии
Избранное 0 Корзина 0
8-800-700-35-68

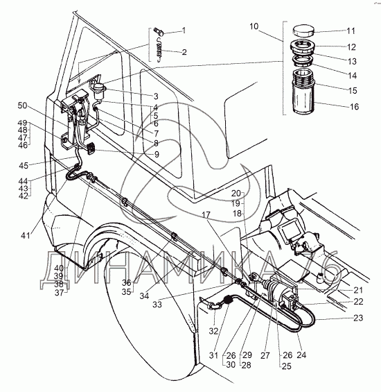
Привод управления сцеплением на МЗКТ-8006 (до 2010 г.)

Справочник
Главная
-
Автокаталог
-
Спецтехника
-
МЗКТ
-
МЗКТ-8006
Справочный каталог

Привод управления сцеплением — МЗКТ-8006:

6923-1600005 6923-1600006 8006-1600004 1 2 3 4 5 6 7 8 9 10 11 12 13 14 15 16 17 18 19 20 21 22 23 24 25 26 26 27 28 29 30 31 32 33 34 35 36 37 38 39 40 41 42 43 44 45 46 47 48 49 50
в наличии
нет в наличии
масштаб

В наличии
Нет в наличии

Перечень комплектующих от Привод управления сцеплением на МЗКТ-8006

Схемы запчастей предназначены для справочных целей! Мы продаем не все запчасти от Привод управления сцеплением на МЗКТ-8006, представленные в этом списке.
Наличие на складах по деталям с ценой смотрите в карточке товара.
Артикул: 6923-1600005
нет в наличии
Установка механизма управления сцеплением
Количество на схеме: 1
Информация
Установка механизма управления сцеплением
Количество
1
Модель
6923
Группа
Сцепление
Подгруппа
1600
Порядковый номер детали
005
Артикул: 6923-1600006
нет в наличии
Установка усилителя пневмогидравлического
Количество на схеме: 1
Информация
Установка усилителя пневмогидравлического
Количество
1
Модель
6923
Группа
Сцепление
Подгруппа
1600
Порядковый номер детали
006
Артикул: 8006-1600004
нет в наличии
Установка привода управления сцеплением
Количество на схеме: 1
Информация
Установка привода управления сцеплением
Количество
1
Модель
8006
Группа
Сцепление
Подгруппа
1600
Порядковый номер детали
004
1
1
Артикул: 201422
нет в наличии
Болт М6-6gх25
Количество на схеме: 1
Информация
Болт М6-6gх25
Количество
1
Покрытие
без покрытия
2
2
Артикул: 500-5001146
в наличии
Пружина-ограничитель
Количество на схеме: 1
Информация
Пружина-ограничитель
Количество
1
Модель
500
Группа
Кабина (Кузов)
Подгруппа
Крепление кабины (кузова)
Порядковый номер детали
146
Пружина МАЗ привода подачи топлива ОАО МАЗ
Артикул: 500-5001146
Пружина МАЗ привода подачи топлива ОАО МАЗ
Код для заказа: 00048973
Цена: 61 ₽/шт.
Под заказ
Пружина МАЗ привода подачи топлива ОАО МАЗ
Артикул: 500-5001146
Код для заказа: 00048973
Пружина МАЗ привода подачи топлива ОАО МАЗ
Цена: 61 ₽/шт.
Под заказ
3
3
Артикул: 6923-1602164
нет в наличии
Кронштейн
Количество на схеме: 1
Информация
Кронштейн
Количество
1
Модель
6923
Группа
Сцепление
Подгруппа
Педаль и привод управления сцеплением
Порядковый номер детали
164
4
4
Артикул: 379277
нет в наличии
Муфта конусная 6
Количество на схеме: 2
Информация
Муфта конусная 6
Количество
2
Покрытие
без покрытия
5
5
Артикул: 379737
в наличии
Угольник
Количество на схеме: 1
Информация
Угольник
Количество
1
Покрытие
без покрытия
Угольник МАЗ компрессора ОАО МАЗ
Артикул: 379737
Угольник МАЗ компрессора ОАО МАЗ
Код для заказа: 00059656
Цена: 1 656 ₽/шт.
Под заказ
Угольник МАЗ компрессора ОАО МАЗ
Артикул: 379737
Код для заказа: 00059656
Угольник МАЗ компрессора ОАО МАЗ
Цена: 1 656 ₽/шт.
Под заказ
6
6
Артикул: 401120
нет в наличии
Гайка накидная
Количество на схеме: 2
Информация
Гайка накидная
Количество
2
Покрытие
без покрытия
7
7
Артикул: 535А-3724015
нет в наличии
Втулка резиновая
Количество на схеме: 1
Информация
Втулка резиновая
Количество
1
Модель
535А
Группа
Электрооборудование
Подгруппа
Электропровода
Порядковый номер детали
015
8
8
Артикул: 6923-1602136
нет в наличии
Трубопровод
Количество на схеме: 1
Информация
Трубопровод
Количество
1
Модель
6923
Группа
Сцепление
Подгруппа
Педаль и привод управления сцеплением
Порядковый номер детали
136
9
9
Артикул: 5336-1602029
в наличии
Подушка педали
Количество на схеме: 1
Информация
Подушка педали
Количество
1
Модель
5336
Группа
Сцепление
Подгруппа
Педаль и привод управления сцеплением
Порядковый номер детали
029
Накладка педали МАЗ тормоза и сцепления
Артикул: 5336-1602029
Накладка педали МАЗ тормоза и сцепления
Код для заказа: 00039877
Цена: 56 ₽/шт.
Под заказ
Накладка педали МАЗ тормоза и сцепления
Артикул: 5336-1602029
Код для заказа: 00039877
Накладка педали МАЗ тормоза и сцепления
Цена: 56 ₽/шт.
Под заказ
10
10
Артикул: 6923-1602250
нет в наличии
Бачок
Количество на схеме: 1
Информация
Бачок
Количество
1
Модель
6923
Группа
Сцепление
Подгруппа
Педаль и привод управления сцеплением
Порядковый номер детали
250
11
11
Артикул: 6923-1602258
нет в наличии
Крышка
Количество на схеме: 1
Информация
Крышка
Количество
1
Модель
6923
Группа
Сцепление
Подгруппа
Педаль и привод управления сцеплением
Порядковый номер детали
258
12
12
Артикул: 6923-1602262
нет в наличии
Гайка бачка
Количество на схеме: 1
Информация
Гайка бачка
Количество
1
Модель
6923
Группа
Сцепление
Подгруппа
Педаль и привод управления сцеплением
Порядковый номер детали
262
13
13
Артикул: 0000-1716753
нет в наличии
Кольцо 035-040-30-2-2
Количество на схеме: 1
Информация
Кольцо 035-040-30-2-2
Количество
1
Модель
0000
Группа
Коробка передач
Подгруппа
1716
Порядковый номер детали
753
14
14
Артикул: 6923-1602260
нет в наличии
Крышка
Количество на схеме: 1
Информация
Крышка
Количество
1
Модель
6923
Группа
Сцепление
Подгруппа
Педаль и привод управления сцеплением
Порядковый номер детали
260
15
15
Артикул: 400405
нет в наличии
Кольцо Б45
Количество на схеме: 1
Информация
Кольцо Б45
Количество
1
Покрытие
без покрытия
16
16
Артикул: 6923-1602252
нет в наличии
Корпус
Количество на схеме: 1
Информация
Корпус
Количество
1
Модель
6923
Группа
Сцепление
Подгруппа
Педаль и привод управления сцеплением
Порядковый номер детали
252
17
17
Артикул: 6923-1609252-10
нет в наличии
Рычаг
Количество на схеме: 1
Информация
Рычаг
Количество
1
Модель
6923
Группа
Сцепление
Подгруппа
Усилитель привода управления сцеплением
Порядковый номер детали
252
Дополнительно
Не взаимозаменяема с деталью, выпущенной ранее под этим же номером
18
18
Артикул: 252007
нет в наличии
Шайба 12
Количество на схеме: 1
Информация
Шайба 12
Количество
1
Покрытие
без покрытия
19
19
Артикул: 258053
нет в наличии
Шплинт 4х25
Количество на схеме: 1
Информация
Шплинт 4х25
Количество
1
Покрытие
без покрытия
20
20
Артикул: 260089
нет в наличии
Палец 12х40
Количество на схеме: 1
Информация
Палец 12х40
Количество
1
Покрытие
без покрытия
21
21
Артикул: 6923-1609010-10
нет в наличии
Кронштейн
Количество на схеме: 1
Информация
Кронштейн
Количество
1
Модель
6923
Группа
Сцепление
Подгруппа
Усилитель привода управления сцеплением
Порядковый номер детали
010
Дополнительно
Не взаимозаменяема с деталью, выпущенной ранее под этим же номером
22
22
Артикул: 402720
нет в наличии
Угольник
Количество на схеме: 1
Информация
Угольник
Количество
1
Покрытие
без покрытия
23
23
Артикул: 547А-1721240
нет в наличии
Шланг
Количество на схеме: 1
Информация
Шланг
Количество
1
Модель
547А
Группа
Коробка передач
Подгруппа
1721
Порядковый номер детали
240
24
24
Артикул: 547А-1712400-10
нет в наличии
Шланг
Количество на схеме: 1
Информация
Шланг
Количество
1
Модель
547А
Группа
Коробка передач
Подгруппа
1712
Порядковый номер детали
400
Дополнительно
Не взаимозаменяема с деталью, выпущенной ранее под этим же номером
25
25
Артикул: 370906
нет в наличии
Болт М10-6gх30
Количество на схеме: 5
Информация
Болт М10-6gх30
Количество
5
Покрытие
без покрытия
26
26
Артикул: 252136
нет в наличии
Шайба 10 ОТ
Количество на схеме: 6
Информация
Шайба 10 ОТ
Количество
6
Покрытие
без покрытия
27
27
Артикул: 69237-1609200
нет в наличии
Усилитель пневмогидравлический
Количество на схеме: 1
Информация
Усилитель пневмогидравлический
Количество
1
Модель
69237
Группа
Сцепление
Подгруппа
Усилитель привода управления сцеплением
Порядковый номер детали
200
28
28
Артикул: 250515
в наличии
Гайка М12х1,25-6Н
Количество на схеме: 2
Информация
Гайка М12х1,25-6Н
Количество
2
Покрытие
без покрытия
Болт М12х1.25х200 рессоры центровой МАЗ с гайкой
Артикул: 250515
Болт М12х1.25х200 рессоры центровой МАЗ с гайкой
Код для заказа: 00022600
Цена: 85 ₽/шт.
Под заказ
Болт М12х1.25х200 рессоры центровой МАЗ с гайкой
Артикул: 250515
Код для заказа: 00022600
Болт М12х1.25х200 рессоры центровой МАЗ с гайкой
Цена: 85 ₽/шт.
Под заказ
29
29
Артикул: 252137
нет в наличии
Шайба 12 ОТ
Количество на схеме: 2
Информация
Шайба 12 ОТ
Количество
2
Покрытие
без покрытия
30
30
Артикул: 200317
нет в наличии
Болт М10-6gх45
Количество на схеме: 1
Информация
Болт М10-6gх45
Количество
1
Покрытие
без покрытия
31
31
Артикул: 547А-1015045
нет в наличии
Втулка
Количество на схеме: 1
Информация
Втулка
Количество
1
Модель
547А
Группа
Двигатель
Подгруппа
Подогреватель пусковой двигателя
Порядковый номер детали
045
32
32
Артикул: 379650
в наличии
Угольник
Количество на схеме: 1
Информация
Угольник
Количество
1
Покрытие
без покрытия
Угольник МАЗ М20х1,5-1/4 ОАО МАЗ
Артикул: 379650
Угольник МАЗ М20х1,5-1/4 ОАО МАЗ
Код для заказа: 00059663
Цена: 325 ₽/шт.
Под заказ
Угольник МАЗ М20х1,5-1/4 ОАО МАЗ
Артикул: 379650
Код для заказа: 00059663
Угольник МАЗ М20х1,5-1/4 ОАО МАЗ
Цена: 325 ₽/шт.
Под заказ
33
33
Артикул: 79092-5009069
нет в наличии
Переходник
Количество на схеме: 1
Информация
Переходник
Количество
1
Модель
79092
Группа
Кабина (Кузов)
Подгруппа
5009
Порядковый номер детали
069
34
34
Артикул: 6923-1602154
нет в наличии
Трубка
Количество на схеме: 1
Информация
Трубка
Количество
1
Модель
6923
Группа
Сцепление
Подгруппа
Педаль и привод управления сцеплением
Порядковый номер детали
154
35
35
Артикул: 547А-3724872
нет в наличии
Втулка
Количество на схеме: 5
Информация
Втулка
Количество
5
Модель
547А
Группа
Электрооборудование
Подгруппа
Электропровода
Порядковый номер детали
872
36
36
Артикул: 315406
нет в наличии
Кляммер
Количество на схеме: 5
Информация
Кляммер
Количество
5
Покрытие
без покрытия
37
37
Артикул: 535Б-3506379-01
нет в наличии
Ниппель угловой
Количество на схеме: 1
Информация
Ниппель угловой
Количество
1
Модель
535Б
Группа
Тормоза
Подгруппа
Трубопроводы пневмотормозов
Порядковый номер детали
379
38
38
Артикул: 252016
нет в наличии
Шайба 14
Количество на схеме: 1
Информация
Шайба 14
Количество
1
Покрытие
без покрытия
39
39
Артикул: 252158
нет в наличии
Шайба 14Л
Количество на схеме: 1
Информация
Шайба 14Л
Количество
1
Покрытие
без покрытия
40
40
Артикул: 374619-01
нет в наличии
Гайка 2М14х1,5-6Н
Количество на схеме: 1
Информация
Гайка 2М14х1,5-6Н
Количество
1
Покрытие
без покрытия
41
41
Артикул: 543-3506410-А
нет в наличии
Шланг тормозов
Количество на схеме: 1
Информация
Шланг тормозов
Количество
1
Модель
543
Группа
Тормоза
Подгруппа
Трубопроводы пневмотормозов
Порядковый номер детали
410
42
42
Артикул: 250661
нет в наличии
Гайка М24х2-6Н
Количество на схеме: 1
Информация
Гайка М24х2-6Н
Количество
1
Покрытие
без покрытия
43
43
Артикул: 252163
нет в наличии
Шайба 24Л
Количество на схеме: 1
Информация
Шайба 24Л
Количество
1
Покрытие
без покрытия
44
44
Артикул: 79301-1602134
нет в наличии
Переходник
Количество на схеме: 1
Информация
Переходник
Количество
1
Модель
79301
Группа
Сцепление
Подгруппа
Педаль и привод управления сцеплением
Порядковый номер детали
134
45
45
Артикул: 69237-1602178
нет в наличии
Трубка
Количество на схеме: ;
Информация
Трубка
Количество
;
Группа
Сцепление
Подгруппа
Педаль и привод управления сцеплением
Порядковый номер детали
178
46
46
Артикул: 250510
нет в наличии
Гайка М8х1-6Н
Количество на схеме: 4
Информация
Гайка М8х1-6Н
Количество
4
Покрытие
без покрытия
47
47
Артикул: 201458
нет в наличии
Болт М8-6gх25
Количество на схеме: 4
Информация
Болт М8-6gх25
Количество
4
Покрытие
без покрытия
48
48
Артикул: 252135
нет в наличии
Шайба 8Т
Количество на схеме: 4
Информация
Шайба 8Т
Количество
4
Покрытие
без покрытия
49
49
Артикул: 252005
нет в наличии
Шайба 8
Количество на схеме: 8
Информация
Шайба 8
Количество
8
Покрытие
без покрытия
50
50
Артикул: 69237-1602010
нет в наличии
Механизм управления сцеплением
Количество на схеме: 1
Информация
Механизм управления сцеплением
Количество
1
Модель
69237
Группа
Сцепление
Подгруппа
Педаль и привод управления сцеплением
Порядковый номер детали
010
  • Грузовые автомобили
  • Автобусы
  • Сельхозтехника
  • Спецтехника
  • Двигатели
Получить оптовый прайс-лист
Скачать прайс-лист от 25.05.2026 16:00
Специальное предложение от 25.05.2026 17:00
Производители:


  • WEICHAI
  • Автодизель ПАО (ЯМЗ)
  • Тутаевский МЗ
  • ЯЗДА
  • УралАЗ
  • МАЗ
  • АЗПИ
  • BOSCH
  • ММЗ
  • ШААЗ
  • FEDERAL MOGUL
  • ПРАМО
  • Мотордеталь
  • ТАИМ
  • АвтоКрАЗ
  • БЕЛКАРД
  • CZ Strakonice
  • КамАЗ
  • БЗА
  • ЧМЗ
  • BMZ
Новости
Все новости
25 марта 2024
Флагманский седельный тягач «Валдай 45» на выставке «TransRussia»
10 марта 2024
Современные автобусы «CITYMAX 9» и ЛиАЗ-5292 CNG
25 февраля 2024
Серийное производство средних дизельных двигателей повышенной мощности от ЯМЗ
Статьи
Все статьи
Датчики двигателя: за что они отвечают, признаки неисправности и как не прогадать с выбором
Двигатели ЯМЗ-534: история, технические характеристики и области применения
Двигатели ЯМЗ 650: углублённый технический обзор и история
Компания
О компании
Реквизиты
Новости
Политика
Магазины
Информация
Условия оплаты
Условия доставки
Гарантия на товар
Обмен и возврат товара
Помощь
Как оформить заказ
Полезные статьи
Бренды
Пункты выдачи
Оставайтесь на связи
  • Вконтакте
  • YouTube
  • Одноклассники
  • Google Plus
Увидели ошибку?
Выделите, нажав Ctrl + Enter
Наши контакты
8-800-700-35-68
sales@din76.ru
г. Ярославль, Ленинградский пр-т 33, ТЦ "ОМЕГА"
2026 © ООО «Динамика 76» - Все права защищены ООО "Динамика 76"
Предложения на сайте не являются публичной офертой.
На сайте обнаружена ошибка

Текст с ошибкой