Избранное 0 Корзина 0 Личный кабинет
logo
Каталог
Каталог
  • Справочник
    • Грузовые автомобили
    • Автобусы
    • Сельхозтехника
    • Спецтехника
    • Двигатели
  • Доставка
  • Оплата
  • О компании
    • Реквизиты
    • Магазины
    • Оплата
    • Доставка
    • Лицензии и сертификаты
    • Новости
    • Вакансии
  • Контакты
Отправить заявку
Личный кабинет
8 (800) 700-35-68
sales@din76.ru
Избранное 0 Корзина 0
8 (800) 700-35-68
Оптовый прайс-лист
Каталог
  • Двигатели
  • Запчасти WEICHAI
  • Запчасти ЯМЗ, ТМЗ (V-образные)
  • Запчасти ЯМЗ-534, ЯМЗ-536
  • Запчасти ЯМЗ-650, ЯМЗ-651, DCi-11
  • Топливная аппаратура
  • Запчасти УРАЛ
  • Запчасти МАЗ
  • Запчасти КамАЗ
  • Запчасти ММЗ
  • Ремни
Автокаталог (справочник)
  • Доставка
  • Оплата
  • О компании
  • Контакты
8 (800) 700-35-68
Написать в Whatsapp
sales@din76.ru
Динамика 76
Меню  
  • Каталог
    • Двигатели  
      • Двигатели ТМЗ  
        • Двигатели ТМЗ для автомобилей
        • Двигатели ТМЗ для тракторов
        • Специальные двигатели ТМЗ
        • Промышленные двигатели ТМЗ
      • Двигатели ЯМЗ  
        • ЯМЗ 236
        • ЯМЗ 238
        • ЯМЗ 240
        • ЯМЗ 751
        • ЯМЗ 840
        • ЯМЗ 850
        • ЯМЗ 656
        • ЯМЗ 658
        • ЯМЗ 534
        • ЯМЗ 536
        • ЯМЗ 650
        • Двигатели ЯМЗ для электростанций
      • Двигатели КАМАЗ
      • Двигатели ММЗ
      • Двигатели индивидуальной сборки
      • Комплекты переоборудования
    • Запчасти WEICHAI  
      • Основные запчасти двигателя  
        • Клапаны и толкатели
        • Шатуны
        • Вал коленчатый и маховик
        • Вал распределительный
        • Цилиндро-поршневая группа
      • Система питания  
        • Форсунки
        • Турбокомпрессор
      • Система смазки  
        • Насос масляный
      • Головка блока
      • Ремкомплекты
      • Система охлаждения  
        • Насос водяной
        • Муфта вязкостная и крыльчатка
      • Фильтры
      • Электрооборудование  
        • Генератор
        • Стартер
    • Запчасти ЯМЗ, ТМЗ (V-образные)  
      • Основные запчасти двигателя  
        • Блок двигателя и комплектующие
        • Валы распределительные и клапаны
        • Головка блока и комплектующие
        • Цилиндро-поршневая группа
        • Маховики и комплектующие
        • Валы коленчатые и комплектующие
        • Шатуны и комплектующие
      • Система питания  
        • Коллекторы и патрубки
        • Топливные трубопроводы
        • Турбокомпрессор
        • Топливные фильтры
      • Электрооборудование двигателя
      • Система охлаждения  
        • Вязкостные муфты и крыльчатки
        • Приводы вентилятора
        • Водяные насосы
        • Водяные трубы и термостаты
      • Коробки переключения передач  
        • 8 Ступенчатые КПП
        • 5 Ступенчатые КПП
        • 9 Ступенчатые КПП
        • Запасные части КПП ЯМЗ, ТМЗ
      • Система смазки  
        • Теплообменник и комплектующие
        • Масляные насосы
        • Фильтры масляные (ФГОМ, ФЦОМ)
      • Сцепление  
        • Запасные части механизма сцепления
        • Муфты (подшипники выжимные)
        • Корзины (диски нажимные)
        • Диски ведомые
      • Прочие запчасти двигателя  
        • Ремкомплекты
        • Привод агрегатов
        • Натяжные устройства
        • Трубки
    • Запчасти ЯМЗ-534, ЯМЗ-536  
      • Основные запчасти двигателя  
        • Цилиндро-поршневая группа
        • Головка блока цилиндров и комплектующие
        • Блок цилиндров и комплектующие
        • Вал коленчатый и маховик
        • Вал распределительный
        • Клапаны и толкатели
        • ГУР (Гидроусилитель руля)
        • Система рециркуляции отработавших газов
        • Выпускной коллектор
      • Система питания  
        • Коллекторы и патрубки
        • Топливные фильтры
        • Турбокомпрессор
        • Топливные трубопроводы
      • Система смазки  
        • Масляный картер поддон
        • Масляный насос
        • Теплообменник /Водо-масляный радиатор
        • Фильтры масляные (ФГОМ, ФЦОМ)
      • Пневмокомпрессор и натяжное
      • Система охлаждения  
        • Водяной насос
        • Водяные трубы и патрубки
        • Муфты вязкостные, приводы, крыльчатки
      • Ремкомплекты
      • Сцепление
      • Электрооборудование
    • Запчасти ЯМЗ-650, ЯМЗ-651, DCi-11  
      • Основные запчасти двигателя  
        • Цилиндро-поршневая группа
        • Головка блока цилиндров и комплектующие
        • Блок цилиндров и комплектующие
        • Вал коленчатый и маховик
        • Выпускной коллектор
        • Вал распределительный
        • Клапаны и толкатели
        • ГУР (Гидроусилитель руля)
        • Система рециркуляции отработавших газов
      • Система питания  
        • Коллекторы и патрубки
        • Топливные трубопроводы
        • Топливные фильтры
        • Турбокомпрессор
      • Система смазки  
        • Масляный картер / поддон
        • Масляный насос
        • Теплообменник / Водо-масляный радиатор
        • Фильтры масляные (ФГОМ, ФЦОМ)
      • Система охлаждения  
        • Водяной насос
        • Водяные трубы и патрубки
        • Муфты вязкостные, приводы, крыльчатки
      • Ремкомплекты
      • Пневмокомпрессор и натяжное
      • Электрооборудование
      • Сцепление
    • Топливная аппаратура  
      • ЯЗДА  
        • Распылители
        • ТНВД
        • Форсунки
        • Топливный насос низкого давления
        • Пары плунжерные
        • Муфта опережения впрыска топлива
        • Запчасти и комплектующие ТНВД
      • НЗТА
      • АЗПИ  
        • Распылители
        • Форсунки
      • BOSCH
    • Запчасти УРАЛ  
      • Трансмиссия  
        • Коробка раздаточная
        • Передача карданная
        • Мост задний
        • Мост передний (ведущий)
        • Мост средний (промежуточный)
      • Кузов  
        • Дверь кабины
        • Капот, крылья, облицовка радиатора
        • Окно ветровое и заднее
        • Отопление и вентиляция кабины
        • Кабина
      • Механизмы управления  
        • Управление рулевое
        • Тормоза
      • Дополнительное оборудование  
        • Отбор мощности
        • Устройство седельное
      • Электрооборудование
      • Ходовая часть  
        • Колеса и ступицы
        • Ось передняя
        • Подвеска автомобиля
        • Рама
    • Запчасти МАЗ  
      • Трансмиссия  
        • Мост задний
        • Мост передний (ведущий)
        • Передача карданная
        • Мост средний (промежуточный)
      • Кузов  
        • Кабина
        • Дверь кабины
        • Детали основания кабины
        • Окно ветровое и заднее
        • Платформа
      • Механизмы управления  
        • Тормоза
        • Управление рулевое
      • Ходовая часть  
        • Колеса и ступицы
        • Ось передняя
        • Подвеска автомобиля
        • Рама
    • Запчасти КамАЗ  
      • Кузов  
        • Кабина
        • Капот, крылья, облицовка радиатора
        • Дверь кабины
        • Платформа
        • Окно ветровое и заднее
        • Устройство подъемное и опрокидывающее
        • Сиденье
        • Крыша кабины (крыша кузова)
        • Отопление и вентиляция кабины
      • Трансмиссия  
        • Коробка передач
        • Коробка раздаточная
        • Мост задний
        • Сцепление
        • Мост средний (промежуточный)
        • Передача карданная
        • Мост передний (ведущий)
      • Двигатель  
        • Основные запчасти двигателя
        • Система охлаждения
        • Система питания
        • Система смазки
      • Дополнительное оборудование  
        • Отбор мощности
        • Устройство седельное
      • Ходовая часть  
        • Подвеска автомобиля
        • Рама
        • Колеса и ступицы
        • Ось передняя
      • Механизмы управления  
        • Тормоза
        • Управление рулевое
      • Электрооборудование
    • Запчасти ММЗ
    • Ремни
  • Справочник
    • Грузовые автомобили
    • Автобусы
    • Сельхозтехника
    • Спецтехника
    • Двигатели
  • Как купить
    • Условия оплаты
    • Условия доставки
    • Гарантия на товар
    • Пункты выдачи
  • Услуги
    • Капитальный ремонт двигателей ЯМЗ
  • Акции
  • Статьи
  • Контакты
  • Компания
    • Реквизиты
    • Магазины
    • Оплата
    • Доставка
    • Лицензии и сертификаты
    • Новости
    • Вакансии
Избранное 0 Корзина 0
8-800-700-35-68

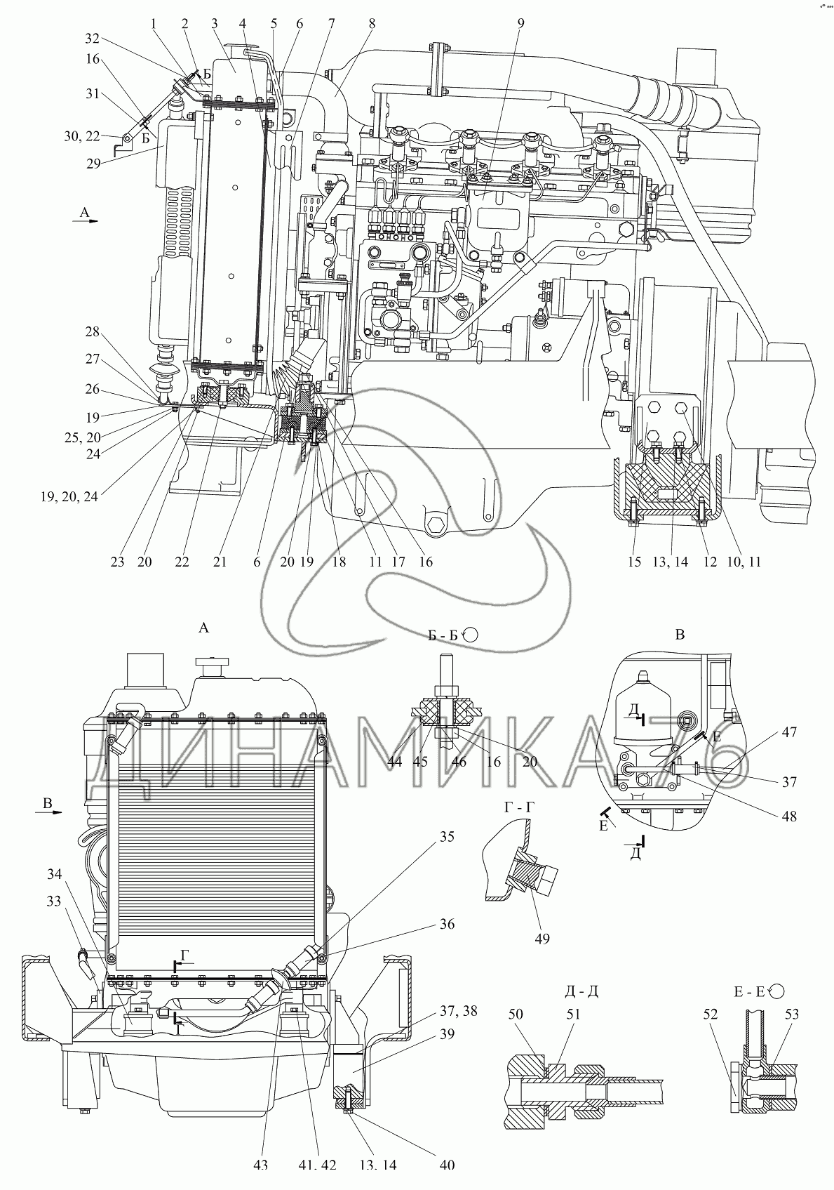
Установка силовая Ш353М-1001010-Б на Ш-353М (до 2015 г.)

Справочник
Главная
-
Автокаталог
-
Спецтехника
-
МТЗ
-
Ш-353М
Справочный каталог

Установка силовая Ш353М-1001010-Б — Ш-353М:

1 2 3 4 5 6 6 7 8 9 10 11 11 12 13 13 14 14 15 16 16 16 17 18 19 19 19 20 20 20 20 20 21 22 22 23 24 24 25 26 27 28 29 30 31 32 33 34 35 36 37 37 38 39 40 41 42 43 44 45 46 47 48 49 50 51 52 53
в наличии
нет в наличии
масштаб

В наличии
Нет в наличии

Перечень комплектующих от Установка силовая Ш353М-1001010-Б на Ш-353М

Схемы запчастей предназначены для справочных целей! Мы продаем не все запчасти от Установка силовая Ш353М-1001010-Б на Ш-353М, представленные в этом списке.
Наличие на складах по деталям с ценой смотрите в карточке товара.
1
1
Артикул: Ш353М-1001015
нет в наличии
Кронштейн
Количество на схеме: 1
Информация
Кронштейн
Количество
1
Модель
Ш353М
Группа
Двигатель
Подгруппа
Подвеска двигателя (силового агрегата)
Порядковый номер детали
015
2
2
Артикул: Ш353М-1001020
нет в наличии
Маслопровод
Количество на схеме: 1
Информация
Маслопровод
Количество
1
Модель
Ш353М
Группа
Двигатель
Подгруппа
Подвеска двигателя (силового агрегата)
Порядковый номер детали
020
3
3
Артикул: 70У-13-01-010
нет в наличии
Радиатор водяной
Количество на схеме: 1
Информация
Радиатор водяной
Количество
1
4
4
Артикул: 70-1309080
нет в наличии
Кожух
Количество на схеме: 1
Информация
Кожух
Количество
1
Модель
70
Группа
Система охлаждения
Подгруппа
Кожух вентилятора
Порядковый номер детали
080
5
5
Артикул: 70-1303158
нет в наличии
Трубка
Количество на схеме: 1
Информация
Трубка
Количество
1
Модель
70
Группа
Система охлаждения
Подгруппа
Трубопроводы и шланги системы охлаждения
Порядковый номер детали
158
6
6
Артикул: TORRO32-50/9-C6W
нет в наличии
Хомут «НОРМА»
Количество на схеме: 4
Информация
Хомут «НОРМА»
Количество
4
Примечание
Норма
7
7
Артикул: 80-1309100
нет в наличии
Ограждение вентилятора
Количество на схеме: 1
Информация
Ограждение вентилятора
Количество
1
Модель
80
Группа
Система охлаждения
Подгруппа
Кожух вентилятора
Порядковый номер детали
100
8
8
Артикул: 85-1303001
нет в наличии
Шланг
Количество на схеме: 1
Информация
Шланг
Количество
1
Модель
85
Группа
Система охлаждения
Подгруппа
Трубопроводы и шланги системы охлаждения
Порядковый номер детали
001
9
9
Артикул: Ш353М-1002010-Б
нет в наличии
Агрегат силовой
Количество на схеме: 1
Информация
Агрегат силовой
Количество
1
Модель
Ш353М
Группа
Двигатель
Подгруппа
Блок цилиндров
Порядковый номер детали
010
10
10
Артикул: БолтМ16-6gx40-88-35-019
нет в наличии
Болт М16-6gx40.88.35.019
Количество на схеме: 8
Информация
Болт М16-6gx40.88.35.019
Количество
8
Примечание
ГОСТ 7796-70
11
11
Артикул: 4598166070
нет в наличии
Шайба 16ОТ
Количество на схеме: 12
Информация
Шайба 16ОТ
Количество
12
Примечание
ОСТ 37.001.115-75
Группа
Лебедка
Подгруппа
4598
Порядковый номер детали
166
Дополнительно
Не взаимозаменяема с деталью, выпущенной ранее под этим же номером
12
12
Артикул: БолтМ12-6gx25-88-35-019
нет в наличии
Болт М12-6gx25.88.35.019
Количество на схеме: 4
Информация
Болт М12-6gx25.88.35.019
Количество
4
Примечание
ГОСТ 7796-70
13
13
Артикул: ШайбаС12-01-019
нет в наличии
Шайба
Количество на схеме: 8
Информация
Шайба
Количество
8
Примечание
ГОСТ 11371-78
14
14
Артикул: 4598166068
нет в наличии
Шайба 12ОТ
Количество на схеме: 8
Информация
Шайба 12ОТ
Количество
8
Примечание
ОСТ 37.001.115-75
Группа
Лебедка
Подгруппа
4598
Порядковый номер детали
166
Дополнительно
Не взаимозаменяема с деталью, выпущенной ранее под этим же номером
15
15
Артикул: Ш353М-1001060
нет в наличии
Кронштейн
Количество на схеме: 1
Информация
Кронштейн
Количество
1
Модель
Ш353М
Группа
Двигатель
Подгруппа
Подвеска двигателя (силового агрегата)
Порядковый номер детали
060
16
16
Артикул: ГайкаМ16-6H-6-019
нет в наличии
Гайка М16-6H.6.019
Количество на схеме: 2
Информация
Гайка М16-6H.6.019
Количество
2
Примечание
ГОСТ 5915-70
17
17
Артикул: 52-2301065
нет в наличии
Шайба
Количество на схеме: 2
Информация
Шайба
Количество
2
Модель
52
Группа
Мост ведущий передний
Подгруппа
Картер переднего ведущего моста и коробки передач
Порядковый номер детали
065
18
18
Артикул: Ш353М-1001040
нет в наличии
Кронштейн
Количество на схеме: 2
Информация
Кронштейн
Количество
2
Модель
Ш353М
Группа
Двигатель
Подгруппа
Подвеска двигателя (силового агрегата)
Порядковый номер детали
040
19
19
Артикул: БолтМ8-6gx25-88-35-019
нет в наличии
Болт М8-6gx25.88.35.019
Количество на схеме: 9
Информация
Болт М8-6gx25.88.35.019
Количество
9
Примечание
ГОСТ 7796-70
20
20
Артикул: Шайба8Т
нет в наличии
Шайба 8Т
Количество на схеме: 22
Информация
Шайба 8Т
Количество
22
Примечание
ОСТ 37.001.115-75
21
21
Артикул: Ш353М-1303011
нет в наличии
Шланг
Количество на схеме: 1
Информация
Шланг
Количество
1
Модель
Ш353М
Группа
Система охлаждения
Подгруппа
Трубопроводы и шланги системы охлаждения
Порядковый номер детали
011
22
22
Артикул: Шплинт3,2х18-016
нет в наличии
Шплинт 3,2х18.016
Количество на схеме: 2
Информация
Шплинт 3,2х18.016
Количество
2
Примечание
ГОСТ 397-79
23
23
Артикул: БолтМ8-6gx20-88-35-019
нет в наличии
Болт
Количество на схеме: 5
Информация
Болт
Количество
5
Примечание
ГОСТ 7796-70
24
24
Артикул: ГайкаМ8-6H-6-019
нет в наличии
Гайка М8-6H.6.019
Количество на схеме: 6
Информация
Гайка М8-6H.6.019
Количество
6
Примечание
ГОСТ 5915-70
25
25
Артикул: ШайбаС8-01-019
нет в наличии
Шайба
Количество на схеме: 5
Информация
Шайба
Количество
5
Примечание
ГОСТ 11371-78
26
26
Артикул: Ш353М-1001022
нет в наличии
Платик
Количество на схеме: 1
Информация
Платик
Количество
1
Модель
Ш353М
Группа
Двигатель
Подгруппа
Подвеска двигателя (силового агрегата)
Порядковый номер детали
022
27
27
Артикул: Ш353М-1001034
нет в наличии
Держатель
Количество на схеме: 1
Информация
Держатель
Количество
1
Модель
Ш353М
Группа
Двигатель
Подгруппа
Подвеска двигателя (силового агрегата)
Порядковый номер детали
034
28
28
Артикул: 70-3506027
нет в наличии
Втулка
Количество на схеме: 1
Информация
Втулка
Количество
1
Модель
70
Группа
Тормоза
Подгруппа
Трубопроводы пневмотормозов
Порядковый номер детали
027
29
29
Артикул: 80У-14-05-010-1
нет в наличии
Радиатор масляный
Количество на схеме: 1
Информация
Радиатор масляный
Количество
1
30
30
Артикул: Палец8х30
нет в наличии
Палец
Количество на схеме: 1
Информация
Палец
Количество
1
Примечание
ОСТ 37.001.163-75
31
31
Артикул: А20-213-А
нет в наличии
Вилка
Количество на схеме: 1
Информация
Вилка
Количество
1
32
32
Артикул: Ш353М-1001013
нет в наличии
Тяга
Количество на схеме: 1
Информация
Тяга
Количество
1
Модель
Ш353М
Группа
Двигатель
Подгруппа
Подвеска двигателя (силового агрегата)
Порядковый номер детали
013
33
33
Артикул: Ш353М-1001060-01
нет в наличии
Кронштейн
Количество на схеме: 1
Информация
Кронштейн
Количество
1
Модель
Ш353М
Группа
Двигатель
Подгруппа
Подвеска двигателя (силового агрегата)
Порядковый номер детали
060
34
34
Артикул: 240-1001025
в наличии
Амортизатор
Количество на схеме: 2
Информация
Амортизатор
Количество
2
Модель
240
Группа
Двигатель
Подгруппа
Подвеска двигателя (силового агрегата)
Порядковый номер детали
025
Амортизатор Д-242,Д-243,Д-245,Д-246,Д-260 опоры двигателя передний с ограничителем ММЗ
Артикул: 240-1001025
Амортизатор Д-242,Д-243,Д-245,Д-246,Д-260 опоры двигателя передний с ограничителем ММЗ
Код для заказа: 00021010
Цена: 1 153 ₽/шт.
Под заказ
Амортизатор Д-242,Д-243,Д-245,Д-246,Д-260 опоры двигателя передний с ограничителем ММЗ
Артикул: 240-1001025
Код для заказа: 00021010
Амортизатор Д-242,Д-243,Д-245,Д-246,Д-260 опоры двигателя передний с ограничителем ММЗ
Цена: 1 153 ₽/шт.
Под заказ
35
35
Артикул: TORRO16-25/9-C6W
нет в наличии
Хомут
Количество на схеме: 8
Информация
Хомут
Количество
8
Примечание
Норма
36
36
Артикул: 70-1405013
нет в наличии
Шланг
Количество на схеме: 4
Информация
Шланг
Количество
4
Модель
70
Группа
Система управления двигателем электронная
Подгруппа
1405
Порядковый номер детали
013
37
37
Артикул: Ш353М-1001017
нет в наличии
Прокладка
Количество на схеме: 4
Информация
Прокладка
Количество
4
Модель
Ш353М
Группа
Двигатель
Подгруппа
Подвеска двигателя (силового агрегата)
Порядковый номер детали
017
38
38
Артикул: Ш353М-1001017-01
нет в наличии
Прокладка
Количество на схеме: 4
Информация
Прокладка
Количество
4
Модель
Ш353М
Группа
Двигатель
Подгруппа
Подвеска двигателя (силового агрегата)
Порядковый номер детали
017
39
39
Артикул: 504В-1001500
нет в наличии
Подушка боковой опоры
Количество на схеме: 2
Информация
Подушка боковой опоры
Количество
2
Модель
504В
Группа
Двигатель
Подгруппа
Подвеска двигателя (силового агрегата)
Порядковый номер детали
500
40
40
Артикул: БолтМ12-6gx40-88-35-019
нет в наличии
Болт
Количество на схеме: 4
Информация
Болт
Количество
4
Примечание
ГОСТ 7796-70
41
41
Артикул: БолтМ10-6gx20-88-35-019
нет в наличии
Болт
Количество на схеме: 4
Информация
Болт
Количество
4
Примечание
ГОСТ 7796-70
42
42
Артикул: 4598166067
нет в наличии
Шайба 10ОТ
Количество на схеме: 3
Информация
Шайба 10ОТ
Количество
3
Примечание
ОСТ 37.001.115-75
Группа
Лебедка
Подгруппа
4598
Порядковый номер детали
166
Дополнительно
Не взаимозаменяема с деталью, выпущенной ранее под этим же номером
43
43
Артикул: 70-14052230
нет в наличии
Фильтр
Количество на схеме: 1
Информация
Фильтр
Количество
1
Модель
70
Группа
Система управления двигателем электронная
Подгруппа
1405
Порядковый номер детали
223
44
44
Артикул: МЛ127-1002011
нет в наличии
Втулка резиновая
Количество на схеме: 1
Информация
Втулка резиновая
Количество
1
Модель
МЛ127
Группа
Двигатель
Подгруппа
Блок цилиндров
Порядковый номер детали
011
45
45
Артикул: МЛ127-1002008
нет в наличии
Распорка
Количество на схеме: 1
Информация
Распорка
Количество
1
Модель
МЛ127
Группа
Двигатель
Подгруппа
Блок цилиндров
Порядковый номер детали
008
46
46
Артикул: МЛ127-1002009
нет в наличии
Шайба
Количество на схеме: 1
Информация
Шайба
Количество
1
Модель
МЛ127
Группа
Двигатель
Подгруппа
Блок цилиндров
Порядковый номер детали
009
47
47
Артикул: Ш353М-1001033
нет в наличии
Маслопровод
Количество на схеме: 1
Информация
Маслопровод
Количество
1
Модель
Ш353М
Группа
Двигатель
Подгруппа
Подвеска двигателя (силового агрегата)
Порядковый номер детали
033
48
48
Артикул: Ш353М-10001030
нет в наличии
Маслопровод
Количество на схеме: 1
Информация
Маслопровод
Количество
1
Модель
Ш353М
Группа
Двигатель
Подгруппа
Двигатель в сборе
Порядковый номер детали
103
49
49
Артикул: 40-4607038-А
нет в наличии
Шайба
Количество на схеме: 2
Информация
Шайба
Количество
2
Модель
40
Подгруппа
4607
Порядковый номер детали
038
50
50
Артикул: 40-4607038-А
нет в наличии
Шайба
Количество на схеме: 4
Информация
Шайба
Количество
4
Модель
40
Подгруппа
4607
Порядковый номер детали
038
51
51
Артикул: 80-1405089
нет в наличии
Штуцер
Количество на схеме: 1
Информация
Штуцер
Количество
1
Модель
80
Группа
Система управления двигателем электронная
Подгруппа
1405
Порядковый номер детали
089
52
52
Артикул: 40-4607032
нет в наличии
Болт
Количество на схеме: 1
Информация
Болт
Количество
1
Модель
40
Подгруппа
4607
Порядковый номер детали
032
53
53
Артикул: КГ1/4-А12-019
нет в наличии
Пробка
Количество на схеме: 1
Информация
Пробка
Количество
1
Примечание
ТУ 23.1.506-91
  • Грузовые автомобили
  • Автобусы
  • Сельхозтехника
  • Спецтехника
  • Двигатели
Получить оптовый прайс-лист
Скачать прайс-лист от 09.05.2026 16:00
Специальное предложение от 09.05.2026 17:00
Производители:


  • WEICHAI
  • Автодизель ПАО (ЯМЗ)
  • Тутаевский МЗ
  • ЯЗДА
  • УралАЗ
  • МАЗ
  • АЗПИ
  • BOSCH
  • ММЗ
  • ШААЗ
  • FEDERAL MOGUL
  • ПРАМО
  • Мотордеталь
  • ТАИМ
  • АвтоКрАЗ
  • БЕЛКАРД
  • CZ Strakonice
  • КамАЗ
  • БЗА
  • ЧМЗ
  • BMZ
Новости
Все новости
25 марта 2024
Флагманский седельный тягач «Валдай 45» на выставке «TransRussia»
10 марта 2024
Современные автобусы «CITYMAX 9» и ЛиАЗ-5292 CNG
25 февраля 2024
Серийное производство средних дизельных двигателей повышенной мощности от ЯМЗ
Статьи
Все статьи
Датчики двигателя: за что они отвечают, признаки неисправности и как не прогадать с выбором
Двигатели ЯМЗ-534: история, технические характеристики и области применения
Двигатели ЯМЗ 650: углублённый технический обзор и история
Компания
О компании
Реквизиты
Новости
Политика
Магазины
Информация
Условия оплаты
Условия доставки
Гарантия на товар
Обмен и возврат товара
Помощь
Как оформить заказ
Полезные статьи
Бренды
Пункты выдачи
Оставайтесь на связи
  • Вконтакте
  • YouTube
  • Одноклассники
  • Google Plus
Увидели ошибку?
Выделите, нажав Ctrl + Enter
Наши контакты
8-800-700-35-68
sales@din76.ru
г. Ярославль, Ленинградский пр-т 33, ТЦ "ОМЕГА"
2026 © ООО «Динамика 76» - Все права защищены ООО "Динамика 76"
Предложения на сайте не являются публичной офертой.
На сайте обнаружена ошибка

Текст с ошибкой