Избранное 0 Корзина 0 Личный кабинет
logo
Каталог
Каталог
  • Справочник
    • Грузовые автомобили
    • Автобусы
    • Сельхозтехника
    • Спецтехника
    • Двигатели
  • Доставка
  • Оплата
  • О компании
    • Реквизиты
    • Магазины
    • Оплата
    • Доставка
    • Лицензии и сертификаты
    • Новости
    • Вакансии
  • Контакты
Отправить заявку
Личный кабинет
8 (800) 700-35-68
sales@din76.ru
Избранное 0 Корзина 0
8 (800) 700-35-68
Оптовый прайс-лист
Каталог
  • Двигатели
  • Запчасти WEICHAI
  • Запчасти ЯМЗ, ТМЗ (V-образные)
  • Запчасти ЯМЗ-534, ЯМЗ-536
  • Запчасти ЯМЗ-650, ЯМЗ-651, DCi-11
  • Топливная аппаратура
  • Запчасти УРАЛ
  • Запчасти МАЗ
  • Запчасти КамАЗ
  • Запчасти ММЗ
  • Ремни
Автокаталог (справочник)
  • Доставка
  • Оплата
  • О компании
  • Контакты
8 (800) 700-35-68
Написать в Whatsapp
sales@din76.ru
Динамика 76
Меню  
  • Каталог
    • Двигатели  
      • Двигатели ТМЗ  
        • Двигатели ТМЗ для автомобилей
        • Двигатели ТМЗ для тракторов
        • Специальные двигатели ТМЗ
        • Промышленные двигатели ТМЗ
      • Двигатели ЯМЗ  
        • ЯМЗ 236
        • ЯМЗ 238
        • ЯМЗ 240
        • ЯМЗ 751
        • ЯМЗ 840
        • ЯМЗ 850
        • ЯМЗ 656
        • ЯМЗ 658
        • ЯМЗ 534
        • ЯМЗ 536
        • ЯМЗ 650
        • Двигатели ЯМЗ для электростанций
      • Двигатели КАМАЗ
      • Двигатели ММЗ
      • Двигатели индивидуальной сборки
      • Комплекты переоборудования
    • Запчасти WEICHAI  
      • Основные запчасти двигателя  
        • Клапаны и толкатели
        • Шатуны
        • Вал коленчатый и маховик
        • Вал распределительный
        • Цилиндро-поршневая группа
      • Система питания  
        • Форсунки
        • Турбокомпрессор
      • Система смазки  
        • Насос масляный
      • Головка блока
      • Ремкомплекты
      • Система охлаждения  
        • Насос водяной
        • Муфта вязкостная и крыльчатка
      • Фильтры
      • Электрооборудование  
        • Генератор
        • Стартер
    • Запчасти ЯМЗ, ТМЗ (V-образные)  
      • Основные запчасти двигателя  
        • Блок двигателя и комплектующие
        • Валы распределительные и клапаны
        • Головка блока и комплектующие
        • Цилиндро-поршневая группа
        • Маховики и комплектующие
        • Валы коленчатые и комплектующие
        • Шатуны и комплектующие
      • Система питания  
        • Коллекторы и патрубки
        • Топливные трубопроводы
        • Турбокомпрессор
        • Топливные фильтры
      • Электрооборудование двигателя
      • Система охлаждения  
        • Вязкостные муфты и крыльчатки
        • Приводы вентилятора
        • Водяные насосы
        • Водяные трубы и термостаты
      • Коробки переключения передач  
        • 8 Ступенчатые КПП
        • 5 Ступенчатые КПП
        • 9 Ступенчатые КПП
        • Запасные части КПП ЯМЗ, ТМЗ
      • Система смазки  
        • Теплообменник и комплектующие
        • Масляные насосы
        • Фильтры масляные (ФГОМ, ФЦОМ)
      • Сцепление  
        • Запасные части механизма сцепления
        • Муфты (подшипники выжимные)
        • Корзины (диски нажимные)
        • Диски ведомые
      • Прочие запчасти двигателя  
        • Ремкомплекты
        • Привод агрегатов
        • Натяжные устройства
        • Трубки
    • Запчасти ЯМЗ-534, ЯМЗ-536  
      • Основные запчасти двигателя  
        • Цилиндро-поршневая группа
        • Головка блока цилиндров и комплектующие
        • Блок цилиндров и комплектующие
        • Вал коленчатый и маховик
        • Вал распределительный
        • Клапаны и толкатели
        • ГУР (Гидроусилитель руля)
        • Система рециркуляции отработавших газов
        • Выпускной коллектор
      • Система питания  
        • Коллекторы и патрубки
        • Топливные фильтры
        • Турбокомпрессор
        • Топливные трубопроводы
      • Система смазки  
        • Масляный картер поддон
        • Масляный насос
        • Теплообменник /Водо-масляный радиатор
        • Фильтры масляные (ФГОМ, ФЦОМ)
      • Пневмокомпрессор и натяжное
      • Система охлаждения  
        • Водяной насос
        • Водяные трубы и патрубки
        • Муфты вязкостные, приводы, крыльчатки
      • Ремкомплекты
      • Сцепление
      • Электрооборудование
    • Запчасти ЯМЗ-650, ЯМЗ-651, DCi-11  
      • Основные запчасти двигателя  
        • Цилиндро-поршневая группа
        • Головка блока цилиндров и комплектующие
        • Блок цилиндров и комплектующие
        • Вал коленчатый и маховик
        • Выпускной коллектор
        • Вал распределительный
        • Клапаны и толкатели
        • ГУР (Гидроусилитель руля)
        • Система рециркуляции отработавших газов
      • Система питания  
        • Коллекторы и патрубки
        • Топливные трубопроводы
        • Топливные фильтры
        • Турбокомпрессор
      • Система смазки  
        • Масляный картер / поддон
        • Масляный насос
        • Теплообменник / Водо-масляный радиатор
        • Фильтры масляные (ФГОМ, ФЦОМ)
      • Система охлаждения  
        • Водяной насос
        • Водяные трубы и патрубки
        • Муфты вязкостные, приводы, крыльчатки
      • Ремкомплекты
      • Пневмокомпрессор и натяжное
      • Электрооборудование
      • Сцепление
    • Топливная аппаратура  
      • ЯЗДА  
        • Распылители
        • ТНВД
        • Форсунки
        • Топливный насос низкого давления
        • Пары плунжерные
        • Муфта опережения впрыска топлива
        • Запчасти и комплектующие ТНВД
      • НЗТА
      • АЗПИ  
        • Распылители
        • Форсунки
      • BOSCH
    • Запчасти УРАЛ  
      • Трансмиссия  
        • Коробка раздаточная
        • Передача карданная
        • Мост задний
        • Мост передний (ведущий)
        • Мост средний (промежуточный)
      • Кузов  
        • Дверь кабины
        • Капот, крылья, облицовка радиатора
        • Окно ветровое и заднее
        • Отопление и вентиляция кабины
        • Кабина
      • Механизмы управления  
        • Управление рулевое
        • Тормоза
      • Дополнительное оборудование  
        • Отбор мощности
        • Устройство седельное
      • Электрооборудование
      • Ходовая часть  
        • Колеса и ступицы
        • Ось передняя
        • Подвеска автомобиля
        • Рама
    • Запчасти МАЗ  
      • Трансмиссия  
        • Мост задний
        • Мост передний (ведущий)
        • Передача карданная
        • Мост средний (промежуточный)
      • Кузов  
        • Кабина
        • Дверь кабины
        • Детали основания кабины
        • Окно ветровое и заднее
        • Платформа
      • Механизмы управления  
        • Тормоза
        • Управление рулевое
      • Ходовая часть  
        • Колеса и ступицы
        • Ось передняя
        • Подвеска автомобиля
        • Рама
    • Запчасти КамАЗ  
      • Кузов  
        • Кабина
        • Капот, крылья, облицовка радиатора
        • Дверь кабины
        • Платформа
        • Окно ветровое и заднее
        • Устройство подъемное и опрокидывающее
        • Сиденье
        • Крыша кабины (крыша кузова)
        • Отопление и вентиляция кабины
      • Трансмиссия  
        • Коробка передач
        • Коробка раздаточная
        • Мост задний
        • Сцепление
        • Мост средний (промежуточный)
        • Передача карданная
        • Мост передний (ведущий)
      • Двигатель  
        • Основные запчасти двигателя
        • Система охлаждения
        • Система питания
        • Система смазки
      • Дополнительное оборудование  
        • Отбор мощности
        • Устройство седельное
      • Ходовая часть  
        • Подвеска автомобиля
        • Рама
        • Колеса и ступицы
        • Ось передняя
      • Механизмы управления  
        • Тормоза
        • Управление рулевое
      • Электрооборудование
    • Запчасти ММЗ
    • Ремни
  • Справочник
    • Грузовые автомобили
    • Автобусы
    • Сельхозтехника
    • Спецтехника
    • Двигатели
  • Как купить
    • Условия оплаты
    • Условия доставки
    • Гарантия на товар
    • Пункты выдачи
  • Услуги
    • Капитальный ремонт двигателей ЯМЗ
  • Акции
  • Статьи
  • Контакты
  • Компания
    • Реквизиты
    • Магазины
    • Оплата
    • Доставка
    • Лицензии и сертификаты
    • Новости
    • Вакансии
Избранное 0 Корзина 0
8-800-700-35-68

Облицовка на МР-40-01 (до 2010 г.)

Справочник
Главная
-
Автокаталог
-
Спецтехника
-
МТЗ
-
МР-40-01
Справочный каталог

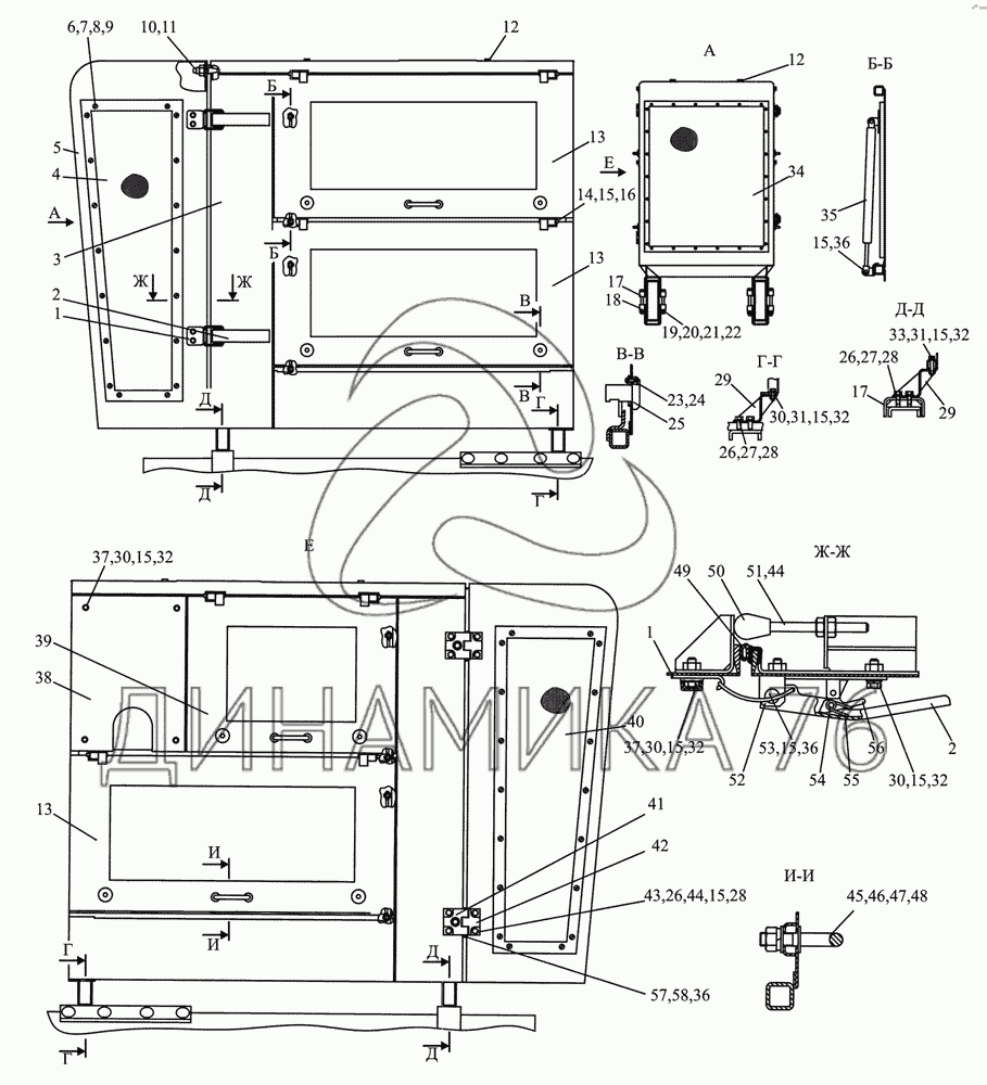
Облицовка — МР-40-01:

МР40-8400400 1 1 2 2 3 4 5 6 7 8 9 10 11 12 12 13 13 13 14 15 15 15 15 15 15 15 15 15 16 17 17 18 19 20 21 22 23 24 25 26 26 26 27 27 28 28 28 29 29 30 30 30 30 31 31 32 32 32 32 32 33 34 35 36 36 36 37 37 38 39 40 41 42 43 44 44 45 46 47 48 49 50 51 52 53 54 55 56 57 58
в наличии
нет в наличии
масштаб

В наличии
Нет в наличии

Перечень комплектующих от Облицовка на МР-40-01

Схемы запчастей предназначены для справочных целей! Мы продаем не все запчасти от Облицовка на МР-40-01, представленные в этом списке.
Наличие на складах по деталям с ценой смотрите в карточке товара.
Артикул: МР40-8400400
нет в наличии
Облицовка
Количество на схеме: 1
Информация
Облицовка
Количество
1
Модель
МР40
Группа
Оперение
Подгруппа
Оперение в сборе
Порядковый номер детали
400
1
1
Артикул: МР40-8400499
нет в наличии
Зацеп
Количество на схеме: 2
Информация
Зацеп
Количество
2
Модель
МР40
Группа
Оперение
Подгруппа
Оперение в сборе
Порядковый номер детали
499
2
2
Артикул: МР40-8400410
нет в наличии
Ручка замка
Количество на схеме: 2
Информация
Ручка замка
Количество
2
Модель
МР40
Группа
Оперение
Подгруппа
Оперение в сборе
Порядковый номер детали
410
3
3
Артикул: МР40-8400420
нет в наличии
Капот
Количество на схеме: 1
Информация
Капот
Количество
1
Модель
МР40
Группа
Оперение
Подгруппа
Оперение в сборе
Порядковый номер детали
420
4
4
Артикул: МР40-1310550
нет в наличии
Сетка боковая
Количество на схеме: 1
Информация
Сетка боковая
Количество
1
Модель
МР40
Группа
Система охлаждения
Подгруппа
Жалюзи радиатора
Порядковый номер детали
550
5
5
Артикул: МР40-8400500
нет в наличии
Маска
Количество на схеме: 1
Информация
Маска
Количество
1
Модель
МР40
Группа
Оперение
Подгруппа
Оперение в сборе
Порядковый номер детали
500
6
6
Артикул: ВМ6-6gх16-58-019
нет в наличии
Винт ГОСТ 17473-80
Количество на схеме: 62
Информация
Винт ГОСТ 17473-80
Количество
62
Примечание
ГОСТ 17475-80
7
7
Артикул: М6-6Н-6-019
нет в наличии
Гайка
Количество на схеме: 62
Информация
Гайка
Количество
62
Примечание
ГОСТ 5915-70
8
8
Артикул: С-6-01-019
нет в наличии
Шайба
Количество на схеме: 62
Информация
Шайба
Количество
62
Примечание
ГОСТ 6958-78
9
9
Артикул: 4598166045
нет в наличии
Шайба 6Т
Количество на схеме: 62
Информация
Шайба 6Т
Количество
62
Примечание
ОСТ 37.001.115-75
Группа
Лебедка
Подгруппа
4598
Порядковый номер детали
166
Дополнительно
Не взаимозаменяема с деталью, выпущенной ранее под этим же номером
10
10
Артикул: МР40-8400419
нет в наличии
Конус направляющий
Количество на схеме: 1
Информация
Конус направляющий
Количество
1
Модель
МР40
Группа
Оперение
Подгруппа
Оперение в сборе
Порядковый номер детали
419
11
11
Артикул: М20-6Н-6-019
нет в наличии
Гайка
Количество на схеме: 1
Информация
Гайка
Количество
1
Примечание
ГОСТ 5915-70
12
12
Артикул: 923-1702027
нет в наличии
Заглушка
Количество на схеме: 4
Информация
Заглушка
Количество
4
Модель
923
Группа
Коробка передач
Подгруппа
Механизм переключения передач
Порядковый номер детали
027
13
13
Артикул: МР40-8400450
нет в наличии
Панель
Количество на схеме: 3
Информация
Панель
Количество
3
Модель
МР40
Группа
Оперение
Подгруппа
Оперение в сборе
Порядковый номер детали
450
14
14
Артикул: 6-8h11х60-35-Ц9---15хр
нет в наличии
Ось
Количество на схеме: 8
Информация
Ось
Количество
8
Примечание
ГОСТ 9650-80
15
15
Артикул: С8-01-019
нет в наличии
Шайба
Количество на схеме: 34
Информация
Шайба
Количество
34
Примечание
ГОСТ 11371-78
16
16
Артикул: 2x12-019
нет в наличии
Шплинт
Количество на схеме: 8
Информация
Шплинт
Количество
8
Примечание
ГОСТ 397-79
17
17
Артикул: МР40-8400405-01
нет в наличии
Хомут
Количество на схеме: 2
Информация
Хомут
Количество
2
Модель
МР40
Группа
Оперение
Подгруппа
Оперение в сборе
Порядковый номер детали
405
18
18
Артикул: МР40-8400405
нет в наличии
Хомут
Количество на схеме: 2
Информация
Хомут
Количество
2
Модель
МР40
Группа
Оперение
Подгруппа
Оперение в сборе
Порядковый номер детали
405
19
19
Артикул: М16-6gx150-88-35-019
нет в наличии
Болт
Количество на схеме: 4
Информация
Болт
Количество
4
Примечание
ГОСТ 7795-70
20
20
Артикул: М16-6Н-6-019
нет в наличии
Гайка
Количество на схеме: 4
Информация
Гайка
Количество
4
Примечание
ГОСТ 5915-70
21
21
Артикул: С16-01-019
нет в наличии
Шайба
Количество на схеме: 8
Информация
Шайба
Количество
8
Примечание
ГОСТ 11371-78
22
22
Артикул: 4598166070
нет в наличии
Шайба 16ОТ
Количество на схеме: 4
Информация
Шайба 16ОТ
Количество
4
Примечание
ОСТ 37.001.115-75
Группа
Лебедка
Подгруппа
4598
Порядковый номер детали
166
Дополнительно
Не взаимозаменяема с деталью, выпущенной ранее под этим же номером
23
23
Артикул: В-М4-gх10-46-019
нет в наличии
Винт
Количество на схеме: 24
Информация
Винт
Количество
24
Примечание
ГОСТ 17473-80
24
24
Артикул: Шайба-4
нет в наличии
Шайба
Количество на схеме: 24
Информация
Шайба
Количество
24
Примечание
ОСТ 37.001.115-75
25
25
Артикул: МР40-8400300
нет в наличии
Замок
Количество на схеме: 8
Информация
Замок
Количество
8
Модель
МР40
Группа
Оперение
Подгруппа
Оперение в сборе
Порядковый номер детали
300
26
26
Артикул: М10-6gx25-88-35-019
нет в наличии
Болт
Количество на схеме: 18
Информация
Болт
Количество
18
Примечание
ГОСТ 7796-70
27
27
Артикул: С10-01-019
нет в наличии
Шайба
Количество на схеме: 18
Информация
Шайба
Количество
18
Примечание
ГОСТ 11371-78
28
28
Артикул: 4598166007
нет в наличии
Шайба 10Л
Количество на схеме: 18
Информация
Шайба 10Л
Количество
18
Примечание
ОСТ 37.001.115-75
Группа
Лебедка
Подгруппа
4598
Порядковый номер детали
166
29
29
Артикул: МР40-8400290
нет в наличии
Кронштейн
Количество на схеме: 4
Информация
Кронштейн
Количество
4
Модель
МР40
Группа
Оперение
Подгруппа
Оперение в сборе
Порядковый номер детали
290
30
30
Артикул: М8-6gх25-88-35-019
нет в наличии
Болт
Количество на схеме: 14
Информация
Болт
Количество
14
Примечание
ГОСТ 7796-70
31
31
Артикул: М8-6Н-6-019
нет в наличии
Гайка
Количество на схеме: 4
Информация
Гайка
Количество
4
Примечание
ГОСТ 5915-70
32
32
Артикул: 4598166046
нет в наличии
Шайба 8Т
Количество на схеме: 16
Информация
Шайба 8Т
Количество
16
Примечание
ОСТ 37.001.115-75
Группа
Лебедка
Подгруппа
4598
Порядковый номер детали
166
Дополнительно
Не взаимозаменяема с деталью, выпущенной ранее под этим же номером
33
33
Артикул: М8-6gх45-88-35-019
нет в наличии
Болт
Количество на схеме: 2
Информация
Болт
Количество
2
Примечание
ГОСТ 7795-70
34
34
Артикул: МР40-1310510
нет в наличии
Сетка передняя
Количество на схеме: 1
Информация
Сетка передняя
Количество
1
Модель
МР40
Группа
Система охлаждения
Подгруппа
Жалюзи радиатора
Порядковый номер детали
510
35
35
Артикул: 21054
нет в наличии
Пневмоподъемник
Количество на схеме: 4 4
Информация
Пневмоподъемник
Количество
4 4
Примечание
или Пружина газовая 11.6.6308010 ТУ. РБ 500032891.095-2003
36
36
Артикул: 5-65Г-07-6
нет в наличии
Шайба
Количество на схеме: 12
Информация
Шайба
Количество
12
Примечание
ГОСТ 11648-75
37
37
Артикул: А30-04-017-02
нет в наличии
Колпачок
Количество на схеме: 8
Информация
Колпачок
Количество
8
38
38
Артикул: МР40-8400456
нет в наличии
Панель
Количество на схеме: 1
Информация
Панель
Количество
1
Модель
МР40
Группа
Оперение
Подгруппа
Оперение в сборе
Порядковый номер детали
456
39
39
Артикул: МР40-8400470
нет в наличии
Панель
Количество на схеме: 1
Информация
Панель
Количество
1
Модель
МР40
Группа
Оперение
Подгруппа
Оперение в сборе
Порядковый номер детали
470
40
40
Артикул: МР40-1310550-01
нет в наличии
Сетка боковая
Количество на схеме: 1
Информация
Сетка боковая
Количество
1
Модель
МР40
Группа
Система охлаждения
Подгруппа
Жалюзи радиатора
Порядковый номер детали
550
41
41
Артикул: МР40-8400414
нет в наличии
Петля
Количество на схеме: 2
Информация
Петля
Количество
2
Модель
МР40
Группа
Оперение
Подгруппа
Оперение в сборе
Порядковый номер детали
414
42
42
Артикул: МР40-8400413
нет в наличии
Петля
Количество на схеме: 2
Информация
Петля
Количество
2
Модель
МР40
Группа
Оперение
Подгруппа
Оперение в сборе
Порядковый номер детали
413
43
43
Артикул: А30-04-017-04
нет в наличии
Колпачок
Количество на схеме: 10
Информация
Колпачок
Количество
10
44
44
Артикул: М10-6Н-6-019
нет в наличии
Гайка
Количество на схеме: 12
Информация
Гайка
Количество
12
Примечание
ГОСТ 5915-70
45
45
Артикул: МР40-8400475
нет в наличии
Ручка
Количество на схеме: 4
Информация
Ручка
Количество
4
Модель
МР40
Группа
Оперение
Подгруппа
Оперение в сборе
Порядковый номер детали
475
46
46
Артикул: М12-6Н-6-019
нет в наличии
Гайка
Количество на схеме: 8
Информация
Гайка
Количество
8
Примечание
ГОСТ 5915-70
47
47
Артикул: С12-01-019
нет в наличии
Шайба
Количество на схеме: 8
Информация
Шайба
Количество
8
Примечание
ГОСТ 11371-78
48
48
Артикул: 4598166068
нет в наличии
Шайба 12ОТ
Количество на схеме: 8
Информация
Шайба 12ОТ
Количество
8
Примечание
ОСТ 37.001.115-75
Группа
Лебедка
Подгруппа
4598
Порядковый номер детали
166
Дополнительно
Не взаимозаменяема с деталью, выпущенной ранее под этим же номером
49
49
Артикул: В716-03
нет в наличии
Профиль
Количество на схеме: 1
Информация
Профиль
Количество
1
50
50
Артикул: 70-3401093
нет в наличии
Наконечник
Количество на схеме: 2
Информация
Наконечник
Количество
2
Модель
70
Группа
Управление рулевое
Подгруппа
Управление рулевое (механизм рулевого управления)
Порядковый номер детали
093
51
51
Артикул: 2102-8400033-01
нет в наличии
Стержень
Количество на схеме: 2
Информация
Стержень
Количество
2
Модель
2102
Группа
Оперение
Подгруппа
Оперение в сборе
Порядковый номер детали
033
52
52
Артикул: МР40-8400415
нет в наличии
Кронштейн
Количество на схеме: 2
Информация
Кронштейн
Количество
2
Модель
МР40
Группа
Оперение
Подгруппа
Оперение в сборе
Порядковый номер детали
415
53
53
Артикул: МР40-8400404
нет в наличии
Ось
Количество на схеме: 2
Информация
Ось
Количество
2
Модель
МР40
Группа
Оперение
Подгруппа
Оперение в сборе
Порядковый номер детали
404
54
54
Артикул: МР40-8400497
нет в наличии
Заклепка
Количество на схеме: 2
Информация
Заклепка
Количество
2
Модель
МР40
Группа
Оперение
Подгруппа
Оперение в сборе
Порядковый номер детали
497
55
55
Артикул: МР40-8400401
нет в наличии
Пружина
Количество на схеме: 2
Информация
Пружина
Количество
2
Модель
МР40
Группа
Оперение
Подгруппа
Оперение в сборе
Порядковый номер детали
401
56
56
Артикул: МР40-8400498
нет в наличии
Фиксатор
Количество на схеме: 2
Информация
Фиксатор
Количество
2
Модель
МР40
Группа
Оперение
Подгруппа
Оперение в сборе
Порядковый номер детали
498
57
57
Артикул: МР40-8400402
нет в наличии
Шайба
Количество на схеме: 2
Информация
Шайба
Количество
2
Модель
МР40
Группа
Оперение
Подгруппа
Оперение в сборе
Порядковый номер детали
402
58
58
Артикул: МР40-8400404-01
нет в наличии
Ось
Количество на схеме: 2
Информация
Ось
Количество
2
Модель
МР40
Группа
Оперение
Подгруппа
Оперение в сборе
Порядковый номер детали
404
  • Грузовые автомобили
  • Автобусы
  • Сельхозтехника
  • Спецтехника
  • Двигатели
Получить оптовый прайс-лист
Скачать прайс-лист от 21.04.2026 16:00
Специальное предложение от 21.04.2026 17:00
Производители:


  • WEICHAI
  • Автодизель ПАО (ЯМЗ)
  • Тутаевский МЗ
  • ЯЗДА
  • УралАЗ
  • МАЗ
  • АЗПИ
  • BOSCH
  • ММЗ
  • ШААЗ
  • FEDERAL MOGUL
  • ПРАМО
  • Мотордеталь
  • ТАИМ
  • АвтоКрАЗ
  • БЕЛКАРД
  • CZ Strakonice
  • КамАЗ
  • БЗА
  • ЧМЗ
  • BMZ
Новости
Все новости
25 марта 2024
Флагманский седельный тягач «Валдай 45» на выставке «TransRussia»
10 марта 2024
Современные автобусы «CITYMAX 9» и ЛиАЗ-5292 CNG
25 февраля 2024
Серийное производство средних дизельных двигателей повышенной мощности от ЯМЗ
Статьи
Все статьи
Датчики двигателя: за что они отвечают, признаки неисправности и как не прогадать с выбором
Двигатели ЯМЗ-534: история, технические характеристики и области применения
Двигатели ЯМЗ 650: углублённый технический обзор и история
Компания
О компании
Реквизиты
Новости
Политика
Магазины
Информация
Условия оплаты
Условия доставки
Гарантия на товар
Обмен и возврат товара
Помощь
Как оформить заказ
Полезные статьи
Бренды
Пункты выдачи
Оставайтесь на связи
  • Вконтакте
  • YouTube
  • Одноклассники
  • Google Plus
Увидели ошибку?
Выделите, нажав Ctrl + Enter
Наши контакты
8-800-700-35-68
sales@din76.ru
г. Ярославль, Ленинградский пр-т 33, ТЦ "ОМЕГА"
2026 © ООО «Динамика 76» - Все права защищены ООО "Динамика 76"
Предложения на сайте не являются публичной офертой.
На сайте обнаружена ошибка

Текст с ошибкой