Избранное 0 Корзина 0 Личный кабинет
logo
Каталог
Каталог
  • Справочник
    • Грузовые автомобили
    • Автобусы
    • Сельхозтехника
    • Спецтехника
    • Двигатели
  • Доставка
  • Оплата
  • О компании
    • Реквизиты
    • Магазины
    • Оплата
    • Доставка
    • Лицензии и сертификаты
    • Новости
    • Вакансии
  • Контакты
Отправить заявку
Личный кабинет
8 (800) 700-35-68
sales@din76.ru
Избранное 0 Корзина 0
8 (800) 700-35-68
Оптовый прайс-лист
Каталог
  • Двигатели
  • Запчасти WEICHAI
  • Запчасти ЯМЗ, ТМЗ (V-образные)
  • Запчасти ЯМЗ-534, ЯМЗ-536
  • Запчасти ЯМЗ-650, ЯМЗ-651, DCi-11
  • Топливная аппаратура
  • Запчасти УРАЛ
  • Запчасти МАЗ
  • Запчасти КамАЗ
  • Запчасти ММЗ
  • Ремни
Автокаталог (справочник)
  • Доставка
  • Оплата
  • О компании
  • Контакты
8 (800) 700-35-68
Написать в Whatsapp
sales@din76.ru
Динамика 76
Меню  
  • Каталог
    • Двигатели  
      • Двигатели ТМЗ  
        • Двигатели ТМЗ для автомобилей
        • Двигатели ТМЗ для тракторов
        • Специальные двигатели ТМЗ
        • Промышленные двигатели ТМЗ
      • Двигатели ЯМЗ  
        • ЯМЗ 236
        • ЯМЗ 238
        • ЯМЗ 240
        • ЯМЗ 751
        • ЯМЗ 840
        • ЯМЗ 850
        • ЯМЗ 656
        • ЯМЗ 658
        • ЯМЗ 534
        • ЯМЗ 536
        • ЯМЗ 650
        • Двигатели ЯМЗ для электростанций
      • Двигатели КАМАЗ
      • Двигатели ММЗ
      • Двигатели индивидуальной сборки
      • Комплекты переоборудования
    • Запчасти WEICHAI  
      • Основные запчасти двигателя  
        • Клапаны и толкатели
        • Шатуны
        • Вал коленчатый и маховик
        • Вал распределительный
        • Цилиндро-поршневая группа
      • Система питания  
        • Форсунки
        • Турбокомпрессор
      • Система смазки  
        • Насос масляный
      • Головка блока
      • Ремкомплекты
      • Система охлаждения  
        • Насос водяной
        • Муфта вязкостная и крыльчатка
      • Фильтры
      • Электрооборудование  
        • Генератор
        • Стартер
    • Запчасти ЯМЗ, ТМЗ (V-образные)  
      • Основные запчасти двигателя  
        • Блок двигателя и комплектующие
        • Валы распределительные и клапаны
        • Головка блока и комплектующие
        • Цилиндро-поршневая группа
        • Маховики и комплектующие
        • Валы коленчатые и комплектующие
        • Шатуны и комплектующие
      • Система питания  
        • Коллекторы и патрубки
        • Топливные трубопроводы
        • Турбокомпрессор
        • Топливные фильтры
      • Электрооборудование двигателя
      • Система охлаждения  
        • Вязкостные муфты и крыльчатки
        • Приводы вентилятора
        • Водяные насосы
        • Водяные трубы и термостаты
      • Коробки переключения передач  
        • 8 Ступенчатые КПП
        • 5 Ступенчатые КПП
        • 9 Ступенчатые КПП
        • Запасные части КПП ЯМЗ, ТМЗ
      • Система смазки  
        • Теплообменник и комплектующие
        • Масляные насосы
        • Фильтры масляные (ФГОМ, ФЦОМ)
      • Сцепление  
        • Запасные части механизма сцепления
        • Муфты (подшипники выжимные)
        • Корзины (диски нажимные)
        • Диски ведомые
      • Прочие запчасти двигателя  
        • Ремкомплекты
        • Привод агрегатов
        • Натяжные устройства
        • Трубки
    • Запчасти ЯМЗ-534, ЯМЗ-536  
      • Основные запчасти двигателя  
        • Цилиндро-поршневая группа
        • Головка блока цилиндров и комплектующие
        • Блок цилиндров и комплектующие
        • Вал коленчатый и маховик
        • Вал распределительный
        • Клапаны и толкатели
        • ГУР (Гидроусилитель руля)
        • Система рециркуляции отработавших газов
        • Выпускной коллектор
      • Система питания  
        • Коллекторы и патрубки
        • Топливные фильтры
        • Турбокомпрессор
        • Топливные трубопроводы
      • Система смазки  
        • Масляный картер поддон
        • Масляный насос
        • Теплообменник /Водо-масляный радиатор
        • Фильтры масляные (ФГОМ, ФЦОМ)
      • Пневмокомпрессор и натяжное
      • Система охлаждения  
        • Водяной насос
        • Водяные трубы и патрубки
        • Муфты вязкостные, приводы, крыльчатки
      • Ремкомплекты
      • Сцепление
      • Электрооборудование
    • Запчасти ЯМЗ-650, ЯМЗ-651, DCi-11  
      • Основные запчасти двигателя  
        • Цилиндро-поршневая группа
        • Головка блока цилиндров и комплектующие
        • Блок цилиндров и комплектующие
        • Вал коленчатый и маховик
        • Выпускной коллектор
        • Вал распределительный
        • Клапаны и толкатели
        • ГУР (Гидроусилитель руля)
        • Система рециркуляции отработавших газов
      • Система питания  
        • Коллекторы и патрубки
        • Топливные трубопроводы
        • Топливные фильтры
        • Турбокомпрессор
      • Система смазки  
        • Масляный картер / поддон
        • Масляный насос
        • Теплообменник / Водо-масляный радиатор
        • Фильтры масляные (ФГОМ, ФЦОМ)
      • Система охлаждения  
        • Водяной насос
        • Водяные трубы и патрубки
        • Муфты вязкостные, приводы, крыльчатки
      • Ремкомплекты
      • Пневмокомпрессор и натяжное
      • Электрооборудование
      • Сцепление
    • Топливная аппаратура  
      • ЯЗДА  
        • Распылители
        • ТНВД
        • Форсунки
        • Топливный насос низкого давления
        • Пары плунжерные
        • Муфта опережения впрыска топлива
        • Запчасти и комплектующие ТНВД
      • НЗТА
      • АЗПИ  
        • Распылители
        • Форсунки
      • BOSCH
    • Запчасти УРАЛ  
      • Трансмиссия  
        • Коробка раздаточная
        • Передача карданная
        • Мост задний
        • Мост передний (ведущий)
        • Мост средний (промежуточный)
      • Кузов  
        • Дверь кабины
        • Капот, крылья, облицовка радиатора
        • Окно ветровое и заднее
        • Отопление и вентиляция кабины
        • Кабина
      • Механизмы управления  
        • Управление рулевое
        • Тормоза
      • Дополнительное оборудование  
        • Отбор мощности
        • Устройство седельное
      • Электрооборудование
      • Ходовая часть  
        • Колеса и ступицы
        • Ось передняя
        • Подвеска автомобиля
        • Рама
    • Запчасти МАЗ  
      • Трансмиссия  
        • Мост задний
        • Мост передний (ведущий)
        • Передача карданная
        • Мост средний (промежуточный)
      • Кузов  
        • Кабина
        • Дверь кабины
        • Детали основания кабины
        • Окно ветровое и заднее
        • Платформа
      • Механизмы управления  
        • Тормоза
        • Управление рулевое
      • Ходовая часть  
        • Колеса и ступицы
        • Ось передняя
        • Подвеска автомобиля
        • Рама
    • Запчасти КамАЗ  
      • Кузов  
        • Кабина
        • Капот, крылья, облицовка радиатора
        • Дверь кабины
        • Платформа
        • Окно ветровое и заднее
        • Устройство подъемное и опрокидывающее
        • Сиденье
        • Крыша кабины (крыша кузова)
        • Отопление и вентиляция кабины
      • Трансмиссия  
        • Коробка передач
        • Коробка раздаточная
        • Мост задний
        • Сцепление
        • Мост средний (промежуточный)
        • Передача карданная
        • Мост передний (ведущий)
      • Двигатель  
        • Основные запчасти двигателя
        • Система охлаждения
        • Система питания
        • Система смазки
      • Дополнительное оборудование  
        • Отбор мощности
        • Устройство седельное
      • Ходовая часть  
        • Подвеска автомобиля
        • Рама
        • Колеса и ступицы
        • Ось передняя
      • Механизмы управления  
        • Тормоза
        • Управление рулевое
      • Электрооборудование
    • Запчасти ММЗ
    • Ремни
  • Справочник
    • Грузовые автомобили
    • Автобусы
    • Сельхозтехника
    • Спецтехника
    • Двигатели
  • Как купить
    • Условия оплаты
    • Условия доставки
    • Гарантия на товар
    • Пункты выдачи
  • Услуги
    • Капитальный ремонт двигателей ЯМЗ
  • Акции
  • Статьи
  • Контакты
  • Компания
    • Реквизиты
    • Магазины
    • Оплата
    • Доставка
    • Лицензии и сертификаты
    • Новости
    • Вакансии
Избранное 0 Корзина 0
8-800-700-35-68

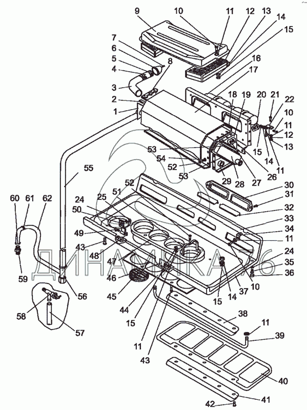
Система отопления на МЛПТ-354М (до 2008 г.)

Справочник
Главная
-
Автокаталог
-
Спецтехника
-
МТЗ
-
МЛПТ-354М
Справочный каталог

Система отопления — МЛПТ-354М:

МЛ131-8101700 1 2 3 4 5 6 7 8 9 10 10 10 11 11 11 11 11 11 12 12 13 13 14 14 14 15 15 15 15 16 17 18 19 20 21 22 23 24 24 25 26 27 28 29 30 31 32 33 34 35 36 37 38 39 40 41 42 43 43 44 45 46 47 48 49 50 51 52 52 53 53 54 55 56 57 58 59 60 61 62
в наличии
нет в наличии
масштаб

В наличии
Нет в наличии

Перечень комплектующих от Система отопления на МЛПТ-354М

Схемы запчастей предназначены для справочных целей! Мы продаем не все запчасти от Система отопления на МЛПТ-354М, представленные в этом списке.
Наличие на складах по деталям с ценой смотрите в карточке товара.
Артикул: МЛ131-8101700
нет в наличии
Система отопления
Количество на схеме: 1
Информация
Система отопления
Количество
1
Модель
МЛ131
Группа
Отопление и вентиляция кабины
Подгруппа
Отопитель (кузова)
Порядковый номер детали
700
1
1
Артикул: МЛ131-8101105-01
нет в наличии
Стенка
Количество на схеме: 1
Информация
Стенка
Количество
1
Модель
МЛ131
Группа
Отопление и вентиляция кабины
Подгруппа
Отопитель (кузова)
Порядковый номер детали
105
2
2
Артикул: МЛ131-8101811-01
нет в наличии
Уплотнитель
Количество на схеме: 2
Информация
Уплотнитель
Количество
2
Модель
МЛ131
Группа
Отопление и вентиляция кабины
Подгруппа
Отопитель (кузова)
Порядковый номер детали
811
3
3
Артикул: 1,02114E+11
нет в наличии
Воздуховод
Количество на схеме: 2
Информация
Воздуховод
Количество
2
Примечание
L=(500±10)mm
4
4
Артикул: 1,02114E+11
нет в наличии
Воздуховод
Количество на схеме: 2
Информация
Воздуховод
Количество
2
Примечание
L=(900±10)mm
5
5
Артикул: 50-70/9-C6W
нет в наличии
Хомут NORMA TORRO
Количество на схеме: 8
Информация
Хомут NORMA TORRO
Количество
8
Примечание
ТУ РБ 903.201.040-2004
6
6
Артикул: 2,01576E+11
нет в наличии
Дефлектор
Количество на схеме: 2
Информация
Дефлектор
Количество
2
7
7
Артикул: 4x10-019
нет в наличии
Шуруп
Количество на схеме: 6
Информация
Шуруп
Количество
6
Примечание
ТУ РБ 400024166.001-2000
8
8
Артикул: 1522-8101101-01
нет в наличии
Косынка
Количество на схеме: 1
Информация
Косынка
Количество
1
Модель
1522
Группа
Отопление и вентиляция кабины
Подгруппа
Отопитель (кузова)
Порядковый номер детали
101
9
9
Артикул: 80-8101760
нет в наличии
Крышка
Количество на схеме: 1
Информация
Крышка
Количество
1
Модель
80
Группа
Отопление и вентиляция кабины
Подгруппа
Отопитель (кузова)
Порядковый номер детали
760
10
10
Артикул: M6-6gx16-88-35-019
нет в наличии
Болт
Количество на схеме: 8
Информация
Болт
Количество
8
Примечание
ГОСТ 7798-70
11
11
Артикул: С6-01-019
нет в наличии
Шайба
Количество на схеме: 14
Информация
Шайба
Количество
14
Примечание
ГОСТ 11371-78
12
12
Артикул: 80-8104070
нет в наличии
Фильтр
Количество на схеме: 2
Информация
Фильтр
Количество
2
Модель
80
Группа
Отопление и вентиляция кабины
Подгруппа
Вентиляция кабины (кузова)
Порядковый номер детали
070
13
13
Артикул: 80-8101714-04
нет в наличии
Уплотнитель
Количество на схеме: 2
Информация
Уплотнитель
Количество
2
Модель
80
Группа
Отопление и вентиляция кабины
Подгруппа
Отопитель (кузова)
Порядковый номер детали
714
14
14
Артикул: 4598166045
нет в наличии
Шайба 6Т
Количество на схеме: 8
Информация
Шайба 6Т
Количество
8
Примечание
ОСТ 37.001.115-75
Группа
Лебедка
Подгруппа
4598
Порядковый номер детали
166
Дополнительно
Не взаимозаменяема с деталью, выпущенной ранее под этим же номером
15
15
Артикул: М6-6Н-5-019
нет в наличии
Гайка
Количество на схеме: 12
Информация
Гайка
Количество
12
Примечание
ГОСТ 5915-70
16
16
Артикул: ЭВИ-12-1-02
нет в наличии
Вентилятор
Количество на схеме: 1
Информация
Вентилятор
Количество
1
Примечание
ТУ РБ 500135046.002-2001
17
17
Артикул: 1522-8101105
нет в наличии
Обивка
Количество на схеме: 1
Информация
Обивка
Количество
1
Модель
1522
Группа
Отопление и вентиляция кабины
Подгруппа
Отопитель (кузова)
Порядковый номер детали
105
18
18
Артикул: 1522-8104104
нет в наличии
Крышка
Количество на схеме: 1
Информация
Крышка
Количество
1
Модель
1522
Группа
Отопление и вентиляция кабины
Подгруппа
Вентиляция кабины (кузова)
Порядковый номер детали
104
19
19
Артикул: 1522-8101101
нет в наличии
Косынка
Количество на схеме: 1
Информация
Косынка
Количество
1
Модель
1522
Группа
Отопление и вентиляция кабины
Подгруппа
Отопитель (кузова)
Порядковый номер детали
101
20
20
Артикул: B-M5-6gx10-58-019
нет в наличии
Винт
Количество на схеме: 6
Информация
Винт
Количество
6
Примечание
ГОСТ 17473-80
21
21
Артикул: M8-6gx16-88-35-019
нет в наличии
Болт
Количество на схеме: 2
Информация
Болт
Количество
2
Примечание
ГОСТ 7796-70
22
22
Артикул: 80-8101201
нет в наличии
Кронштейн
Количество на схеме: 2
Информация
Кронштейн
Количество
2
Модель
80
Группа
Отопление и вентиляция кабины
Подгруппа
Отопитель (кузова)
Порядковый номер детали
201
23
23
Артикул: С8-01-019
нет в наличии
Шайба
Количество на схеме: 6
Информация
Шайба
Количество
6
Примечание
ГОСТ 11371-78
24
24
Артикул: 4598166046
нет в наличии
Шайба 8Т
Количество на схеме: 6
Информация
Шайба 8Т
Количество
6
Примечание
ОСТ 37.001.115-75
Группа
Лебедка
Подгруппа
4598
Порядковый номер детали
166
Дополнительно
Не взаимозаменяема с деталью, выпущенной ранее под этим же номером
25
25
Артикул: М8-6Н-6-019
нет в наличии
Гайка
Количество на схеме: 4
Информация
Гайка
Количество
4
Примечание
ГОСТ 5915-70
26
26
Артикул: 4598166044
нет в наличии
Шайба 5Т
Количество на схеме: 6
Информация
Шайба 5Т
Количество
6
Примечание
ОСТ 37.001.115-75
Группа
Лебедка
Подгруппа
4598
Порядковый номер детали
166
Дополнительно
Не взаимозаменяема с деталью, выпущенной ранее под этим же номером
27
27
Артикул: М5-6Н-6-019
нет в наличии
Гайка ГОСТ 5915-70
Количество на схеме: 6
Информация
Гайка ГОСТ 5915-70
Количество
6
Примечание
ГОСТ 5915-70
28
28
Артикул: 1522-8101060
нет в наличии
Радиатор
Количество на схеме: 1
Информация
Радиатор
Количество
1
Модель
1522
Группа
Отопление и вентиляция кабины
Подгруппа
Отопитель (кузова)
Порядковый номер детали
060
29
29
Артикул: МЛ131-8101105
нет в наличии
Стенка
Количество на схеме: 1
Информация
Стенка
Количество
1
Модель
МЛ131
Группа
Отопление и вентиляция кабины
Подгруппа
Отопитель (кузова)
Порядковый номер детали
105
30
30
Артикул: 80-8100011-Б
нет в наличии
Крышка
Количество на схеме: 1
Информация
Крышка
Количество
1
Модель
80
Группа
Отопление и вентиляция кабины
Подгруппа
Отопление и вентиляция
Порядковый номер детали
011
31
31
Артикул: B-M6-6gx16-58-019
нет в наличии
Винт
Количество на схеме: 3
Информация
Винт
Количество
3
Примечание
ГОСТ 17475-80
32
32
Артикул: 80-8100012
нет в наличии
Заслонка
Количество на схеме: 2
Информация
Заслонка
Количество
2
Модель
80
Группа
Отопление и вентиляция кабины
Подгруппа
Отопление и вентиляция
Порядковый номер детали
012
33
33
Артикул: МЛ131-8100100
нет в наличии
Панель
Количество на схеме: 1
Информация
Панель
Количество
1
Модель
МЛ131
Группа
Отопление и вентиляция кабины
Подгруппа
Отопление и вентиляция
Порядковый номер детали
100
34
34
Артикул: 70-6702111
нет в наличии
Угольник
Количество на схеме: 2
Информация
Угольник
Количество
2
Модель
70
Подгруппа
6702
Порядковый номер детали
111
35
35
Артикул: M8-6gx20-88-35-019
нет в наличии
Болт
Количество на схеме: 2
Информация
Болт
Количество
2
Примечание
ГОСТ 7796-70
36
36
Артикул: А30-04-017-01
нет в наличии
Колпачок
Количество на схеме: 2
Информация
Колпачок
Количество
2
37
37
Артикул: 80-8101713
нет в наличии
Обивка
Количество на схеме: 1
Информация
Обивка
Количество
1
Модель
80
Группа
Отопление и вентиляция кабины
Подгруппа
Отопитель (кузова)
Порядковый номер детали
713
38
38
Артикул: 70-8204015
нет в наличии
Держатель
Количество на схеме: 1
Информация
Держатель
Количество
1
Модель
70
Группа
Принадлежности кабины
Подгруппа
Козырек противосолнечный
Порядковый номер детали
015
39
39
Артикул: 80П-8204011-01
нет в наличии
Ось
Количество на схеме: 1
Информация
Ось
Количество
1
Модель
80П
Группа
Принадлежности кабины
Подгруппа
Козырек противосолнечный
Порядковый номер детали
011
40
40
Артикул: 70-8204011-А
нет в наличии
Козырек
Количество на схеме: 1
Информация
Козырек
Количество
1
Модель
70
Группа
Принадлежности кабины
Подгруппа
Козырек противосолнечный
Порядковый номер детали
011
41
41
Артикул: 70-8204014
нет в наличии
Держатель
Количество на схеме: 1
Информация
Держатель
Количество
1
Модель
70
Группа
Принадлежности кабины
Подгруппа
Козырек противосолнечный
Порядковый номер детали
014
42
42
Артикул: B-M4-6gx8-58-019
нет в наличии
Винт
Количество на схеме: 5
Информация
Винт
Количество
5
Примечание
ГОСТ 17473-80
43
43
Артикул: B-M6-6gx20-58-019
нет в наличии
Винт
Количество на схеме: 6
Информация
Винт
Количество
6
Примечание
ГОСТ 17475-80
44
44
Артикул: 80-8101813
нет в наличии
Рамка
Количество на схеме: 1
Информация
Рамка
Количество
1
Модель
80
Группа
Отопление и вентиляция кабины
Подгруппа
Отопитель (кузова)
Порядковый номер детали
813
45
45
Артикул: 1522-8104100
нет в наличии
Дефлектор
Количество на схеме: 4
Информация
Дефлектор
Количество
4
Модель
1522
Группа
Отопление и вентиляция кабины
Подгруппа
Вентиляция кабины (кузова)
Порядковый номер детали
100
46
46
Артикул: 80-8100092
нет в наличии
Уплотнитель
Количество на схеме: 2
Информация
Уплотнитель
Количество
2
Модель
80
Группа
Отопление и вентиляция кабины
Подгруппа
Отопление и вентиляция
Порядковый номер детали
092
47
47
Артикул: МЛ127-8101811-02
нет в наличии
Уплотнитель
Количество на схеме: 1
Информация
Уплотнитель
Количество
1
Модель
МЛ127
Группа
Отопление и вентиляция кабины
Подгруппа
Отопитель (кузова)
Порядковый номер детали
811
48
48
Артикул: 2x12-019
нет в наличии
Шплинт
Количество на схеме: 2
Информация
Шплинт
Количество
2
Примечание
ГОСТ 397-79
49
49
Артикул: 50-8400031
нет в наличии
Ось
Количество на схеме: 2
Информация
Ось
Количество
2
Модель
50
Группа
Оперение
Подгруппа
Оперение в сборе
Порядковый номер детали
031
50
50
Артикул: 80-8100048
нет в наличии
Петля
Количество на схеме: 1
Информация
Петля
Количество
1
Модель
80
Группа
Отопление и вентиляция кабины
Подгруппа
Отопление и вентиляция
Порядковый номер детали
048
51
51
Артикул: 1522-8104105
нет в наличии
Скоба
Количество на схеме: 4
Информация
Скоба
Количество
4
Модель
1522
Группа
Отопление и вентиляция кабины
Подгруппа
Вентиляция кабины (кузова)
Порядковый номер детали
105
52
52
Артикул: 2-4x16-019
нет в наличии
Шуруп
Количество на схеме: 16
Информация
Шуруп
Количество
16
Примечание
ГОСТ 1144-80
53
53
Артикул: МЛ131-8101811
нет в наличии
Уплотнитель
Количество на схеме: 4
Информация
Уплотнитель
Количество
4
Модель
МЛ131
Группа
Отопление и вентиляция кабины
Подгруппа
Отопитель (кузова)
Порядковый номер детали
811
54
54
Артикул: С5-01-019
нет в наличии
Шайба
Количество на схеме: 12
Информация
Шайба
Количество
12
Примечание
ГОСТ 11371-78
55
55
Артикул: МЛ127-8101702-02
нет в наличии
Шланг
Количество на схеме: 2
Информация
Шланг
Количество
2
Модель
МЛ127
Группа
Отопление и вентиляция кабины
Подгруппа
Отопитель (кузова)
Порядковый номер детали
702
56
56
Артикул: 80-8100050
нет в наличии
Кран
Количество на схеме: 1
Информация
Кран
Количество
1
Модель
80
Группа
Отопление и вентиляция кабины
Подгруппа
Отопление и вентиляция
Порядковый номер детали
050
57
57
Артикул: МЛ127-8101702
нет в наличии
Шланг
Количество на схеме: 1
Информация
Шланг
Количество
1
Модель
МЛ127
Группа
Отопление и вентиляция кабины
Подгруппа
Отопитель (кузова)
Порядковый номер детали
702
58
58
Артикул: ВС-11
нет в наличии
Кран
Количество на схеме: 1
Информация
Кран
Количество
1
Примечание
ОСТ 37.001.241-81
59
59
Артикул: 80-8100023
нет в наличии
Штуцер
Количество на схеме: 1
Информация
Штуцер
Количество
1
Модель
80
Группа
Отопление и вентиляция кабины
Подгруппа
Отопление и вентиляция
Порядковый номер детали
023
60
60
Артикул: 0-32/9-C6W
нет в наличии
Хомут «Норма» TORRO 2
Количество на схеме: 8
Информация
Хомут «Норма» TORRO 2
Количество
8
Примечание
ТУ РБ 903.201.040-2004
61
61
Артикул: МЛ127-8101702-01
нет в наличии
Шланг
Количество на схеме: 1
Информация
Шланг
Количество
1
Модель
МЛ127
Группа
Отопление и вентиляция кабины
Подгруппа
Отопитель (кузова)
Порядковый номер детали
702
62
62
Артикул: 80-3723045-01
нет в наличии
Манжета
Количество на схеме: 1
Информация
Манжета
Количество
1
Модель
80
Группа
Электрооборудование
Подгруппа
Соединители электропроводов
Порядковый номер детали
045
  • Грузовые автомобили
  • Автобусы
  • Сельхозтехника
  • Спецтехника
  • Двигатели
Получить оптовый прайс-лист
Скачать прайс-лист от 07.05.2026 12:00
Специальное предложение от 07.05.2026 09:00
Производители:


  • WEICHAI
  • Автодизель ПАО (ЯМЗ)
  • Тутаевский МЗ
  • ЯЗДА
  • УралАЗ
  • МАЗ
  • АЗПИ
  • BOSCH
  • ММЗ
  • ШААЗ
  • FEDERAL MOGUL
  • ПРАМО
  • Мотордеталь
  • ТАИМ
  • АвтоКрАЗ
  • БЕЛКАРД
  • CZ Strakonice
  • КамАЗ
  • БЗА
  • ЧМЗ
  • BMZ
Новости
Все новости
25 марта 2024
Флагманский седельный тягач «Валдай 45» на выставке «TransRussia»
10 марта 2024
Современные автобусы «CITYMAX 9» и ЛиАЗ-5292 CNG
25 февраля 2024
Серийное производство средних дизельных двигателей повышенной мощности от ЯМЗ
Статьи
Все статьи
Датчики двигателя: за что они отвечают, признаки неисправности и как не прогадать с выбором
Двигатели ЯМЗ-534: история, технические характеристики и области применения
Двигатели ЯМЗ 650: углублённый технический обзор и история
Компания
О компании
Реквизиты
Новости
Политика
Магазины
Информация
Условия оплаты
Условия доставки
Гарантия на товар
Обмен и возврат товара
Помощь
Как оформить заказ
Полезные статьи
Бренды
Пункты выдачи
Оставайтесь на связи
  • Вконтакте
  • YouTube
  • Одноклассники
  • Google Plus
Увидели ошибку?
Выделите, нажав Ctrl + Enter
Наши контакты
8-800-700-35-68
sales@din76.ru
г. Ярославль, Ленинградский пр-т 33, ТЦ "ОМЕГА"
2026 © ООО «Динамика 76» - Все права защищены ООО "Динамика 76"
Предложения на сайте не являются публичной офертой.
На сайте обнаружена ошибка

Текст с ошибкой