Избранное 0 Корзина 0 Личный кабинет
logo
Каталог
Каталог
  • Справочник
    • Грузовые автомобили
    • Автобусы
    • Сельхозтехника
    • Спецтехника
    • Двигатели
  • Доставка
  • Оплата
  • О компании
    • Реквизиты
    • Магазины
    • Оплата
    • Доставка
    • Лицензии и сертификаты
    • Новости
    • Вакансии
  • Контакты
Отправить заявку
Личный кабинет
8 (800) 700-35-68
sales@din76.ru
Избранное 0 Корзина 0
8 (800) 700-35-68
Оптовый прайс-лист
Каталог
  • Двигатели
  • Запчасти WEICHAI
  • Запчасти ЯМЗ, ТМЗ (V-образные)
  • Запчасти ЯМЗ-534, ЯМЗ-536
  • Запчасти ЯМЗ-650, ЯМЗ-651, DCi-11
  • Топливная аппаратура
  • Запчасти УРАЛ
  • Запчасти МАЗ
  • Запчасти КамАЗ
  • Запчасти ММЗ
  • Ремни
Автокаталог (справочник)
  • Доставка
  • Оплата
  • О компании
  • Контакты
8 (800) 700-35-68
Написать в Whatsapp
sales@din76.ru
Динамика 76
Меню  
  • Каталог
    • Двигатели  
      • Двигатели ТМЗ  
        • Двигатели ТМЗ для автомобилей
        • Двигатели ТМЗ для тракторов
        • Специальные двигатели ТМЗ
        • Промышленные двигатели ТМЗ
      • Двигатели ЯМЗ  
        • ЯМЗ 236
        • ЯМЗ 238
        • ЯМЗ 240
        • ЯМЗ 751
        • ЯМЗ 840
        • ЯМЗ 850
        • ЯМЗ 656
        • ЯМЗ 658
        • ЯМЗ 534
        • ЯМЗ 536
        • ЯМЗ 650
        • Двигатели ЯМЗ для электростанций
      • Двигатели КАМАЗ
      • Двигатели ММЗ
      • Двигатели индивидуальной сборки
      • Комплекты переоборудования
    • Запчасти WEICHAI  
      • Основные запчасти двигателя  
        • Клапаны и толкатели
        • Шатуны
        • Вал коленчатый и маховик
        • Вал распределительный
        • Цилиндро-поршневая группа
      • Система питания  
        • Форсунки
        • Турбокомпрессор
      • Система смазки  
        • Насос масляный
      • Головка блока
      • Ремкомплекты
      • Система охлаждения  
        • Насос водяной
        • Муфта вязкостная и крыльчатка
      • Фильтры
      • Электрооборудование  
        • Генератор
        • Стартер
    • Запчасти ЯМЗ, ТМЗ (V-образные)  
      • Основные запчасти двигателя  
        • Блок двигателя и комплектующие
        • Валы распределительные и клапаны
        • Головка блока и комплектующие
        • Цилиндро-поршневая группа
        • Маховики и комплектующие
        • Валы коленчатые и комплектующие
        • Шатуны и комплектующие
      • Система питания  
        • Коллекторы и патрубки
        • Топливные трубопроводы
        • Турбокомпрессор
        • Топливные фильтры
      • Электрооборудование двигателя
      • Система охлаждения  
        • Вязкостные муфты и крыльчатки
        • Приводы вентилятора
        • Водяные насосы
        • Водяные трубы и термостаты
      • Коробки переключения передач  
        • 8 Ступенчатые КПП
        • 5 Ступенчатые КПП
        • 9 Ступенчатые КПП
        • Запасные части КПП ЯМЗ, ТМЗ
      • Система смазки  
        • Теплообменник и комплектующие
        • Масляные насосы
        • Фильтры масляные (ФГОМ, ФЦОМ)
      • Сцепление  
        • Запасные части механизма сцепления
        • Муфты (подшипники выжимные)
        • Корзины (диски нажимные)
        • Диски ведомые
      • Прочие запчасти двигателя  
        • Ремкомплекты
        • Привод агрегатов
        • Натяжные устройства
        • Трубки
    • Запчасти ЯМЗ-534, ЯМЗ-536  
      • Основные запчасти двигателя  
        • Цилиндро-поршневая группа
        • Головка блока цилиндров и комплектующие
        • Блок цилиндров и комплектующие
        • Вал коленчатый и маховик
        • Вал распределительный
        • Клапаны и толкатели
        • ГУР (Гидроусилитель руля)
        • Система рециркуляции отработавших газов
        • Выпускной коллектор
      • Система питания  
        • Коллекторы и патрубки
        • Топливные фильтры
        • Турбокомпрессор
        • Топливные трубопроводы
      • Система смазки  
        • Масляный картер поддон
        • Масляный насос
        • Теплообменник /Водо-масляный радиатор
        • Фильтры масляные (ФГОМ, ФЦОМ)
      • Пневмокомпрессор и натяжное
      • Система охлаждения  
        • Водяной насос
        • Водяные трубы и патрубки
        • Муфты вязкостные, приводы, крыльчатки
      • Ремкомплекты
      • Сцепление
      • Электрооборудование
    • Запчасти ЯМЗ-650, ЯМЗ-651, DCi-11  
      • Основные запчасти двигателя  
        • Цилиндро-поршневая группа
        • Головка блока цилиндров и комплектующие
        • Блок цилиндров и комплектующие
        • Вал коленчатый и маховик
        • Выпускной коллектор
        • Вал распределительный
        • Клапаны и толкатели
        • ГУР (Гидроусилитель руля)
        • Система рециркуляции отработавших газов
      • Система питания  
        • Коллекторы и патрубки
        • Топливные трубопроводы
        • Топливные фильтры
        • Турбокомпрессор
      • Система смазки  
        • Масляный картер / поддон
        • Масляный насос
        • Теплообменник / Водо-масляный радиатор
        • Фильтры масляные (ФГОМ, ФЦОМ)
      • Система охлаждения  
        • Водяной насос
        • Водяные трубы и патрубки
        • Муфты вязкостные, приводы, крыльчатки
      • Ремкомплекты
      • Пневмокомпрессор и натяжное
      • Электрооборудование
      • Сцепление
    • Топливная аппаратура  
      • ЯЗДА  
        • Распылители
        • ТНВД
        • Форсунки
        • Топливный насос низкого давления
        • Пары плунжерные
        • Муфта опережения впрыска топлива
        • Запчасти и комплектующие ТНВД
      • НЗТА
      • АЗПИ  
        • Распылители
        • Форсунки
      • BOSCH
    • Запчасти УРАЛ  
      • Трансмиссия  
        • Коробка раздаточная
        • Передача карданная
        • Мост задний
        • Мост передний (ведущий)
        • Мост средний (промежуточный)
      • Кузов  
        • Дверь кабины
        • Капот, крылья, облицовка радиатора
        • Окно ветровое и заднее
        • Отопление и вентиляция кабины
        • Кабина
      • Механизмы управления  
        • Управление рулевое
        • Тормоза
      • Дополнительное оборудование  
        • Отбор мощности
        • Устройство седельное
      • Электрооборудование
      • Ходовая часть  
        • Колеса и ступицы
        • Ось передняя
        • Подвеска автомобиля
        • Рама
    • Запчасти МАЗ  
      • Трансмиссия  
        • Мост задний
        • Мост передний (ведущий)
        • Передача карданная
        • Мост средний (промежуточный)
      • Кузов  
        • Кабина
        • Дверь кабины
        • Детали основания кабины
        • Окно ветровое и заднее
        • Платформа
      • Механизмы управления  
        • Тормоза
        • Управление рулевое
      • Ходовая часть  
        • Колеса и ступицы
        • Ось передняя
        • Подвеска автомобиля
        • Рама
    • Запчасти КамАЗ  
      • Кузов  
        • Кабина
        • Капот, крылья, облицовка радиатора
        • Дверь кабины
        • Платформа
        • Окно ветровое и заднее
        • Устройство подъемное и опрокидывающее
        • Сиденье
        • Крыша кабины (крыша кузова)
        • Отопление и вентиляция кабины
      • Трансмиссия  
        • Коробка передач
        • Коробка раздаточная
        • Мост задний
        • Сцепление
        • Мост средний (промежуточный)
        • Передача карданная
        • Мост передний (ведущий)
      • Двигатель  
        • Основные запчасти двигателя
        • Система охлаждения
        • Система питания
        • Система смазки
      • Дополнительное оборудование  
        • Отбор мощности
        • Устройство седельное
      • Ходовая часть  
        • Подвеска автомобиля
        • Рама
        • Колеса и ступицы
        • Ось передняя
      • Механизмы управления  
        • Тормоза
        • Управление рулевое
      • Электрооборудование
    • Запчасти ММЗ
    • Ремни
  • Справочник
    • Грузовые автомобили
    • Автобусы
    • Сельхозтехника
    • Спецтехника
    • Двигатели
  • Как купить
    • Условия оплаты
    • Условия доставки
    • Гарантия на товар
    • Пункты выдачи
  • Услуги
    • Капитальный ремонт двигателей ЯМЗ
  • Акции
  • Статьи
  • Контакты
  • Компания
    • Реквизиты
    • Магазины
    • Оплата
    • Доставка
    • Лицензии и сертификаты
    • Новости
    • Вакансии
Избранное 0 Корзина 0
8-800-700-35-68

Система топливная на МЛ-131 (до 2008 г.)

Справочник
Главная
-
Автокаталог
-
Спецтехника
-
МТЗ
-
МЛ-131
Справочный каталог

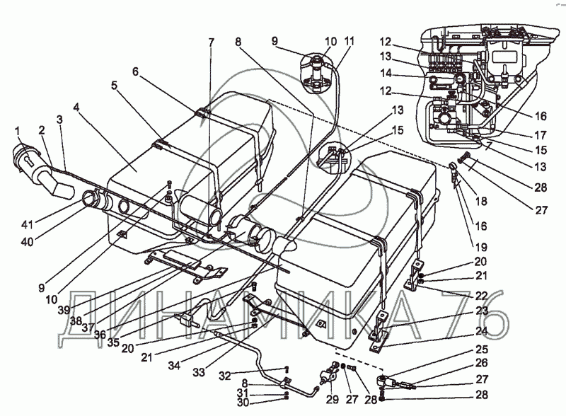
Система топливная — МЛ-131:

МЛ131-1101010 1 2 3 4 5 6 7 8 8 9 9 10 10 11 12 12 13 13 13 14 15 15 16 16 17 18 19 20 20 21 21 22 23 24 25 26 27 27 27 28 28 28 29 30 31 32 33 34 35 36 37 38 39 40 41
в наличии
нет в наличии
масштаб

В наличии
Нет в наличии

Перечень комплектующих от Система топливная на МЛ-131

Схемы запчастей предназначены для справочных целей! Мы продаем не все запчасти от Система топливная на МЛ-131, представленные в этом списке.
Наличие на складах по деталям с ценой смотрите в карточке товара.
Артикул: МЛ131-1101010
нет в наличии
Система топливная
Количество на схеме: 1
Информация
Система топливная
Количество
1
Модель
МЛ131
Группа
Cистема питания двигателя
Подгруппа
Бак топливный
Порядковый номер детали
010
1
1
Артикул: МЛ127-1101050
нет в наличии
Горловина заливная
Количество на схеме: 1
Информация
Горловина заливная
Количество
1
Модель
МЛ127
Группа
Cистема питания двигателя
Подгруппа
Бак топливный
Порядковый номер детали
050
2
2
Артикул: МЛ127-1101101
нет в наличии
Рукав 14x23-16
Количество на схеме: 1
Информация
Рукав 14x23-16
Количество
1
Примечание
L=(1700±10)мм, ГОСТ 10362-75
Модель
МЛ127
Группа
Cистема питания двигателя
Подгруппа
Бак топливный
Порядковый номер детали
101
3
3
Артикул: 354-3500309-6-04
нет в наличии
Оболочка
Количество на схеме: 1
Информация
Оболочка
Количество
1
Модель
354
Группа
Тормоза
Подгруппа
3500
Порядковый номер детали
309
Дополнительно
Не взаимозаменяема с деталью, выпущенной ранее под этим же номером
4
4
Артикул: МЛ131-1101020
нет в наличии
Бак топливный
Количество на схеме: 1
Информация
Бак топливный
Количество
1
Модель
МЛ131
Группа
Cистема питания двигателя
Подгруппа
Бак топливный
Порядковый номер детали
020
5
5
Артикул: 354-110060
нет в наличии
Хомут
Количество на схеме: 4
Информация
Хомут
Количество
4
Покрытие
без покрытия
6
6
Артикул: ПР36-01
нет в наличии
Прокладка
Количество на схеме: 8
Информация
Прокладка
Количество
8
7
7
Артикул: 5298710-14
нет в наличии
Хомутик
Количество на схеме: 2
Информация
Хомутик
Количество
2
Группа
Окно ветровое
Подгруппа
5298
Порядковый номер детали
710
Дополнительно
Не взаимозаменяема с деталью, выпущенной ранее под этим же номером
8
8
Артикул: 70-1115012-01
нет в наличии
Хомутик
Количество на схеме: 6
Информация
Хомутик
Количество
6
Модель
70
Группа
Cистема питания двигателя
Подгруппа
1115
Порядковый номер детали
012
9
9
Артикул: 36-1104787
в наличии
Болт
Количество на схеме: 2
Информация
Болт
Количество
2
Модель
36
Группа
Cистема питания двигателя
Подгруппа
Трубопроводы топливные
Порядковый номер детали
787
Болт-штуцер М10х1.0х22 ЗИЛ-5301,МТЗ-80 обратки форсунки ММЗ
Артикул: 36-1104787
Болт-штуцер М10х1.0х22 ЗИЛ-5301,МТЗ-80 обратки форсунки ММЗ
Код для заказа: 00023261
Цена: 134 ₽/шт.
Под заказ
Болт-штуцер М10х1.0х22 ЗИЛ-5301,МТЗ-80 обратки форсунки ММЗ
Артикул: 36-1104787
Код для заказа: 00023261
Болт-штуцер М10х1.0х22 ЗИЛ-5301,МТЗ-80 обратки форсунки ММЗ
Цена: 134 ₽/шт.
Под заказ
10
10
Артикул: 36-1104788
нет в наличии
Прокладка
Количество на схеме: 4
Информация
Прокладка
Количество
4
Модель
36
Группа
Cистема питания двигателя
Подгруппа
Трубопроводы топливные
Порядковый номер детали
788
11
11
Артикул: 85-1101240
нет в наличии
Трубка
Количество на схеме: 1
Информация
Трубка
Количество
1
Модель
85
Группа
Cистема питания двигателя
Подгруппа
Бак топливный
Порядковый номер детали
240
12
12
Артикул: 354-1101100
нет в наличии
Топливопровод
Количество на схеме: 2
Информация
Топливопровод
Количество
2
Модель
354
Группа
Cистема питания двигателя
Подгруппа
Бак топливный
Порядковый номер детали
100
13
13
Артикул: Д18-051
нет в наличии
Болт
Количество на схеме: 2
Информация
Болт
Количество
2
14
14
Артикул: Д18-0503АМ
нет в наличии
Угольник поворотный
Количество на схеме: 1
Информация
Угольник поворотный
Количество
1
15
15
Артикул: Д18-055-А
в наличии
Шайба
Количество на схеме: 6
Информация
Шайба
Количество
6
Кольцо Д-245 уплотнительное d=14мм медь ММЗ
Артикул: Д18-055-А
Кольцо Д-245 уплотнительное d=14мм медь ММЗ
Код для заказа: 00033464
Цена: 38 ₽/шт.
Под заказ
Кольцо Д-245 уплотнительное d=14мм медь ММЗ
Артикул: Д18-055-А
Код для заказа: 00033464
Кольцо Д-245 уплотнительное d=14мм медь ММЗ
Цена: 38 ₽/шт.
Под заказ
16
16
Артикул: ТУРБ903-201-040-2004
нет в наличии
Хомут «НОРМА» TORRO 16-25/9-C6W
Количество на схеме: 2
Информация
Хомут «НОРМА» TORRO 16-25/9-C6W
Количество
2
17
17
Артикул: 354-1101100-01
нет в наличии
Топливопровод
Количество на схеме: 1
Информация
Топливопровод
Количество
1
Модель
354
Группа
Cистема питания двигателя
Подгруппа
Бак топливный
Порядковый номер детали
100
18
18
Артикул: Ш353М-1101003
нет в наличии
Угольник
Количество на схеме: 1
Информация
Угольник
Количество
1
Модель
Ш353М
Группа
Cистема питания двигателя
Подгруппа
Бак топливный
Порядковый номер детали
003
19
19
Артикул: Ш353М-1101004-01
нет в наличии
Шланг
Количество на схеме: 1
Информация
Шланг
Количество
1
Модель
Ш353М
Группа
Cистема питания двигателя
Подгруппа
Бак топливный
Порядковый номер детали
004
20
20
Артикул: 4598166067
нет в наличии
Шайба 10ОТ
Количество на схеме: 12
Информация
Шайба 10ОТ
Количество
12
Группа
Лебедка
Подгруппа
4598
Порядковый номер детали
166
Дополнительно
Не взаимозаменяема с деталью, выпущенной ранее под этим же номером
21
21
Артикул: ОСТ37-001-115-75
нет в наличии
Шайба 8Т
Количество на схеме: 16
Информация
Шайба 8Т
Количество
16
Примечание
ГОСТ 5919-73
22
22
Артикул: 354-1101003
нет в наличии
Проушина
Количество на схеме: 4
Информация
Проушина
Количество
4
Модель
354
Группа
Cистема питания двигателя
Подгруппа
Бак топливный
Порядковый номер детали
003
23
23
Артикул: ПР-43-01
нет в наличии
Уплотнитель
Количество на схеме: 4
Информация
Уплотнитель
Количество
4
24
24
Артикул: МЛ131-1101040
нет в наличии
Фиксатор
Количество на схеме: 4
Информация
Фиксатор
Количество
4
Модель
МЛ131
Группа
Cистема питания двигателя
Подгруппа
Бак топливный
Порядковый номер детали
040
25
25
Артикул: МЛ127-1101086
нет в наличии
Угольник
Количество на схеме: 4
Информация
Угольник
Количество
4
Модель
МЛ127
Группа
Cистема питания двигателя
Подгруппа
Бак топливный
Порядковый номер детали
086
26
26
Артикул: 354-1101150
нет в наличии
Клапан сливной
Количество на схеме: 2
Информация
Клапан сливной
Количество
2
Модель
354
Группа
Cистема питания двигателя
Подгруппа
Бак топливный
Порядковый номер детали
150
27
27
Артикул: Ал16х22х1,5МН3138-62
нет в наличии
Прокладка
Количество на схеме: 10
Информация
Прокладка
Количество
10
28
28
Артикул: 354-1101005
нет в наличии
Болт зажимной
Количество на схеме: 5
Информация
Болт зажимной
Количество
5
Модель
354
Группа
Cистема питания двигателя
Подгруппа
Бак топливный
Порядковый номер детали
005
29
29
Артикул: ТУРБ03973223-008-2000
нет в наличии
Кран
Количество на схеме: 2
Информация
Кран
Количество
2
Примечание
ОСТ 37.001.241-81
Модель
ТУР
Подгруппа
0397
Порядковый номер детали
322
30
30
Артикул: ГОСТ5915-70
нет в наличии
Гайка М6-6Н.6.019
Количество на схеме: 4
Информация
Гайка М6-6Н.6.019
Количество
4
31
31
Артикул: С8-01-019
нет в наличии
Шайба
Количество на схеме: 10
Информация
Шайба
Количество
10
Примечание
ГОСТ 11371-78
32
32
Артикул: TM8-6gx16-88-35-019
нет в наличии
Болт
Количество на схеме: 6
Информация
Болт
Количество
6
Примечание
ГОСТ 7796-70
33
33
Артикул: 354-1101020-Б
нет в наличии
Кронштейн
Количество на схеме: 2
Информация
Кронштейн
Количество
2
Модель
354
Группа
Cистема питания двигателя
Подгруппа
Бак топливный
Порядковый номер детали
020
34
34
Артикул: 354-1101050-Б
нет в наличии
Топливопровод
Количество на схеме: 1
Информация
Топливопровод
Количество
1
Модель
354
Группа
Cистема питания двигателя
Подгруппа
Бак топливный
Порядковый номер детали
050
35
35
Артикул: M10-6gx35-88-35-019
нет в наличии
Болт
Количество на схеме: 8
Информация
Болт
Количество
8
Примечание
ГОСТ 7796-70
36
36
Артикул: МЛ131-1101130
нет в наличии
Бак топливный
Количество на схеме: 1
Информация
Бак топливный
Количество
1
Модель
МЛ131
Группа
Cистема питания двигателя
Подгруппа
Бак топливный
Порядковый номер детали
130
37
37
Артикул: 70-1101035-Б
нет в наличии
Рукав
Количество на схеме: 1
Информация
Рукав
Количество
1
Модель
70
Группа
Cистема питания двигателя
Подгруппа
Бак топливный
Порядковый номер детали
035
38
38
Артикул: 80-1101012-Б
нет в наличии
Прокладка
Количество на схеме: 8
Информация
Прокладка
Количество
8
Модель
80
Группа
Cистема питания двигателя
Подгруппа
Бак топливный
Порядковый номер детали
012
39
39
Артикул: 354-1101040-Б
нет в наличии
Кронштейн
Количество на схеме: 2
Информация
Кронштейн
Количество
2
Модель
354
Группа
Cистема питания двигателя
Подгруппа
Бак топливный
Порядковый номер детали
040
40
40
Артикул: TORRO50-70/9-C6W
нет в наличии
Хомут «НОРМА»
Количество на схеме: 4
Информация
Хомут «НОРМА»
Количество
4
Примечание
ТУ РБ 903.201.040-2004
41
41
Артикул: МЛ131-1101101
нет в наличии
Рукав
Количество на схеме: 1
Информация
Рукав
Количество
1
Примечание
ГОСТ 10362-75, 56x69-10, L=(560±10)мм
Модель
МЛ131
Группа
Cистема питания двигателя
Подгруппа
Бак топливный
Порядковый номер детали
101
  • Грузовые автомобили
  • Автобусы
  • Сельхозтехника
  • Спецтехника
  • Двигатели
Получить оптовый прайс-лист
Скачать прайс-лист от 07.05.2026 12:00
Специальное предложение от 07.05.2026 13:00
Производители:


  • WEICHAI
  • Автодизель ПАО (ЯМЗ)
  • Тутаевский МЗ
  • ЯЗДА
  • УралАЗ
  • МАЗ
  • АЗПИ
  • BOSCH
  • ММЗ
  • ШААЗ
  • FEDERAL MOGUL
  • ПРАМО
  • Мотордеталь
  • ТАИМ
  • АвтоКрАЗ
  • БЕЛКАРД
  • CZ Strakonice
  • КамАЗ
  • БЗА
  • ЧМЗ
  • BMZ
Новости
Все новости
25 марта 2024
Флагманский седельный тягач «Валдай 45» на выставке «TransRussia»
10 марта 2024
Современные автобусы «CITYMAX 9» и ЛиАЗ-5292 CNG
25 февраля 2024
Серийное производство средних дизельных двигателей повышенной мощности от ЯМЗ
Статьи
Все статьи
Датчики двигателя: за что они отвечают, признаки неисправности и как не прогадать с выбором
Двигатели ЯМЗ-534: история, технические характеристики и области применения
Двигатели ЯМЗ 650: углублённый технический обзор и история
Компания
О компании
Реквизиты
Новости
Политика
Магазины
Информация
Условия оплаты
Условия доставки
Гарантия на товар
Обмен и возврат товара
Помощь
Как оформить заказ
Полезные статьи
Бренды
Пункты выдачи
Оставайтесь на связи
  • Вконтакте
  • YouTube
  • Одноклассники
  • Google Plus
Увидели ошибку?
Выделите, нажав Ctrl + Enter
Наши контакты
8-800-700-35-68
sales@din76.ru
г. Ярославль, Ленинградский пр-т 33, ТЦ "ОМЕГА"
2026 © ООО «Динамика 76» - Все права защищены ООО "Динамика 76"
Предложения на сайте не являются публичной офертой.
На сайте обнаружена ошибка

Текст с ошибкой