Избранное 0 Корзина 0 Личный кабинет
logo
Каталог
Каталог
  • Справочник
    • Грузовые автомобили
    • Автобусы
    • Сельхозтехника
    • Спецтехника
    • Двигатели
  • Доставка
  • Оплата
  • О компании
    • Реквизиты
    • Магазины
    • Оплата
    • Доставка
    • Лицензии и сертификаты
    • Новости
    • Вакансии
  • Контакты
Отправить заявку
Личный кабинет
8 (800) 700-35-68
sales@din76.ru
Избранное 0 Корзина 0
8 (800) 700-35-68
Оптовый прайс-лист
Каталог
  • Двигатели
  • Запчасти WEICHAI
  • Запчасти ЯМЗ, ТМЗ (V-образные)
  • Запчасти ЯМЗ-534, ЯМЗ-536
  • Запчасти ЯМЗ-650, ЯМЗ-651, DCi-11
  • Топливная аппаратура
  • Запчасти УРАЛ
  • Запчасти МАЗ
  • Запчасти КамАЗ
  • Запчасти ММЗ
  • Ремни
Автокаталог (справочник)
  • Доставка
  • Оплата
  • О компании
  • Контакты
8 (800) 700-35-68
Написать в Whatsapp
sales@din76.ru
Динамика 76
Меню  
  • Каталог
    • Двигатели  
      • Двигатели ТМЗ  
        • Двигатели ТМЗ для автомобилей
        • Двигатели ТМЗ для тракторов
        • Специальные двигатели ТМЗ
        • Промышленные двигатели ТМЗ
      • Двигатели ЯМЗ  
        • ЯМЗ 236
        • ЯМЗ 238
        • ЯМЗ 240
        • ЯМЗ 751
        • ЯМЗ 840
        • ЯМЗ 850
        • ЯМЗ 656
        • ЯМЗ 658
        • ЯМЗ 534
        • ЯМЗ 536
        • ЯМЗ 650
        • Двигатели ЯМЗ для электростанций
      • Двигатели КАМАЗ
      • Двигатели ММЗ
      • Двигатели индивидуальной сборки
      • Комплекты переоборудования
    • Запчасти WEICHAI  
      • Основные запчасти двигателя  
        • Клапаны и толкатели
        • Шатуны
        • Вал коленчатый и маховик
        • Вал распределительный
        • Цилиндро-поршневая группа
      • Система питания  
        • Форсунки
        • Турбокомпрессор
      • Система смазки  
        • Насос масляный
      • Головка блока
      • Ремкомплекты
      • Система охлаждения  
        • Насос водяной
        • Муфта вязкостная и крыльчатка
      • Фильтры
      • Электрооборудование  
        • Генератор
        • Стартер
    • Запчасти ЯМЗ, ТМЗ (V-образные)  
      • Основные запчасти двигателя  
        • Блок двигателя и комплектующие
        • Валы распределительные и клапаны
        • Головка блока и комплектующие
        • Цилиндро-поршневая группа
        • Маховики и комплектующие
        • Валы коленчатые и комплектующие
        • Шатуны и комплектующие
      • Система питания  
        • Коллекторы и патрубки
        • Топливные трубопроводы
        • Турбокомпрессор
        • Топливные фильтры
      • Электрооборудование двигателя
      • Система охлаждения  
        • Вязкостные муфты и крыльчатки
        • Приводы вентилятора
        • Водяные насосы
        • Водяные трубы и термостаты
      • Коробки переключения передач  
        • 8 Ступенчатые КПП
        • 5 Ступенчатые КПП
        • 9 Ступенчатые КПП
        • Запасные части КПП ЯМЗ, ТМЗ
      • Система смазки  
        • Теплообменник и комплектующие
        • Масляные насосы
        • Фильтры масляные (ФГОМ, ФЦОМ)
      • Сцепление  
        • Запасные части механизма сцепления
        • Муфты (подшипники выжимные)
        • Корзины (диски нажимные)
        • Диски ведомые
      • Прочие запчасти двигателя  
        • Ремкомплекты
        • Привод агрегатов
        • Натяжные устройства
        • Трубки
    • Запчасти ЯМЗ-534, ЯМЗ-536  
      • Основные запчасти двигателя  
        • Цилиндро-поршневая группа
        • Головка блока цилиндров и комплектующие
        • Блок цилиндров и комплектующие
        • Вал коленчатый и маховик
        • Вал распределительный
        • Клапаны и толкатели
        • ГУР (Гидроусилитель руля)
        • Система рециркуляции отработавших газов
        • Выпускной коллектор
      • Система питания  
        • Коллекторы и патрубки
        • Топливные фильтры
        • Турбокомпрессор
        • Топливные трубопроводы
      • Система смазки  
        • Масляный картер поддон
        • Масляный насос
        • Теплообменник /Водо-масляный радиатор
        • Фильтры масляные (ФГОМ, ФЦОМ)
      • Пневмокомпрессор и натяжное
      • Система охлаждения  
        • Водяной насос
        • Водяные трубы и патрубки
        • Муфты вязкостные, приводы, крыльчатки
      • Ремкомплекты
      • Сцепление
      • Электрооборудование
    • Запчасти ЯМЗ-650, ЯМЗ-651, DCi-11  
      • Основные запчасти двигателя  
        • Цилиндро-поршневая группа
        • Головка блока цилиндров и комплектующие
        • Блок цилиндров и комплектующие
        • Вал коленчатый и маховик
        • Выпускной коллектор
        • Вал распределительный
        • Клапаны и толкатели
        • ГУР (Гидроусилитель руля)
        • Система рециркуляции отработавших газов
      • Система питания  
        • Коллекторы и патрубки
        • Топливные трубопроводы
        • Топливные фильтры
        • Турбокомпрессор
      • Система смазки  
        • Масляный картер / поддон
        • Масляный насос
        • Теплообменник / Водо-масляный радиатор
        • Фильтры масляные (ФГОМ, ФЦОМ)
      • Система охлаждения  
        • Водяной насос
        • Водяные трубы и патрубки
        • Муфты вязкостные, приводы, крыльчатки
      • Ремкомплекты
      • Пневмокомпрессор и натяжное
      • Электрооборудование
      • Сцепление
    • Топливная аппаратура  
      • ЯЗДА  
        • Распылители
        • ТНВД
        • Форсунки
        • Топливный насос низкого давления
        • Пары плунжерные
        • Муфта опережения впрыска топлива
        • Запчасти и комплектующие ТНВД
      • НЗТА
      • АЗПИ  
        • Распылители
        • Форсунки
      • BOSCH
    • Запчасти УРАЛ  
      • Трансмиссия  
        • Коробка раздаточная
        • Передача карданная
        • Мост задний
        • Мост передний (ведущий)
        • Мост средний (промежуточный)
      • Кузов  
        • Дверь кабины
        • Капот, крылья, облицовка радиатора
        • Окно ветровое и заднее
        • Отопление и вентиляция кабины
        • Кабина
      • Механизмы управления  
        • Управление рулевое
        • Тормоза
      • Дополнительное оборудование  
        • Отбор мощности
        • Устройство седельное
      • Электрооборудование
      • Ходовая часть  
        • Колеса и ступицы
        • Ось передняя
        • Подвеска автомобиля
        • Рама
    • Запчасти МАЗ  
      • Трансмиссия  
        • Мост задний
        • Мост передний (ведущий)
        • Передача карданная
        • Мост средний (промежуточный)
      • Кузов  
        • Кабина
        • Дверь кабины
        • Детали основания кабины
        • Окно ветровое и заднее
        • Платформа
      • Механизмы управления  
        • Тормоза
        • Управление рулевое
      • Ходовая часть  
        • Колеса и ступицы
        • Ось передняя
        • Подвеска автомобиля
        • Рама
    • Запчасти КамАЗ  
      • Кузов  
        • Кабина
        • Капот, крылья, облицовка радиатора
        • Дверь кабины
        • Платформа
        • Окно ветровое и заднее
        • Устройство подъемное и опрокидывающее
        • Сиденье
        • Крыша кабины (крыша кузова)
        • Отопление и вентиляция кабины
      • Трансмиссия  
        • Коробка передач
        • Коробка раздаточная
        • Мост задний
        • Сцепление
        • Мост средний (промежуточный)
        • Передача карданная
        • Мост передний (ведущий)
      • Двигатель  
        • Основные запчасти двигателя
        • Система охлаждения
        • Система питания
        • Система смазки
      • Дополнительное оборудование  
        • Отбор мощности
        • Устройство седельное
      • Ходовая часть  
        • Подвеска автомобиля
        • Рама
        • Колеса и ступицы
        • Ось передняя
      • Механизмы управления  
        • Тормоза
        • Управление рулевое
      • Электрооборудование
    • Запчасти ММЗ
    • Ремни
  • Справочник
    • Грузовые автомобили
    • Автобусы
    • Сельхозтехника
    • Спецтехника
    • Двигатели
  • Как купить
    • Условия оплаты
    • Условия доставки
    • Гарантия на товар
    • Пункты выдачи
  • Услуги
    • Капитальный ремонт двигателей ЯМЗ
  • Акции
  • Статьи
  • Контакты
  • Компания
    • Реквизиты
    • Магазины
    • Оплата
    • Доставка
    • Лицензии и сертификаты
    • Новости
    • Вакансии
Избранное 0 Корзина 0
8-800-700-35-68

Электрооборудование гидросистемы. Панель боковая на БЕЛАРУС 1502 (до 2015 г.)

Справочник
Главная
-
Автокаталог
-
Спецтехника
-
МТЗ
-
БЕЛАРУС 1502
Справочный каталог

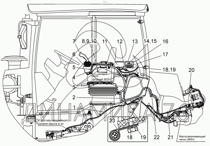
Электрооборудование гидросистемы. Панель боковая — БЕЛАРУС 1502:

1502-3700150 1502-8700750 1 2 3 4 5 6 7 8 9 10 11 12 13 14 15 16 17 18 18 19 19 20 20 21 22 23
в наличии
нет в наличии
масштаб

В наличии
Нет в наличии

Перечень комплектующих от Электрооборудование гидросистемы. Панель боковая на БЕЛАРУС 1502

Схемы запчастей предназначены для справочных целей! Мы продаем не все запчасти от Электрооборудование гидросистемы. Панель боковая на БЕЛАРУС 1502, представленные в этом списке.
Наличие на складах по деталям с ценой смотрите в карточке товара.
Артикул: 1502-3700150
нет в наличии
Электрооборудование гидросистемы
Количество на схеме: –
Информация
Электрооборудование гидросистемы
Количество
–
Примечание
2, 5 - 10, 22
Модель
1502
Группа
Электрооборудование
Подгруппа
3700
Порядковый номер детали
150
Артикул: 1502-8700750
нет в наличии
Панель боковая
Количество на схеме: 1
Информация
Панель боковая
Количество
1
Примечание
1, 3, 4, 11 - 21, 23
Модель
1502
Подгруппа
8700
Порядковый номер детали
750
1
1
Артикул: 1502-3724820
нет в наличии
Жгут 820
Количество на схеме: 1
Информация
Жгут 820
Количество
1
Модель
1502
Группа
Электрооборудование
Подгруппа
Электропровода
Порядковый номер детали
820
2
2
Артикул: 1502-3724115
нет в наличии
Жгут
Количество на схеме: 1
Информация
Жгут
Количество
1
Модель
1502
Группа
Электрооборудование
Подгруппа
Электропровода
Порядковый номер детали
115
3
3
Артикул: 1502-8700616
нет в наличии
Пластина
Количество на схеме: 1
Информация
Пластина
Количество
1
Модель
1502
Подгруппа
8700
Порядковый номер детали
616
4
4
Артикул: ВинтВ-М4-6gх20-58-019
нет в наличии
Винт
Количество на схеме: 4
Информация
Винт
Количество
4
Примечание
ГОСТ 17474-80
5
5
Артикул: 577391-2
нет в наличии
Кабель джойстика
Количество на схеме: 1
Информация
Кабель джойстика
Количество
1
Покрытие
фосфатирование и промасливание
6
6
Артикул: ВинтВ-М5-6gх16-58-019
нет в наличии
Винт
Количество на схеме: 4
Информация
Винт
Количество
4
Примечание
ГОСТ 17475-80
7
7
Артикул: 577391-1
нет в наличии
Джойстик
Количество на схеме: 1
Информация
Джойстик
Количество
1
Покрытие
окраска в черный цвет
8
8
Артикул: 70-1115012-01
нет в наличии
Хомутик
Количество на схеме: 3
Информация
Хомутик
Количество
3
Модель
70
Группа
Cистема питания двигателя
Подгруппа
1115
Порядковый номер детали
012
9
9
Артикул: БолтМ8-6gх14-88-35-019
нет в наличии
Болт
Количество на схеме: 1
Информация
Болт
Количество
1
Примечание
ГОСТ 7798-70
10
10
Артикул: 4598166046
нет в наличии
Шайба 8Т
Количество на схеме: 1
Информация
Шайба 8Т
Количество
1
Примечание
ОСТ 37.001.115-75
Группа
Лебедка
Подгруппа
4598
Порядковый номер детали
166
Дополнительно
Не взаимозаменяема с деталью, выпущенной ранее под этим же номером
11
11
Артикул: 1502-8700770
нет в наличии
Панель
Количество на схеме: 1
Информация
Панель
Количество
1
Модель
1502
Подгруппа
8700
Порядковый номер детали
770
12
12
Артикул: ВинтВ-М6-6gх20-58-019
нет в наличии
Винт
Количество на схеме: 4
Информация
Винт
Количество
4
Примечание
ГОСТ 17474-80
13
13
Артикул: 1502-3724825
нет в наличии
Жгут
Количество на схеме: 1
Информация
Жгут
Количество
1
Модель
1502
Группа
Электрооборудование
Подгруппа
Электропровода
Порядковый номер детали
825
14
14
Артикул: 80-3805065
нет в наличии
Винт
Количество на схеме: 1
Информация
Винт
Количество
1
Модель
80
Группа
Приборы
Подгруппа
Щиток прибора
Порядковый номер детали
065
15
15
Артикул: Кольцо006-010-25-1-4
нет в наличии
Кольцо 006-010-25-1-4
Количество на схеме: 1
Информация
Кольцо 006-010-25-1-4
Количество
1
Примечание
ГОСТ 18829-73/ГОСТ 9833-73
16
16
Артикул: 822-3801341
нет в наличии
Щиток
Количество на схеме: 1
Информация
Щиток
Количество
1
Модель
822
Группа
Приборы
Подгруппа
Щиток приборов (комбинация)
Порядковый номер детали
341
17
17
Артикул: БП-2
нет в наличии
Блок предохранителей
Количество на схеме: 1
Информация
Блок предохранителей
Количество
1
Примечание
ТУ РБ 03428193.095-97
18
18
Артикул: БолтМ6-6gх12-88-35-019
нет в наличии
Болт
Количество на схеме: 4
Информация
Болт
Количество
4
Примечание
ГОСТ 7798-70
19
19
Артикул: 4598166045
нет в наличии
Шайба 6Т
Количество на схеме: 4
Информация
Шайба 6Т
Количество
4
Примечание
ОСТ 37.001.115-75
Группа
Лебедка
Подгруппа
4598
Порядковый номер детали
166
Дополнительно
Не взаимозаменяема с деталью, выпущенной ранее под этим же номером
20
20
Артикул: 145000AB
нет в наличии
Выключатель кнопочный
Количество на схеме: 1
Информация
Выключатель кнопочный
Количество
1
Покрытие
без покрытия
20
20
Артикул: ВК60-3710
нет в наличии
Выключатель
Количество на схеме: 1
Информация
Выключатель
Количество
1
Примечание
ТУ BY 101265661.010-2010
21
21
Артикул: 80-3723045
нет в наличии
Манжета
Количество на схеме: 8
Информация
Манжета
Количество
8
Модель
80
Группа
Электрооборудование
Подгруппа
Соединители электропроводов
Порядковый номер детали
045
22
22
Артикул: 80-3723045-01
нет в наличии
Манжета
Количество на схеме: 12
Информация
Манжета
Количество
12
Модель
80
Группа
Электрооборудование
Подгруппа
Соединители электропроводов
Порядковый номер детали
045
23
23
Артикул: 52-98-710-05
нет в наличии
Хомутик
Количество на схеме: 3
Информация
Хомутик
Количество
3
  • Грузовые автомобили
  • Автобусы
  • Сельхозтехника
  • Спецтехника
  • Двигатели
Получить оптовый прайс-лист
Скачать прайс-лист от 08.05.2026 12:00
Специальное предложение от 08.05.2026 13:00
Производители:


  • WEICHAI
  • Автодизель ПАО (ЯМЗ)
  • Тутаевский МЗ
  • ЯЗДА
  • УралАЗ
  • МАЗ
  • АЗПИ
  • BOSCH
  • ММЗ
  • ШААЗ
  • FEDERAL MOGUL
  • ПРАМО
  • Мотордеталь
  • ТАИМ
  • АвтоКрАЗ
  • БЕЛКАРД
  • CZ Strakonice
  • КамАЗ
  • БЗА
  • ЧМЗ
  • BMZ
Новости
Все новости
25 марта 2024
Флагманский седельный тягач «Валдай 45» на выставке «TransRussia»
10 марта 2024
Современные автобусы «CITYMAX 9» и ЛиАЗ-5292 CNG
25 февраля 2024
Серийное производство средних дизельных двигателей повышенной мощности от ЯМЗ
Статьи
Все статьи
Датчики двигателя: за что они отвечают, признаки неисправности и как не прогадать с выбором
Двигатели ЯМЗ-534: история, технические характеристики и области применения
Двигатели ЯМЗ 650: углублённый технический обзор и история
Компания
О компании
Реквизиты
Новости
Политика
Магазины
Информация
Условия оплаты
Условия доставки
Гарантия на товар
Обмен и возврат товара
Помощь
Как оформить заказ
Полезные статьи
Бренды
Пункты выдачи
Оставайтесь на связи
  • Вконтакте
  • YouTube
  • Одноклассники
  • Google Plus
Увидели ошибку?
Выделите, нажав Ctrl + Enter
Наши контакты
8-800-700-35-68
sales@din76.ru
г. Ярославль, Ленинградский пр-т 33, ТЦ "ОМЕГА"
2026 © ООО «Динамика 76» - Все права защищены ООО "Динамика 76"
Предложения на сайте не являются публичной офертой.
На сайте обнаружена ошибка

Текст с ошибкой