Избранное 0 Корзина 0 Личный кабинет
logo
Каталог
Каталог
  • Справочник
    • Грузовые автомобили
    • Автобусы
    • Сельхозтехника
    • Спецтехника
    • Двигатели
  • Доставка
  • Оплата
  • О компании
    • Реквизиты
    • Магазины
    • Оплата
    • Доставка
    • Лицензии и сертификаты
    • Новости
    • Вакансии
  • Контакты
Отправить заявку
Личный кабинет
8 (800) 700-35-68
sales@din76.ru
Избранное 0 Корзина 0
8 (800) 700-35-68
Оптовый прайс-лист
Каталог
  • Двигатели
  • Запчасти WEICHAI
  • Запчасти ЯМЗ, ТМЗ (V-образные)
  • Запчасти ЯМЗ-534, ЯМЗ-536
  • Запчасти ЯМЗ-650, ЯМЗ-651, DCi-11
  • Топливная аппаратура
  • Запчасти УРАЛ
  • Запчасти МАЗ
  • Запчасти КамАЗ
  • Запчасти ММЗ
  • Ремни
Автокаталог (справочник)
  • Доставка
  • Оплата
  • О компании
  • Контакты
8 (800) 700-35-68
Написать в Whatsapp
sales@din76.ru
Динамика 76
Меню  
  • Каталог
    • Двигатели  
      • Двигатели ТМЗ  
        • Двигатели ТМЗ для автомобилей
        • Двигатели ТМЗ для тракторов
        • Специальные двигатели ТМЗ
        • Промышленные двигатели ТМЗ
      • Двигатели ЯМЗ  
        • ЯМЗ 236
        • ЯМЗ 238
        • ЯМЗ 240
        • ЯМЗ 751
        • ЯМЗ 840
        • ЯМЗ 850
        • ЯМЗ 656
        • ЯМЗ 658
        • ЯМЗ 534
        • ЯМЗ 536
        • ЯМЗ 650
        • Двигатели ЯМЗ для электростанций
      • Двигатели КАМАЗ
      • Двигатели ММЗ
      • Двигатели индивидуальной сборки
      • Комплекты переоборудования
    • Запчасти WEICHAI  
      • Основные запчасти двигателя  
        • Клапаны и толкатели
        • Шатуны
        • Вал коленчатый и маховик
        • Вал распределительный
        • Цилиндро-поршневая группа
      • Система питания  
        • Форсунки
        • Турбокомпрессор
      • Система смазки  
        • Насос масляный
      • Головка блока
      • Ремкомплекты
      • Система охлаждения  
        • Насос водяной
        • Муфта вязкостная и крыльчатка
      • Фильтры
      • Электрооборудование  
        • Генератор
        • Стартер
    • Запчасти ЯМЗ, ТМЗ (V-образные)  
      • Основные запчасти двигателя  
        • Блок двигателя и комплектующие
        • Валы распределительные и клапаны
        • Головка блока и комплектующие
        • Цилиндро-поршневая группа
        • Маховики и комплектующие
        • Валы коленчатые и комплектующие
        • Шатуны и комплектующие
      • Система питания  
        • Коллекторы и патрубки
        • Топливные трубопроводы
        • Турбокомпрессор
        • Топливные фильтры
      • Электрооборудование двигателя
      • Система охлаждения  
        • Вязкостные муфты и крыльчатки
        • Приводы вентилятора
        • Водяные насосы
        • Водяные трубы и термостаты
      • Коробки переключения передач  
        • 8 Ступенчатые КПП
        • 5 Ступенчатые КПП
        • 9 Ступенчатые КПП
        • Запасные части КПП ЯМЗ, ТМЗ
      • Система смазки  
        • Теплообменник и комплектующие
        • Масляные насосы
        • Фильтры масляные (ФГОМ, ФЦОМ)
      • Сцепление  
        • Запасные части механизма сцепления
        • Муфты (подшипники выжимные)
        • Корзины (диски нажимные)
        • Диски ведомые
      • Прочие запчасти двигателя  
        • Ремкомплекты
        • Привод агрегатов
        • Натяжные устройства
        • Трубки
    • Запчасти ЯМЗ-534, ЯМЗ-536  
      • Основные запчасти двигателя  
        • Цилиндро-поршневая группа
        • Головка блока цилиндров и комплектующие
        • Блок цилиндров и комплектующие
        • Вал коленчатый и маховик
        • Вал распределительный
        • Клапаны и толкатели
        • ГУР (Гидроусилитель руля)
        • Система рециркуляции отработавших газов
        • Выпускной коллектор
      • Система питания  
        • Коллекторы и патрубки
        • Топливные фильтры
        • Турбокомпрессор
        • Топливные трубопроводы
      • Система смазки  
        • Масляный картер поддон
        • Масляный насос
        • Теплообменник /Водо-масляный радиатор
        • Фильтры масляные (ФГОМ, ФЦОМ)
      • Пневмокомпрессор и натяжное
      • Система охлаждения  
        • Водяной насос
        • Водяные трубы и патрубки
        • Муфты вязкостные, приводы, крыльчатки
      • Ремкомплекты
      • Сцепление
      • Электрооборудование
    • Запчасти ЯМЗ-650, ЯМЗ-651, DCi-11  
      • Основные запчасти двигателя  
        • Цилиндро-поршневая группа
        • Головка блока цилиндров и комплектующие
        • Блок цилиндров и комплектующие
        • Вал коленчатый и маховик
        • Выпускной коллектор
        • Вал распределительный
        • Клапаны и толкатели
        • ГУР (Гидроусилитель руля)
        • Система рециркуляции отработавших газов
      • Система питания  
        • Коллекторы и патрубки
        • Топливные трубопроводы
        • Топливные фильтры
        • Турбокомпрессор
      • Система смазки  
        • Масляный картер / поддон
        • Масляный насос
        • Теплообменник / Водо-масляный радиатор
        • Фильтры масляные (ФГОМ, ФЦОМ)
      • Система охлаждения  
        • Водяной насос
        • Водяные трубы и патрубки
        • Муфты вязкостные, приводы, крыльчатки
      • Ремкомплекты
      • Пневмокомпрессор и натяжное
      • Электрооборудование
      • Сцепление
    • Топливная аппаратура  
      • ЯЗДА  
        • Распылители
        • ТНВД
        • Форсунки
        • Топливный насос низкого давления
        • Пары плунжерные
        • Муфта опережения впрыска топлива
        • Запчасти и комплектующие ТНВД
      • НЗТА
      • АЗПИ  
        • Распылители
        • Форсунки
      • BOSCH
    • Запчасти УРАЛ  
      • Трансмиссия  
        • Коробка раздаточная
        • Передача карданная
        • Мост задний
        • Мост передний (ведущий)
        • Мост средний (промежуточный)
      • Кузов  
        • Дверь кабины
        • Капот, крылья, облицовка радиатора
        • Окно ветровое и заднее
        • Отопление и вентиляция кабины
        • Кабина
      • Механизмы управления  
        • Управление рулевое
        • Тормоза
      • Дополнительное оборудование  
        • Отбор мощности
        • Устройство седельное
      • Электрооборудование
      • Ходовая часть  
        • Колеса и ступицы
        • Ось передняя
        • Подвеска автомобиля
        • Рама
    • Запчасти МАЗ  
      • Трансмиссия  
        • Мост задний
        • Мост передний (ведущий)
        • Передача карданная
        • Мост средний (промежуточный)
      • Кузов  
        • Кабина
        • Дверь кабины
        • Детали основания кабины
        • Окно ветровое и заднее
        • Платформа
      • Механизмы управления  
        • Тормоза
        • Управление рулевое
      • Ходовая часть  
        • Колеса и ступицы
        • Ось передняя
        • Подвеска автомобиля
        • Рама
    • Запчасти КамАЗ  
      • Кузов  
        • Кабина
        • Капот, крылья, облицовка радиатора
        • Дверь кабины
        • Платформа
        • Окно ветровое и заднее
        • Устройство подъемное и опрокидывающее
        • Сиденье
        • Крыша кабины (крыша кузова)
        • Отопление и вентиляция кабины
      • Трансмиссия  
        • Коробка передач
        • Коробка раздаточная
        • Мост задний
        • Сцепление
        • Мост средний (промежуточный)
        • Передача карданная
        • Мост передний (ведущий)
      • Двигатель  
        • Основные запчасти двигателя
        • Система охлаждения
        • Система питания
        • Система смазки
      • Дополнительное оборудование  
        • Отбор мощности
        • Устройство седельное
      • Ходовая часть  
        • Подвеска автомобиля
        • Рама
        • Колеса и ступицы
        • Ось передняя
      • Механизмы управления  
        • Тормоза
        • Управление рулевое
      • Электрооборудование
    • Запчасти ММЗ
    • Ремни
  • Справочник
    • Грузовые автомобили
    • Автобусы
    • Сельхозтехника
    • Спецтехника
    • Двигатели
  • Как купить
    • Условия оплаты
    • Условия доставки
    • Гарантия на товар
    • Пункты выдачи
  • Услуги
    • Капитальный ремонт двигателей ЯМЗ
  • Акции
  • Статьи
  • Контакты
  • Компания
    • Реквизиты
    • Магазины
    • Оплата
    • Доставка
    • Лицензии и сертификаты
    • Новости
    • Вакансии
Избранное 0 Корзина 0
8-800-700-35-68

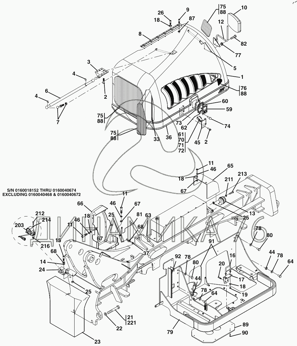
Frame Shrouding & Trim на G9-43A (до 2014 г.)

Справочник
Главная
-
Автокаталог
-
Спецтехника
-
JLG
-
G9-43A
Справочный каталог

Frame Shrouding & Trim — G9-43A:

0100019 0630240 0630407 0641406 0641408 0641408 0641506 0641508 0641608 0641610 0641610 0641610 0641809 0642236 0642236 0651712 0682216 0682216 0682230 0760612 0791612 1001091458 1001096327 1001096344 1001096728 1001097149 1001103567 1001104681 1001114806 1001116366 4341287 4420060 4711400 4711400 4711500 4751400 4751500 4751500 4751600 4751600 4751600 4751600 4751800 4761400 4761600 4761600 4761600 4761700 4761800 4831700 7027772 7027772 7027772 7027772 7131952 77143006 77321274 80241137 80363195 80973025 8270621 8303799 8305624 8307024 8310522 83201147 8466306 88201018 88201549 88501005 88501005 88501005 88501006 88501008 88501012 88501012 88501014 88501307 88521204 88551010 88662523 88662523 88662523 8866514 8866530 90027473 90027473 90027473 90027473 91033029 91140001 91143220 91143357 91401415 91401487 91403097 91403098 91403153 91403217 91403230 91403325 91403503 91403526 91403574 91403600 91404275 91404437 91406115 91471150 91474411 91474411 91474412 91474413 91474416 91474417 91474418 91474419 91474420 91474424 91474425 91474425 91474427 91474472 91505062 91511136 91511167 91513099 91513120 91513121 91513122 91513194 91513197 91513290 91514244 91514245 91514246 91514253 91514262 91514263 91514263 91514263 91514286 91516024 91516044 91516045 CAB NSS NSS SUSPENSION SEAT TILT GAUGE
в наличии
нет в наличии
масштаб

В наличии
Нет в наличии

Перечень комплектующих от Frame Shrouding & Trim на G9-43A

Схемы запчастей предназначены для справочных целей! Мы продаем не все запчасти от Frame Shrouding & Trim на G9-43A, представленные в этом списке.
Наличие на складах по деталям с ценой смотрите в карточке товара.
Артикул: 0100019
нет в наличии
LOCTITE 271TM
Количество на схеме: 1
Информация
LOCTITE 271TM
Количество
1
Подгруппа
0100
Порядковый номер детали
019
Артикул: 0630240
нет в наличии
SOCKET BUTTON HD CAPSCREW
Количество на схеме: 6
Информация
SOCKET BUTTON HD CAPSCREW
Количество
6
Примечание
3/8-16X3/4
Подгруппа
0630
Порядковый номер детали
240
Артикул: 0630407
нет в наличии
SOCKET BUTTON HD CAPSCREW
Количество на схеме: 6
Информация
SOCKET BUTTON HD CAPSCREW
Количество
6
Примечание
1/4-20X5/8
Подгруппа
0630
Порядковый номер детали
407
Артикул: 0641406
нет в наличии
HEX HD CAPSCREW
Количество на схеме: 2
Информация
HEX HD CAPSCREW
Количество
2
Примечание
1/4-20X3/4, GR5, (S/N 0160018152 thru 0160040674 excluding 0160040468 & 0160040672)
Подгруппа
0641
Порядковый номер детали
406
Артикул: 0641408
нет в наличии
HEX HD CAPSCREW
Количество на схеме: 4
Информация
HEX HD CAPSCREW
Количество
4
Примечание
1/4-20X1, GR5
Подгруппа
0641
Порядковый номер детали
408
Артикул: 0641408
нет в наличии
HEX HD CAPSCREW
Количество на схеме: 1
Информация
HEX HD CAPSCREW
Количество
1
Примечание
1/4-20X1, GR5, (Before S/N 0160005715)
Подгруппа
0641
Порядковый номер детали
408
Артикул: 0641506
нет в наличии
HEX HD CAPSCREW
Количество на схеме: 1
Информация
HEX HD CAPSCREW
Количество
1
Примечание
5/16-18X3/4, GR5
Подгруппа
0641
Порядковый номер детали
506
Артикул: 0641508
нет в наличии
HEX HD CAPSCREW
Количество на схеме: 3
Информация
HEX HD CAPSCREW
Количество
3
Примечание
5/16-18X1, GR5
Подгруппа
0641
Порядковый номер детали
508
Артикул: 0641608
нет в наличии
HEX HD CAPSCREW
Количество на схеме: 4
Информация
HEX HD CAPSCREW
Количество
4
Примечание
3/8-16X1, GR5
Подгруппа
0641
Порядковый номер детали
608
Артикул: 0641610
нет в наличии
HEX HD CAPSCREW
Количество на схеме: 7
Информация
HEX HD CAPSCREW
Количество
7
Примечание
3/8-16 X 1-1/4, GR5
Подгруппа
0641
Порядковый номер детали
610
Артикул: 0641809
нет в наличии
HEX HD CAPSCREW
Количество на схеме: 8
Информация
HEX HD CAPSCREW
Количество
8
Примечание
1/2-13X1 1/8
Подгруппа
0641
Порядковый номер детали
809
Артикул: 0642236
нет в наличии
HEX HD CAPSCREW
Количество на схеме: 4
Информация
HEX HD CAPSCREW
Количество
4
Примечание
3/4-10X4-1/2, (torque to 240-255 lb-ft)
Подгруппа
0642
Порядковый номер детали
236
Артикул: 0651712
нет в наличии
HEX HD CAPSCREW
Количество на схеме: 2
Информация
HEX HD CAPSCREW
Количество
2
Примечание
7/16-20X1-1/2, GR5, (S/N 0193001 thru 0160015259)
Подгруппа
0651
Порядковый номер детали
712
Артикул: 0682216
нет в наличии
HEX HD CAPSCREW
Количество на схеме: 8
Информация
HEX HD CAPSCREW
Количество
8
Примечание
3/4-10X2, (torque to 240-255 lb-ft)
Подгруппа
0682
Порядковый номер детали
216
Артикул: 0682230
нет в наличии
HEX HD CAPSCREW
Количество на схеме: 4
Информация
HEX HD CAPSCREW
Количество
4
Примечание
3/4-10X3-3/4, (torque to 340-365 lb-ft)
Подгруппа
0682
Порядковый номер детали
230
Артикул: 0760612
нет в наличии
HEX HD CAPSCREW
Количество на схеме: 2
Информация
HEX HD CAPSCREW
Количество
2
Примечание
M6X1X20, GR8
Подгруппа
0760
Порядковый номер детали
612
Артикул: 0791612
нет в наличии
SCREW
Количество на схеме: 4
Информация
SCREW
Количество
4
Примечание
3/8-16X1-1/2
Подгруппа
0791
Порядковый номер детали
612
Артикул: 1001091458
нет в наличии
COUNTERWEIGHT
Количество на схеме: 1
Информация
COUNTERWEIGHT
Количество
1
Примечание
(with pintle hook)
Группа
Двигатель
Подгруппа
Подвеска двигателя (силового агрегата)
Порядковый номер детали
091
Дополнительно
Не взаимозаменяема с деталью, выпущенной ранее под этим же номером
Артикул: 1001096327
нет в наличии
MIRROR BRACKET
Количество на схеме: 1
Информация
MIRROR BRACKET
Количество
1
Группа
Двигатель
Подгруппа
Подвеска двигателя (силового агрегата)
Порядковый номер детали
096
Дополнительно
Не взаимозаменяема с деталью, выпущенной ранее под этим же номером
Артикул: 1001096344
нет в наличии
LH MIRROR INSTALLATION
Количество на схеме: 1
Информация
LH MIRROR INSTALLATION
Количество
1
Примечание
(not available to order, see items 101 thru 111 for service), (Before S/N 0160032315)
Группа
Двигатель
Подгруппа
Подвеска двигателя (силового агрегата)
Порядковый номер детали
096
Дополнительно
Не взаимозаменяема с деталью, выпущенной ранее под этим же номером
Артикул: 1001096728
нет в наличии
BOLT
Количество на схеме: 1
Информация
BOLT
Количество
1
Примечание
1/2-13
Группа
Двигатель
Подгруппа
Подвеска двигателя (силового агрегата)
Порядковый номер детали
096
Дополнительно
Не взаимозаменяема с деталью, выпущенной ранее под этим же номером
Артикул: 1001097149
нет в наличии
LH MIRROR INSTALLATION
Количество на схеме: 1
Информация
LH MIRROR INSTALLATION
Количество
1
Примечание
(not available to order, see items 102, 103, 108 & 109 for service), (S/N 0160032351 thru 0160040674 excluding 0160040468 & 0160040672)
Группа
Двигатель
Подгруппа
Подвеска двигателя (силового агрегата)
Порядковый номер детали
097
Дополнительно
Не взаимозаменяема с деталью, выпущенной ранее под этим же номером
Артикул: 1001103567
нет в наличии
ACCESS COVER
Количество на схеме: 1
Информация
ACCESS COVER
Количество
1
Примечание
(S/N 0160039218 & After)
Группа
Двигатель
Подгруппа
Подвеска двигателя (силового агрегата)
Порядковый номер детали
103
Дополнительно
Не взаимозаменяема с деталью, выпущенной ранее под этим же номером
Артикул: 1001104681
нет в наличии
ACCESS COVER
Количество на схеме: 1
Информация
ACCESS COVER
Количество
1
Примечание
(S/N 0160015259 thru 0160039218)
Группа
Двигатель
Подгруппа
Подвеска двигателя (силового агрегата)
Порядковый номер детали
104
Дополнительно
Не взаимозаменяема с деталью, выпущенной ранее под этим же номером
Артикул: 1001114806
нет в наличии
ENGINE COVER
Количество на схеме: 1
Информация
ENGINE COVER
Количество
1
Примечание
(includes items 2, 3, 4, 6, 7, 8, 9, 33, 36, 37, 45, 59, 60, 61, 62, 70 thru 77 & 87)
Группа
Двигатель
Подгруппа
Подвеска двигателя (силового агрегата)
Порядковый номер детали
114
Артикул: 1001116366
нет в наличии
FRONT COVER
Количество на схеме: 1
Информация
FRONT COVER
Количество
1
Примечание
(G10-43A)
Группа
Двигатель
Подгруппа
Подвеска двигателя (силового агрегата)
Порядковый номер детали
116
Дополнительно
Не взаимозаменяема с деталью, выпущенной ранее под этим же номером
Артикул: 4341287
нет в наличии
ENGINE POD WELDMENT
Количество на схеме: 1
Информация
ENGINE POD WELDMENT
Количество
1
Примечание
(S/N 0160020943 thru 0160040674 excluding 0160040468 & 0160040672)
Подгруппа
4341
Порядковый номер детали
287
Артикул: 4420060
нет в наличии
DOUBLE SIDED TAPE
Количество на схеме: 1
Информация
DOUBLE SIDED TAPE
Количество
1
Подгруппа
4420
Порядковый номер детали
060
Артикул: 4711400
нет в наличии
FLAT WASHER
Количество на схеме: 1
Информация
FLAT WASHER
Количество
1
Примечание
1/4, (Before S/N 0160005715)
Группа
Оборудование дополнительное
Подгруппа
Электронагреватели сидений
Порядковый номер детали
400
Артикул: 4711400
нет в наличии
FLAT WASHER
Количество на схеме: 2
Информация
FLAT WASHER
Количество
2
Примечание
1/4, (S/N 0160018152 thru 0160040674 excluding 0160040468 & 0160040672)
Группа
Оборудование дополнительное
Подгруппа
Электронагреватели сидений
Порядковый номер детали
400
Артикул: 4711500
нет в наличии
FLAT WASHER
Количество на схеме: 2
Информация
FLAT WASHER
Количество
2
Примечание
1/4, (Before S/N 0160018152)
Группа
Оборудование дополнительное
Подгруппа
Электронагреватели сидений
Порядковый номер детали
500
Артикул: 4751400
нет в наличии
FLAT WASHER
Количество на схеме: 10
Информация
FLAT WASHER
Количество
10
Примечание
1/4
Группа
Оборудование дополнительное
Подгруппа
4751
Порядковый номер детали
400
Артикул: 4751500
нет в наличии
FLAT WASHER
Количество на схеме: 9
Информация
FLAT WASHER
Количество
9
Примечание
5/16, (S/N 0193001 thru 0160015259)
Группа
Оборудование дополнительное
Подгруппа
4751
Порядковый номер детали
500
Артикул: 4751600
нет в наличии
FLAT WASHER
Количество на схеме: 18
Информация
FLAT WASHER
Количество
18
Примечание
3/8
Группа
Оборудование дополнительное
Подгруппа
4751
Порядковый номер детали
600
Артикул: 4751800
нет в наличии
WASHER
Количество на схеме: 1
Информация
WASHER
Количество
1
Примечание
1/2
Группа
Оборудование дополнительное
Подгруппа
4751
Порядковый номер детали
800
Артикул: 4761400
нет в наличии
LOCKWASHER
Количество на схеме: 6
Информация
LOCKWASHER
Количество
6
Примечание
1/4
Группа
Оборудование дополнительное
Подгруппа
4761
Порядковый номер детали
400
Артикул: 4761600
нет в наличии
LOCKWASHER
Количество на схеме: 4
Информация
LOCKWASHER
Количество
4
Примечание
3/8
Группа
Оборудование дополнительное
Подгруппа
4761
Порядковый номер детали
600
Артикул: 4761700
нет в наличии
LOCKWASHER
Количество на схеме: 4
Информация
LOCKWASHER
Количество
4
Примечание
7/16, (S/N 0193001 thru 0160015259)
Группа
Оборудование дополнительное
Подгруппа
4761
Порядковый номер детали
700
Артикул: 4761800
нет в наличии
LOCKWASHER
Количество на схеме: 1
Информация
LOCKWASHER
Количество
1
Примечание
1/2
Группа
Оборудование дополнительное
Подгруппа
4761
Порядковый номер детали
800
Артикул: 4831700
нет в наличии
SPRING LOCKWASHER
Количество на схеме: 2
Информация
SPRING LOCKWASHER
Количество
2
Примечание
6mm
Подгруппа
4831
Порядковый номер детали
700
Артикул: 7027772
нет в наличии
ADHESIVE KIT
Количество на схеме: 1
Информация
ADHESIVE KIT
Количество
1
Примечание
(includes 3 tubes & applicator), (enough to do 6 pc screen kit)
Группа
Сиденье заднее
Подгруппа
7027
Порядковый номер детали
772
Артикул: 7131952
нет в наличии
BULB SEAL
Количество на схеме: 1
Информация
BULB SEAL
Количество
1
Примечание
6 ft
Группа
Сиденье одноместное
Подгруппа
7131
Порядковый номер детали
952
Артикул: 77143006
нет в наличии
WHIZ-LOCK NUT
Количество на схеме: 4
Информация
WHIZ-LOCK NUT
Количество
4
Примечание
5/16-18, (S/N 0193001 thru 0160015259)
Подгруппа
7714
Порядковый номер детали
300
Артикул: 77321274
нет в наличии
HEX HD CAPSCREW
Количество на схеме: 2
Информация
HEX HD CAPSCREW
Количество
2
Примечание
7/8-9X5, (torque to 530-565 lb-ft)
Подгруппа
7732
Порядковый номер детали
127
Артикул: 80241137
нет в наличии
WASHER
Количество на схеме: 4
Информация
WASHER
Количество
4
Группа
Оборудование специализированное
Подгруппа
8024
Порядковый номер детали
113
Артикул: 80363195
нет в наличии
MIRROR
Количество на схеме: 1
Информация
MIRROR
Количество
1
Группа
Оборудование специализированное
Подгруппа
Крепление возимого оборудования
Порядковый номер детали
319
Артикул: 80973025
нет в наличии
WHIZ-LOCK BOLT
Количество на схеме: 4
Информация
WHIZ-LOCK BOLT
Количество
4
Примечание
3/8-16X1
Группа
Оборудование специализированное
Подгруппа
8097
Порядковый номер детали
302
Артикул: 8270621
нет в наличии
BACK-UP ALARM
Количество на схеме: 1
Информация
BACK-UP ALARM
Количество
1
Примечание
(S/N 0160018152 thru 0160040674 excluding 0160040468 & 0160040672)
Группа
Принадлежности кабины
Подгруппа
8270
Порядковый номер детали
621
Артикул: 8303799
нет в наличии
HEX HD CAPSCREW
Количество на схеме: 2
Информация
HEX HD CAPSCREW
Количество
2
Примечание
6-1X14mm, GR8.8
Подгруппа
8303
Порядковый номер детали
799
Артикул: 8305624
нет в наличии
ELASTIC LOCKNUT
Количество на схеме: 2
Информация
ELASTIC LOCKNUT
Количество
2
Примечание
1/4-20, (S/N 0160018152 thru 0160040674 excluding 0160040468 & 0160040672)
Подгруппа
8305
Порядковый номер детали
624
Артикул: 8307024
нет в наличии
LOCKWASHER
Количество на схеме: 2
Информация
LOCKWASHER
Количество
2
Примечание
M6
Подгруппа
8307
Порядковый номер детали
024
Артикул: 8310522
нет в наличии
WHIZ-LOCK NUT
Количество на схеме: 6
Информация
WHIZ-LOCK NUT
Количество
6
Примечание
3/8-16
Подгруппа
8310
Порядковый номер детали
522
Артикул: 83201147
нет в наличии
HEX HD CAPSCREW
Количество на схеме: 4
Информация
HEX HD CAPSCREW
Количество
4
Примечание
1/8X8-1/2
Подгруппа
8320
Порядковый номер детали
114
Артикул: 8466306
нет в наличии
TILT GAUGE
Количество на схеме: 1
Информация
TILT GAUGE
Количество
1
Примечание
(with adhesive), (S/N 0160005715 thru 0160040674 excluding 0160040468 & 0160040672)
Группа
Оперение
Подгруппа
8466
Порядковый номер детали
306
Артикул: 88201018
нет в наличии
HEX HD CAPSCREW
Количество на схеме: 2
Информация
HEX HD CAPSCREW
Количество
2
Примечание
5/16-18X3/4, GR5, (Before S/N 0160018152)
Подгруппа
8820
Порядковый номер детали
101
Артикул: 88201549
нет в наличии
HEX HD CAPSCREW
Количество на схеме: 2
Информация
HEX HD CAPSCREW
Количество
2
Примечание
7/16-20X1, GR5
Подгруппа
8820
Порядковый номер детали
154
Артикул: 88501005
нет в наличии
HEX NUT
Количество на схеме: 6
Информация
HEX NUT
Количество
6
Примечание
5/16-18
Подгруппа
8850
Порядковый номер детали
100
Артикул: 88501006
нет в наличии
HEX NUT
Количество на схеме: 2
Информация
HEX NUT
Количество
2
Примечание
3/8-16
Подгруппа
8850
Порядковый номер детали
100
Артикул: 88501008
нет в наличии
HEX NUT
Количество на схеме: 1
Информация
HEX NUT
Количество
1
Примечание
1/2-13
Подгруппа
8850
Порядковый номер детали
100
Артикул: 88501012
нет в наличии
HEX LOCKNUT
Количество на схеме: 8
Информация
HEX LOCKNUT
Количество
8
Примечание
3/4-10
Подгруппа
8850
Порядковый номер детали
101
Артикул: 88501014
нет в наличии
HEX NUT
Количество на схеме: 2
Информация
HEX NUT
Количество
2
Примечание
7/8-9
Подгруппа
8850
Порядковый номер детали
101
Артикул: 88501307
нет в наличии
HEX NUT
Количество на схеме: 4
Информация
HEX NUT
Количество
4
Примечание
7/16-20, (S/N 0193001 thru 0160015259)
Подгруппа
8850
Порядковый номер детали
130
Артикул: 88521204
нет в наличии
HEX LOCKNUT
Количество на схеме: 1
Информация
HEX LOCKNUT
Количество
1
Примечание
1/4-20, (Before S/N 0160005715)
Подгруппа
8852
Порядковый номер детали
120
Артикул: 88551010
нет в наличии
LOCKWASHER
Количество на схеме: 1
Информация
LOCKWASHER
Количество
1
Примечание
5/16
Подгруппа
8855
Порядковый номер детали
101
Артикул: 88662523
нет в наличии
TINNERMAN NUT
Количество на схеме: 9
Информация
TINNERMAN NUT
Количество
9
Подгруппа
8866
Порядковый номер детали
252
Артикул: 8866514
нет в наличии
MIRROR HEAD
Количество на схеме: 1
Информация
MIRROR HEAD
Количество
1
Подгруппа
8866
Порядковый номер детали
514
Артикул: 8866530
нет в наличии
MIRROR MOUNT ARM ASSY
Количество на схеме: 1
Информация
MIRROR MOUNT ARM ASSY
Количество
1
Подгруппа
8866
Порядковый номер детали
530
Артикул: 90027473
нет в наличии
HARDENED WASHER
Количество на схеме: 20
Информация
HARDENED WASHER
Количество
20
Примечание
3/4
Подгруппа
9002
Порядковый номер детали
747
Артикул: 91033029
нет в наличии
SEAT BELT
Количество на схеме: 1
Информация
SEAT BELT
Количество
1
Примечание
(not used with optional seat), (includes items 47, 56 & 57)
Подгруппа
9103
Порядковый номер детали
302
Артикул: 91140001
нет в наличии
COUNTERWEIGHT
Количество на схеме: 1
Информация
COUNTERWEIGHT
Количество
1
Примечание
(no pintle hook)
Подгруппа
9114
Порядковый номер детали
000
Артикул: 91143220
нет в наличии
TRIM-LOCK
Количество на схеме: 1
Информация
TRIM-LOCK
Количество
1
Примечание
60 in
Подгруппа
9114
Порядковый номер детали
322
Артикул: 91143357
нет в наличии
HORN
Количество на схеме: 1
Информация
HORN
Количество
1
Подгруппа
9114
Порядковый номер детали
335
Артикул: 91401415
нет в наличии
ACCESS COVER
Количество на схеме: 1
Информация
ACCESS COVER
Количество
1
Примечание
(S/N 0193001 thru 0160015259)
Подгруппа
9140
Порядковый номер детали
141
Артикул: 91401487
нет в наличии
CAB FENDER
Количество на схеме: 1
Информация
CAB FENDER
Количество
1
Подгруппа
9140
Порядковый номер детали
148
Артикул: 91403097
нет в наличии
CAB ISOLATOR MOUNT
Количество на схеме: 4
Информация
CAB ISOLATOR MOUNT
Количество
4
Подгруппа
9140
Порядковый номер детали
309
Артикул: 91403098
нет в наличии
TAIL WASHER
Количество на схеме: 4
Информация
TAIL WASHER
Количество
4
Подгруппа
9140
Порядковый номер детали
309
Артикул: 91403153
нет в наличии
SHOCK MOUNT
Количество на схеме: 4
Информация
SHOCK MOUNT
Количество
4
Подгруппа
9140
Порядковый номер детали
315
Артикул: 91403217
нет в наличии
REBOUND WASHER
Количество на схеме: 2
Информация
REBOUND WASHER
Количество
2
Подгруппа
9140
Порядковый номер детали
321
Артикул: 91403230
нет в наличии
MANUAL CASE
Количество на схеме: 1
Информация
MANUAL CASE
Количество
1
Подгруппа
9140
Порядковый номер детали
323
Артикул: 91403325
нет в наличии
HARDENED WASHER
Количество на схеме: 2
Информация
HARDENED WASHER
Количество
2
Подгруппа
9140
Порядковый номер детали
332
Артикул: 91403503
нет в наличии
SPACER
Количество на схеме: 1
Информация
SPACER
Количество
1
Подгруппа
9140
Порядковый номер детали
350
Артикул: 91403526
нет в наличии
TRIMLINE SEAT
Количество на схеме: 1
Информация
TRIMLINE SEAT
Количество
1
Примечание
(no longer available, see Figure 12-29 for replacement), (S/N 0193001 thru 0160015259)
Подгруппа
9140
Порядковый номер детали
352
Артикул: 91403574
нет в наличии
BACK-UP ALARM
Количество на схеме: 1
Информация
BACK-UP ALARM
Количество
1
Примечание
(Before S/N 0160018152)
Подгруппа
9140
Порядковый номер детали
357
Артикул: 91403600
нет в наличии
U-BOLT
Количество на схеме: 1
Информация
U-BOLT
Количество
1
Подгруппа
9140
Порядковый номер детали
360
Артикул: 91404275
нет в наличии
ENGINE COVER KEY
Количество на схеме: 1
Информация
ENGINE COVER KEY
Количество
1
Подгруппа
9140
Порядковый номер детали
427
Артикул: 91404437
нет в наличии
BULB SEAL
Количество на схеме: 1
Информация
BULB SEAL
Количество
1
Примечание
13 ft
Подгруппа
9140
Порядковый номер детали
443
Артикул: 91406115
нет в наличии
RISER WELDMENT
Количество на схеме: 1
Информация
RISER WELDMENT
Количество
1
Примечание
(S/N 0193001 thru 0160015259)
Подгруппа
9140
Порядковый номер детали
611
Артикул: 91471150
нет в наличии
LATCH MOUNTING BRACKET
Количество на схеме: 1
Информация
LATCH MOUNTING BRACKET
Количество
1
Подгруппа
9147
Порядковый номер детали
115
Артикул: 91474411
нет в наличии
HEX HD CAPSCREW
Количество на схеме: 23
Информация
HEX HD CAPSCREW
Количество
23
Примечание
8X3/4
Подгруппа
9147
Порядковый номер детали
441
Артикул: 91474412
нет в наличии
LOCKWASHER
Количество на схеме: 2
Информация
LOCKWASHER
Количество
2
Примечание
5/16
Подгруппа
9147
Порядковый номер детали
441
Артикул: 91474413
нет в наличии
NUT
Количество на схеме: 2
Информация
NUT
Количество
2
Примечание
5/16
Подгруппа
9147
Порядковый номер детали
441
Артикул: 91474416
нет в наличии
RIVETS
Количество на схеме: 4
Информация
RIVETS
Количество
4
Примечание
3/16X1/2
Подгруппа
9147
Порядковый номер детали
441
Артикул: 91474417
нет в наличии
PADDLE HANDLE GASKET
Количество на схеме: 1
Информация
PADDLE HANDLE GASKET
Количество
1
Подгруппа
9147
Порядковый номер детали
441
Артикул: 91474418
нет в наличии
ROTARY LATCH
Количество на схеме: 1
Информация
ROTARY LATCH
Количество
1
Подгруппа
9147
Порядковый номер детали
441
Артикул: 91474419
нет в наличии
LOCKING PADDLE HANDLE
Количество на схеме: 1
Информация
LOCKING PADDLE HANDLE
Количество
1
Подгруппа
9147
Порядковый номер детали
441
Артикул: 91474420
нет в наличии
SOCKET BUTTON HD CAPSCREW
Количество на схеме: 6
Информация
SOCKET BUTTON HD CAPSCREW
Количество
6
Примечание
3/8-16X1-1/4
Подгруппа
9147
Порядковый номер детали
442
Артикул: 91474424
нет в наличии
BALL STUD
Количество на схеме: 2
Информация
BALL STUD
Количество
2
Примечание
13mm
Подгруппа
9147
Порядковый номер детали
442
Артикул: 91474425
нет в наличии
PROP CLIPS
Количество на схеме: 4
Информация
PROP CLIPS
Количество
4
Подгруппа
9147
Порядковый номер детали
442
Артикул: 91474427
нет в наличии
LATCH BACKING PLATE
Количество на схеме: 1
Информация
LATCH BACKING PLATE
Количество
1
Подгруппа
9147
Порядковый номер детали
442
Артикул: 91474472
нет в наличии
ROTARY MOUNTING BRACKET
Количество на схеме: 1
Информация
ROTARY MOUNTING BRACKET
Количество
1
Подгруппа
9147
Порядковый номер детали
447
Артикул: 91505062
нет в наличии
REPLACEMENT PADDLE KIT
Количество на схеме: 1
Информация
REPLACEMENT PADDLE KIT
Количество
1
Примечание
(includes items 59 & 61)
Подгруппа
9150
Порядковый номер детали
506
Артикул: 91511136
нет в наличии
OIL PAN COVER
Количество на схеме: 1
Информация
OIL PAN COVER
Количество
1
Подгруппа
9151
Порядковый номер детали
113
Артикул: 91511167
нет в наличии
COVER PLATE
Количество на схеме: 1
Информация
COVER PLATE
Количество
1
Подгруппа
9151
Порядковый номер детали
116
Артикул: 91513099
нет в наличии
TETHER
Количество на схеме: 1
Информация
TETHER
Количество
1
Примечание
(S/N 0193001 thru 0160015259), (includes items 47, 57 & 58)
Подгруппа
9151
Порядковый номер детали
309
Артикул: 91513120
нет в наличии
ENGINE COVER
Количество на схеме: 1
Информация
ENGINE COVER
Количество
1
Примечание
(no longer available, use 1001114806 for replacement or use items 2, 3, 4, 6, 7, 8, 9, 33, 36, 37, 45, 59, 60, 61, 62, 70 thru 77 & 87 for service)
Подгруппа
9151
Порядковый номер детали
312
Артикул: 91513121
нет в наличии
FRONT COVER
Количество на схеме: 1
Информация
FRONT COVER
Количество
1
Примечание
(G9-43A)
Подгруппа
9151
Порядковый номер детали
312
Артикул: 91513122
нет в наличии
MAIN VALVE COVER
Количество на схеме: 1
Информация
MAIN VALVE COVER
Количество
1
Подгруппа
9151
Порядковый номер детали
312
Артикул: 91513194
нет в наличии
MIRROR BRACKET WELDMENT
Количество на схеме: 1
Информация
MIRROR BRACKET WELDMENT
Количество
1
Подгруппа
9151
Порядковый номер детали
319
Артикул: 91513197
нет в наличии
BULB SEAL
Количество на схеме: 1
Информация
BULB SEAL
Количество
1
Подгруппа
9151
Порядковый номер детали
319
Артикул: 91513290
нет в наличии
ENGINE COVER
Количество на схеме: 1
Информация
ENGINE COVER
Количество
1
Примечание
(no longer available, use 1001114806 for replacement or use items 2, 3, 4, 6, 7, 8, 9, 33, 36, 37, 45, 59, 60, 61, 62, 70 thru 77 & 87 for service)
Подгруппа
9151
Порядковый номер детали
329
Артикул: 91514244
нет в наличии
HINGE
Количество на схеме: 1
Информация
HINGE
Количество
1
Примечание
34 IN
Подгруппа
9151
Порядковый номер детали
424
Артикул: 91514245
нет в наличии
GAS PROP
Количество на схеме: 2
Информация
GAS PROP
Количество
2
Подгруппа
9151
Порядковый номер детали
424
Артикул: 91514246
нет в наличии
PROP BRACKETS
Количество на схеме: 2
Информация
PROP BRACKETS
Количество
2
Подгруппа
9151
Порядковый номер детали
424
Артикул: 91514253
нет в наличии
LINKAGE ROD
Количество на схеме: 1
Информация
LINKAGE ROD
Количество
1
Подгруппа
9151
Порядковый номер детали
425
Артикул: 91514262
нет в наличии
6 PC SCREEN KIT
Количество на схеме: 1
Информация
6 PC SCREEN KIT
Количество
1
Примечание
(adhesive not included)
Подгруппа
9151
Порядковый номер детали
426
Артикул: 91514263
нет в наличии
3 PC SCREEN KIT
Количество на схеме: 1
Информация
3 PC SCREEN KIT
Количество
1
Примечание
(adhesive not included)
Подгруппа
9151
Порядковый номер детали
426
Артикул: 91514286
нет в наличии
MIRROR MOUNT BACK PLATE
Количество на схеме: 2
Информация
MIRROR MOUNT BACK PLATE
Количество
2
Подгруппа
9151
Порядковый номер детали
428
Артикул: 91516024
нет в наличии
ENGINE POD WELDMENT
Количество на схеме: 1
Информация
ENGINE POD WELDMENT
Количество
1
Примечание
(S/N 0193001 thru 0160012095)
Подгруппа
9151
Порядковый номер детали
602
Артикул: 91516044
нет в наличии
RISER WELDMENT
Количество на схеме: 1
Информация
RISER WELDMENT
Количество
1
Примечание
(S/N 00160015460 thru 0160040674 excluding 0160040468 & 0160040672)
Подгруппа
9151
Порядковый номер детали
604
Артикул: 91516045
нет в наличии
ENGINE POD WELDMENT
Количество на схеме: 1
Информация
ENGINE POD WELDMENT
Количество
1
Примечание
(S/N 0160012153 thru 016002093)
Подгруппа
9151
Порядковый номер детали
604
Артикул: CAB
нет в наличии
CAB ASSY
Количество на схеме: 1
Информация
CAB ASSY
Количество
1
Артикул: NSS
нет в наличии
BOLT
Количество на схеме: 2
Информация
BOLT
Количество
2
Примечание
5/16X1-1/2
Артикул: NSS
нет в наличии
FRAME WELDMENT
Количество на схеме: 1
Информация
FRAME WELDMENT
Количество
1
Артикул: SUSPENSION-SEAT
нет в наличии
SUSPENSION SEAT WITH 2 IN SEAT BELT
Количество на схеме: 1
Информация
SUSPENSION SEAT WITH 2 IN SEAT BELT
Количество
1
Артикул: TILT-GAUGE
нет в наличии
TILT GAUGE
Количество на схеме: 1
Информация
TILT GAUGE
Количество
1
Примечание
(no longer available to order, use 8466306 for replacement or items 84 thru 86 for replacement), (Before S/N 0160005715)
  • Грузовые автомобили
  • Автобусы
  • Сельхозтехника
  • Спецтехника
  • Двигатели
Получить оптовый прайс-лист
Скачать прайс-лист от 12.05.2026 16:00
Специальное предложение от 12.05.2026 17:00
Производители:


  • WEICHAI
  • Автодизель ПАО (ЯМЗ)
  • Тутаевский МЗ
  • ЯЗДА
  • УралАЗ
  • МАЗ
  • АЗПИ
  • BOSCH
  • ММЗ
  • ШААЗ
  • FEDERAL MOGUL
  • ПРАМО
  • Мотордеталь
  • ТАИМ
  • АвтоКрАЗ
  • БЕЛКАРД
  • CZ Strakonice
  • КамАЗ
  • БЗА
  • ЧМЗ
  • BMZ
Новости
Все новости
25 марта 2024
Флагманский седельный тягач «Валдай 45» на выставке «TransRussia»
10 марта 2024
Современные автобусы «CITYMAX 9» и ЛиАЗ-5292 CNG
25 февраля 2024
Серийное производство средних дизельных двигателей повышенной мощности от ЯМЗ
Статьи
Все статьи
Датчики двигателя: за что они отвечают, признаки неисправности и как не прогадать с выбором
Двигатели ЯМЗ-534: история, технические характеристики и области применения
Двигатели ЯМЗ 650: углублённый технический обзор и история
Компания
О компании
Реквизиты
Новости
Политика
Магазины
Информация
Условия оплаты
Условия доставки
Гарантия на товар
Обмен и возврат товара
Помощь
Как оформить заказ
Полезные статьи
Бренды
Пункты выдачи
Оставайтесь на связи
  • Вконтакте
  • YouTube
  • Одноклассники
  • Google Plus
Увидели ошибку?
Выделите, нажав Ctrl + Enter
Наши контакты
8-800-700-35-68
sales@din76.ru
г. Ярославль, Ленинградский пр-т 33, ТЦ "ОМЕГА"
2026 © ООО «Динамика 76» - Все права защищены ООО "Динамика 76"
Предложения на сайте не являются публичной офертой.
На сайте обнаружена ошибка

Текст с ошибкой