Избранное 0 Корзина 0 Личный кабинет
logo
Каталог
Каталог
  • Справочник
    • Грузовые автомобили
    • Автобусы
    • Сельхозтехника
    • Спецтехника
    • Двигатели
  • Доставка
  • Оплата
  • О компании
    • Реквизиты
    • Магазины
    • Оплата
    • Доставка
    • Лицензии и сертификаты
    • Новости
    • Вакансии
  • Контакты
Отправить заявку
Личный кабинет
8 (800) 700-35-68
sales@din76.ru
Избранное 0 Корзина 0
8 (800) 700-35-68
Оптовый прайс-лист
Каталог
  • Двигатели
  • Запчасти WEICHAI
  • Запчасти ЯМЗ, ТМЗ (V-образные)
  • Запчасти ЯМЗ-534, ЯМЗ-536
  • Запчасти ЯМЗ-650, ЯМЗ-651, DCi-11
  • Топливная аппаратура
  • Запчасти УРАЛ
  • Запчасти МАЗ
  • Запчасти КамАЗ
  • Запчасти ММЗ
  • Ремни
Автокаталог (справочник)
  • Доставка
  • Оплата
  • О компании
  • Контакты
8 (800) 700-35-68
Написать в Whatsapp
sales@din76.ru
Динамика 76
Меню  
  • Каталог
    • Двигатели  
      • Двигатели ТМЗ  
        • Двигатели ТМЗ для автомобилей
        • Двигатели ТМЗ для тракторов
        • Специальные двигатели ТМЗ
        • Промышленные двигатели ТМЗ
      • Двигатели ЯМЗ  
        • ЯМЗ 236
        • ЯМЗ 238
        • ЯМЗ 240
        • ЯМЗ 751
        • ЯМЗ 840
        • ЯМЗ 850
        • ЯМЗ 656
        • ЯМЗ 658
        • ЯМЗ 534
        • ЯМЗ 536
        • ЯМЗ 650
        • Двигатели ЯМЗ для электростанций
      • Двигатели КАМАЗ
      • Двигатели ММЗ
      • Двигатели индивидуальной сборки
      • Комплекты переоборудования
    • Запчасти WEICHAI  
      • Основные запчасти двигателя  
        • Клапаны и толкатели
        • Шатуны
        • Вал коленчатый и маховик
        • Вал распределительный
        • Цилиндро-поршневая группа
      • Система питания  
        • Форсунки
        • Турбокомпрессор
      • Система смазки  
        • Насос масляный
      • Головка блока
      • Ремкомплекты
      • Система охлаждения  
        • Насос водяной
        • Муфта вязкостная и крыльчатка
      • Фильтры
      • Электрооборудование  
        • Генератор
        • Стартер
    • Запчасти ЯМЗ, ТМЗ (V-образные)  
      • Основные запчасти двигателя  
        • Блок двигателя и комплектующие
        • Валы распределительные и клапаны
        • Головка блока и комплектующие
        • Цилиндро-поршневая группа
        • Маховики и комплектующие
        • Валы коленчатые и комплектующие
        • Шатуны и комплектующие
      • Система питания  
        • Коллекторы и патрубки
        • Топливные трубопроводы
        • Турбокомпрессор
        • Топливные фильтры
      • Электрооборудование двигателя
      • Система охлаждения  
        • Вязкостные муфты и крыльчатки
        • Приводы вентилятора
        • Водяные насосы
        • Водяные трубы и термостаты
      • Коробки переключения передач  
        • 8 Ступенчатые КПП
        • 5 Ступенчатые КПП
        • 9 Ступенчатые КПП
        • Запасные части КПП ЯМЗ, ТМЗ
      • Система смазки  
        • Теплообменник и комплектующие
        • Масляные насосы
        • Фильтры масляные (ФГОМ, ФЦОМ)
      • Сцепление  
        • Запасные части механизма сцепления
        • Муфты (подшипники выжимные)
        • Корзины (диски нажимные)
        • Диски ведомые
      • Прочие запчасти двигателя  
        • Ремкомплекты
        • Привод агрегатов
        • Натяжные устройства
        • Трубки
    • Запчасти ЯМЗ-534, ЯМЗ-536  
      • Основные запчасти двигателя  
        • Цилиндро-поршневая группа
        • Головка блока цилиндров и комплектующие
        • Блок цилиндров и комплектующие
        • Вал коленчатый и маховик
        • Вал распределительный
        • Клапаны и толкатели
        • ГУР (Гидроусилитель руля)
        • Система рециркуляции отработавших газов
        • Выпускной коллектор
      • Система питания  
        • Коллекторы и патрубки
        • Топливные фильтры
        • Турбокомпрессор
        • Топливные трубопроводы
      • Система смазки  
        • Масляный картер поддон
        • Масляный насос
        • Теплообменник /Водо-масляный радиатор
        • Фильтры масляные (ФГОМ, ФЦОМ)
      • Пневмокомпрессор и натяжное
      • Система охлаждения  
        • Водяной насос
        • Водяные трубы и патрубки
        • Муфты вязкостные, приводы, крыльчатки
      • Ремкомплекты
      • Сцепление
      • Электрооборудование
    • Запчасти ЯМЗ-650, ЯМЗ-651, DCi-11  
      • Основные запчасти двигателя  
        • Цилиндро-поршневая группа
        • Головка блока цилиндров и комплектующие
        • Блок цилиндров и комплектующие
        • Вал коленчатый и маховик
        • Выпускной коллектор
        • Вал распределительный
        • Клапаны и толкатели
        • ГУР (Гидроусилитель руля)
        • Система рециркуляции отработавших газов
      • Система питания  
        • Коллекторы и патрубки
        • Топливные трубопроводы
        • Топливные фильтры
        • Турбокомпрессор
      • Система смазки  
        • Масляный картер / поддон
        • Масляный насос
        • Теплообменник / Водо-масляный радиатор
        • Фильтры масляные (ФГОМ, ФЦОМ)
      • Система охлаждения  
        • Водяной насос
        • Водяные трубы и патрубки
        • Муфты вязкостные, приводы, крыльчатки
      • Ремкомплекты
      • Пневмокомпрессор и натяжное
      • Электрооборудование
      • Сцепление
    • Топливная аппаратура  
      • ЯЗДА  
        • Распылители
        • ТНВД
        • Форсунки
        • Топливный насос низкого давления
        • Пары плунжерные
        • Муфта опережения впрыска топлива
        • Запчасти и комплектующие ТНВД
      • НЗТА
      • АЗПИ  
        • Распылители
        • Форсунки
      • BOSCH
    • Запчасти УРАЛ  
      • Трансмиссия  
        • Коробка раздаточная
        • Передача карданная
        • Мост задний
        • Мост передний (ведущий)
        • Мост средний (промежуточный)
      • Кузов  
        • Дверь кабины
        • Капот, крылья, облицовка радиатора
        • Окно ветровое и заднее
        • Отопление и вентиляция кабины
        • Кабина
      • Механизмы управления  
        • Управление рулевое
        • Тормоза
      • Дополнительное оборудование  
        • Отбор мощности
        • Устройство седельное
      • Электрооборудование
      • Ходовая часть  
        • Колеса и ступицы
        • Ось передняя
        • Подвеска автомобиля
        • Рама
    • Запчасти МАЗ  
      • Трансмиссия  
        • Мост задний
        • Мост передний (ведущий)
        • Передача карданная
        • Мост средний (промежуточный)
      • Кузов  
        • Кабина
        • Дверь кабины
        • Детали основания кабины
        • Окно ветровое и заднее
        • Платформа
      • Механизмы управления  
        • Тормоза
        • Управление рулевое
      • Ходовая часть  
        • Колеса и ступицы
        • Ось передняя
        • Подвеска автомобиля
        • Рама
    • Запчасти КамАЗ  
      • Кузов  
        • Кабина
        • Капот, крылья, облицовка радиатора
        • Дверь кабины
        • Платформа
        • Окно ветровое и заднее
        • Устройство подъемное и опрокидывающее
        • Сиденье
        • Крыша кабины (крыша кузова)
        • Отопление и вентиляция кабины
      • Трансмиссия  
        • Коробка передач
        • Коробка раздаточная
        • Мост задний
        • Сцепление
        • Мост средний (промежуточный)
        • Передача карданная
        • Мост передний (ведущий)
      • Двигатель  
        • Основные запчасти двигателя
        • Система охлаждения
        • Система питания
        • Система смазки
      • Дополнительное оборудование  
        • Отбор мощности
        • Устройство седельное
      • Ходовая часть  
        • Подвеска автомобиля
        • Рама
        • Колеса и ступицы
        • Ось передняя
      • Механизмы управления  
        • Тормоза
        • Управление рулевое
      • Электрооборудование
    • Запчасти ММЗ
    • Ремни
  • Справочник
    • Грузовые автомобили
    • Автобусы
    • Сельхозтехника
    • Спецтехника
    • Двигатели
  • Как купить
    • Условия оплаты
    • Условия доставки
    • Гарантия на товар
    • Пункты выдачи
  • Услуги
    • Капитальный ремонт двигателей ЯМЗ
  • Акции
  • Статьи
  • Контакты
  • Компания
    • Реквизиты
    • Магазины
    • Оплата
    • Доставка
    • Лицензии и сертификаты
    • Новости
    • Вакансии
Избранное 0 Корзина 0
8-800-700-35-68

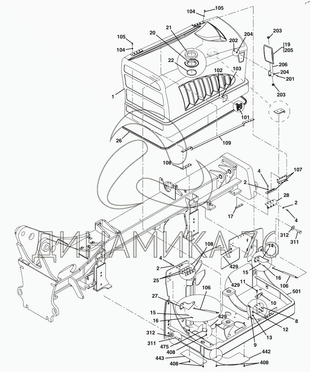
Frame Shrouding & Trim на G10-43A (до 2014 г.)

Справочник
Главная
-
Автокаталог
-
Спецтехника
-
JLG
-
G10-43A
Справочный каталог

Frame Shrouding & Trim — G10-43A:

1001098254 1001112158 91565067 1 2 2 2 4 4 4 8 9 10 11 12 13 14 15 15 16 16 17 19 20 21 22 25 26 27 28 48 101 102 103 104 104 105 105 106 106 107 108 108 109 201 202 203 203 204 204 205 206 311 311 312 312 318 319 320 321 322 323 324 325 327 328 333 408 408 408 429 429 442 443 475 501 551 552 603 604 605 606 607 608 609 610 611 612 701 705 706 707 708 711 713 715 716 746 751 752 769 801 809 815 830 831 832 834 835 836 837 901 902 903 904 951 952 953 954
в наличии
нет в наличии
масштаб

В наличии
Нет в наличии

Перечень комплектующих от Frame Shrouding & Trim на G10-43A

Схемы запчастей предназначены для справочных целей! Мы продаем не все запчасти от Frame Shrouding & Trim на G10-43A, представленные в этом списке.
Наличие на складах по деталям с ценой смотрите в карточке товара.
Артикул: 1001098254
нет в наличии
CAB MOUNTING INSTALLATION
Количество на схеме: 1
Информация
CAB MOUNTING INSTALLATION
Количество
1
Примечание
(not available to order, see items 603 thru 612 for service)
Группа
Двигатель
Подгруппа
Подвеска двигателя (силового агрегата)
Порядковый номер детали
098
Дополнительно
Не взаимозаменяема с деталью, выпущенной ранее под этим же номером
Артикул: 1001112158
нет в наличии
HOOD INSTALLATION
Количество на схеме: 1
Информация
HOOD INSTALLATION
Количество
1
Примечание
(not available to order, see items 1 thru 28 for service)
Группа
Двигатель
Подгруппа
Подвеска двигателя (силового агрегата)
Порядковый номер детали
112
Дополнительно
Не взаимозаменяема с деталью, выпущенной ранее под этим же номером
Артикул: 91565067
нет в наличии
CAB FENDER INSTALLATION
Количество на схеме: 1
Информация
CAB FENDER INSTALLATION
Количество
1
Примечание
(not available to order, see items 551 & 552 for service)
Подгруппа
9156
Порядковый номер детали
506
1
1
Артикул: 1001109338
нет в наличии
ENGINE COVER
Количество на схеме: 1
Информация
ENGINE COVER
Количество
1
Примечание
(includes items 101 thru 109)
Группа
Двигатель
Подгруппа
Подвеска двигателя (силового агрегата)
Порядковый номер детали
109
Дополнительно
Не взаимозаменяема с деталью, выпущенной ранее под этим же номером
2
2
Артикул: 4711600
нет в наличии
WASHER
Количество на схеме: 14
Информация
WASHER
Количество
14
Примечание
3/8
Группа
Оборудование дополнительное
Подгруппа
Электронагреватели сидений
Порядковый номер детали
600
4
4
Артикул: 0641608
нет в наличии
HEX HD CAPSCREW
Количество на схеме: 14
Информация
HEX HD CAPSCREW
Количество
14
Примечание
3/8-16X1, GR5
Подгруппа
0641
Порядковый номер детали
608
8
8
Артикул: 1001108965
нет в наличии
LATCH MOUNT BRACKET
Количество на схеме: 1
Информация
LATCH MOUNT BRACKET
Количество
1
Группа
Двигатель
Подгруппа
Подвеска двигателя (силового агрегата)
Порядковый номер детали
108
Дополнительно
Не взаимозаменяема с деталью, выпущенной ранее под этим же номером
9
9
Артикул: 0791612
нет в наличии
SCREW
Количество на схеме: 4
Информация
SCREW
Количество
4
Примечание
3/8-16X1-1/2
Подгруппа
0791
Порядковый номер детали
612
10
10
Артикул: 1001108966
нет в наличии
LATCH CATCH BRACKET
Количество на схеме: 1
Информация
LATCH CATCH BRACKET
Количество
1
Группа
Двигатель
Подгруппа
Подвеска двигателя (силового агрегата)
Порядковый номер детали
108
Дополнительно
Не взаимозаменяема с деталью, выпущенной ранее под этим же номером
11
11
Артикул: 0791610
нет в наличии
WHIZ-LOCK SCREW
Количество на схеме: 2
Информация
WHIZ-LOCK SCREW
Количество
2
Примечание
3/8-16X1-1/4
Подгруппа
0791
Порядковый номер детали
610
12
12
Артикул: 4751600
нет в наличии
FLAT WASHER
Количество на схеме: 2
Информация
FLAT WASHER
Количество
2
Примечание
3/8
Группа
Оборудование дополнительное
Подгруппа
4751
Порядковый номер детали
600
13
13
Артикул: 88501006
нет в наличии
HEX NUT
Количество на схеме: 2
Информация
HEX NUT
Количество
2
Примечание
3/8-16
Подгруппа
8850
Порядковый номер детали
100
14
14
Артикул: 1001121964
нет в наличии
GAS STRUT FRONT BRACKET
Количество на схеме: 1
Информация
GAS STRUT FRONT BRACKET
Количество
1
Группа
Двигатель
Подгруппа
Подвеска двигателя (силового агрегата)
Порядковый номер детали
121
Дополнительно
Не взаимозаменяема с деталью, выпущенной ранее под этим же номером
15
15
Артикул: 4761400
нет в наличии
LOCKWASHER
Количество на схеме: 8
Информация
LOCKWASHER
Количество
8
Примечание
1/4
Группа
Оборудование дополнительное
Подгруппа
4761
Порядковый номер детали
400
16
16
Артикул: 0641409
нет в наличии
HEX HD CAPSCREW
Количество на схеме: 8
Информация
HEX HD CAPSCREW
Количество
8
Примечание
1/4-20X1-1/8, GR5
Подгруппа
0641
Порядковый номер детали
409
17
17
Артикул: 1001120550
нет в наличии
HOOD HINGE SUPPORT PLATE
Количество на схеме: 1
Информация
HOOD HINGE SUPPORT PLATE
Количество
1
Группа
Двигатель
Подгруппа
Подвеска двигателя (силового агрегата)
Порядковый номер детали
120
Дополнительно
Не взаимозаменяема с деталью, выпущенной ранее под этим же номером
19
19
Артикул: 1001116461
нет в наличии
RH MIRROR INSTALLATION
Количество на схеме: 1
Информация
RH MIRROR INSTALLATION
Количество
1
Примечание
(includes items 201 thru 206)
Группа
Двигатель
Подгруппа
Подвеска двигателя (силового агрегата)
Порядковый номер детали
116
Дополнительно
Не взаимозаменяема с деталью, выпущенной ранее под этим же номером
20
20
Артикул: AIR-FILTER-INTAKE-ADAPTER
нет в наличии
AIR FILTER INTAKE ADAPTER
Количество на схеме: 1
Информация
AIR FILTER INTAKE ADAPTER
Количество
1
21
21
Артикул: FOAM-SEAL
нет в наличии
FOAM SEAL
Количество на схеме: 1
Информация
FOAM SEAL
Количество
1
22
22
Артикул: BAND-CLAMP
нет в наличии
BAND CLAMP
Количество на схеме: 1
Информация
BAND CLAMP
Количество
1
25
25
Артикул: 1001120554
нет в наличии
ENGINE HOOD SHIM
Количество на схеме: 2
Информация
ENGINE HOOD SHIM
Количество
2
Группа
Двигатель
Подгруппа
Подвеска двигателя (силового агрегата)
Порядковый номер детали
120
Дополнительно
Не взаимозаменяема с деталью, выпущенной ранее под этим же номером
26
26
Артикул: 1001120639
нет в наличии
BULB SEAL
Количество на схеме: 1
Информация
BULB SEAL
Количество
1
Примечание
129 in
Группа
Двигатель
Подгруппа
Подвеска двигателя (силового агрегата)
Порядковый номер детали
120
Дополнительно
Не взаимозаменяема с деталью, выпущенной ранее под этим же номером
27
27
Артикул: 1001121965
нет в наличии
GAS STRUT REAR BRACKET
Количество на схеме: 1
Информация
GAS STRUT REAR BRACKET
Количество
1
Группа
Двигатель
Подгруппа
Подвеска двигателя (силового агрегата)
Порядковый номер детали
121
Дополнительно
Не взаимозаменяема с деталью, выпущенной ранее под этим же номером
28
28
Артикул: 1001121659
нет в наличии
HOOD HINGE MOUNT PLATE
Количество на схеме: 1
Информация
HOOD HINGE MOUNT PLATE
Количество
1
Группа
Двигатель
Подгруппа
Подвеска двигателя (силового агрегата)
Порядковый номер детали
121
Дополнительно
Не взаимозаменяема с деталью, выпущенной ранее под этим же номером
48
48
Артикул: 1001103663
нет в наличии
RISER WELDMENT
Количество на схеме: 1
Информация
RISER WELDMENT
Количество
1
Группа
Двигатель
Подгруппа
Подвеска двигателя (силового агрегата)
Порядковый номер детали
103
Дополнительно
Не взаимозаменяема с деталью, выпущенной ранее под этим же номером
101
101
Артикул: 1001122219
нет в наличии
COMPRESSION LATCH
Количество на схеме: 1
Информация
COMPRESSION LATCH
Количество
1
Группа
Двигатель
Подгруппа
Подвеска двигателя (силового агрегата)
Порядковый номер детали
122
Дополнительно
Не взаимозаменяема с деталью, выпущенной ранее под этим же номером
102
102
Артикул: 3290605
нет в наличии
LOCKNUT
Количество на схеме: 4
Информация
LOCKNUT
Количество
4
Примечание
6X1mm
Подгруппа
3290
Порядковый номер детали
605
103
103
Артикул: 4811700
нет в наличии
WASHER
Количество на схеме: 4
Информация
WASHER
Количество
4
Примечание
6mm
Подгруппа
4811
Порядковый номер детали
700
104
104
Артикул: 4711600
нет в наличии
WASHER
Количество на схеме: 8
Информация
WASHER
Количество
8
Примечание
3/8
Группа
Оборудование дополнительное
Подгруппа
Электронагреватели сидений
Порядковый номер детали
600
105
105
Артикул: 3900316
нет в наличии
BUTTON HD CAPSCREW
Количество на схеме: 8
Информация
BUTTON HD CAPSCREW
Количество
8
Примечание
3/8-16X1
Группа
Инструмент шоферский и принадлежности
Подгруппа
3900
Порядковый номер детали
316
106
106
Артикул: 1001114294
нет в наличии
GAS SPRING
Количество на схеме: 2
Информация
GAS SPRING
Количество
2
Группа
Двигатель
Подгруппа
Подвеска двигателя (силового агрегата)
Порядковый номер детали
114
Дополнительно
Не взаимозаменяема с деталью, выпущенной ранее под этим же номером
107
107
Артикул: 1001114295
нет в наличии
ENGINE COVER HINGE
Количество на схеме: 1
Информация
ENGINE COVER HINGE
Количество
1
Примечание
FRONT
Группа
Двигатель
Подгруппа
Подвеска двигателя (силового агрегата)
Порядковый номер детали
114
Дополнительно
Не взаимозаменяема с деталью, выпущенной ранее под этим же номером
108
108
Артикул: 1001114296
нет в наличии
ENGINE COVER HINGE
Количество на схеме: 1
Информация
ENGINE COVER HINGE
Количество
1
Примечание
REAR
Группа
Двигатель
Подгруппа
Подвеска двигателя (силового агрегата)
Порядковый номер детали
114
Дополнительно
Не взаимозаменяема с деталью, выпущенной ранее под этим же номером
109
109
Артикул: 1001114297
нет в наличии
ENGINE COVER SUPPORT BAR
Количество на схеме: 1
Информация
ENGINE COVER SUPPORT BAR
Количество
1
Группа
Двигатель
Подгруппа
Подвеска двигателя (силового агрегата)
Порядковый номер детали
114
Дополнительно
Не взаимозаменяема с деталью, выпущенной ранее под этим же номером
201
201
Артикул: 0641409
нет в наличии
HEX HD CAPSCREW
Количество на схеме: 2
Информация
HEX HD CAPSCREW
Количество
2
Примечание
1/4-20X1-1/8, GR5
Подгруппа
0641
Порядковый номер детали
409
202
202
Артикул: 3311405
нет в наличии
HEX LOCKNUT
Количество на схеме: 2
Информация
HEX LOCKNUT
Количество
2
Примечание
1/4-20
Подгруппа
3311
Порядковый номер детали
405
203
203
Артикул: 3520176
нет в наличии
PLUG
Количество на схеме: 2
Информация
PLUG
Количество
2
Примечание
1.25
Группа
Тормоза
Подгруппа
Кран разобщительный
Порядковый номер детали
176
204
204
Артикул: 4751400
нет в наличии
FLAT WASHER
Количество на схеме: 4
Информация
FLAT WASHER
Количество
4
Примечание
1/4
Группа
Оборудование дополнительное
Подгруппа
4751
Порядковый номер детали
400
205
205
Артикул: 8866348
нет в наличии
MIRROR ASSEMBLY
Количество на схеме: 1
Информация
MIRROR ASSEMBLY
Количество
1
Подгруппа
8866
Порядковый номер детали
348
206
206
Артикул: 1001116318
нет в наличии
MIRROR BRACKET
Количество на схеме: 1
Информация
MIRROR BRACKET
Количество
1
Группа
Двигатель
Подгруппа
Подвеска двигателя (силового агрегата)
Порядковый номер детали
116
Дополнительно
Не взаимозаменяема с деталью, выпущенной ранее под этим же номером
311
311
Артикул: 0682420
нет в наличии
HEX HD CAPSCREW
Количество на схеме: 8
Информация
HEX HD CAPSCREW
Количество
8
Примечание
7/8-9X2-1/2, GR8
Подгруппа
0682
Порядковый номер детали
420
312
312
Артикул: 4892400
нет в наличии
WASHER
Количество на схеме: 8
Информация
WASHER
Количество
8
Примечание
7/8
Подгруппа
4892
Порядковый номер детали
400
318
318
Артикул: 0641406
нет в наличии
HEX HD CAPSCREW
Количество на схеме: 2
Информация
HEX HD CAPSCREW
Количество
2
Примечание
1/4-20X3/4, GR5
Подгруппа
0641
Порядковый номер детали
406
319
319
Артикул: 0641504
нет в наличии
HEX HD CAPSCREW
Количество на схеме: 1
Информация
HEX HD CAPSCREW
Количество
1
Примечание
5/16-18X1/2, GR5
Подгруппа
0641
Порядковый номер детали
504
320
320
Артикул: 4711400
нет в наличии
FLAT WASHER
Количество на схеме: 2
Информация
FLAT WASHER
Количество
2
Примечание
1/4
Группа
Оборудование дополнительное
Подгруппа
Электронагреватели сидений
Порядковый номер детали
400
321
321
Артикул: 4761500
нет в наличии
LOCKWASHER
Количество на схеме: 1
Информация
LOCKWASHER
Количество
1
Примечание
5/16
Группа
Оборудование дополнительное
Подгруппа
4761
Порядковый номер детали
500
322
322
Артикул: 8270621
нет в наличии
BACK-UP ALARM
Количество на схеме: 1
Информация
BACK-UP ALARM
Количество
1
Группа
Принадлежности кабины
Подгруппа
8270
Порядковый номер детали
621
323
323
Артикул: 8305624
нет в наличии
ELASTIC LOCKNUT
Количество на схеме: 2
Информация
ELASTIC LOCKNUT
Количество
2
Примечание
1/4-20
Подгруппа
8305
Порядковый номер детали
624
324
324
Артикул: 80241137
нет в наличии
WASHER
Количество на схеме: 4
Информация
WASHER
Количество
4
Группа
Оборудование специализированное
Подгруппа
8024
Порядковый номер детали
113
325
325
Артикул: 83201147
нет в наличии
HEX HD CAPSCREW
Количество на схеме: 4
Информация
HEX HD CAPSCREW
Количество
4
Примечание
1/8X9-1/2
Подгруппа
8320
Порядковый номер детали
114
327
327
Артикул: 91143357
нет в наличии
HORN
Количество на схеме: 1
Информация
HORN
Количество
1
Подгруппа
9114
Порядковый номер детали
335
328
328
Артикул: 1001116274
нет в наличии
MOLDED RESISTOR
Количество на схеме: 1
Информация
MOLDED RESISTOR
Количество
1
Группа
Двигатель
Подгруппа
Подвеска двигателя (силового агрегата)
Порядковый номер детали
116
Дополнительно
Не взаимозаменяема с деталью, выпущенной ранее под этим же номером
333
333
Артикул: 91143220
нет в наличии
TRIM-LOCK
Количество на схеме: 1
Информация
TRIM-LOCK
Количество
1
Примечание
36 in, 1/2
Подгруппа
9114
Порядковый номер детали
322
408
408
Артикул: 0791506
нет в наличии
WHIZ-LOCK SCREW
Количество на схеме: 6
Информация
WHIZ-LOCK SCREW
Количество
6
Примечание
5/16-18X3/4
Подгруппа
0791
Порядковый номер детали
506
429
429
Артикул: 90206202
нет в наличии
TRIM-LOCK
Количество на схеме: 1
Информация
TRIM-LOCK
Количество
1
Примечание
180 in
Подгруппа
9020
Порядковый номер детали
620
442
442
Артикул: 1001118101
нет в наличии
ENGINE DRAIN COVER
Количество на схеме: 1
Информация
ENGINE DRAIN COVER
Количество
1
Группа
Двигатель
Подгруппа
Подвеска двигателя (силового агрегата)
Порядковый номер детали
118
443
443
Артикул: 1001118102
нет в наличии
COOLER HOSES COVER
Количество на схеме: 1
Информация
COOLER HOSES COVER
Количество
1
Группа
Двигатель
Подгруппа
Подвеска двигателя (силового агрегата)
Порядковый номер детали
118
475
475
Артикул: 1001127174
нет в наличии
FILTER COVER PLATE
Количество на схеме: 1
Информация
FILTER COVER PLATE
Количество
1
Группа
Двигатель
Подгруппа
Подвеска двигателя (силового агрегата)
Порядковый номер детали
127
Дополнительно
Не взаимозаменяема с деталью, выпущенной ранее под этим же номером
501
501
Артикул: 1001100961
нет в наличии
ENGINE POD WELDMENT
Количество на схеме: 1
Информация
ENGINE POD WELDMENT
Количество
1
Группа
Двигатель
Подгруппа
Подвеска двигателя (силового агрегата)
Порядковый номер детали
100
Дополнительно
Не взаимозаменяема с деталью, выпущенной ранее под этим же номером
551
551
Артикул: 91401487
нет в наличии
CAB FENDER
Количество на схеме: 1
Информация
CAB FENDER
Количество
1
Подгруппа
9140
Порядковый номер детали
148
552
552
Артикул: 80973025
нет в наличии
WHIZ-LOCK BOLT
Количество на схеме: 4
Информация
WHIZ-LOCK BOLT
Количество
4
Примечание
3/8-16X1
Группа
Оборудование специализированное
Подгруппа
8097
Порядковый номер детали
302
603
603
Артикул: 0682440
нет в наличии
HEX HD CAPSCREW
Количество на схеме: 2
Информация
HEX HD CAPSCREW
Количество
2
Примечание
7/8-9X5, GR8
Подгруппа
0682
Порядковый номер детали
440
604
604
Артикул: 1001108383
нет в наличии
TAIL WASHER
Количество на схеме: 2
Информация
TAIL WASHER
Количество
2
Группа
Двигатель
Подгруппа
Подвеска двигателя (силового агрегата)
Порядковый номер детали
108
Дополнительно
Не взаимозаменяема с деталью, выпущенной ранее под этим же номером
605
605
Артикул: 91403153
нет в наличии
SHOCK MOUNT
Количество на схеме: 4
Информация
SHOCK MOUNT
Количество
4
Подгруппа
9140
Порядковый номер детали
315
606
606
Артикул: 91403217
нет в наличии
REBOUND WASHER
Количество на схеме: 2
Информация
REBOUND WASHER
Количество
2
Подгруппа
9140
Порядковый номер детали
321
607
607
Артикул: 88501014
нет в наличии
HEX NUT
Количество на схеме: 2
Информация
HEX NUT
Количество
2
Примечание
7/8-9
Подгруппа
8850
Порядковый номер детали
101
608
608
Артикул: 0682230
нет в наличии
HEX HD CAPSCREW
Количество на схеме: 4
Информация
HEX HD CAPSCREW
Количество
4
Примечание
3/4-10X3-3/4, GR8
Подгруппа
0682
Порядковый номер детали
230
609
609
Артикул: 90027473
нет в наличии
HARDENED WASHER
Количество на схеме: 4
Информация
HARDENED WASHER
Количество
4
Примечание
3/4
Подгруппа
9002
Порядковый номер детали
747
610
610
Артикул: 91403097
нет в наличии
CAB ISOLATOR MOUNT
Количество на схеме: 4
Информация
CAB ISOLATOR MOUNT
Количество
4
Подгруппа
9140
Порядковый номер детали
309
611
611
Артикул: 91403098
нет в наличии
TAIL WASHER
Количество на схеме: 4
Информация
TAIL WASHER
Количество
4
Подгруппа
9140
Порядковый номер детали
309
612
612
Артикул: 88501012
нет в наличии
HEX LOCKNUT
Количество на схеме: 4
Информация
HEX LOCKNUT
Количество
4
Примечание
3/4-10
Подгруппа
8850
Порядковый номер детали
101
701
701
Артикул: OPEN-CAB
нет в наличии
OPEN CAB
Количество на схеме: 1
Информация
OPEN CAB
Количество
1
705
705
Артикул: 1001106866
нет в наличии
SEAT RISER SIDE PANEL
Количество на схеме: 1
Информация
SEAT RISER SIDE PANEL
Количество
1
Группа
Двигатель
Подгруппа
Подвеска двигателя (силового агрегата)
Порядковый номер детали
106
Дополнительно
Не взаимозаменяема с деталью, выпущенной ранее под этим же номером
706
706
Артикул: 1001103567
нет в наличии
ACCESS COVER
Количество на схеме: 1
Информация
ACCESS COVER
Количество
1
Группа
Двигатель
Подгруппа
Подвеска двигателя (силового агрегата)
Порядковый номер детали
103
Дополнительно
Не взаимозаменяема с деталью, выпущенной ранее под этим же номером
707
707
Артикул: 91403230
нет в наличии
MANUAL CASE
Количество на схеме: 1
Информация
MANUAL CASE
Количество
1
Подгруппа
9140
Порядковый номер детали
323
708
708
Артикул: 91413036
нет в наличии
SELF TAP SCREW
Количество на схеме: 4
Информация
SELF TAP SCREW
Количество
4
Подгруппа
9141
Порядковый номер детали
303
711
711
Артикул: 0641408
нет в наличии
HEX HD CAPSCREW
Количество на схеме: 4
Информация
HEX HD CAPSCREW
Количество
4
Примечание
1/4-20X1, GR5
Подгруппа
0641
Порядковый номер детали
408
713
713
Артикул: 4751400
нет в наличии
FLAT WASHER
Количество на схеме: 4
Информация
FLAT WASHER
Количество
4
Примечание
1/4
Группа
Оборудование дополнительное
Подгруппа
4751
Порядковый номер детали
400
715
715
Артикул: 0630407
нет в наличии
SOCKET BUTTON HD CAPSCREW
Количество на схеме: 4
Информация
SOCKET BUTTON HD CAPSCREW
Количество
4
Примечание
.25-20X.625
Подгруппа
0630
Порядковый номер детали
407
716
716
Артикул: 4711400
нет в наличии
FLAT WASHER
Количество на схеме: 4
Информация
FLAT WASHER
Количество
4
Примечание
.25
Группа
Оборудование дополнительное
Подгруппа
Электронагреватели сидений
Порядковый номер детали
400
746
746
Артикул: SUSPENSION-SEAT-WITH-2-IN-SEAT-BELT
нет в наличии
SUSPENSION SEAT WITH 2 IN SEAT BELT
Количество на схеме: 1
Информация
SUSPENSION SEAT WITH 2 IN SEAT BELT
Количество
1
751
751
Артикул: 3311505
нет в наличии
HEX LOCKNUT
Количество на схеме: 4
Информация
HEX LOCKNUT
Количество
4
Примечание
5/16-18
Подгруппа
3311
Порядковый номер детали
505
752
752
Артикул: 4711500
нет в наличии
FLAT WASHER
Количество на схеме: 4
Информация
FLAT WASHER
Количество
4
Примечание
5/16
Группа
Оборудование дополнительное
Подгруппа
Электронагреватели сидений
Порядковый номер детали
500
769
769
Артикул: 1001115153
нет в наличии
LH MIRROR INSTALLTION
Количество на схеме: 1
Информация
LH MIRROR INSTALLTION
Количество
1
Примечание
(not available to order, see items 901 thru 904 for service)
Группа
Двигатель
Подгруппа
Подвеска двигателя (силового агрегата)
Порядковый номер детали
115
Дополнительно
Не взаимозаменяема с деталью, выпущенной ранее под этим же номером
801
801
Артикул: 0641508
нет в наличии
HEX HD CAPSCREW
Количество на схеме: 3
Информация
HEX HD CAPSCREW
Количество
3
Примечание
5/16-18X1, GR5
Подгруппа
0641
Порядковый номер детали
508
809
809
Артикул: 4761600
нет в наличии
LOCKWASHER
Количество на схеме: 13
Информация
LOCKWASHER
Количество
13
Примечание
3/8
Группа
Оборудование дополнительное
Подгруппа
4761
Порядковый номер детали
600
815
815
Артикул: 4751600
нет в наличии
FLAT WASHER
Количество на схеме: 9
Информация
FLAT WASHER
Количество
9
Примечание
3/8
Группа
Оборудование дополнительное
Подгруппа
4751
Порядковый номер детали
600
830
830
Артикул: 1001119632
нет в наличии
VALVE COVER PANEL
Количество на схеме: 1
Информация
VALVE COVER PANEL
Количество
1
Группа
Двигатель
Подгруппа
Подвеска двигателя (силового агрегата)
Порядковый номер детали
119
Дополнительно
Не взаимозаменяема с деталью, выпущенной ранее под этим же номером
831
831
Артикул: 88501005
нет в наличии
HEX NUT
Количество на схеме: 3
Информация
HEX NUT
Количество
3
Примечание
5/16-18
Подгруппа
8850
Порядковый номер детали
100
832
832
Артикул: 0641610
нет в наличии
HEX HD CAPSCREW
Количество на схеме: 9
Информация
HEX HD CAPSCREW
Количество
9
Примечание
3/8-16X1-1/4, GR5
Подгруппа
0641
Порядковый номер детали
610
834
834
Артикул: 4751500
нет в наличии
FLAT WASHER
Количество на схеме: 3
Информация
FLAT WASHER
Количество
3
Примечание
5/16
Группа
Оборудование дополнительное
Подгруппа
4751
Порядковый номер детали
500
835
835
Артикул: 88662523
нет в наличии
TINNERMAN NUT
Количество на схеме: 9
Информация
TINNERMAN NUT
Количество
9
Подгруппа
8866
Порядковый номер детали
252
836
836
Артикул: 91513122
нет в наличии
MAIN VALVE COVER
Количество на схеме: 1
Информация
MAIN VALVE COVER
Количество
1
Подгруппа
9151
Порядковый номер детали
312
837
837
Артикул: 1001116902
нет в наличии
FRONT COVER
Количество на схеме: 1
Информация
FRONT COVER
Количество
1
Группа
Двигатель
Подгруппа
Подвеска двигателя (силового агрегата)
Порядковый номер детали
116
901
901
Артикул: 0700610
нет в наличии
HEX HD CAPSCREW
Количество на схеме: 2
Информация
HEX HD CAPSCREW
Количество
2
Примечание
M6X20, GR8.8
Подгруппа
0700
Порядковый номер детали
610
902
902
Артикул: 3140007
нет в наличии
RECTANGULAR MIRROR
Количество на схеме: 1
Информация
RECTANGULAR MIRROR
Количество
1
Группа
Колеса и ступицы
Подгруппа
3140
Порядковый номер детали
007
903
903
Артикул: 8307024
нет в наличии
LOCKWASHER
Количество на схеме: 2
Информация
LOCKWASHER
Количество
2
Примечание
6mm
Подгруппа
8307
Порядковый номер детали
024
904
904
Артикул: 1001114675
нет в наличии
MIRROR ARM
Количество на схеме: 1
Информация
MIRROR ARM
Количество
1
Группа
Двигатель
Подгруппа
Подвеска двигателя (силового агрегата)
Порядковый номер детали
114
Дополнительно
Не взаимозаменяема с деталью, выпущенной ранее под этим же номером
951
951
Артикул: 91140001
нет в наличии
COUNTERWEIGHT
Количество на схеме: 1
Информация
COUNTERWEIGHT
Количество
1
Примечание
(if equipped)
Подгруппа
9114
Порядковый номер детали
000
952
952
Артикул: 1001097095
нет в наличии
COUNTERWEIGHT WITH PINTLE HOOK
Количество на схеме: 1
Информация
COUNTERWEIGHT WITH PINTLE HOOK
Количество
1
Примечание
(if equipped)
Группа
Двигатель
Подгруппа
Подвеска двигателя (силового агрегата)
Порядковый номер детали
097
Дополнительно
Не взаимозаменяема с деталью, выпущенной ранее под этим же номером
953
953
Артикул: NSS
нет в наличии
FRAME WELDMENT
Количество на схеме: 1
Информация
FRAME WELDMENT
Количество
1
954
954
Артикул: 8466306
нет в наличии
TILT GAUGE
Количество на схеме: 1
Информация
TILT GAUGE
Количество
1
Примечание
(with adhesive)
Группа
Оперение
Подгруппа
8466
Порядковый номер детали
306
  • Грузовые автомобили
  • Автобусы
  • Сельхозтехника
  • Спецтехника
  • Двигатели
Получить оптовый прайс-лист
Скачать прайс-лист от 12.05.2026 16:00
Специальное предложение от 12.05.2026 17:00
Производители:


  • WEICHAI
  • Автодизель ПАО (ЯМЗ)
  • Тутаевский МЗ
  • ЯЗДА
  • УралАЗ
  • МАЗ
  • АЗПИ
  • BOSCH
  • ММЗ
  • ШААЗ
  • FEDERAL MOGUL
  • ПРАМО
  • Мотордеталь
  • ТАИМ
  • АвтоКрАЗ
  • БЕЛКАРД
  • CZ Strakonice
  • КамАЗ
  • БЗА
  • ЧМЗ
  • BMZ
Новости
Все новости
25 марта 2024
Флагманский седельный тягач «Валдай 45» на выставке «TransRussia»
10 марта 2024
Современные автобусы «CITYMAX 9» и ЛиАЗ-5292 CNG
25 февраля 2024
Серийное производство средних дизельных двигателей повышенной мощности от ЯМЗ
Статьи
Все статьи
Датчики двигателя: за что они отвечают, признаки неисправности и как не прогадать с выбором
Двигатели ЯМЗ-534: история, технические характеристики и области применения
Двигатели ЯМЗ 650: углублённый технический обзор и история
Компания
О компании
Реквизиты
Новости
Политика
Магазины
Информация
Условия оплаты
Условия доставки
Гарантия на товар
Обмен и возврат товара
Помощь
Как оформить заказ
Полезные статьи
Бренды
Пункты выдачи
Оставайтесь на связи
  • Вконтакте
  • YouTube
  • Одноклассники
  • Google Plus
Увидели ошибку?
Выделите, нажав Ctrl + Enter
Наши контакты
8-800-700-35-68
sales@din76.ru
г. Ярославль, Ленинградский пр-т 33, ТЦ "ОМЕГА"
2026 © ООО «Динамика 76» - Все права защищены ООО "Динамика 76"
Предложения на сайте не являются публичной офертой.
На сайте обнаружена ошибка

Текст с ошибкой