Избранное 0 Корзина 0 Личный кабинет
logo
Каталог
Каталог
  • Справочник
    • Грузовые автомобили
    • Автобусы
    • Сельхозтехника
    • Спецтехника
    • Двигатели
  • Доставка
  • Оплата
  • О компании
    • Реквизиты
    • Магазины
    • Оплата
    • Доставка
    • Лицензии и сертификаты
    • Новости
    • Вакансии
  • Контакты
Отправить заявку
Личный кабинет
8 (800) 700-35-68
sales@din76.ru
Избранное 0 Корзина 0
8 (800) 700-35-68
Оптовый прайс-лист
Каталог
  • Двигатели
  • Запчасти WEICHAI
  • Запчасти ЯМЗ, ТМЗ (V-образные)
  • Запчасти ЯМЗ-534, ЯМЗ-536
  • Запчасти ЯМЗ-650, ЯМЗ-651, DCi-11
  • Топливная аппаратура
  • Запчасти УРАЛ
  • Запчасти МАЗ
  • Запчасти КамАЗ
  • Запчасти ММЗ
  • Ремни
Автокаталог (справочник)
  • Доставка
  • Оплата
  • О компании
  • Контакты
8 (800) 700-35-68
Написать в Whatsapp
sales@din76.ru
Динамика 76
Меню  
  • Каталог
    • Двигатели  
      • Двигатели ТМЗ  
        • Двигатели ТМЗ для автомобилей
        • Двигатели ТМЗ для тракторов
        • Специальные двигатели ТМЗ
        • Промышленные двигатели ТМЗ
      • Двигатели ЯМЗ  
        • ЯМЗ 236
        • ЯМЗ 238
        • ЯМЗ 240
        • ЯМЗ 751
        • ЯМЗ 840
        • ЯМЗ 850
        • ЯМЗ 656
        • ЯМЗ 658
        • ЯМЗ 534
        • ЯМЗ 536
        • ЯМЗ 650
        • Двигатели ЯМЗ для электростанций
      • Двигатели КАМАЗ
      • Двигатели ММЗ
      • Двигатели индивидуальной сборки
      • Комплекты переоборудования
    • Запчасти WEICHAI  
      • Основные запчасти двигателя  
        • Клапаны и толкатели
        • Шатуны
        • Вал коленчатый и маховик
        • Вал распределительный
        • Цилиндро-поршневая группа
      • Система питания  
        • Форсунки
        • Турбокомпрессор
      • Система смазки  
        • Насос масляный
      • Головка блока
      • Ремкомплекты
      • Система охлаждения  
        • Насос водяной
        • Муфта вязкостная и крыльчатка
      • Фильтры
      • Электрооборудование  
        • Генератор
        • Стартер
    • Запчасти ЯМЗ, ТМЗ (V-образные)  
      • Основные запчасти двигателя  
        • Блок двигателя и комплектующие
        • Валы распределительные и клапаны
        • Головка блока и комплектующие
        • Цилиндро-поршневая группа
        • Маховики и комплектующие
        • Валы коленчатые и комплектующие
        • Шатуны и комплектующие
      • Система питания  
        • Коллекторы и патрубки
        • Топливные трубопроводы
        • Турбокомпрессор
        • Топливные фильтры
      • Электрооборудование двигателя
      • Система охлаждения  
        • Вязкостные муфты и крыльчатки
        • Приводы вентилятора
        • Водяные насосы
        • Водяные трубы и термостаты
      • Коробки переключения передач  
        • 8 Ступенчатые КПП
        • 5 Ступенчатые КПП
        • 9 Ступенчатые КПП
        • Запасные части КПП ЯМЗ, ТМЗ
      • Система смазки  
        • Теплообменник и комплектующие
        • Масляные насосы
        • Фильтры масляные (ФГОМ, ФЦОМ)
      • Сцепление  
        • Запасные части механизма сцепления
        • Муфты (подшипники выжимные)
        • Корзины (диски нажимные)
        • Диски ведомые
      • Прочие запчасти двигателя  
        • Ремкомплекты
        • Привод агрегатов
        • Натяжные устройства
        • Трубки
    • Запчасти ЯМЗ-534, ЯМЗ-536  
      • Основные запчасти двигателя  
        • Цилиндро-поршневая группа
        • Головка блока цилиндров и комплектующие
        • Блок цилиндров и комплектующие
        • Вал коленчатый и маховик
        • Вал распределительный
        • Клапаны и толкатели
        • ГУР (Гидроусилитель руля)
        • Система рециркуляции отработавших газов
        • Выпускной коллектор
      • Система питания  
        • Коллекторы и патрубки
        • Топливные фильтры
        • Турбокомпрессор
        • Топливные трубопроводы
      • Система смазки  
        • Масляный картер поддон
        • Масляный насос
        • Теплообменник /Водо-масляный радиатор
        • Фильтры масляные (ФГОМ, ФЦОМ)
      • Пневмокомпрессор и натяжное
      • Система охлаждения  
        • Водяной насос
        • Водяные трубы и патрубки
        • Муфты вязкостные, приводы, крыльчатки
      • Ремкомплекты
      • Сцепление
      • Электрооборудование
    • Запчасти ЯМЗ-650, ЯМЗ-651, DCi-11  
      • Основные запчасти двигателя  
        • Цилиндро-поршневая группа
        • Головка блока цилиндров и комплектующие
        • Блок цилиндров и комплектующие
        • Вал коленчатый и маховик
        • Выпускной коллектор
        • Вал распределительный
        • Клапаны и толкатели
        • ГУР (Гидроусилитель руля)
        • Система рециркуляции отработавших газов
      • Система питания  
        • Коллекторы и патрубки
        • Топливные трубопроводы
        • Топливные фильтры
        • Турбокомпрессор
      • Система смазки  
        • Масляный картер / поддон
        • Масляный насос
        • Теплообменник / Водо-масляный радиатор
        • Фильтры масляные (ФГОМ, ФЦОМ)
      • Система охлаждения  
        • Водяной насос
        • Водяные трубы и патрубки
        • Муфты вязкостные, приводы, крыльчатки
      • Ремкомплекты
      • Пневмокомпрессор и натяжное
      • Электрооборудование
      • Сцепление
    • Топливная аппаратура  
      • ЯЗДА  
        • Распылители
        • ТНВД
        • Форсунки
        • Топливный насос низкого давления
        • Пары плунжерные
        • Муфта опережения впрыска топлива
        • Запчасти и комплектующие ТНВД
      • НЗТА
      • АЗПИ  
        • Распылители
        • Форсунки
      • BOSCH
    • Запчасти УРАЛ  
      • Трансмиссия  
        • Коробка раздаточная
        • Передача карданная
        • Мост задний
        • Мост передний (ведущий)
        • Мост средний (промежуточный)
      • Кузов  
        • Дверь кабины
        • Капот, крылья, облицовка радиатора
        • Окно ветровое и заднее
        • Отопление и вентиляция кабины
        • Кабина
      • Механизмы управления  
        • Управление рулевое
        • Тормоза
      • Дополнительное оборудование  
        • Отбор мощности
        • Устройство седельное
      • Электрооборудование
      • Ходовая часть  
        • Колеса и ступицы
        • Ось передняя
        • Подвеска автомобиля
        • Рама
    • Запчасти МАЗ  
      • Трансмиссия  
        • Мост задний
        • Мост передний (ведущий)
        • Передача карданная
        • Мост средний (промежуточный)
      • Кузов  
        • Кабина
        • Дверь кабины
        • Детали основания кабины
        • Окно ветровое и заднее
        • Платформа
      • Механизмы управления  
        • Тормоза
        • Управление рулевое
      • Ходовая часть  
        • Колеса и ступицы
        • Ось передняя
        • Подвеска автомобиля
        • Рама
    • Запчасти КамАЗ  
      • Кузов  
        • Кабина
        • Капот, крылья, облицовка радиатора
        • Дверь кабины
        • Платформа
        • Окно ветровое и заднее
        • Устройство подъемное и опрокидывающее
        • Сиденье
        • Крыша кабины (крыша кузова)
        • Отопление и вентиляция кабины
      • Трансмиссия  
        • Коробка передач
        • Коробка раздаточная
        • Мост задний
        • Сцепление
        • Мост средний (промежуточный)
        • Передача карданная
        • Мост передний (ведущий)
      • Двигатель  
        • Основные запчасти двигателя
        • Система охлаждения
        • Система питания
        • Система смазки
      • Дополнительное оборудование  
        • Отбор мощности
        • Устройство седельное
      • Ходовая часть  
        • Подвеска автомобиля
        • Рама
        • Колеса и ступицы
        • Ось передняя
      • Механизмы управления  
        • Тормоза
        • Управление рулевое
      • Электрооборудование
    • Запчасти ММЗ
    • Ремни
  • Справочник
    • Грузовые автомобили
    • Автобусы
    • Сельхозтехника
    • Спецтехника
    • Двигатели
  • Как купить
    • Условия оплаты
    • Условия доставки
    • Гарантия на товар
    • Пункты выдачи
  • Услуги
    • Капитальный ремонт двигателей ЯМЗ
  • Акции
  • Статьи
  • Контакты
  • Компания
    • Реквизиты
    • Магазины
    • Оплата
    • Доставка
    • Лицензии и сертификаты
    • Новости
    • Вакансии
Избранное 0 Корзина 0
8-800-700-35-68

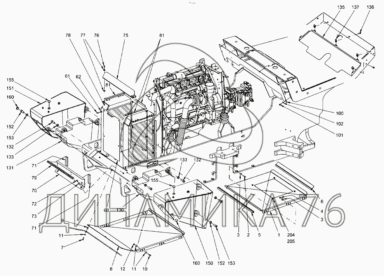
CANOPIES AND COVERS на 3516 (до 2008 г.)

Справочник
Главная
-
Автокаталог
-
Спецтехника
-
HAMM
-
3516
Справочный каталог

CANOPIES AND COVERS — 3516:

1 2 3 3 4 5 6 7 8 9 10 11 11 12 60 61 62 70 71 71 72 73 75 76 77 78 79 81 81 100 101 102 130 130 131 131 132 132 133 133 135 136 137 150 151 152 152 153 153 155 155 160 160 204 205
в наличии
нет в наличии
масштаб

В наличии
Нет в наличии

Перечень комплектующих от CANOPIES AND COVERS на 3516

Схемы запчастей предназначены для справочных целей! Мы продаем не все запчасти от CANOPIES AND COVERS на 3516, представленные в этом списке.
Наличие на складах по деталям с ценой смотрите в карточке товара.
1
1
Артикул: 891355
нет в наличии
METAL PLATE
Количество на схеме: 1,000
Информация
METAL PLATE
Количество
1,000
Примечание
1-9999
Покрытие
без покрытия
2
2
Артикул: 1209698
нет в наличии
HEXAGON SCREW
Количество на схеме: 8,000
Информация
HEXAGON SCREW
Количество
8,000
Примечание
1-9999
Группа
Система выпуска газов двигателя
Подгруппа
1209
Порядковый номер детали
698
3
3
Артикул: 293873
нет в наличии
WASHER
Количество на схеме: 16,000
Информация
WASHER
Количество
16,000
Примечание
1-9999
Покрытие
без покрытия
4
4
Артикул: 216461
нет в наличии
HEXAGONAL NUT
Количество на схеме: 8,000
Информация
HEXAGONAL NUT
Количество
8,000
Примечание
1-9999
Покрытие
без покрытия
5
5
Артикул: 276766
нет в наличии
SEALING PROFILE
Количество на схеме: 0,760
Информация
SEALING PROFILE
Количество
0,760
Примечание
1-9999
Покрытие
без покрытия
6
6
Артикул: 615290
нет в наличии
SEALING PROFILE
Количество на схеме: 0,760
Информация
SEALING PROFILE
Количество
0,760
Примечание
1-9999
Покрытие
без покрытия
7
7
Артикул: 213845
нет в наличии
HEXAGON SCREW
Количество на схеме: 3,000
Информация
HEXAGON SCREW
Количество
3,000
Примечание
1-9999
Покрытие
без покрытия
8
8
Артикул: 1498762
нет в наличии
METAL PLATE
Количество на схеме: 1,000
Информация
METAL PLATE
Количество
1,000
Примечание
1-9999
Группа
Система управления двигателем электронная
Подгруппа
1498
Порядковый номер детали
762
9
9
Артикул: 1238000
нет в наличии
BLIND RIVET NUT
Количество на схеме: 3,000
Информация
BLIND RIVET NUT
Количество
3,000
Примечание
1-9999
Группа
Система выпуска газов двигателя
Подгруппа
1238
Порядковый номер детали
000
10
10
Артикул: 1209698
нет в наличии
HEXAGON SCREW
Количество на схеме: 6,000
Информация
HEXAGON SCREW
Количество
6,000
Примечание
1-9999
Группа
Система выпуска газов двигателя
Подгруппа
1209
Порядковый номер детали
698
11
11
Артикул: 293873
нет в наличии
WASHER
Количество на схеме: 18,000
Информация
WASHER
Количество
18,000
Примечание
1-9999
Покрытие
без покрытия
12
12
Артикул: 216461
нет в наличии
HEXAGONAL NUT
Количество на схеме: 6.000
Информация
HEXAGONAL NUT
Количество
6.000
Примечание
1-9999
Покрытие
без покрытия
60
60
Артикул: 1488627
нет в наличии
LID
Количество на схеме: 1,000
Информация
LID
Количество
1,000
Примечание
1-9999
Группа
Система управления двигателем электронная
Подгруппа
1488
Порядковый номер детали
627
61
61
Артикул: 213748
нет в наличии
HEXAGON SCREW
Количество на схеме: 4,000
Информация
HEXAGON SCREW
Количество
4,000
Примечание
1-9999
Покрытие
без покрытия
62
62
Артикул: 260983
нет в наличии
WASHER
Количество на схеме: 4,000
Информация
WASHER
Количество
4,000
Примечание
1-9999
Покрытие
без покрытия
70
70
Артикул: 1488848
нет в наличии
METAL PLATE
Количество на схеме: 1,000
Информация
METAL PLATE
Количество
1,000
Примечание
1-9999
Группа
Система управления двигателем электронная
Подгруппа
1488
Порядковый номер детали
848
71
71
Артикул: 614154
нет в наличии
FOAM RUBBER PROFILE
Количество на схеме: 0,200
Информация
FOAM RUBBER PROFILE
Количество
0,200
Примечание
1-9999
Покрытие
без покрытия
72
72
Артикул: 214426
нет в наличии
CHEESE-HEAD SCREW
Количество на схеме: 2,000
Информация
CHEESE-HEAD SCREW
Количество
2,000
Примечание
1-9999
Покрытие
без покрытия
73
73
Артикул: 260983
нет в наличии
WASHER
Количество на схеме: 2,000
Информация
WASHER
Количество
2,000
Примечание
1-9999
Покрытие
без покрытия
75
75
Артикул: 1488856
нет в наличии
METAL PLATE
Количество на схеме: 1,000
Информация
METAL PLATE
Количество
1,000
Примечание
1-9999
Группа
Система управления двигателем электронная
Подгруппа
1488
Порядковый номер детали
856
76
76
Артикул: 214582
нет в наличии
CHEESE-HEAD SCREW
Количество на схеме: 2,000
Информация
CHEESE-HEAD SCREW
Количество
2,000
Примечание
1-9999
Покрытие
без покрытия
77
77
Артикул: 231355
нет в наличии
WASHER
Количество на схеме: 6,000
Информация
WASHER
Количество
6,000
Примечание
1-9999
Покрытие
без покрытия
78
78
Артикул: 216445
нет в наличии
HEXAGONAL NUT
Количество на схеме: 2,000
Информация
HEXAGONAL NUT
Количество
2,000
Примечание
1-9999
Покрытие
без покрытия
79
79
Артикул: 250228
нет в наличии
EDGE PROTECTION
Количество на схеме: 0,800
Информация
EDGE PROTECTION
Количество
0,800
Примечание
1-9999
Покрытие
без покрытия
81
81
Артикул: 614022
нет в наличии
FOAM RUBBER PROFILE
Количество на схеме: 1,580
Информация
FOAM RUBBER PROFILE
Количество
1,580
Примечание
1-9999
Покрытие
без покрытия
100
100
Артикул: 875546
нет в наличии
COVER SHEET
Количество на схеме: 1,000
Информация
COVER SHEET
Количество
1,000
Примечание
1-9999
Покрытие
без покрытия
101
101
Артикул: 283568
нет в наличии
HEXAGON SCREW
Количество на схеме: 6,000
Информация
HEXAGON SCREW
Количество
6,000
Примечание
1-9999
Покрытие
без покрытия
102
102
Артикул: 216577
нет в наличии
WASHER
Количество на схеме: 6,000
Информация
WASHER
Количество
6,000
Примечание
1-9999
Покрытие
без покрытия
130
130
Артикул: 2040638
нет в наличии
BALLAST BOX RIGHT VERSION 3516/3518
Количество на схеме: 1,000
Информация
BALLAST BOX RIGHT VERSION 3516/3518
Количество
1,000
Примечание
1-9999
Группа
Привод гидравлический мостов полуприцепа
Подгруппа
2040
Порядковый номер детали
638
130
130
Артикул: 870641
нет в наличии
BALLAST RIGHT VERSION 3520
Количество на схеме: 1,000
Информация
BALLAST RIGHT VERSION 3520
Количество
1,000
Примечание
1-9999
Покрытие
без покрытия
131
131
Артикул: 2040642
нет в наличии
BALLAST BOX LEFT VERSION 3516/3518
Количество на схеме: 1,000
Информация
BALLAST BOX LEFT VERSION 3516/3518
Количество
1,000
Примечание
1-9999
Группа
Привод гидравлический мостов полуприцепа
Подгруппа
2040
Порядковый номер детали
642
131
131
Артикул: 870633
нет в наличии
BALLAST LEFT VERSION 3520
Количество на схеме: 1,000
Информация
BALLAST LEFT VERSION 3520
Количество
1,000
Примечание
1-9999
Покрытие
без покрытия
132
132
Артикул: 1212664
нет в наличии
CHEESE-HEAD SCREW
Количество на схеме: 6,000
Информация
CHEESE-HEAD SCREW
Количество
6,000
Примечание
1-9999
Группа
Система выпуска газов двигателя
Подгруппа
1212
Порядковый номер детали
664
133
133
Артикул: 250473
нет в наличии
WASHER VERSION 3411
Количество на схеме: 6,000
Информация
WASHER VERSION 3411
Количество
6,000
Примечание
1-9999
Покрытие
без покрытия
135
135
Артикул: 1498118
нет в наличии
COVER SHEET
Количество на схеме: 1,000
Информация
COVER SHEET
Количество
1,000
Примечание
1-9999
Группа
Система управления двигателем электронная
Подгруппа
1498
Порядковый номер детали
118
136
136
Артикул: 214205
нет в наличии
COUNTERSUNK SCREW
Количество на схеме: 5,000
Информация
COUNTERSUNK SCREW
Количество
5,000
Примечание
1-9999
Покрытие
без покрытия
137
137
Артикул: 385794
нет в наличии
CLIP NUT
Количество на схеме: 5,000
Информация
CLIP NUT
Количество
5,000
Примечание
1-9999
Покрытие
без покрытия
150
150
Артикул: 870463
нет в наличии
COVERING PART
Количество на схеме: 1,000
Информация
COVERING PART
Количество
1,000
Примечание
1-9999
Покрытие
без покрытия
151
151
Артикул: 870455
в наличии
COVERING PART
Количество на схеме: 1,000
Информация
COVERING PART
Количество
1,000
Примечание
1-9999
Покрытие
без покрытия
Шайба 8.0х12.0х1.0 КАМАЗ,МАЗ трубок медная (плоская)
Артикул: 870455
Шайба 8.0х12.0х1.0 КАМАЗ,МАЗ трубок медная (плоская)
Код для заказа: 00063049
Цена: 6 ₽/шт.
Под заказ
Шайба 8.0х12.0х1.0 КАМАЗ,МАЗ трубок медная (плоская)
Артикул: 870455
Код для заказа: 00063049
Шайба 8.0х12.0х1.0 КАМАЗ,МАЗ трубок медная (плоская)
Цена: 6 ₽/шт.
Под заказ
152
152
Артикул: 1212664
нет в наличии
CHEESE-HEAD SCREW
Количество на схеме: 6,000
Информация
CHEESE-HEAD SCREW
Количество
6,000
Примечание
1-9999
Группа
Система выпуска газов двигателя
Подгруппа
1212
Порядковый номер детали
664
153
153
Артикул: 250473
нет в наличии
WASHER VERSION 3411
Количество на схеме: 6,000
Информация
WASHER VERSION 3411
Количество
6,000
Примечание
1-9999
Покрытие
без покрытия
155
155
Артикул: 353434
нет в наличии
FILLER CAP
Количество на схеме: 2,000
Информация
FILLER CAP
Количество
2,000
Примечание
1-9999
Покрытие
без покрытия
160
160
Артикул: 2041495
нет в наличии
FILLER CAP
Количество на схеме: 2,000
Информация
FILLER CAP
Количество
2,000
Примечание
1-9999
Группа
Привод гидравлический мостов полуприцепа
Подгруппа
2041
Порядковый номер детали
495
204
204
Артикул: 213756
нет в наличии
HEXAGON SCREW
Количество на схеме: 4,000
Информация
HEXAGON SCREW
Количество
4,000
Примечание
1-9999
Покрытие
без покрытия
205
205
Артикул: 216607
нет в наличии
WASHER
Количество на схеме: 4,000
Информация
WASHER
Количество
4,000
Примечание
1-9999
Покрытие
без покрытия
  • Грузовые автомобили
  • Автобусы
  • Сельхозтехника
  • Спецтехника
  • Двигатели
Получить оптовый прайс-лист
Скачать прайс-лист от 09.05.2026 12:00
Специальное предложение от 09.05.2026 13:00
Производители:


  • WEICHAI
  • Автодизель ПАО (ЯМЗ)
  • Тутаевский МЗ
  • ЯЗДА
  • УралАЗ
  • МАЗ
  • АЗПИ
  • BOSCH
  • ММЗ
  • ШААЗ
  • FEDERAL MOGUL
  • ПРАМО
  • Мотордеталь
  • ТАИМ
  • АвтоКрАЗ
  • БЕЛКАРД
  • CZ Strakonice
  • КамАЗ
  • БЗА
  • ЧМЗ
  • BMZ
Новости
Все новости
25 марта 2024
Флагманский седельный тягач «Валдай 45» на выставке «TransRussia»
10 марта 2024
Современные автобусы «CITYMAX 9» и ЛиАЗ-5292 CNG
25 февраля 2024
Серийное производство средних дизельных двигателей повышенной мощности от ЯМЗ
Статьи
Все статьи
Датчики двигателя: за что они отвечают, признаки неисправности и как не прогадать с выбором
Двигатели ЯМЗ-534: история, технические характеристики и области применения
Двигатели ЯМЗ 650: углублённый технический обзор и история
Компания
О компании
Реквизиты
Новости
Политика
Магазины
Информация
Условия оплаты
Условия доставки
Гарантия на товар
Обмен и возврат товара
Помощь
Как оформить заказ
Полезные статьи
Бренды
Пункты выдачи
Оставайтесь на связи
  • Вконтакте
  • YouTube
  • Одноклассники
  • Google Plus
Увидели ошибку?
Выделите, нажав Ctrl + Enter
Наши контакты
8-800-700-35-68
sales@din76.ru
г. Ярославль, Ленинградский пр-т 33, ТЦ "ОМЕГА"
2026 © ООО «Динамика 76» - Все права защищены ООО "Динамика 76"
Предложения на сайте не являются публичной офертой.
На сайте обнаружена ошибка

Текст с ошибкой