Избранное 0 Корзина 0 Личный кабинет
logo
Каталог
Каталог
  • Справочник
    • Грузовые автомобили
    • Автобусы
    • Сельхозтехника
    • Спецтехника
    • Двигатели
  • Доставка
  • Оплата
  • О компании
    • Реквизиты
    • Магазины
    • Оплата
    • Доставка
    • Лицензии и сертификаты
    • Новости
    • Вакансии
  • Контакты
Отправить заявку
Личный кабинет
8 (800) 700-35-68
sales@din76.ru
Избранное 0 Корзина 0
8 (800) 700-35-68
Оптовый прайс-лист
Каталог
  • Двигатели
  • Запчасти WEICHAI
  • Запчасти ЯМЗ, ТМЗ (V-образные)
  • Запчасти ЯМЗ-534, ЯМЗ-536
  • Запчасти ЯМЗ-650, ЯМЗ-651, DCi-11
  • Топливная аппаратура
  • Запчасти УРАЛ
  • Запчасти МАЗ
  • Запчасти КамАЗ
  • Запчасти ММЗ
  • Ремни
Автокаталог (справочник)
  • Доставка
  • Оплата
  • О компании
  • Контакты
8 (800) 700-35-68
Написать в Whatsapp
sales@din76.ru
Динамика 76
Меню  
  • Каталог
    • Двигатели  
      • Двигатели ТМЗ  
        • Двигатели ТМЗ для автомобилей
        • Двигатели ТМЗ для тракторов
        • Специальные двигатели ТМЗ
        • Промышленные двигатели ТМЗ
      • Двигатели ЯМЗ  
        • ЯМЗ 236
        • ЯМЗ 238
        • ЯМЗ 240
        • ЯМЗ 751
        • ЯМЗ 840
        • ЯМЗ 850
        • ЯМЗ 656
        • ЯМЗ 658
        • ЯМЗ 534
        • ЯМЗ 536
        • ЯМЗ 650
        • Двигатели ЯМЗ для электростанций
      • Двигатели КАМАЗ
      • Двигатели ММЗ
      • Двигатели индивидуальной сборки
      • Комплекты переоборудования
    • Запчасти WEICHAI  
      • Основные запчасти двигателя  
        • Клапаны и толкатели
        • Шатуны
        • Вал коленчатый и маховик
        • Вал распределительный
        • Цилиндро-поршневая группа
      • Система питания  
        • Форсунки
        • Турбокомпрессор
      • Система смазки  
        • Насос масляный
      • Головка блока
      • Ремкомплекты
      • Система охлаждения  
        • Насос водяной
        • Муфта вязкостная и крыльчатка
      • Фильтры
      • Электрооборудование  
        • Генератор
        • Стартер
    • Запчасти ЯМЗ, ТМЗ (V-образные)  
      • Основные запчасти двигателя  
        • Блок двигателя и комплектующие
        • Валы распределительные и клапаны
        • Головка блока и комплектующие
        • Цилиндро-поршневая группа
        • Маховики и комплектующие
        • Валы коленчатые и комплектующие
        • Шатуны и комплектующие
      • Система питания  
        • Коллекторы и патрубки
        • Топливные трубопроводы
        • Турбокомпрессор
        • Топливные фильтры
      • Электрооборудование двигателя
      • Система охлаждения  
        • Вязкостные муфты и крыльчатки
        • Приводы вентилятора
        • Водяные насосы
        • Водяные трубы и термостаты
      • Коробки переключения передач  
        • 8 Ступенчатые КПП
        • 5 Ступенчатые КПП
        • 9 Ступенчатые КПП
        • Запасные части КПП ЯМЗ, ТМЗ
      • Система смазки  
        • Теплообменник и комплектующие
        • Масляные насосы
        • Фильтры масляные (ФГОМ, ФЦОМ)
      • Сцепление  
        • Запасные части механизма сцепления
        • Муфты (подшипники выжимные)
        • Корзины (диски нажимные)
        • Диски ведомые
      • Прочие запчасти двигателя  
        • Ремкомплекты
        • Привод агрегатов
        • Натяжные устройства
        • Трубки
    • Запчасти ЯМЗ-534, ЯМЗ-536  
      • Основные запчасти двигателя  
        • Цилиндро-поршневая группа
        • Головка блока цилиндров и комплектующие
        • Блок цилиндров и комплектующие
        • Вал коленчатый и маховик
        • Вал распределительный
        • Клапаны и толкатели
        • ГУР (Гидроусилитель руля)
        • Система рециркуляции отработавших газов
        • Выпускной коллектор
      • Система питания  
        • Коллекторы и патрубки
        • Топливные фильтры
        • Турбокомпрессор
        • Топливные трубопроводы
      • Система смазки  
        • Масляный картер поддон
        • Масляный насос
        • Теплообменник /Водо-масляный радиатор
        • Фильтры масляные (ФГОМ, ФЦОМ)
      • Пневмокомпрессор и натяжное
      • Система охлаждения  
        • Водяной насос
        • Водяные трубы и патрубки
        • Муфты вязкостные, приводы, крыльчатки
      • Ремкомплекты
      • Сцепление
      • Электрооборудование
    • Запчасти ЯМЗ-650, ЯМЗ-651, DCi-11  
      • Основные запчасти двигателя  
        • Цилиндро-поршневая группа
        • Головка блока цилиндров и комплектующие
        • Блок цилиндров и комплектующие
        • Вал коленчатый и маховик
        • Выпускной коллектор
        • Вал распределительный
        • Клапаны и толкатели
        • ГУР (Гидроусилитель руля)
        • Система рециркуляции отработавших газов
      • Система питания  
        • Коллекторы и патрубки
        • Топливные трубопроводы
        • Топливные фильтры
        • Турбокомпрессор
      • Система смазки  
        • Масляный картер / поддон
        • Масляный насос
        • Теплообменник / Водо-масляный радиатор
        • Фильтры масляные (ФГОМ, ФЦОМ)
      • Система охлаждения  
        • Водяной насос
        • Водяные трубы и патрубки
        • Муфты вязкостные, приводы, крыльчатки
      • Ремкомплекты
      • Пневмокомпрессор и натяжное
      • Электрооборудование
      • Сцепление
    • Топливная аппаратура  
      • ЯЗДА  
        • Распылители
        • ТНВД
        • Форсунки
        • Топливный насос низкого давления
        • Пары плунжерные
        • Муфта опережения впрыска топлива
        • Запчасти и комплектующие ТНВД
      • НЗТА
      • АЗПИ  
        • Распылители
        • Форсунки
      • BOSCH
    • Запчасти УРАЛ  
      • Трансмиссия  
        • Коробка раздаточная
        • Передача карданная
        • Мост задний
        • Мост передний (ведущий)
        • Мост средний (промежуточный)
      • Кузов  
        • Дверь кабины
        • Капот, крылья, облицовка радиатора
        • Окно ветровое и заднее
        • Отопление и вентиляция кабины
        • Кабина
      • Механизмы управления  
        • Управление рулевое
        • Тормоза
      • Дополнительное оборудование  
        • Отбор мощности
        • Устройство седельное
      • Электрооборудование
      • Ходовая часть  
        • Колеса и ступицы
        • Ось передняя
        • Подвеска автомобиля
        • Рама
    • Запчасти МАЗ  
      • Трансмиссия  
        • Мост задний
        • Мост передний (ведущий)
        • Передача карданная
        • Мост средний (промежуточный)
      • Кузов  
        • Кабина
        • Дверь кабины
        • Детали основания кабины
        • Окно ветровое и заднее
        • Платформа
      • Механизмы управления  
        • Тормоза
        • Управление рулевое
      • Ходовая часть  
        • Колеса и ступицы
        • Ось передняя
        • Подвеска автомобиля
        • Рама
    • Запчасти КамАЗ  
      • Кузов  
        • Кабина
        • Капот, крылья, облицовка радиатора
        • Дверь кабины
        • Платформа
        • Окно ветровое и заднее
        • Устройство подъемное и опрокидывающее
        • Сиденье
        • Крыша кабины (крыша кузова)
        • Отопление и вентиляция кабины
      • Трансмиссия  
        • Коробка передач
        • Коробка раздаточная
        • Мост задний
        • Сцепление
        • Мост средний (промежуточный)
        • Передача карданная
        • Мост передний (ведущий)
      • Двигатель  
        • Основные запчасти двигателя
        • Система охлаждения
        • Система питания
        • Система смазки
      • Дополнительное оборудование  
        • Отбор мощности
        • Устройство седельное
      • Ходовая часть  
        • Подвеска автомобиля
        • Рама
        • Колеса и ступицы
        • Ось передняя
      • Механизмы управления  
        • Тормоза
        • Управление рулевое
      • Электрооборудование
    • Запчасти ММЗ
    • Ремни
  • Справочник
    • Грузовые автомобили
    • Автобусы
    • Сельхозтехника
    • Спецтехника
    • Двигатели
  • Как купить
    • Условия оплаты
    • Условия доставки
    • Гарантия на товар
    • Пункты выдачи
  • Услуги
    • Капитальный ремонт двигателей ЯМЗ
  • Акции
  • Статьи
  • Контакты
  • Компания
    • Реквизиты
    • Магазины
    • Оплата
    • Доставка
    • Лицензии и сертификаты
    • Новости
    • Вакансии
Избранное 0 Корзина 0
8-800-700-35-68

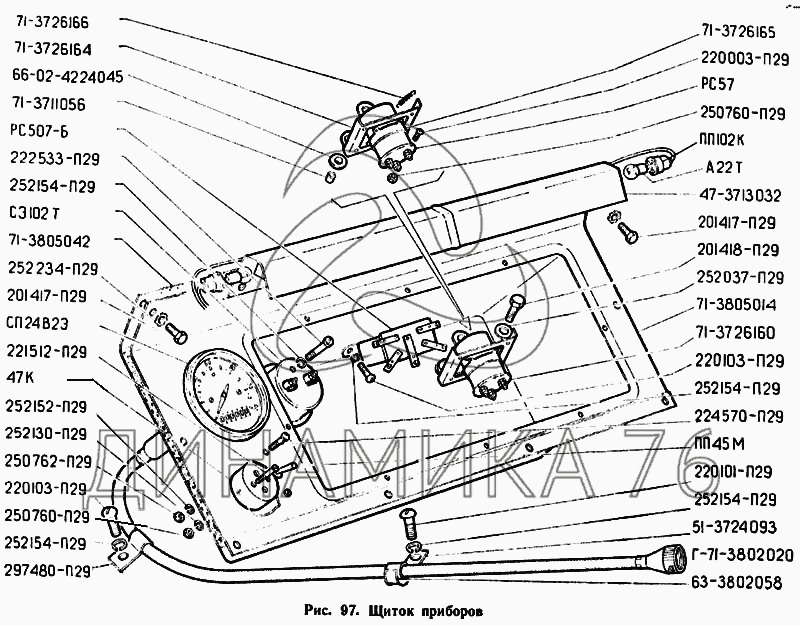
Щиток приборов на ГАЗ-71

Справочник
Главная
-
Автокаталог
-
Спецтехника
-
ГАЗ
-
ГАЗ-71
Справочный каталог

Щиток приборов — ГАЗ-71:

13-3726155 201417-П29 201417-П29 201418-П29 220003-П29 220101-П29 220103-П29 220103-П29 220103-П29 221512-П29 222533-П29 224570-П29 250760-П29 250760-П29 250760-П29 250762-П29 252037-П29 252130-П29 252152-П29 252154-П29 252154-П29 252154-П29 252154-П29 252174-П29 252234-П29 297480-П29 47-3713032 47К 51-3724093 63-3802058 66-02-4224045 71-3711056 71-3726160 71-3726164 71-3726165 71-3726166 71-3805010 71-3805014 71-3805042 RС507-Б А10 А22Т А22Т Г-71-3802020 ПП102К ПП45М СП24В2Э СЭ102Т
в наличии
нет в наличии
масштаб

В наличии
Нет в наличии

Перечень комплектующих от Щиток приборов на ГАЗ-71

Схемы запчастей предназначены для справочных целей! Мы продаем не все запчасти от Щиток приборов на ГАЗ-71, представленные в этом списке.
Наличие на складах по деталям с ценой смотрите в карточке товара.
Артикул: 13-3726155
нет в наличии
Прерыватель указателей поворотов в сборе РС57
Количество на схеме: 1
Информация
Прерыватель указателей поворотов в сборе РС57
Количество
1
Модель
13
Группа
Электрооборудование
Подгруппа
Указатели поворота (передние)
Порядковый номер детали
155
Артикул: 201417-П29
нет в наличии
Болт М6-6gх14 ОСТ 37.001.123-96
Количество на схеме: 10
Информация
Болт М6-6gх14 ОСТ 37.001.123-96
Количество
10
Покрытие
цинкование и пассивирование (цинковое с хроматированием)
Артикул: 201418-П29
нет в наличии
Болт М6-6gх16 ОСТ 37.001.123-96
Количество на схеме: 2
Информация
Болт М6-6gх16 ОСТ 37.001.123-96
Количество
2
Покрытие
цинкование и пассивирование (цинковое с хроматированием)
Артикул: 220003-П29
нет в наличии
Винт М3-6gх8
Количество на схеме: 1
Информация
Винт М3-6gх8
Количество
1
Покрытие
цинкование и пассивирование (цинковое с хроматированием)
Артикул: 220101-П29
нет в наличии
Винт М6-6gх8 ОСТ 37.001.127-81
Количество на схеме: 1
Информация
Винт М6-6gх8 ОСТ 37.001.127-81
Количество
1
Покрытие
цинкование и пассивирование (цинковое с хроматированием)
Артикул: 220103-П29
нет в наличии
Винт М6-6gх12 ОСТ 37.001.127-81
Количество на схеме: 2
Информация
Винт М6-6gх12 ОСТ 37.001.127-81
Количество
2
Покрытие
цинкование и пассивирование (цинковое с хроматированием)
Артикул: 220103-П29
нет в наличии
Винт М6-6gх12 ОСТ 37.001.127-81
Количество на схеме: 1
Информация
Винт М6-6gх12 ОСТ 37.001.127-81
Количество
1
Покрытие
цинкование и пассивирование (цинковое с хроматированием)
Артикул: 221512-П29
нет в наличии
Винт М3-6gх28 ОСТ 37.001.125-81
Количество на схеме: 2
Информация
Винт М3-6gх28 ОСТ 37.001.125-81
Количество
2
Покрытие
цинкование и пассивирование (цинковое с хроматированием)
Артикул: 222533-П29
нет в наличии
Винт М6-6gх35 ОСТ 37.001.128-96
Количество на схеме: 1
Информация
Винт М6-6gх35 ОСТ 37.001.128-96
Количество
1
Покрытие
цинкование и пассивирование (цинковое с хроматированием)
Артикул: 224570-П29
нет в наличии
Винт М4-6gх8 ОСТ 37.001.130-81
Количество на схеме: 2
Информация
Винт М4-6gх8 ОСТ 37.001.130-81
Количество
2
Покрытие
цинкование и пассивирование (цинковое с хроматированием)
Артикул: 250760-П29
нет в наличии
Гайка М3
Количество на схеме: 1
Информация
Гайка М3
Количество
1
Покрытие
цинкование и пассивирование (цинковое с хроматированием)
Артикул: 250760-П29
нет в наличии
Гайка М3
Количество на схеме: 2
Информация
Гайка М3
Количество
2
Покрытие
цинкование и пассивирование (цинковое с хроматированием)
Артикул: 250762-П29
нет в наличии
Гайка М4
Количество на схеме: 2
Информация
Гайка М4
Количество
2
Покрытие
цинкование и пассивирование (цинковое с хроматированием)
Артикул: 252037-П29
нет в наличии
Шайба 6 ОСТ 37.001.144-96
Количество на схеме: 2
Информация
Шайба 6 ОСТ 37.001.144-96
Количество
2
Покрытие
цинкование и пассивирование (цинковое с хроматированием)
Артикул: 252130-П29
нет в наличии
Шайба пружинная 3
Количество на схеме: 2
Информация
Шайба пружинная 3
Количество
2
Покрытие
цинкование и пассивирование (цинковое с хроматированием)
Артикул: 252152-П29
нет в наличии
Шайба 4Л
Количество на схеме: 2
Информация
Шайба 4Л
Количество
2
Покрытие
цинкование и пассивирование (цинковое с хроматированием)
Артикул: 252154-П29
нет в наличии
Шайба 6Л ОСТ 37.001.115-75
Количество на схеме: 1
Информация
Шайба 6Л ОСТ 37.001.115-75
Количество
1
Покрытие
цинкование и пассивирование (цинковое с хроматированием)
Артикул: 252154-П29
нет в наличии
Шайба 6Л ОСТ 37.001.115-75
Количество на схеме: 2
Информация
Шайба 6Л ОСТ 37.001.115-75
Количество
2
Покрытие
цинкование и пассивирование (цинковое с хроматированием)
Артикул: 252174-П29
нет в наличии
Шайба 2-6 ОСТ 37.001.145-75
Количество на схеме: 2
Информация
Шайба 2-6 ОСТ 37.001.145-75
Количество
2
Покрытие
цинкование и пассивирование (цинковое с хроматированием)
Артикул: 252234-П29
нет в наличии
Шайба 2-6 ОСТ 37.001.146-75
Количество на схеме: 10
Информация
Шайба 2-6 ОСТ 37.001.146-75
Количество
10
Покрытие
цинкование и пассивирование (цинковое с хроматированием)
Артикул: 297480-П29
нет в наличии
Скоба крепления трубки
Количество на схеме: 1
Информация
Скоба крепления трубки
Количество
1
Покрытие
цинкование и пассивирование (цинковое с хроматированием)
Артикул: 47-3713032
нет в наличии
Экран освещения щитка приборов в сборе
Количество на схеме: 1
Информация
Экран освещения щитка приборов в сборе
Количество
1
Модель
47
Группа
Электрооборудование
Подгруппа
Освещение щитка приборов
Порядковый номер детали
032
Артикул: 47К
нет в наличии
Розетка штепсельная
Количество на схеме: 1
Информация
Розетка штепсельная
Количество
1
Артикул: 51-3724093
нет в наличии
Скоба крепления пучка проводов
Количество на схеме: 1
Информация
Скоба крепления пучка проводов
Количество
1
Модель
51
Группа
Электрооборудование
Подгруппа
Электропровода
Порядковый номер детали
093
Артикул: 63-3802058
нет в наличии
Трубка уплотнительная
Количество на схеме: 1
Информация
Трубка уплотнительная
Количество
1
Модель
63
Группа
Приборы
Подгруппа
Спидометр
Порядковый номер детали
058
Артикул: 66-02-4224045
нет в наличии
Втулка защитная шланга подвода воздуха на сальнике ступицы колеса
Количество на схеме: 2
Информация
Втулка защитная шланга подвода воздуха на сальнике ступицы колеса
Количество
2
Модель
66-02
Группа
Спецоборудование
Подгруппа
Головка подвода воздуха к шинам колес
Порядковый номер детали
045
Артикул: 71-3711056
нет в наличии
Втулка амортизатора фары
Количество на схеме: 2
Информация
Втулка амортизатора фары
Количество
2
Модель
71
Группа
Электрооборудование
Подгруппа
Фары
Порядковый номер детали
056
Артикул: 71-3726160
нет в наличии
Прерыватель с кронштейном в сборе
Количество на схеме: 1
Информация
Прерыватель с кронштейном в сборе
Количество
1
Модель
71
Группа
Электрооборудование
Подгруппа
Указатели поворота (передние)
Порядковый номер детали
160
Артикул: 71-3726164
нет в наличии
Кронштейн прерывателя
Количество на схеме: 1
Информация
Кронштейн прерывателя
Количество
1
Модель
71
Группа
Электрооборудование
Подгруппа
Указатели поворота (передние)
Порядковый номер детали
164
Артикул: 71-3726165
нет в наличии
Хомут крепления прерывателя
Количество на схеме: 1
Информация
Хомут крепления прерывателя
Количество
1
Модель
71
Группа
Электрооборудование
Подгруппа
Указатели поворота (передние)
Порядковый номер детали
165
Артикул: 71-3726166
нет в наличии
Пружина амортизационная
Количество на схеме: 4
Информация
Пружина амортизационная
Количество
4
Модель
71
Группа
Электрооборудование
Подгруппа
Указатели поворота (передние)
Порядковый номер детали
166
Артикул: 71-3805010
нет в наличии
Щиток приборов с приборами в сборе
Количество на схеме: 1
Информация
Щиток приборов с приборами в сборе
Количество
1
Модель
71
Группа
Приборы
Подгруппа
Щиток прибора
Порядковый номер детали
010
Артикул: 71-3805014
нет в наличии
Щиток приборов с табличкой в сборе
Количество на схеме: 1
Информация
Щиток приборов с табличкой в сборе
Количество
1
Модель
71
Группа
Приборы
Подгруппа
Щиток прибора
Порядковый номер детали
014
Артикул: 71-3805042
нет в наличии
Прокладка амортизационная щитка приборов
Количество на схеме: 1
Информация
Прокладка амортизационная щитка приборов
Количество
1
Модель
71
Группа
Приборы
Подгруппа
Щиток прибора
Порядковый номер детали
042
Артикул: RС507-Б
нет в наличии
Реле включения стартера в сборе (Г-53-3708250-20)
Количество на схеме: 1
Информация
Реле включения стартера в сборе (Г-53-3708250-20)
Количество
1
Артикул: А10
нет в наличии
Лампочка 12 в, 15 св (70-18407)
Количество на схеме: 1
Информация
Лампочка 12 в, 15 св (70-18407)
Количество
1
Артикул: А22Т
нет в наличии
Лампа (1 св) контрольная дальнего света фар (21МЮ-3726033)
Количество на схеме: 6
Информация
Лампа (1 св) контрольная дальнего света фар (21МЮ-3726033)
Количество
6
Артикул: А22Т
нет в наличии
Лампа (1 св) контрольная дальнего света фар (21МЮ-3726033)
Количество на схеме: 2
Информация
Лампа (1 св) контрольная дальнего света фар (21МЮ-3726033)
Количество
2
Артикул: Г-71-3802020
нет в наличии
Вал гибкий спидометра
Количество на схеме: 1
Информация
Вал гибкий спидометра
Количество
1
Модель
Г-71
Группа
Приборы
Подгруппа
Спидометр
Порядковый номер детали
020
Артикул: ПП102К
нет в наличии
Патроны освещения щитка приборов (Г-71-3713027)
Количество на схеме: 1
Информация
Патроны освещения щитка приборов (Г-71-3713027)
Количество
1
Артикул: ПП45М
нет в наличии
Включатель света фар (40-3806190)
Количество на схеме: 1
Информация
Включатель света фар (40-3806190)
Количество
1
Артикул: СП24В2Э
нет в наличии
Спидометр (49-3802010)
Количество на схеме: 1
Информация
Спидометр (49-3802010)
Количество
1
Артикул: СЭ102Т
нет в наличии
Сопротивление катушки зажигания (66-53-3705020)
Количество на схеме: 1
Информация
Сопротивление катушки зажигания (66-53-3705020)
Количество
1
  • Грузовые автомобили
  • Автобусы
  • Сельхозтехника
  • Спецтехника
  • Двигатели
Получить оптовый прайс-лист
Скачать прайс-лист от 07.05.2026 08:00
Специальное предложение от 06.05.2026 17:00
Производители:


  • WEICHAI
  • Автодизель ПАО (ЯМЗ)
  • Тутаевский МЗ
  • ЯЗДА
  • УралАЗ
  • МАЗ
  • АЗПИ
  • BOSCH
  • ММЗ
  • ШААЗ
  • FEDERAL MOGUL
  • ПРАМО
  • Мотордеталь
  • ТАИМ
  • АвтоКрАЗ
  • БЕЛКАРД
  • CZ Strakonice
  • КамАЗ
  • БЗА
  • ЧМЗ
  • BMZ
Новости
Все новости
25 марта 2024
Флагманский седельный тягач «Валдай 45» на выставке «TransRussia»
10 марта 2024
Современные автобусы «CITYMAX 9» и ЛиАЗ-5292 CNG
25 февраля 2024
Серийное производство средних дизельных двигателей повышенной мощности от ЯМЗ
Статьи
Все статьи
Датчики двигателя: за что они отвечают, признаки неисправности и как не прогадать с выбором
Двигатели ЯМЗ-534: история, технические характеристики и области применения
Двигатели ЯМЗ 650: углублённый технический обзор и история
Компания
О компании
Реквизиты
Новости
Политика
Магазины
Информация
Условия оплаты
Условия доставки
Гарантия на товар
Обмен и возврат товара
Помощь
Как оформить заказ
Полезные статьи
Бренды
Пункты выдачи
Оставайтесь на связи
  • Вконтакте
  • YouTube
  • Одноклассники
  • Google Plus
Увидели ошибку?
Выделите, нажав Ctrl + Enter
Наши контакты
8-800-700-35-68
sales@din76.ru
г. Ярославль, Ленинградский пр-т 33, ТЦ "ОМЕГА"
2026 © ООО «Динамика 76» - Все права защищены ООО "Динамика 76"
Предложения на сайте не являются публичной офертой.
На сайте обнаружена ошибка

Текст с ошибкой