Избранное 0 Корзина 0 Личный кабинет
logo
Каталог
Каталог
  • Справочник
    • Грузовые автомобили
    • Автобусы
    • Сельхозтехника
    • Спецтехника
    • Двигатели
  • Доставка
  • Оплата
  • О компании
    • Реквизиты
    • Магазины
    • Оплата
    • Доставка
    • Лицензии и сертификаты
    • Новости
    • Вакансии
  • Контакты
Отправить заявку
Личный кабинет
8 (800) 700-35-68
sales@din76.ru
Избранное 0 Корзина 0
8 (800) 700-35-68
Оптовый прайс-лист
Каталог
  • Двигатели
  • Запчасти WEICHAI
  • Запчасти ЯМЗ, ТМЗ (V-образные)
  • Запчасти ЯМЗ-534, ЯМЗ-536
  • Запчасти ЯМЗ-650, ЯМЗ-651, DCi-11
  • Топливная аппаратура
  • Запчасти УРАЛ
  • Запчасти МАЗ
  • Запчасти КамАЗ
  • Запчасти ММЗ
  • Ремни
Автокаталог (справочник)
  • Доставка
  • Оплата
  • О компании
  • Контакты
8 (800) 700-35-68
Написать в Whatsapp
sales@din76.ru
Динамика 76
Меню  
  • Каталог
    • Двигатели  
      • Двигатели ТМЗ  
        • Двигатели ТМЗ для автомобилей
        • Двигатели ТМЗ для тракторов
        • Специальные двигатели ТМЗ
        • Промышленные двигатели ТМЗ
      • Двигатели ЯМЗ  
        • ЯМЗ 236
        • ЯМЗ 238
        • ЯМЗ 240
        • ЯМЗ 751
        • ЯМЗ 840
        • ЯМЗ 850
        • ЯМЗ 656
        • ЯМЗ 658
        • ЯМЗ 534
        • ЯМЗ 536
        • ЯМЗ 650
        • Двигатели ЯМЗ для электростанций
      • Двигатели КАМАЗ
      • Двигатели ММЗ
      • Двигатели индивидуальной сборки
      • Комплекты переоборудования
    • Запчасти WEICHAI  
      • Основные запчасти двигателя  
        • Клапаны и толкатели
        • Шатуны
        • Вал коленчатый и маховик
        • Вал распределительный
        • Цилиндро-поршневая группа
      • Система питания  
        • Форсунки
        • Турбокомпрессор
      • Система смазки  
        • Насос масляный
      • Головка блока
      • Ремкомплекты
      • Система охлаждения  
        • Насос водяной
        • Муфта вязкостная и крыльчатка
      • Фильтры
      • Электрооборудование  
        • Генератор
        • Стартер
    • Запчасти ЯМЗ, ТМЗ (V-образные)  
      • Основные запчасти двигателя  
        • Блок двигателя и комплектующие
        • Валы распределительные и клапаны
        • Головка блока и комплектующие
        • Цилиндро-поршневая группа
        • Маховики и комплектующие
        • Валы коленчатые и комплектующие
        • Шатуны и комплектующие
      • Система питания  
        • Коллекторы и патрубки
        • Топливные трубопроводы
        • Турбокомпрессор
        • Топливные фильтры
      • Электрооборудование двигателя
      • Система охлаждения  
        • Вязкостные муфты и крыльчатки
        • Приводы вентилятора
        • Водяные насосы
        • Водяные трубы и термостаты
      • Коробки переключения передач  
        • 8 Ступенчатые КПП
        • 5 Ступенчатые КПП
        • 9 Ступенчатые КПП
        • Запасные части КПП ЯМЗ, ТМЗ
      • Система смазки  
        • Теплообменник и комплектующие
        • Масляные насосы
        • Фильтры масляные (ФГОМ, ФЦОМ)
      • Сцепление  
        • Запасные части механизма сцепления
        • Муфты (подшипники выжимные)
        • Корзины (диски нажимные)
        • Диски ведомые
      • Прочие запчасти двигателя  
        • Ремкомплекты
        • Привод агрегатов
        • Натяжные устройства
        • Трубки
    • Запчасти ЯМЗ-534, ЯМЗ-536  
      • Основные запчасти двигателя  
        • Цилиндро-поршневая группа
        • Головка блока цилиндров и комплектующие
        • Блок цилиндров и комплектующие
        • Вал коленчатый и маховик
        • Вал распределительный
        • Клапаны и толкатели
        • ГУР (Гидроусилитель руля)
        • Система рециркуляции отработавших газов
        • Выпускной коллектор
      • Система питания  
        • Коллекторы и патрубки
        • Топливные фильтры
        • Турбокомпрессор
        • Топливные трубопроводы
      • Система смазки  
        • Масляный картер поддон
        • Масляный насос
        • Теплообменник /Водо-масляный радиатор
        • Фильтры масляные (ФГОМ, ФЦОМ)
      • Пневмокомпрессор и натяжное
      • Система охлаждения  
        • Водяной насос
        • Водяные трубы и патрубки
        • Муфты вязкостные, приводы, крыльчатки
      • Ремкомплекты
      • Сцепление
      • Электрооборудование
    • Запчасти ЯМЗ-650, ЯМЗ-651, DCi-11  
      • Основные запчасти двигателя  
        • Цилиндро-поршневая группа
        • Головка блока цилиндров и комплектующие
        • Блок цилиндров и комплектующие
        • Вал коленчатый и маховик
        • Выпускной коллектор
        • Вал распределительный
        • Клапаны и толкатели
        • ГУР (Гидроусилитель руля)
        • Система рециркуляции отработавших газов
      • Система питания  
        • Коллекторы и патрубки
        • Топливные трубопроводы
        • Топливные фильтры
        • Турбокомпрессор
      • Система смазки  
        • Масляный картер / поддон
        • Масляный насос
        • Теплообменник / Водо-масляный радиатор
        • Фильтры масляные (ФГОМ, ФЦОМ)
      • Система охлаждения  
        • Водяной насос
        • Водяные трубы и патрубки
        • Муфты вязкостные, приводы, крыльчатки
      • Ремкомплекты
      • Пневмокомпрессор и натяжное
      • Электрооборудование
      • Сцепление
    • Топливная аппаратура  
      • ЯЗДА  
        • Распылители
        • ТНВД
        • Форсунки
        • Топливный насос низкого давления
        • Пары плунжерные
        • Муфта опережения впрыска топлива
        • Запчасти и комплектующие ТНВД
      • НЗТА
      • АЗПИ  
        • Распылители
        • Форсунки
      • BOSCH
    • Запчасти УРАЛ  
      • Трансмиссия  
        • Коробка раздаточная
        • Передача карданная
        • Мост задний
        • Мост передний (ведущий)
        • Мост средний (промежуточный)
      • Кузов  
        • Дверь кабины
        • Капот, крылья, облицовка радиатора
        • Окно ветровое и заднее
        • Отопление и вентиляция кабины
        • Кабина
      • Механизмы управления  
        • Управление рулевое
        • Тормоза
      • Дополнительное оборудование  
        • Отбор мощности
        • Устройство седельное
      • Электрооборудование
      • Ходовая часть  
        • Колеса и ступицы
        • Ось передняя
        • Подвеска автомобиля
        • Рама
    • Запчасти МАЗ  
      • Трансмиссия  
        • Мост задний
        • Мост передний (ведущий)
        • Передача карданная
        • Мост средний (промежуточный)
      • Кузов  
        • Кабина
        • Дверь кабины
        • Детали основания кабины
        • Окно ветровое и заднее
        • Платформа
      • Механизмы управления  
        • Тормоза
        • Управление рулевое
      • Ходовая часть  
        • Колеса и ступицы
        • Ось передняя
        • Подвеска автомобиля
        • Рама
    • Запчасти КамАЗ  
      • Кузов  
        • Кабина
        • Капот, крылья, облицовка радиатора
        • Дверь кабины
        • Платформа
        • Окно ветровое и заднее
        • Устройство подъемное и опрокидывающее
        • Сиденье
        • Крыша кабины (крыша кузова)
        • Отопление и вентиляция кабины
      • Трансмиссия  
        • Коробка передач
        • Коробка раздаточная
        • Мост задний
        • Сцепление
        • Мост средний (промежуточный)
        • Передача карданная
        • Мост передний (ведущий)
      • Двигатель  
        • Основные запчасти двигателя
        • Система охлаждения
        • Система питания
        • Система смазки
      • Дополнительное оборудование  
        • Отбор мощности
        • Устройство седельное
      • Ходовая часть  
        • Подвеска автомобиля
        • Рама
        • Колеса и ступицы
        • Ось передняя
      • Механизмы управления  
        • Тормоза
        • Управление рулевое
      • Электрооборудование
    • Запчасти ММЗ
    • Ремни
  • Справочник
    • Грузовые автомобили
    • Автобусы
    • Сельхозтехника
    • Спецтехника
    • Двигатели
  • Как купить
    • Условия оплаты
    • Условия доставки
    • Гарантия на товар
    • Пункты выдачи
  • Услуги
    • Капитальный ремонт двигателей ЯМЗ
  • Акции
  • Статьи
  • Контакты
  • Компания
    • Реквизиты
    • Магазины
    • Оплата
    • Доставка
    • Лицензии и сертификаты
    • Новости
    • Вакансии
Избранное 0 Корзина 0
8-800-700-35-68

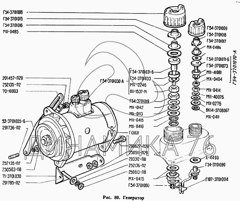
Генератор на ГАЗ-71

Справочник
Главная
-
Автокаталог
-
Спецтехника
-
ГАЗ
-
ГАЗ-71
Справочный каталог

Генератор — ГАЗ-71:

201457-П29 250503-П8 250511-П29 250613-П8 252135-П2 252135-П2 252136-П2 290627-П29 291736-П2 291785-П2 293312-П8 53-3701035-Б 70-10003 71-3701030 8Х-1537-М ВК14-3708067 Г107-3701004 Г130Э1 Г54-3701008 Г54-3701009 Г54-3701015 Г54-3701016 Г54-3701017 Г54-3701018 Г54-3701019 Г54-3701030-А Г54-3701031-Б Г54-3701033 Г54-3701060 Г54-3701070-А Г54-3701071-Б Г54-3701073 Г54-3701090 М11-40076 М11-41081 МХ-0113 МХ-0142 МХ-0246 МХ-0276 МХ-0404 МХ-0410 МХ-0411 МХ-0414 МХ-0415 МХ-0415 МХ-0485 МХ-0486 Х-4490
в наличии
нет в наличии
масштаб

В наличии
Нет в наличии

Перечень комплектующих от Генератор на ГАЗ-71

Схемы запчастей предназначены для справочных целей! Мы продаем не все запчасти от Генератор на ГАЗ-71, представленные в этом списке.
Наличие на складах по деталям с ценой смотрите в карточке товара.
Артикул: 201457-П29
в наличии
Болт М8-6gх22 ОСТ 37.001.123-96
Количество на схеме: 1
Информация
Болт М8-6gх22 ОСТ 37.001.123-96
Количество
1
Покрытие
цинкование и пассивирование (цинковое с хроматированием)
Болт М8х1.25х22 УРАЛ облицовки радиатора (АО АЗ УРАЛ)
Артикул: 201457-П29
Болт М8х1.25х22 УРАЛ облицовки радиатора (АО АЗ УРАЛ)
Код для заказа: 00023011
Цена: 34 ₽/шт.
Под заказ
Болт М8х1.25х22 УРАЛ облицовки радиатора (АО АЗ УРАЛ)
Артикул: 201457-П29
Код для заказа: 00023011
Болт М8х1.25х22 УРАЛ облицовки радиатора (АО АЗ УРАЛ)
Цена: 34 ₽/шт.
Под заказ
Артикул: 250503-П8
нет в наличии
Гайка М8х1-4Н5Н
Количество на схеме: 1
Информация
Гайка М8х1-4Н5Н
Количество
1
Покрытие
цинкование
Артикул: 250511-П29
в наличии
Гайка М8х1-6Н ОСТ 37.001.124-93
Количество на схеме: 4
Информация
Гайка М8х1-6Н ОСТ 37.001.124-93
Количество
4
Покрытие
цинкование и пассивирование (цинковое с хроматированием)
Гайка М8х1.0х6 ЗИЛ,ГАЗ многоцелевая ЭТНА
Артикул: 250511-П29
Гайка М8х1.0х6 ЗИЛ,ГАЗ многоцелевая ЭТНА
Код для заказа: 00027674
Цена: 4 ₽/шт.
Под заказ
Гайка М8х1.0х6 ЗИЛ,ГАЗ многоцелевая ЭТНА
Артикул: 250511-П29
Код для заказа: 00027674
Гайка М8х1.0х6 ЗИЛ,ГАЗ многоцелевая ЭТНА
Цена: 4 ₽/шт.
Под заказ
Артикул: 250613-П8
нет в наличии
Гайка М10х1
Количество на схеме: 2
Информация
Гайка М10х1
Количество
2
Покрытие
цинкование
Артикул: 252135-П2
в наличии
Шайба 8Т ОСТ 37.001.115-75
Количество на схеме: 1
Информация
Шайба 8Т ОСТ 37.001.115-75
Количество
1
Покрытие
фосфатирование и промасливание
Шайба 8х2.5 ЯМЗ заглушки блока цилиндров АВТОДИЗЕЛЬ
Артикул: 252135-П2
Шайба 8х2.5 ЯМЗ заглушки блока цилиндров АВТОДИЗЕЛЬ
Код для заказа: 00006017
Цена: 3 ₽/шт.
Под заказ
Шайба 8х2.5 ЯМЗ заглушки блока цилиндров АВТОДИЗЕЛЬ
Артикул: 252135-П2
Код для заказа: 00006017
Шайба 8х2.5 ЯМЗ заглушки блока цилиндров АВТОДИЗЕЛЬ
Цена: 3 ₽/шт.
Под заказ
Артикул: 252136-П2
в наличии
Шайба 10 ОТ ОСТ 37.001.115-75
Количество на схеме: 2
Информация
Шайба 10 ОТ ОСТ 37.001.115-75
Количество
2
Покрытие
фосфатирование и промасливание
Шайба 10.2х2.5 пружинная цинк ЭТНА
Артикул: 252136-П2
Шайба 10.2х2.5 пружинная цинк ЭТНА
Код для заказа: 00062958
Цена: 10 ₽/шт.
Под заказ
Шайба 10.2х2.5 пружинная цинк ЭТНА
Артикул: 252136-П2
Код для заказа: 00062958
Шайба 10.2х2.5 пружинная цинк ЭТНА
Цена: 10 ₽/шт.
Под заказ
Шайба гроверная 17,1х10,1х3,5
Артикул: 252136-П2
Шайба гроверная 17,1х10,1х3,5
Код для заказа: 00006018
Цена: 10 ₽/шт.
Под заказ
Шайба гроверная 17,1х10,1х3,5
Артикул: 252136-П2
Код для заказа: 00006018
Шайба гроверная 17,1х10,1х3,5
Цена: 10 ₽/шт.
Под заказ
Артикул: 290627-П29
нет в наличии
Болт М8х1х30 крепления верхнего кронштейна
Количество на схеме: 2
Информация
Болт М8х1х30 крепления верхнего кронштейна
Количество
2
Покрытие
цинкование и пассивирование (цинковое с хроматированием)
Артикул: 291736-П2
нет в наличии
Шпилька М6х1-4hх16
Количество на схеме: 1
Информация
Шпилька М6х1-4hх16
Количество
1
Покрытие
фосфатирование и промасливание
Артикул: 291785-П2
нет в наличии
Шпилька М10х(1,5-Сп/1-4Н)х22 ОСТ 37.001.180-96
Количество на схеме: 2
Информация
Шпилька М10х(1,5-Сп/1-4Н)х22 ОСТ 37.001.180-96
Количество
2
Покрытие
фосфатирование и промасливание
Артикул: 293312-П8
нет в наличии
Шайба 10
Количество на схеме: 2
Информация
Шайба 10
Количество
2
Покрытие
цинкование
Артикул: 53-3701035-Б
нет в наличии
Планка установочная генератора
Количество на схеме: 1
Информация
Планка установочная генератора
Количество
1
Модель
53
Группа
Электрооборудование
Подгруппа
Генератор
Порядковый номер детали
035
Артикул: 70-10003
нет в наличии
Скоба прижимная
Количество на схеме: 1
Информация
Скоба прижимная
Количество
1
Артикул: 71-3701030
нет в наличии
Кронштейн генератора
Количество на схеме: 1
Информация
Кронштейн генератора
Количество
1
Модель
71
Группа
Электрооборудование
Подгруппа
Генератор
Порядковый номер детали
030
Артикул: 8Х-1537-М
нет в наличии
Гайка М8
Количество на схеме: 1
Информация
Гайка М8
Количество
1
Артикул: ВК14-3708067
нет в наличии
Шайба изоляционная
Количество на схеме: 1
Информация
Шайба изоляционная
Количество
1
Модель
ВК14
Группа
Электрооборудование
Подгруппа
Стартер
Порядковый номер детали
067
Артикул: Г107-3701004
нет в наличии
Упор
Количество на схеме: 1
Информация
Упор
Количество
1
Модель
Г107
Группа
Электрооборудование
Подгруппа
Генератор
Порядковый номер детали
004
Артикул: Г130Э1
нет в наличии
Генератор (Г-71-3701010)
Количество на схеме: 1
Информация
Генератор (Г-71-3701010)
Количество
1
Артикул: Г54-3701008
нет в наличии
Гайка специальная
Количество на схеме: 1
Информация
Гайка специальная
Количество
1
Модель
Г54
Группа
Электрооборудование
Подгруппа
Генератор
Порядковый номер детали
008
Артикул: Г54-3701009
нет в наличии
Гайка специальная
Количество на схеме: 1
Информация
Гайка специальная
Количество
1
Модель
Г54
Группа
Электрооборудование
Подгруппа
Генератор
Порядковый номер детали
009
Артикул: Г54-3701015
нет в наличии
Втулка конусная
Количество на схеме: 1
Информация
Втулка конусная
Количество
1
Модель
Г54
Группа
Электрооборудование
Подгруппа
Генератор
Порядковый номер детали
015
Артикул: Г54-3701016
нет в наличии
Втулка конусная
Количество на схеме: 1
Информация
Втулка конусная
Количество
1
Модель
Г54
Группа
Электрооборудование
Подгруппа
Генератор
Порядковый номер детали
016
Артикул: Г54-3701017
нет в наличии
Втулка конусная
Количество на схеме: 1
Информация
Втулка конусная
Количество
1
Модель
Г54
Группа
Электрооборудование
Подгруппа
Генератор
Порядковый номер детали
017
Артикул: Г54-3701018
нет в наличии
Втулка конусная
Количество на схеме: 1
Информация
Втулка конусная
Количество
1
Модель
Г54
Группа
Электрооборудование
Подгруппа
Генератор
Порядковый номер детали
018
Артикул: Г54-3701019
нет в наличии
Гайка
Количество на схеме: 1
Информация
Гайка
Количество
1
Модель
Г54
Группа
Электрооборудование
Подгруппа
Генератор
Порядковый номер детали
019
Артикул: Г54-3701030-А
нет в наличии
Вилка в сборе
Количество на схеме: 1
Информация
Вилка в сборе
Количество
1
Модель
Г54
Группа
Электрооборудование
Подгруппа
Генератор
Порядковый номер детали
030
Артикул: Г54-3701031-Б
нет в наличии
Вилка с арматурой
Количество на схеме: 1
Информация
Вилка с арматурой
Количество
1
Модель
Г54
Группа
Электрооборудование
Подгруппа
Генератор
Порядковый номер детали
031
Артикул: Г54-3701033
нет в наличии
Чашка
Количество на схеме: 1
Информация
Чашка
Количество
1
Модель
Г54
Группа
Электрооборудование
Подгруппа
Генератор
Порядковый номер детали
033
Артикул: Г54-3701060
нет в наличии
Втулка в сборе
Количество на схеме: 1
Информация
Втулка в сборе
Количество
1
Модель
Г54
Группа
Электрооборудование
Подгруппа
Генератор
Порядковый номер детали
060
Артикул: Г54-3701070-А
нет в наличии
Вилка в сборе
Количество на схеме: 1
Информация
Вилка в сборе
Количество
1
Модель
Г54
Группа
Электрооборудование
Подгруппа
Генератор
Порядковый номер детали
070
Артикул: Г54-3701071-Б
нет в наличии
Вилка с арматурой
Количество на схеме: 1
Информация
Вилка с арматурой
Количество
1
Модель
Г54
Группа
Электрооборудование
Подгруппа
Генератор
Порядковый номер детали
071
Артикул: Г54-3701073
нет в наличии
Чашка
Количество на схеме: 1
Информация
Чашка
Количество
1
Модель
Г54
Группа
Электрооборудование
Подгруппа
Генератор
Порядковый номер детали
073
Артикул: Г54-3701090
нет в наличии
Втулка с кольцом в сборе
Количество на схеме: 1
Информация
Втулка с кольцом в сборе
Количество
1
Модель
Г54
Группа
Электрооборудование
Подгруппа
Генератор
Порядковый номер детали
090
Артикул: М11-40076
нет в наличии
Шайба пружинная
Количество на схеме: 1
Информация
Шайба пружинная
Количество
1
Артикул: М11-41081
нет в наличии
Шайба 5Т пружинная
Количество на схеме: 1
Информация
Шайба 5Т пружинная
Количество
1
Артикул: МХ-0113
нет в наличии
Шайба
Количество на схеме: 1
Информация
Шайба
Количество
1
Артикул: МХ-0142
нет в наличии
Шайба пружинная
Количество на схеме: 1
Информация
Шайба пружинная
Количество
1
Артикул: МХ-0246
нет в наличии
Шайба 8 пружинная
Количество на схеме: 1
Информация
Шайба 8 пружинная
Количество
1
Артикул: МХ-0276
нет в наличии
Шайба 6
Количество на схеме: 1
Информация
Шайба 6
Количество
1
Артикул: МХ-0404
нет в наличии
Гайка
Количество на схеме: 1
Информация
Гайка
Количество
1
Артикул: МХ-0410
нет в наличии
Шайба изоляционная
Количество на схеме: 2
Информация
Шайба изоляционная
Количество
2
Артикул: МХ-0411
нет в наличии
Шайба
Количество на схеме: 1
Информация
Шайба
Количество
1
Артикул: МХ-0414
нет в наличии
Гайка
Количество на схеме: 1
Информация
Гайка
Количество
1
Артикул: МХ-0415
нет в наличии
Шайба изоляционная
Количество на схеме: 3
Информация
Шайба изоляционная
Количество
3
Артикул: МХ-0485
нет в наличии
Шайба изоляционная
Количество на схеме: 1
Информация
Шайба изоляционная
Количество
1
Артикул: МХ-0486
нет в наличии
Шайба изоляционная
Количество на схеме: 1
Информация
Шайба изоляционная
Количество
1
Артикул: Х-4490
нет в наличии
Шайба изоляционная щеточного вывода
Количество на схеме: 1
Информация
Шайба изоляционная щеточного вывода
Количество
1
  • Грузовые автомобили
  • Автобусы
  • Сельхозтехника
  • Спецтехника
  • Двигатели
Получить оптовый прайс-лист
Скачать прайс-лист от 25.05.2026 16:00
Специальное предложение от 25.05.2026 17:00
Производители:


  • WEICHAI
  • Автодизель ПАО (ЯМЗ)
  • Тутаевский МЗ
  • ЯЗДА
  • УралАЗ
  • МАЗ
  • АЗПИ
  • BOSCH
  • ММЗ
  • ШААЗ
  • FEDERAL MOGUL
  • ПРАМО
  • Мотордеталь
  • ТАИМ
  • АвтоКрАЗ
  • БЕЛКАРД
  • CZ Strakonice
  • КамАЗ
  • БЗА
  • ЧМЗ
  • BMZ
Новости
Все новости
25 марта 2024
Флагманский седельный тягач «Валдай 45» на выставке «TransRussia»
10 марта 2024
Современные автобусы «CITYMAX 9» и ЛиАЗ-5292 CNG
25 февраля 2024
Серийное производство средних дизельных двигателей повышенной мощности от ЯМЗ
Статьи
Все статьи
Датчики двигателя: за что они отвечают, признаки неисправности и как не прогадать с выбором
Двигатели ЯМЗ-534: история, технические характеристики и области применения
Двигатели ЯМЗ 650: углублённый технический обзор и история
Компания
О компании
Реквизиты
Новости
Политика
Магазины
Информация
Условия оплаты
Условия доставки
Гарантия на товар
Обмен и возврат товара
Помощь
Как оформить заказ
Полезные статьи
Бренды
Пункты выдачи
Оставайтесь на связи
  • Вконтакте
  • YouTube
  • Одноклассники
  • Google Plus
Увидели ошибку?
Выделите, нажав Ctrl + Enter
Наши контакты
8-800-700-35-68
sales@din76.ru
г. Ярославль, Ленинградский пр-т 33, ТЦ "ОМЕГА"
2026 © ООО «Динамика 76» - Все права защищены ООО "Динамика 76"
Предложения на сайте не являются публичной офертой.
На сайте обнаружена ошибка

Текст с ошибкой