Избранное 0 Корзина 0 Личный кабинет
logo
Каталог
Каталог
  • Справочник
    • Грузовые автомобили
    • Автобусы
    • Сельхозтехника
    • Спецтехника
    • Двигатели
  • Доставка
  • Оплата
  • О компании
    • Реквизиты
    • Магазины
    • Оплата
    • Доставка
    • Лицензии и сертификаты
    • Новости
    • Вакансии
  • Контакты
Отправить заявку
Личный кабинет
8 (800) 700-35-68
sales@din76.ru
Избранное 0 Корзина 0
8 (800) 700-35-68
Оптовый прайс-лист
Каталог
  • Двигатели
  • Запчасти WEICHAI
  • Запчасти ЯМЗ, ТМЗ (V-образные)
  • Запчасти ЯМЗ-534, ЯМЗ-536
  • Запчасти ЯМЗ-650, ЯМЗ-651, DCi-11
  • Топливная аппаратура
  • Запчасти УРАЛ
  • Запчасти МАЗ
  • Запчасти КамАЗ
  • Запчасти ММЗ
  • Ремни
Автокаталог (справочник)
  • Доставка
  • Оплата
  • О компании
  • Контакты
8 (800) 700-35-68
Написать в Whatsapp
sales@din76.ru
Динамика 76
Меню  
  • Каталог
    • Двигатели  
      • Двигатели ТМЗ  
        • Двигатели ТМЗ для автомобилей
        • Двигатели ТМЗ для тракторов
        • Специальные двигатели ТМЗ
        • Промышленные двигатели ТМЗ
      • Двигатели ЯМЗ  
        • ЯМЗ 236
        • ЯМЗ 238
        • ЯМЗ 240
        • ЯМЗ 751
        • ЯМЗ 840
        • ЯМЗ 850
        • ЯМЗ 656
        • ЯМЗ 658
        • ЯМЗ 534
        • ЯМЗ 536
        • ЯМЗ 650
        • Двигатели ЯМЗ для электростанций
      • Двигатели КАМАЗ
      • Двигатели ММЗ
      • Двигатели индивидуальной сборки
      • Комплекты переоборудования
    • Запчасти WEICHAI  
      • Основные запчасти двигателя  
        • Клапаны и толкатели
        • Шатуны
        • Вал коленчатый и маховик
        • Вал распределительный
        • Цилиндро-поршневая группа
      • Система питания  
        • Форсунки
        • Турбокомпрессор
      • Система смазки  
        • Насос масляный
      • Головка блока
      • Ремкомплекты
      • Система охлаждения  
        • Насос водяной
        • Муфта вязкостная и крыльчатка
      • Фильтры
      • Электрооборудование  
        • Генератор
        • Стартер
    • Запчасти ЯМЗ, ТМЗ (V-образные)  
      • Основные запчасти двигателя  
        • Блок двигателя и комплектующие
        • Валы распределительные и клапаны
        • Головка блока и комплектующие
        • Цилиндро-поршневая группа
        • Маховики и комплектующие
        • Валы коленчатые и комплектующие
        • Шатуны и комплектующие
      • Система питания  
        • Коллекторы и патрубки
        • Топливные трубопроводы
        • Турбокомпрессор
        • Топливные фильтры
      • Электрооборудование двигателя
      • Система охлаждения  
        • Вязкостные муфты и крыльчатки
        • Приводы вентилятора
        • Водяные насосы
        • Водяные трубы и термостаты
      • Коробки переключения передач  
        • 8 Ступенчатые КПП
        • 5 Ступенчатые КПП
        • 9 Ступенчатые КПП
        • Запасные части КПП ЯМЗ, ТМЗ
      • Система смазки  
        • Теплообменник и комплектующие
        • Масляные насосы
        • Фильтры масляные (ФГОМ, ФЦОМ)
      • Сцепление  
        • Запасные части механизма сцепления
        • Муфты (подшипники выжимные)
        • Корзины (диски нажимные)
        • Диски ведомые
      • Прочие запчасти двигателя  
        • Ремкомплекты
        • Привод агрегатов
        • Натяжные устройства
        • Трубки
    • Запчасти ЯМЗ-534, ЯМЗ-536  
      • Основные запчасти двигателя  
        • Цилиндро-поршневая группа
        • Головка блока цилиндров и комплектующие
        • Блок цилиндров и комплектующие
        • Вал коленчатый и маховик
        • Вал распределительный
        • Клапаны и толкатели
        • ГУР (Гидроусилитель руля)
        • Система рециркуляции отработавших газов
        • Выпускной коллектор
      • Система питания  
        • Коллекторы и патрубки
        • Топливные фильтры
        • Турбокомпрессор
        • Топливные трубопроводы
      • Система смазки  
        • Масляный картер поддон
        • Масляный насос
        • Теплообменник /Водо-масляный радиатор
        • Фильтры масляные (ФГОМ, ФЦОМ)
      • Пневмокомпрессор и натяжное
      • Система охлаждения  
        • Водяной насос
        • Водяные трубы и патрубки
        • Муфты вязкостные, приводы, крыльчатки
      • Ремкомплекты
      • Сцепление
      • Электрооборудование
    • Запчасти ЯМЗ-650, ЯМЗ-651, DCi-11  
      • Основные запчасти двигателя  
        • Цилиндро-поршневая группа
        • Головка блока цилиндров и комплектующие
        • Блок цилиндров и комплектующие
        • Вал коленчатый и маховик
        • Выпускной коллектор
        • Вал распределительный
        • Клапаны и толкатели
        • ГУР (Гидроусилитель руля)
        • Система рециркуляции отработавших газов
      • Система питания  
        • Коллекторы и патрубки
        • Топливные трубопроводы
        • Топливные фильтры
        • Турбокомпрессор
      • Система смазки  
        • Масляный картер / поддон
        • Масляный насос
        • Теплообменник / Водо-масляный радиатор
        • Фильтры масляные (ФГОМ, ФЦОМ)
      • Система охлаждения  
        • Водяной насос
        • Водяные трубы и патрубки
        • Муфты вязкостные, приводы, крыльчатки
      • Ремкомплекты
      • Пневмокомпрессор и натяжное
      • Электрооборудование
      • Сцепление
    • Топливная аппаратура  
      • ЯЗДА  
        • Распылители
        • ТНВД
        • Форсунки
        • Топливный насос низкого давления
        • Пары плунжерные
        • Муфта опережения впрыска топлива
        • Запчасти и комплектующие ТНВД
      • НЗТА
      • АЗПИ  
        • Распылители
        • Форсунки
      • BOSCH
    • Запчасти УРАЛ  
      • Трансмиссия  
        • Коробка раздаточная
        • Передача карданная
        • Мост задний
        • Мост передний (ведущий)
        • Мост средний (промежуточный)
      • Кузов  
        • Дверь кабины
        • Капот, крылья, облицовка радиатора
        • Окно ветровое и заднее
        • Отопление и вентиляция кабины
        • Кабина
      • Механизмы управления  
        • Управление рулевое
        • Тормоза
      • Дополнительное оборудование  
        • Отбор мощности
        • Устройство седельное
      • Электрооборудование
      • Ходовая часть  
        • Колеса и ступицы
        • Ось передняя
        • Подвеска автомобиля
        • Рама
    • Запчасти МАЗ  
      • Трансмиссия  
        • Мост задний
        • Мост передний (ведущий)
        • Передача карданная
        • Мост средний (промежуточный)
      • Кузов  
        • Кабина
        • Дверь кабины
        • Детали основания кабины
        • Окно ветровое и заднее
        • Платформа
      • Механизмы управления  
        • Тормоза
        • Управление рулевое
      • Ходовая часть  
        • Колеса и ступицы
        • Ось передняя
        • Подвеска автомобиля
        • Рама
    • Запчасти КамАЗ  
      • Кузов  
        • Кабина
        • Капот, крылья, облицовка радиатора
        • Дверь кабины
        • Платформа
        • Окно ветровое и заднее
        • Устройство подъемное и опрокидывающее
        • Сиденье
        • Крыша кабины (крыша кузова)
        • Отопление и вентиляция кабины
      • Трансмиссия  
        • Коробка передач
        • Коробка раздаточная
        • Мост задний
        • Сцепление
        • Мост средний (промежуточный)
        • Передача карданная
        • Мост передний (ведущий)
      • Двигатель  
        • Основные запчасти двигателя
        • Система охлаждения
        • Система питания
        • Система смазки
      • Дополнительное оборудование  
        • Отбор мощности
        • Устройство седельное
      • Ходовая часть  
        • Подвеска автомобиля
        • Рама
        • Колеса и ступицы
        • Ось передняя
      • Механизмы управления  
        • Тормоза
        • Управление рулевое
      • Электрооборудование
    • Запчасти ММЗ
    • Ремни
  • Справочник
    • Грузовые автомобили
    • Автобусы
    • Сельхозтехника
    • Спецтехника
    • Двигатели
  • Как купить
    • Условия оплаты
    • Условия доставки
    • Гарантия на товар
    • Пункты выдачи
  • Услуги
    • Капитальный ремонт двигателей ЯМЗ
  • Акции
  • Статьи
  • Контакты
  • Компания
    • Реквизиты
    • Магазины
    • Оплата
    • Доставка
    • Лицензии и сертификаты
    • Новости
    • Вакансии
Избранное 0 Корзина 0
8-800-700-35-68

K9-Auxiliary cabin heating на BC772RB-2 (до 2017 г.)

Справочник
Главная
-
Автокаталог
-
Спецтехника
-
BOMAG
-
BC772RB-2
Справочный каталог

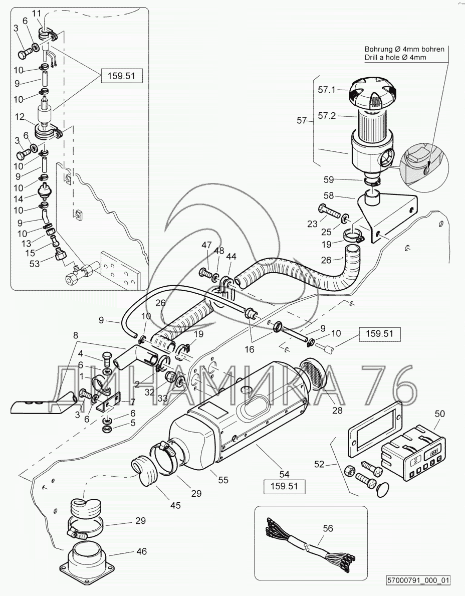
K9-Auxiliary cabin heating — BC772RB-2:

00557604 00557604 00557604 00557604 00557604 00557606 00557606 00557607 05542305 05551402 05551402 05551402 05551402 05551402 05551402 05551402 05551402 05551901 05551907 05551913 05551921 05552405 05552410 05552410 05556023 05576016 05576016 05576016 05576059 05576083 05576085 05576203 05576305 05576306 05576334 05576336 05750532 05821443 05821444 05821445 07140622 07140622 07140622 07140629 07140824 07141030 08110620 08130611 08510612 08751064 08751064 08751064 08751064 08751064 08752084 08752106 57003066 57003171 57253536 58203268
в наличии
нет в наличии
масштаб

В наличии
Нет в наличии

Перечень комплектующих от K9-Auxiliary cabin heating на BC772RB-2

Схемы запчастей предназначены для справочных целей! Мы продаем не все запчасти от K9-Auxiliary cabin heating на BC772RB-2, представленные в этом списке.
Наличие на складах по деталям с ценой смотрите в карточке товара.
Артикул: 00557604
нет в наличии
Hose
Количество на схеме: ;
Информация
Hose
Количество
;
Подгруппа
0055
Порядковый номер детали
760
Артикул: 00557606
нет в наличии
Flexible exhaust tube
Количество на схеме: ;
Информация
Flexible exhaust tube
Количество
;
Подгруппа
0055
Порядковый номер детали
760
Артикул: 00557607
нет в наличии
Air hose
Количество на схеме: ;
Информация
Air hose
Количество
;
Подгруппа
0055
Порядковый номер детали
760
Артикул: 05542305
нет в наличии
Reducing union
Количество на схеме: 1
Информация
Reducing union
Количество
1
Подгруппа
0554
Порядковый номер детали
230
Артикул: 05551402
нет в наличии
Hose clip
Количество на схеме: 8
Информация
Hose clip
Количество
8
Подгруппа
0555
Порядковый номер детали
140
Артикул: 05551901
нет в наличии
Tube clamp
Количество на схеме: 3
Информация
Tube clamp
Количество
3
Подгруппа
0555
Порядковый номер детали
190
Артикул: 05551907
нет в наличии
Tube clamp
Количество на схеме: 2
Информация
Tube clamp
Количество
2
Подгруппа
0555
Порядковый номер детали
190
Артикул: 05551913
нет в наличии
Tube clamp
Количество на схеме: 1
Информация
Tube clamp
Количество
1
Подгруппа
0555
Порядковый номер детали
191
Артикул: 05551921
нет в наличии
Tube clamp
Количество на схеме: 1
Информация
Tube clamp
Количество
1
Подгруппа
0555
Порядковый номер детали
192
Артикул: 05552405
нет в наличии
Hose clip
Количество на схеме: 1
Информация
Hose clip
Количество
1
Подгруппа
0555
Порядковый номер детали
240
Артикул: 05552410
нет в наличии
Hose clip
Количество на схеме: 2
Информация
Hose clip
Количество
2
Подгруппа
0555
Порядковый номер детали
241
Артикул: 05556023
нет в наличии
Cap nut
Количество на схеме: 1
Информация
Cap nut
Количество
1
Подгруппа
0555
Порядковый номер детали
602
Артикул: 05576016
нет в наличии
Tube clamp
Количество на схеме: 1
Информация
Tube clamp
Количество
1
Подгруппа
0557
Порядковый номер детали
601
Артикул: 05576016
нет в наличии
Tube clamp
Количество на схеме: 2
Информация
Tube clamp
Количество
2
Подгруппа
0557
Порядковый номер детали
601
Артикул: 05576059
нет в наличии
Protective grill
Количество на схеме: 1
Информация
Protective grill
Количество
1
Подгруппа
0557
Порядковый номер детали
605
Артикул: 05576083
нет в наличии
Fuel filter
Количество на схеме: 1
Информация
Fuel filter
Количество
1
Подгруппа
0557
Порядковый номер детали
608
Артикул: 05576085
нет в наличии
Hose nipple
Количество на схеме: 1
Информация
Hose nipple
Количество
1
Подгруппа
0557
Порядковый номер детали
608
Артикул: 05576203
нет в наличии
Discharge nozzle
Количество на схеме: 2
Информация
Discharge nozzle
Количество
2
Подгруппа
0557
Порядковый номер детали
620
Артикул: 05576305
нет в наличии
Heating switch
Количество на схеме: 1
Информация
Heating switch
Количество
1
Подгруппа
0557
Порядковый номер детали
630
Артикул: 05576306
нет в наличии
Fastening parts
Количество на схеме: 1
Информация
Fastening parts
Количество
1
Подгруппа
0557
Порядковый номер детали
630
Артикул: 05576334
нет в наличии
Heating unit
Количество на схеме: 1
Информация
Heating unit
Количество
1
Подгруппа
0557
Порядковый номер детали
633
Артикул: 05576336
нет в наличии
Air box
Количество на схеме: 1
Информация
Air box
Количество
1
Подгруппа
0557
Порядковый номер детали
633
Артикул: 05750532
нет в наличии
Fitting
Количество на схеме: 1
Информация
Fitting
Количество
1
Подгруппа
0575
Порядковый номер детали
053
Артикул: 05821443
нет в наличии
Air filter
Количество на схеме: 1
Информация
Air filter
Количество
1
Подгруппа
0582
Порядковый номер детали
144
Артикул: 05821444
нет в наличии
Cover
Количество на схеме: 1
Информация
Cover
Количество
1
Подгруппа
0582
Порядковый номер детали
144
Артикул: 05821445
нет в наличии
Filter element
Количество на схеме: 1
Информация
Filter element
Количество
1
Подгруппа
0582
Порядковый номер детали
144
Артикул: 07140622
нет в наличии
Hexagon bolt
Количество на схеме: 6
Информация
Hexagon bolt
Количество
6
Подгруппа
0714
Порядковый номер детали
062
Артикул: 07140629
нет в наличии
Hexagon bolt
Количество на схеме: 1
Информация
Hexagon bolt
Количество
1
Подгруппа
0714
Порядковый номер детали
062
Артикул: 07140824
нет в наличии
Hexagon bolt
Количество на схеме: 2
Информация
Hexagon bolt
Количество
2
Подгруппа
0714
Порядковый номер детали
082
Артикул: 07141030
нет в наличии
Hexagon bolt
Количество на схеме: 2
Информация
Hexagon bolt
Количество
2
Подгруппа
0714
Порядковый номер детали
103
Артикул: 08110620
нет в наличии
Hexagon nut
Количество на схеме: 1
Информация
Hexagon nut
Количество
1
Подгруппа
0811
Порядковый номер детали
062
Артикул: 08130611
нет в наличии
Safety nut
Количество на схеме: 4
Информация
Safety nut
Количество
4
Подгруппа
0813
Порядковый номер детали
061
Артикул: 08510612
нет в наличии
Washer
Количество на схеме: 4
Информация
Washer
Количество
4
Подгруппа
0851
Порядковый номер детали
061
Артикул: 08751064
нет в наличии
Spring washer
Количество на схеме: 8
Информация
Spring washer
Количество
8
Подгруппа
0875
Порядковый номер детали
106
Артикул: 08752084
нет в наличии
Spring washer
Количество на схеме: 2
Информация
Spring washer
Количество
2
Подгруппа
0875
Порядковый номер детали
208
Артикул: 08752106
нет в наличии
Spring washer
Количество на схеме: 2
Информация
Spring washer
Количество
2
Подгруппа
0875
Порядковый номер детали
210
Артикул: 57003066
нет в наличии
Angle
Количество на схеме: 1
Информация
Angle
Количество
1
Группа
Крыша кабины (кузова)
Подгруппа
5700
Порядковый номер детали
306
Артикул: 57003171
нет в наличии
Exhaust pipe
Количество на схеме: 1
Информация
Exhaust pipe
Количество
1
Группа
Крыша кабины (кузова)
Подгруппа
5700
Порядковый номер детали
317
Артикул: 57253536
нет в наличии
Wire harness
Количество на схеме: 1
Информация
Wire harness
Количество
1
Группа
Крыша кабины (кузова)
Подгруппа
5725
Порядковый номер детали
353
Артикул: 58203268
нет в наличии
Holder
Количество на схеме: 1
Информация
Holder
Количество
1
Подгруппа
5820
Порядковый номер детали
326
  • Грузовые автомобили
  • Автобусы
  • Сельхозтехника
  • Спецтехника
  • Двигатели
Получить оптовый прайс-лист
Скачать прайс-лист от 12.05.2026 16:00
Специальное предложение от 12.05.2026 17:00
Производители:


  • WEICHAI
  • Автодизель ПАО (ЯМЗ)
  • Тутаевский МЗ
  • ЯЗДА
  • УралАЗ
  • МАЗ
  • АЗПИ
  • BOSCH
  • ММЗ
  • ШААЗ
  • FEDERAL MOGUL
  • ПРАМО
  • Мотордеталь
  • ТАИМ
  • АвтоКрАЗ
  • БЕЛКАРД
  • CZ Strakonice
  • КамАЗ
  • БЗА
  • ЧМЗ
  • BMZ
Новости
Все новости
25 марта 2024
Флагманский седельный тягач «Валдай 45» на выставке «TransRussia»
10 марта 2024
Современные автобусы «CITYMAX 9» и ЛиАЗ-5292 CNG
25 февраля 2024
Серийное производство средних дизельных двигателей повышенной мощности от ЯМЗ
Статьи
Все статьи
Датчики двигателя: за что они отвечают, признаки неисправности и как не прогадать с выбором
Двигатели ЯМЗ-534: история, технические характеристики и области применения
Двигатели ЯМЗ 650: углублённый технический обзор и история
Компания
О компании
Реквизиты
Новости
Политика
Магазины
Информация
Условия оплаты
Условия доставки
Гарантия на товар
Обмен и возврат товара
Помощь
Как оформить заказ
Полезные статьи
Бренды
Пункты выдачи
Оставайтесь на связи
  • Вконтакте
  • YouTube
  • Одноклассники
  • Google Plus
Увидели ошибку?
Выделите, нажав Ctrl + Enter
Наши контакты
8-800-700-35-68
sales@din76.ru
г. Ярославль, Ленинградский пр-т 33, ТЦ "ОМЕГА"
2026 © ООО «Динамика 76» - Все права защищены ООО "Динамика 76"
Предложения на сайте не являются публичной офертой.
На сайте обнаружена ошибка

Текст с ошибкой