Избранное 0 Корзина 0 Личный кабинет
logo
Каталог
Каталог
  • Справочник
    • Грузовые автомобили
    • Автобусы
    • Сельхозтехника
    • Спецтехника
    • Двигатели
  • Доставка
  • Оплата
  • О компании
    • Реквизиты
    • Магазины
    • Оплата
    • Доставка
    • Лицензии и сертификаты
    • Новости
    • Вакансии
  • Контакты
Отправить заявку
Личный кабинет
8 (800) 700-35-68
sales@din76.ru
Избранное 0 Корзина 0
8 (800) 700-35-68
Оптовый прайс-лист
Каталог
  • Двигатели
  • Запчасти WEICHAI
  • Запчасти ЯМЗ, ТМЗ (V-образные)
  • Запчасти ЯМЗ-534, ЯМЗ-536
  • Запчасти ЯМЗ-650, ЯМЗ-651, DCi-11
  • Топливная аппаратура
  • Запчасти УРАЛ
  • Запчасти МАЗ
  • Запчасти КамАЗ
  • Запчасти ММЗ
  • Ремни
Автокаталог (справочник)
  • Доставка
  • Оплата
  • О компании
  • Контакты
8 (800) 700-35-68
Написать в Whatsapp
sales@din76.ru
Динамика 76
Меню  
  • Каталог
    • Двигатели  
      • Двигатели ТМЗ  
        • Двигатели ТМЗ для автомобилей
        • Двигатели ТМЗ для тракторов
        • Специальные двигатели ТМЗ
        • Промышленные двигатели ТМЗ
      • Двигатели ЯМЗ  
        • ЯМЗ 236
        • ЯМЗ 238
        • ЯМЗ 240
        • ЯМЗ 751
        • ЯМЗ 840
        • ЯМЗ 850
        • ЯМЗ 656
        • ЯМЗ 658
        • ЯМЗ 534
        • ЯМЗ 536
        • ЯМЗ 650
        • Двигатели ЯМЗ для электростанций
      • Двигатели КАМАЗ
      • Двигатели ММЗ
      • Двигатели индивидуальной сборки
      • Комплекты переоборудования
    • Запчасти WEICHAI  
      • Основные запчасти двигателя  
        • Клапаны и толкатели
        • Шатуны
        • Вал коленчатый и маховик
        • Вал распределительный
        • Цилиндро-поршневая группа
      • Система питания  
        • Форсунки
        • Турбокомпрессор
      • Система смазки  
        • Насос масляный
      • Головка блока
      • Ремкомплекты
      • Система охлаждения  
        • Насос водяной
        • Муфта вязкостная и крыльчатка
      • Фильтры
      • Электрооборудование  
        • Генератор
        • Стартер
    • Запчасти ЯМЗ, ТМЗ (V-образные)  
      • Основные запчасти двигателя  
        • Блок двигателя и комплектующие
        • Валы распределительные и клапаны
        • Головка блока и комплектующие
        • Цилиндро-поршневая группа
        • Маховики и комплектующие
        • Валы коленчатые и комплектующие
        • Шатуны и комплектующие
      • Система питания  
        • Коллекторы и патрубки
        • Топливные трубопроводы
        • Турбокомпрессор
        • Топливные фильтры
      • Электрооборудование двигателя
      • Система охлаждения  
        • Вязкостные муфты и крыльчатки
        • Приводы вентилятора
        • Водяные насосы
        • Водяные трубы и термостаты
      • Коробки переключения передач  
        • 8 Ступенчатые КПП
        • 5 Ступенчатые КПП
        • 9 Ступенчатые КПП
        • Запасные части КПП ЯМЗ, ТМЗ
      • Система смазки  
        • Теплообменник и комплектующие
        • Масляные насосы
        • Фильтры масляные (ФГОМ, ФЦОМ)
      • Сцепление  
        • Запасные части механизма сцепления
        • Муфты (подшипники выжимные)
        • Корзины (диски нажимные)
        • Диски ведомые
      • Прочие запчасти двигателя  
        • Ремкомплекты
        • Привод агрегатов
        • Натяжные устройства
        • Трубки
    • Запчасти ЯМЗ-534, ЯМЗ-536  
      • Основные запчасти двигателя  
        • Цилиндро-поршневая группа
        • Головка блока цилиндров и комплектующие
        • Блок цилиндров и комплектующие
        • Вал коленчатый и маховик
        • Вал распределительный
        • Клапаны и толкатели
        • ГУР (Гидроусилитель руля)
        • Система рециркуляции отработавших газов
        • Выпускной коллектор
      • Система питания  
        • Коллекторы и патрубки
        • Топливные фильтры
        • Турбокомпрессор
        • Топливные трубопроводы
      • Система смазки  
        • Масляный картер поддон
        • Масляный насос
        • Теплообменник /Водо-масляный радиатор
        • Фильтры масляные (ФГОМ, ФЦОМ)
      • Пневмокомпрессор и натяжное
      • Система охлаждения  
        • Водяной насос
        • Водяные трубы и патрубки
        • Муфты вязкостные, приводы, крыльчатки
      • Ремкомплекты
      • Сцепление
      • Электрооборудование
    • Запчасти ЯМЗ-650, ЯМЗ-651, DCi-11  
      • Основные запчасти двигателя  
        • Цилиндро-поршневая группа
        • Головка блока цилиндров и комплектующие
        • Блок цилиндров и комплектующие
        • Вал коленчатый и маховик
        • Выпускной коллектор
        • Вал распределительный
        • Клапаны и толкатели
        • ГУР (Гидроусилитель руля)
        • Система рециркуляции отработавших газов
      • Система питания  
        • Коллекторы и патрубки
        • Топливные трубопроводы
        • Топливные фильтры
        • Турбокомпрессор
      • Система смазки  
        • Масляный картер / поддон
        • Масляный насос
        • Теплообменник / Водо-масляный радиатор
        • Фильтры масляные (ФГОМ, ФЦОМ)
      • Система охлаждения  
        • Водяной насос
        • Водяные трубы и патрубки
        • Муфты вязкостные, приводы, крыльчатки
      • Ремкомплекты
      • Пневмокомпрессор и натяжное
      • Электрооборудование
      • Сцепление
    • Топливная аппаратура  
      • ЯЗДА  
        • Распылители
        • ТНВД
        • Форсунки
        • Топливный насос низкого давления
        • Пары плунжерные
        • Муфта опережения впрыска топлива
        • Запчасти и комплектующие ТНВД
      • НЗТА
      • АЗПИ  
        • Распылители
        • Форсунки
      • BOSCH
    • Запчасти УРАЛ  
      • Трансмиссия  
        • Коробка раздаточная
        • Передача карданная
        • Мост задний
        • Мост передний (ведущий)
        • Мост средний (промежуточный)
      • Кузов  
        • Дверь кабины
        • Капот, крылья, облицовка радиатора
        • Окно ветровое и заднее
        • Отопление и вентиляция кабины
        • Кабина
      • Механизмы управления  
        • Управление рулевое
        • Тормоза
      • Дополнительное оборудование  
        • Отбор мощности
        • Устройство седельное
      • Электрооборудование
      • Ходовая часть  
        • Колеса и ступицы
        • Ось передняя
        • Подвеска автомобиля
        • Рама
    • Запчасти МАЗ  
      • Трансмиссия  
        • Мост задний
        • Мост передний (ведущий)
        • Передача карданная
        • Мост средний (промежуточный)
      • Кузов  
        • Кабина
        • Дверь кабины
        • Детали основания кабины
        • Окно ветровое и заднее
        • Платформа
      • Механизмы управления  
        • Тормоза
        • Управление рулевое
      • Ходовая часть  
        • Колеса и ступицы
        • Ось передняя
        • Подвеска автомобиля
        • Рама
    • Запчасти КамАЗ  
      • Кузов  
        • Кабина
        • Капот, крылья, облицовка радиатора
        • Дверь кабины
        • Платформа
        • Окно ветровое и заднее
        • Устройство подъемное и опрокидывающее
        • Сиденье
        • Крыша кабины (крыша кузова)
        • Отопление и вентиляция кабины
      • Трансмиссия  
        • Коробка передач
        • Коробка раздаточная
        • Мост задний
        • Сцепление
        • Мост средний (промежуточный)
        • Передача карданная
        • Мост передний (ведущий)
      • Двигатель  
        • Основные запчасти двигателя
        • Система охлаждения
        • Система питания
        • Система смазки
      • Дополнительное оборудование  
        • Отбор мощности
        • Устройство седельное
      • Ходовая часть  
        • Подвеска автомобиля
        • Рама
        • Колеса и ступицы
        • Ось передняя
      • Механизмы управления  
        • Тормоза
        • Управление рулевое
      • Электрооборудование
    • Запчасти ММЗ
    • Ремни
  • Справочник
    • Грузовые автомобили
    • Автобусы
    • Сельхозтехника
    • Спецтехника
    • Двигатели
  • Как купить
    • Условия оплаты
    • Условия доставки
    • Гарантия на товар
    • Пункты выдачи
  • Услуги
    • Капитальный ремонт двигателей ЯМЗ
  • Акции
  • Статьи
  • Контакты
  • Компания
    • Реквизиты
    • Магазины
    • Оплата
    • Доставка
    • Лицензии и сертификаты
    • Новости
    • Вакансии
Избранное 0 Корзина 0
8-800-700-35-68

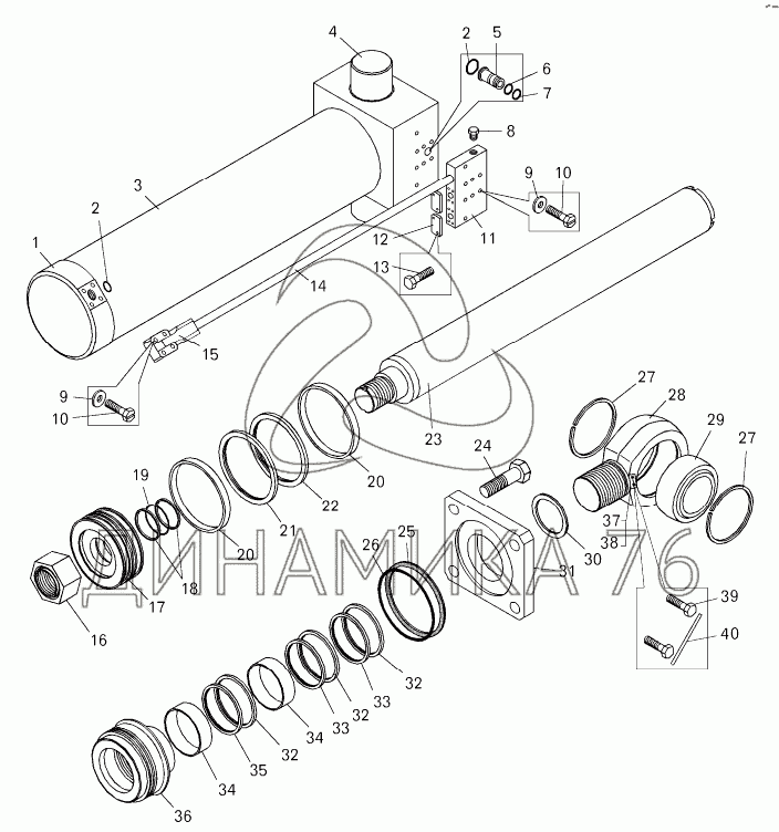
Цилиндр подъема стрелы на БелАЗ-7822 (до 2011 г.)

Справочник
Главная
-
Автокаталог
-
Спецтехника
-
БелАЗ
-
БелАЗ-7822
Справочный каталог

Цилиндр подъема стрелы — БелАЗ-7822:

7822-4613018-10 7822-4613019-10 1 2 2 3 4 5 6 7 8 9 9 10 10 11 11 11 12 13 14 15 16 17 18 19 20 20 21 22 23 24 25 26 27 27 28 29 30 31 32 32 32 33 33 34 34 35 36 37 38 39 40
в наличии
нет в наличии
масштаб

В наличии
Нет в наличии

Перечень комплектующих от Цилиндр подъема стрелы на БелАЗ-7822

Схемы запчастей предназначены для справочных целей! Мы продаем не все запчасти от Цилиндр подъема стрелы на БелАЗ-7822, представленные в этом списке.
Наличие на складах по деталям с ценой смотрите в карточке товара.
Артикул: 7822-4613018-10
нет в наличии
Корпус цилиндра правый в сборе
Количество на схеме: 1
Информация
Корпус цилиндра правый в сборе
Количество
1
Модель
7822
Подгруппа
4613
Порядковый номер детали
018
Дополнительно
Не взаимозаменяема с деталью, выпущенной ранее под этим же номером
Артикул: 7822-4613019-10
нет в наличии
Корпус цилиндра левый в сборе
Количество на схеме: 1
Информация
Корпус цилиндра левый в сборе
Количество
1
Модель
7822
Подгруппа
4613
Порядковый номер детали
019
Дополнительно
Не взаимозаменяема с деталью, выпущенной ранее под этим же номером
1
1
Артикул: 7822-4613025
нет в наличии
Крышка цилиндра задняя
Количество на схеме: 2
Информация
Крышка цилиндра задняя
Количество
2
Модель
7822
Подгруппа
4613
Порядковый номер детали
025
2
2
Артикул: 036-041-30-2-2
нет в наличии
Кольцо
Количество на схеме: 4
Информация
Кольцо
Количество
4
3
3
Артикул: 7822-4613020-10
нет в наличии
Корпус цилиндра
Количество на схеме: 2
Информация
Корпус цилиндра
Количество
2
Модель
7822
Подгруппа
4613
Порядковый номер детали
020
Дополнительно
Не взаимозаменяема с деталью, выпущенной ранее под этим же номером
4
4
Артикул: 78228-4613056
нет в наличии
Втулка
Количество на схеме: 4
Информация
Втулка
Количество
4
Модель
78228
Подгруппа
4613
Порядковый номер детали
056
5
5
Артикул: 7822-4613056
нет в наличии
Втулка
Количество на схеме: 2
Информация
Втулка
Количество
2
Модель
7822
Подгруппа
4613
Порядковый номер детали
056
6
6
Артикул: 020-025-30-2-2
нет в наличии
Кольцо
Количество на схеме: 4
Информация
Кольцо
Количество
4
7
7
Артикул: 7822-4613069
нет в наличии
Кольцо защитное
Количество на схеме: 4
Информация
Кольцо защитное
Количество
4
Модель
7822
Подгруппа
4613
Порядковый номер детали
069
8
8
Артикул: 262545
нет в наличии
Пробка
Количество на схеме: 2
Информация
Пробка
Количество
2
Покрытие
без покрытия
9
9
Артикул: 252156
нет в наличии
Шайба
Количество на схеме: 44
Информация
Шайба
Количество
44
Покрытие
без покрытия
10
10
Артикул: 341346
нет в наличии
Винт М10х45 (34134600)
Количество на схеме: 24
Информация
Винт М10х45 (34134600)
Количество
24
Покрытие
без покрытия
11
11
Артикул: 7822-4613076
нет в наличии
Плита левая
Количество на схеме: 1
Информация
Плита левая
Количество
1
Модель
7822
Подгруппа
4613
Порядковый номер детали
076
11
11
Артикул: 7822-4613076-10
нет в наличии
Плита правая
Количество на схеме: 1
Информация
Плита правая
Количество
1
Модель
7822
Подгруппа
4613
Порядковый номер детали
076
Дополнительно
Не взаимозаменяема с деталью, выпущенной ранее под этим же номером
12
12
Артикул: 75306-8606224
нет в наличии
Пластина
Количество на схеме: 4
Информация
Пластина
Количество
4
Модель
75306
Группа
Механизм опрокидывающий платформы автомобиля-самосвала
Подгруппа
8606
Порядковый номер детали
224
13
13
Артикул: 201493
нет в наличии
Болт
Количество на схеме: 8
Информация
Болт
Количество
8
Покрытие
без покрытия
14
14
Артикул: 7822-4613036
нет в наличии
Труба
Количество на схеме: 2
Информация
Труба
Количество
2
Модель
7822
Подгруппа
4613
Порядковый номер детали
036
15
15
Артикул: 7822-4613072
нет в наличии
Фланец
Количество на схеме: 2
Информация
Фланец
Количество
2
Модель
7822
Подгруппа
4613
Порядковый номер детали
072
16
16
Артикул: 342394
нет в наличии
Гайка М80
Количество на схеме: 2
Информация
Гайка М80
Количество
2
Покрытие
без покрытия
17
17
Артикул: 7822-4613044
нет в наличии
Поршень
Количество на схеме: 2
Информация
Поршень
Количество
2
Модель
7822
Подгруппа
4613
Порядковый номер детали
044
18
18
Артикул: 7820-3501178
нет в наличии
Кольцо защитное
Количество на схеме: 4
Информация
Кольцо защитное
Количество
4
Модель
7820
Группа
Тормоза
Подгруппа
Тормоза рабочие передние ножные
Порядковый номер детали
178
19
19
Артикул: 090-100-58-2-3
нет в наличии
Кольцо
Количество на схеме: 2
Информация
Кольцо
Количество
2
20
20
Артикул: GP7302200-C380
нет в наличии
Поршневое опорное кольцо
Количество на схеме: 4
Информация
Поршневое опорное кольцо
Количество
4
Модель
G
Группа
Сиденье трехместное
Подгруппа
7302
Порядковый номер детали
200
21
21
Артикул: PT0402200-Т46T
нет в наличии
Поршневое уплотнение
Количество на схеме: 2
Информация
Поршневое уплотнение
Количество
2
Модель
P
Подгруппа
0402
Порядковый номер детали
200
22
22
Артикул: ORAR00444-N7237
нет в наличии
Кольцо
Количество на схеме: 2
Информация
Кольцо
Количество
2
23
23
Артикул: 7822-4613040
нет в наличии
Шток
Количество на схеме: 2
Информация
Шток
Количество
2
Модель
7822
Подгруппа
4613
Порядковый номер детали
040
24
24
Артикул: 340977
нет в наличии
Болт М48х110
Количество на схеме: 8
Информация
Болт М48х110
Количество
8
Покрытие
без покрытия
25
25
Артикул: 7822-4613065
нет в наличии
Шайба защитная
Количество на схеме: 4
Информация
Шайба защитная
Количество
4
Модель
7822
Подгруппа
4613
Порядковый номер детали
065
26
26
Артикул: 210-220-58-2-3
нет в наличии
Кольцо
Количество на схеме: 4
Информация
Кольцо
Количество
4
27
27
Артикул: 6411-2306078
нет в наличии
Кольцо
Количество на схеме: 4
Информация
Кольцо
Количество
4
Модель
6411
Группа
Мост ведущий передний
Подгруппа
2306
Порядковый номер детали
078
28
28
Артикул: 7821-4613045
нет в наличии
Наконечник штока
Количество на схеме: 2
Информация
Наконечник штока
Количество
2
Модель
7821
Подгруппа
4613
Порядковый номер детали
045
29
29
Артикул: ШСЛ-120
нет в наличии
Подшипник шарнирный
Количество на схеме: 2
Информация
Подшипник шарнирный
Количество
2
30
30
Артикул: 540-2917109-Б
нет в наличии
Шайба
Количество на схеме: 2
Информация
Шайба
Количество
2
Модель
540
Группа
Подвеска автомобиля
Подгруппа
2917
Порядковый номер детали
109
31
31
Артикул: 7822-4613038
нет в наличии
Кольцо ограничительное
Количество на схеме: 2
Информация
Кольцо ограничительное
Количество
2
Модель
7822
Подгруппа
4613
Порядковый номер детали
038
32
32
Артикул: ORAR00359-Т7237
нет в наличии
Кольцо
Количество на схеме: 6
Информация
Кольцо
Количество
6
33
33
Артикул: А12-В140х156х18,52/8,7
нет в наличии
Грязесъемник
Количество на схеме: 2
Информация
Грязесъемник
Количество
2
34
34
Артикул: GR7301400-C380
нет в наличии
Штоковое опорное кольцо
Количество на схеме: 4
Информация
Штоковое опорное кольцо
Количество
4
Модель
G
Группа
Сиденье трехместное
Подгруппа
7301
Порядковый номер детали
400
35
35
Артикул: RS1301400-T46T
нет в наличии
Штоковое уплотнение
Количество на схеме: 4
Информация
Штоковое уплотнение
Количество
4
Модель
R
Группа
Система охлаждения
Подгруппа
Радиатор
Порядковый номер детали
400
36
36
Артикул: 78221-4613024
нет в наличии
Крышка передняя
Количество на схеме: 2
Информация
Крышка передняя
Количество
2
Модель
78221
Подгруппа
4613
Порядковый номер детали
024
37
37
Артикул: 78228-4613246
нет в наличии
Пластина
Количество на схеме: 2
Информация
Пластина
Количество
2
Модель
78228
Подгруппа
4613
Порядковый номер детали
246
38
38
Артикул: 78228-4613248
нет в наличии
Стопор
Количество на схеме: 2
Информация
Стопор
Количество
2
Модель
78228
Подгруппа
4613
Порядковый номер детали
248
39
39
Артикул: 370800
нет в наличии
Болт
Количество на схеме: 4
Информация
Болт
Количество
4
Покрытие
без покрытия
40
40
Артикул: 258280
нет в наличии
Шплинт
Количество на схеме: 2
Информация
Шплинт
Количество
2
Покрытие
без покрытия
  • Грузовые автомобили
  • Автобусы
  • Сельхозтехника
  • Спецтехника
  • Двигатели
Получить оптовый прайс-лист
Скачать прайс-лист от 06.05.2026 16:00
Специальное предложение от 06.05.2026 17:00
Производители:


  • WEICHAI
  • Автодизель ПАО (ЯМЗ)
  • Тутаевский МЗ
  • ЯЗДА
  • УралАЗ
  • МАЗ
  • АЗПИ
  • BOSCH
  • ММЗ
  • ШААЗ
  • FEDERAL MOGUL
  • ПРАМО
  • Мотордеталь
  • ТАИМ
  • АвтоКрАЗ
  • БЕЛКАРД
  • CZ Strakonice
  • КамАЗ
  • БЗА
  • ЧМЗ
  • BMZ
Новости
Все новости
25 марта 2024
Флагманский седельный тягач «Валдай 45» на выставке «TransRussia»
10 марта 2024
Современные автобусы «CITYMAX 9» и ЛиАЗ-5292 CNG
25 февраля 2024
Серийное производство средних дизельных двигателей повышенной мощности от ЯМЗ
Статьи
Все статьи
Датчики двигателя: за что они отвечают, признаки неисправности и как не прогадать с выбором
Двигатели ЯМЗ-534: история, технические характеристики и области применения
Двигатели ЯМЗ 650: углублённый технический обзор и история
Компания
О компании
Реквизиты
Новости
Политика
Магазины
Информация
Условия оплаты
Условия доставки
Гарантия на товар
Обмен и возврат товара
Помощь
Как оформить заказ
Полезные статьи
Бренды
Пункты выдачи
Оставайтесь на связи
  • Вконтакте
  • YouTube
  • Одноклассники
  • Google Plus
Увидели ошибку?
Выделите, нажав Ctrl + Enter
Наши контакты
8-800-700-35-68
sales@din76.ru
г. Ярославль, Ленинградский пр-т 33, ТЦ "ОМЕГА"
2026 © ООО «Динамика 76» - Все права защищены ООО "Динамика 76"
Предложения на сайте не являются публичной офертой.
На сайте обнаружена ошибка

Текст с ошибкой