Избранное 0 Корзина 0 Личный кабинет
logo
Каталог
Каталог
  • Справочник
    • Грузовые автомобили
    • Автобусы
    • Сельхозтехника
    • Спецтехника
    • Двигатели
  • Доставка
  • Оплата
  • О компании
    • Реквизиты
    • Магазины
    • Оплата
    • Доставка
    • Лицензии и сертификаты
    • Новости
    • Вакансии
  • Контакты
Отправить заявку
Личный кабинет
8 (800) 700-35-68
sales@din76.ru
Избранное 0 Корзина 0
8 (800) 700-35-68
Оптовый прайс-лист
Каталог
  • Двигатели
  • Запчасти WEICHAI
  • Запчасти ЯМЗ, ТМЗ (V-образные)
  • Запчасти ЯМЗ-534, ЯМЗ-536
  • Запчасти ЯМЗ-650, ЯМЗ-651, DCi-11
  • Топливная аппаратура
  • Запчасти УРАЛ
  • Запчасти МАЗ
  • Запчасти КамАЗ
  • Запчасти ММЗ
  • Ремни
Автокаталог (справочник)
  • Доставка
  • Оплата
  • О компании
  • Контакты
8 (800) 700-35-68
Написать в Whatsapp
sales@din76.ru
Динамика 76
Меню  
  • Каталог
    • Двигатели  
      • Двигатели ТМЗ  
        • Двигатели ТМЗ для автомобилей
        • Двигатели ТМЗ для тракторов
        • Специальные двигатели ТМЗ
        • Промышленные двигатели ТМЗ
      • Двигатели ЯМЗ  
        • ЯМЗ 236
        • ЯМЗ 238
        • ЯМЗ 240
        • ЯМЗ 751
        • ЯМЗ 840
        • ЯМЗ 850
        • ЯМЗ 656
        • ЯМЗ 658
        • ЯМЗ 534
        • ЯМЗ 536
        • ЯМЗ 650
        • Двигатели ЯМЗ для электростанций
      • Двигатели КАМАЗ
      • Двигатели ММЗ
      • Двигатели индивидуальной сборки
      • Комплекты переоборудования
    • Запчасти WEICHAI  
      • Основные запчасти двигателя  
        • Клапаны и толкатели
        • Шатуны
        • Вал коленчатый и маховик
        • Вал распределительный
        • Цилиндро-поршневая группа
      • Система питания  
        • Форсунки
        • Турбокомпрессор
      • Система смазки  
        • Насос масляный
      • Головка блока
      • Ремкомплекты
      • Система охлаждения  
        • Насос водяной
        • Муфта вязкостная и крыльчатка
      • Фильтры
      • Электрооборудование  
        • Генератор
        • Стартер
    • Запчасти ЯМЗ, ТМЗ (V-образные)  
      • Основные запчасти двигателя  
        • Блок двигателя и комплектующие
        • Валы распределительные и клапаны
        • Головка блока и комплектующие
        • Цилиндро-поршневая группа
        • Маховики и комплектующие
        • Валы коленчатые и комплектующие
        • Шатуны и комплектующие
      • Система питания  
        • Коллекторы и патрубки
        • Топливные трубопроводы
        • Турбокомпрессор
        • Топливные фильтры
      • Электрооборудование двигателя
      • Система охлаждения  
        • Вязкостные муфты и крыльчатки
        • Приводы вентилятора
        • Водяные насосы
        • Водяные трубы и термостаты
      • Коробки переключения передач  
        • 8 Ступенчатые КПП
        • 5 Ступенчатые КПП
        • 9 Ступенчатые КПП
        • Запасные части КПП ЯМЗ, ТМЗ
      • Система смазки  
        • Теплообменник и комплектующие
        • Масляные насосы
        • Фильтры масляные (ФГОМ, ФЦОМ)
      • Сцепление  
        • Запасные части механизма сцепления
        • Муфты (подшипники выжимные)
        • Корзины (диски нажимные)
        • Диски ведомые
      • Прочие запчасти двигателя  
        • Ремкомплекты
        • Привод агрегатов
        • Натяжные устройства
        • Трубки
    • Запчасти ЯМЗ-534, ЯМЗ-536  
      • Основные запчасти двигателя  
        • Цилиндро-поршневая группа
        • Головка блока цилиндров и комплектующие
        • Блок цилиндров и комплектующие
        • Вал коленчатый и маховик
        • Вал распределительный
        • Клапаны и толкатели
        • ГУР (Гидроусилитель руля)
        • Система рециркуляции отработавших газов
        • Выпускной коллектор
      • Система питания  
        • Коллекторы и патрубки
        • Топливные фильтры
        • Турбокомпрессор
        • Топливные трубопроводы
      • Система смазки  
        • Масляный картер поддон
        • Масляный насос
        • Теплообменник /Водо-масляный радиатор
        • Фильтры масляные (ФГОМ, ФЦОМ)
      • Пневмокомпрессор и натяжное
      • Система охлаждения  
        • Водяной насос
        • Водяные трубы и патрубки
        • Муфты вязкостные, приводы, крыльчатки
      • Ремкомплекты
      • Сцепление
      • Электрооборудование
    • Запчасти ЯМЗ-650, ЯМЗ-651, DCi-11  
      • Основные запчасти двигателя  
        • Цилиндро-поршневая группа
        • Головка блока цилиндров и комплектующие
        • Блок цилиндров и комплектующие
        • Вал коленчатый и маховик
        • Выпускной коллектор
        • Вал распределительный
        • Клапаны и толкатели
        • ГУР (Гидроусилитель руля)
        • Система рециркуляции отработавших газов
      • Система питания  
        • Коллекторы и патрубки
        • Топливные трубопроводы
        • Топливные фильтры
        • Турбокомпрессор
      • Система смазки  
        • Масляный картер / поддон
        • Масляный насос
        • Теплообменник / Водо-масляный радиатор
        • Фильтры масляные (ФГОМ, ФЦОМ)
      • Система охлаждения  
        • Водяной насос
        • Водяные трубы и патрубки
        • Муфты вязкостные, приводы, крыльчатки
      • Ремкомплекты
      • Пневмокомпрессор и натяжное
      • Электрооборудование
      • Сцепление
    • Топливная аппаратура  
      • ЯЗДА  
        • Распылители
        • ТНВД
        • Форсунки
        • Топливный насос низкого давления
        • Пары плунжерные
        • Муфта опережения впрыска топлива
        • Запчасти и комплектующие ТНВД
      • НЗТА
      • АЗПИ  
        • Распылители
        • Форсунки
      • BOSCH
    • Запчасти УРАЛ  
      • Трансмиссия  
        • Коробка раздаточная
        • Передача карданная
        • Мост задний
        • Мост передний (ведущий)
        • Мост средний (промежуточный)
      • Кузов  
        • Дверь кабины
        • Капот, крылья, облицовка радиатора
        • Окно ветровое и заднее
        • Отопление и вентиляция кабины
        • Кабина
      • Механизмы управления  
        • Управление рулевое
        • Тормоза
      • Дополнительное оборудование  
        • Отбор мощности
        • Устройство седельное
      • Электрооборудование
      • Ходовая часть  
        • Колеса и ступицы
        • Ось передняя
        • Подвеска автомобиля
        • Рама
    • Запчасти МАЗ  
      • Трансмиссия  
        • Мост задний
        • Мост передний (ведущий)
        • Передача карданная
        • Мост средний (промежуточный)
      • Кузов  
        • Кабина
        • Дверь кабины
        • Детали основания кабины
        • Окно ветровое и заднее
        • Платформа
      • Механизмы управления  
        • Тормоза
        • Управление рулевое
      • Ходовая часть  
        • Колеса и ступицы
        • Ось передняя
        • Подвеска автомобиля
        • Рама
    • Запчасти КамАЗ  
      • Кузов  
        • Кабина
        • Капот, крылья, облицовка радиатора
        • Дверь кабины
        • Платформа
        • Окно ветровое и заднее
        • Устройство подъемное и опрокидывающее
        • Сиденье
        • Крыша кабины (крыша кузова)
        • Отопление и вентиляция кабины
      • Трансмиссия  
        • Коробка передач
        • Коробка раздаточная
        • Мост задний
        • Сцепление
        • Мост средний (промежуточный)
        • Передача карданная
        • Мост передний (ведущий)
      • Двигатель  
        • Основные запчасти двигателя
        • Система охлаждения
        • Система питания
        • Система смазки
      • Дополнительное оборудование  
        • Отбор мощности
        • Устройство седельное
      • Ходовая часть  
        • Подвеска автомобиля
        • Рама
        • Колеса и ступицы
        • Ось передняя
      • Механизмы управления  
        • Тормоза
        • Управление рулевое
      • Электрооборудование
    • Запчасти ММЗ
    • Ремни
  • Справочник
    • Грузовые автомобили
    • Автобусы
    • Сельхозтехника
    • Спецтехника
    • Двигатели
  • Как купить
    • Условия оплаты
    • Условия доставки
    • Гарантия на товар
    • Пункты выдачи
  • Услуги
    • Капитальный ремонт двигателей ЯМЗ
  • Акции
  • Статьи
  • Контакты
  • Компания
    • Реквизиты
    • Магазины
    • Оплата
    • Доставка
    • Лицензии и сертификаты
    • Новости
    • Вакансии
Избранное 0 Корзина 0
8-800-700-35-68

Стрела телескопическая КС-6973.63.100 на КС-6973А (до 2002 г.)

Справочник
Главная
-
Автокаталог
-
Спецтехника
-
Автокран
-
КС-6973А
Справочный каталог

Стрела телескопическая КС-6973.63.100 — КС-6973А:

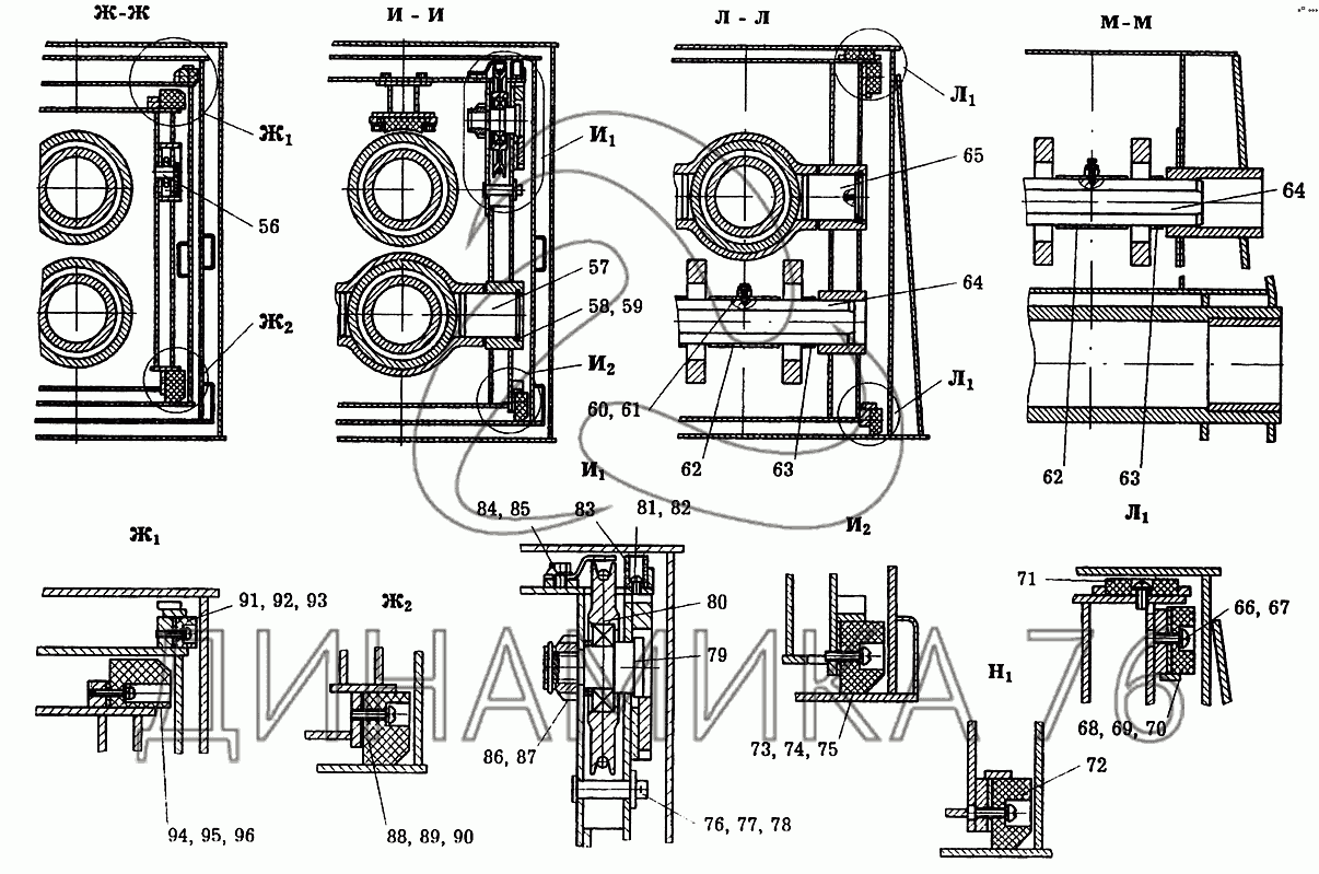
56 57 58 59 60 61 62 62 63 63 64 64 65 66 67 68 69 70 71 72 73 74 75 76 77 78 79 80 81 82 83 84 85 86 87 88 89 90 91 92 93 94 95 96
в наличии
нет в наличии
масштаб

В наличии
Нет в наличии

Перечень комплектующих от Стрела телескопическая КС-6973.63.100 на КС-6973А

Схемы запчастей предназначены для справочных целей! Мы продаем не все запчасти от Стрела телескопическая КС-6973.63.100 на КС-6973А, представленные в этом списке.
Наличие на складах по деталям с ценой смотрите в карточке товара.
56
56
Артикул: КС-6973-63-120
нет в наличии
Палец
Количество на схеме: 2
Информация
Палец
Количество
2
14334512;
57
57
Артикул: КС-6973-63-145
нет в наличии
Палец
Количество на схеме: 2
Информация
Палец
Количество
2
14334513;
58
58
Артикул: КС-6973-63-144
нет в наличии
Кольцо
Количество на схеме: 4
Информация
Кольцо
Количество
4
14334514;
59
59
Артикул: [Кольцо-В90-ГОСТ13943-86]
нет в наличии
Кольцо В90 ГОСТ13943-86
Количество на схеме: 4
Информация
Кольцо В90 ГОСТ13943-86
Количество
4
14334515;
60
60
Артикул: КС-6973-63-142
нет в наличии
Винт установочный
Количество на схеме: 2
Информация
Винт установочный
Количество
2
14334516;
61
61
Артикул: [Гайка-М10х0,75-7Н-5-019-ГОСТ5915-70]
нет в наличии
Гайка М10х0,75-7Н.5.019 ГОСТ5915-70
Количество на схеме: 2
Информация
Гайка М10х0,75-7Н.5.019 ГОСТ5915-70
Количество
2
14334517;
62
62
Артикул: КС-6973-64-250
нет в наличии
Труба
Количество на схеме: 2
Информация
Труба
Количество
2
14334518;
63
63
Артикул: КС-6973-63-804
нет в наличии
Втулка
Количество на схеме: 4
Информация
Втулка
Количество
4
14334519;
64
64
Артикул: КС-6973-63-135
нет в наличии
Ось
Количество на схеме: 2
Информация
Ось
Количество
2
14334520;
65
65
Артикул: КС-6973-63-145-01
нет в наличии
Палец
Количество на схеме: 2
Информация
Палец
Количество
2
14334521;
66
66
Артикул: [Винт-В-М8-8gх25-46-019-ГОСТ17473-80]
нет в наличии
Винт В.М8-8gх25.46.019 ГОСТ17473-80
Количество на схеме: 28
Информация
Винт В.М8-8gх25.46.019 ГОСТ17473-80
Количество
28
14334522;
67
67
Артикул: [Шайба-8-65Г-010-ГОСТ6402-70]
нет в наличии
Шайба 8.65Г.010 ГОСТ6402-70
Количество на схеме: 44
Информация
Шайба 8.65Г.010 ГОСТ6402-70
Количество
44
14334523;
68
68
Артикул: КС-6973-63-132
нет в наличии
Опора скольжения
Количество на схеме: 2
Информация
Опора скольжения
Количество
2
14334524;
69
69
Артикул: КС-6973-63-131
нет в наличии
Прокладка
Количество на схеме: 4
Информация
Прокладка
Количество
4
14334525;
70
70
Артикул: КС-6973-63-131-01
нет в наличии
Прокладка
Количество на схеме: 12
Информация
Прокладка
Количество
12
14334526;
71
71
Артикул: КС-6973-63-118
нет в наличии
Опора скольжения
Количество на схеме: 2
Информация
Опора скольжения
Количество
2
14334527;
72
72
Артикул: КС-6973-63-133
нет в наличии
Опора скольжения
Количество на схеме: 2
Информация
Опора скольжения
Количество
2
14334528;
73
73
Артикул: КС-6973-63-136
нет в наличии
Опора скольжения
Количество на схеме: 2
Информация
Опора скольжения
Количество
2
14334529;
74
74
Артикул: КС-6973-63-137
нет в наличии
Прокладка
Количество на схеме: 2
Информация
Прокладка
Количество
2
14334530;
75
75
Артикул: КС-6973-63-13-01
нет в наличии
Прокладка
Количество на схеме: 6
Информация
Прокладка
Количество
6
14334531;
76
76
Артикул: КС-6973-63-134
нет в наличии
Ось
Количество на схеме: 2
Информация
Ось
Количество
2
14334532;
77
77
Артикул: [Шайба-16-02-019-ГОСТ11371-78]
нет в наличии
Шайба 16.02.019 ГОСТ11371-78
Количество на схеме: 2
Информация
Шайба 16.02.019 ГОСТ11371-78
Количество
2
14334533;
78
78
Артикул: [Шплинт-4х32-016-ГОСТ397-79]
нет в наличии
Шплинт 4х32.016 ГОСТ397-79
Количество на схеме: 4
Информация
Шплинт 4х32.016 ГОСТ397-79
Количество
4
14334534;
79
79
Артикул: КС-6973-63-128
нет в наличии
Ось
Количество на схеме: 2
Информация
Ось
Количество
2
14334535;
80
80
Артикул: КС-6973-63-240
нет в наличии
Блок
Количество на схеме: 2
Информация
Блок
Количество
2
14334536;
81
81
Артикул: [Винт-В-М6-8gх20-46-019-ГОСТ17473-80]
нет в наличии
Винт В.М6-8gх20.46.019 ГОСТ17473-80
Количество на схеме: 4
Информация
Винт В.М6-8gх20.46.019 ГОСТ17473-80
Количество
4
14334537;
82
82
Артикул: [Шайба-6-65Г-019-ГОСТ6402-70]
нет в наличии
Шайба 6.65Г.019 ГОСТ6402-70
Количество на схеме: 4
Информация
Шайба 6.65Г.019 ГОСТ6402-70
Количество
4
14334538;
83
83
Артикул: КС-6973-63-125
нет в наличии
Опора скольжения
Количество на схеме: 2
Информация
Опора скольжения
Количество
2
14334539;
84
84
Артикул: КС-6973-63-207
нет в наличии
Болт
Количество на схеме: 4
Информация
Болт
Количество
4
14334540;
85
85
Артикул: У2-12-63-014-01
нет в наличии
Шайба упорная
Количество на схеме: 4
Информация
Шайба упорная
Количество
4
14334541;
86
86
Артикул: КС-6973-63-105
нет в наличии
Блок
Количество на схеме: 2
Информация
Блок
Количество
2
14334542;
87
87
Артикул: [Шплинт-5х63-019-ГОСТ397-79]
нет в наличии
Шплинт 5х63.019 ГОСТ397-79
Количество на схеме: 2
Информация
Шплинт 5х63.019 ГОСТ397-79
Количество
2
14334543;
88
88
Артикул: КС-6973-63-153
нет в наличии
Опора скольжения
Количество на схеме: 2
Информация
Опора скольжения
Количество
2
14334544;
89
89
Артикул: КС-6973-63-154
нет в наличии
Прокладка
Количество на схеме: 2
Информация
Прокладка
Количество
2
14334545;
90
90
Артикул: КС-6973-63-154-01
нет в наличии
Прокладка
Количество на схеме: 6
Информация
Прокладка
Количество
6
14334546;
91
91
Артикул: КС-6973-63-121
нет в наличии
Опора скольжения
Количество на схеме: 2
Информация
Опора скольжения
Количество
2
14334547;
92
92
Артикул: КС-6973-63-122
нет в наличии
Прокладка
Количество на схеме: 2
Информация
Прокладка
Количество
2
14334548;
93
93
Артикул: КС-6973-63-122-01
нет в наличии
Прокладка
Количество на схеме: 6
Информация
Прокладка
Количество
6
14334549;
94
94
Артикул: КС-6973-63-151
нет в наличии
Опора скольжения
Количество на схеме: 2
Информация
Опора скольжения
Количество
2
14334550;
95
95
Артикул: КС-6973-63-152
нет в наличии
Прокладка
Количество на схеме: 2
Информация
Прокладка
Количество
2
14334551;
96
96
Артикул: КС-6973-63-152-01
нет в наличии
Прокладка
Количество на схеме: 6
Информация
Прокладка
Количество
6
14334552;
  • Грузовые автомобили
  • Автобусы
  • Сельхозтехника
  • Спецтехника
  • Двигатели
Получить оптовый прайс-лист
Скачать прайс-лист от 09.05.2026 12:00
Специальное предложение от 09.05.2026 13:00
Производители:


  • WEICHAI
  • Автодизель ПАО (ЯМЗ)
  • Тутаевский МЗ
  • ЯЗДА
  • УралАЗ
  • МАЗ
  • АЗПИ
  • BOSCH
  • ММЗ
  • ШААЗ
  • FEDERAL MOGUL
  • ПРАМО
  • Мотордеталь
  • ТАИМ
  • АвтоКрАЗ
  • БЕЛКАРД
  • CZ Strakonice
  • КамАЗ
  • БЗА
  • ЧМЗ
  • BMZ
Новости
Все новости
25 марта 2024
Флагманский седельный тягач «Валдай 45» на выставке «TransRussia»
10 марта 2024
Современные автобусы «CITYMAX 9» и ЛиАЗ-5292 CNG
25 февраля 2024
Серийное производство средних дизельных двигателей повышенной мощности от ЯМЗ
Статьи
Все статьи
Датчики двигателя: за что они отвечают, признаки неисправности и как не прогадать с выбором
Двигатели ЯМЗ-534: история, технические характеристики и области применения
Двигатели ЯМЗ 650: углублённый технический обзор и история
Компания
О компании
Реквизиты
Новости
Политика
Магазины
Информация
Условия оплаты
Условия доставки
Гарантия на товар
Обмен и возврат товара
Помощь
Как оформить заказ
Полезные статьи
Бренды
Пункты выдачи
Оставайтесь на связи
  • Вконтакте
  • YouTube
  • Одноклассники
  • Google Plus
Увидели ошибку?
Выделите, нажав Ctrl + Enter
Наши контакты
8-800-700-35-68
sales@din76.ru
г. Ярославль, Ленинградский пр-т 33, ТЦ "ОМЕГА"
2026 © ООО «Динамика 76» - Все права защищены ООО "Динамика 76"
Предложения на сайте не являются публичной офертой.
На сайте обнаружена ошибка

Текст с ошибкой