Избранное 0 Корзина 0 Личный кабинет
logo
Каталог
Каталог
  • Справочник
    • Грузовые автомобили
    • Автобусы
    • Сельхозтехника
    • Спецтехника
    • Двигатели
  • Доставка
  • Оплата
  • О компании
    • Реквизиты
    • Магазины
    • Оплата
    • Доставка
    • Лицензии и сертификаты
    • Новости
    • Вакансии
  • Контакты
Отправить заявку
Личный кабинет
8 (800) 700-35-68
sales@din76.ru
Избранное 0 Корзина 0
8 (800) 700-35-68
Оптовый прайс-лист
Каталог
  • Двигатели
  • Запчасти WEICHAI
  • Запчасти ЯМЗ, ТМЗ (V-образные)
  • Запчасти ЯМЗ-534, ЯМЗ-536
  • Запчасти ЯМЗ-650, ЯМЗ-651, DCi-11
  • Топливная аппаратура
  • Запчасти УРАЛ
  • Запчасти МАЗ
  • Запчасти КамАЗ
  • Запчасти ММЗ
  • Ремни
Автокаталог (справочник)
  • Доставка
  • Оплата
  • О компании
  • Контакты
8 (800) 700-35-68
Написать в Whatsapp
sales@din76.ru
Динамика 76
Меню  
  • Каталог
    • Двигатели  
      • Двигатели ТМЗ  
        • Двигатели ТМЗ для автомобилей
        • Двигатели ТМЗ для тракторов
        • Специальные двигатели ТМЗ
        • Промышленные двигатели ТМЗ
      • Двигатели ЯМЗ  
        • ЯМЗ 236
        • ЯМЗ 238
        • ЯМЗ 240
        • ЯМЗ 751
        • ЯМЗ 840
        • ЯМЗ 850
        • ЯМЗ 656
        • ЯМЗ 658
        • ЯМЗ 534
        • ЯМЗ 536
        • ЯМЗ 650
        • Двигатели ЯМЗ для электростанций
      • Двигатели КАМАЗ
      • Двигатели ММЗ
      • Двигатели индивидуальной сборки
      • Комплекты переоборудования
    • Запчасти WEICHAI  
      • Основные запчасти двигателя  
        • Клапаны и толкатели
        • Шатуны
        • Вал коленчатый и маховик
        • Вал распределительный
        • Цилиндро-поршневая группа
      • Система питания  
        • Форсунки
        • Турбокомпрессор
      • Система смазки  
        • Насос масляный
      • Головка блока
      • Ремкомплекты
      • Система охлаждения  
        • Насос водяной
        • Муфта вязкостная и крыльчатка
      • Фильтры
      • Электрооборудование  
        • Генератор
        • Стартер
    • Запчасти ЯМЗ, ТМЗ (V-образные)  
      • Основные запчасти двигателя  
        • Блок двигателя и комплектующие
        • Валы распределительные и клапаны
        • Головка блока и комплектующие
        • Цилиндро-поршневая группа
        • Маховики и комплектующие
        • Валы коленчатые и комплектующие
        • Шатуны и комплектующие
      • Система питания  
        • Коллекторы и патрубки
        • Топливные трубопроводы
        • Турбокомпрессор
        • Топливные фильтры
      • Электрооборудование двигателя
      • Система охлаждения  
        • Вязкостные муфты и крыльчатки
        • Приводы вентилятора
        • Водяные насосы
        • Водяные трубы и термостаты
      • Коробки переключения передач  
        • 8 Ступенчатые КПП
        • 5 Ступенчатые КПП
        • 9 Ступенчатые КПП
        • Запасные части КПП ЯМЗ, ТМЗ
      • Система смазки  
        • Теплообменник и комплектующие
        • Масляные насосы
        • Фильтры масляные (ФГОМ, ФЦОМ)
      • Сцепление  
        • Запасные части механизма сцепления
        • Муфты (подшипники выжимные)
        • Корзины (диски нажимные)
        • Диски ведомые
      • Прочие запчасти двигателя  
        • Ремкомплекты
        • Привод агрегатов
        • Натяжные устройства
        • Трубки
    • Запчасти ЯМЗ-534, ЯМЗ-536  
      • Основные запчасти двигателя  
        • Цилиндро-поршневая группа
        • Головка блока цилиндров и комплектующие
        • Блок цилиндров и комплектующие
        • Вал коленчатый и маховик
        • Вал распределительный
        • Клапаны и толкатели
        • ГУР (Гидроусилитель руля)
        • Система рециркуляции отработавших газов
        • Выпускной коллектор
      • Система питания  
        • Коллекторы и патрубки
        • Топливные фильтры
        • Турбокомпрессор
        • Топливные трубопроводы
      • Система смазки  
        • Масляный картер поддон
        • Масляный насос
        • Теплообменник /Водо-масляный радиатор
        • Фильтры масляные (ФГОМ, ФЦОМ)
      • Пневмокомпрессор и натяжное
      • Система охлаждения  
        • Водяной насос
        • Водяные трубы и патрубки
        • Муфты вязкостные, приводы, крыльчатки
      • Ремкомплекты
      • Сцепление
      • Электрооборудование
    • Запчасти ЯМЗ-650, ЯМЗ-651, DCi-11  
      • Основные запчасти двигателя  
        • Цилиндро-поршневая группа
        • Головка блока цилиндров и комплектующие
        • Блок цилиндров и комплектующие
        • Вал коленчатый и маховик
        • Выпускной коллектор
        • Вал распределительный
        • Клапаны и толкатели
        • ГУР (Гидроусилитель руля)
        • Система рециркуляции отработавших газов
      • Система питания  
        • Коллекторы и патрубки
        • Топливные трубопроводы
        • Топливные фильтры
        • Турбокомпрессор
      • Система смазки  
        • Масляный картер / поддон
        • Масляный насос
        • Теплообменник / Водо-масляный радиатор
        • Фильтры масляные (ФГОМ, ФЦОМ)
      • Система охлаждения  
        • Водяной насос
        • Водяные трубы и патрубки
        • Муфты вязкостные, приводы, крыльчатки
      • Ремкомплекты
      • Пневмокомпрессор и натяжное
      • Электрооборудование
      • Сцепление
    • Топливная аппаратура  
      • ЯЗДА  
        • Распылители
        • ТНВД
        • Форсунки
        • Топливный насос низкого давления
        • Пары плунжерные
        • Муфта опережения впрыска топлива
        • Запчасти и комплектующие ТНВД
      • НЗТА
      • АЗПИ  
        • Распылители
        • Форсунки
      • BOSCH
    • Запчасти УРАЛ  
      • Трансмиссия  
        • Коробка раздаточная
        • Передача карданная
        • Мост задний
        • Мост передний (ведущий)
        • Мост средний (промежуточный)
      • Кузов  
        • Дверь кабины
        • Капот, крылья, облицовка радиатора
        • Окно ветровое и заднее
        • Отопление и вентиляция кабины
        • Кабина
      • Механизмы управления  
        • Управление рулевое
        • Тормоза
      • Дополнительное оборудование  
        • Отбор мощности
        • Устройство седельное
      • Электрооборудование
      • Ходовая часть  
        • Колеса и ступицы
        • Ось передняя
        • Подвеска автомобиля
        • Рама
    • Запчасти МАЗ  
      • Трансмиссия  
        • Мост задний
        • Мост передний (ведущий)
        • Передача карданная
        • Мост средний (промежуточный)
      • Кузов  
        • Кабина
        • Дверь кабины
        • Детали основания кабины
        • Окно ветровое и заднее
        • Платформа
      • Механизмы управления  
        • Тормоза
        • Управление рулевое
      • Ходовая часть  
        • Колеса и ступицы
        • Ось передняя
        • Подвеска автомобиля
        • Рама
    • Запчасти КамАЗ  
      • Кузов  
        • Кабина
        • Капот, крылья, облицовка радиатора
        • Дверь кабины
        • Платформа
        • Окно ветровое и заднее
        • Устройство подъемное и опрокидывающее
        • Сиденье
        • Крыша кабины (крыша кузова)
        • Отопление и вентиляция кабины
      • Трансмиссия  
        • Коробка передач
        • Коробка раздаточная
        • Мост задний
        • Сцепление
        • Мост средний (промежуточный)
        • Передача карданная
        • Мост передний (ведущий)
      • Двигатель  
        • Основные запчасти двигателя
        • Система охлаждения
        • Система питания
        • Система смазки
      • Дополнительное оборудование  
        • Отбор мощности
        • Устройство седельное
      • Ходовая часть  
        • Подвеска автомобиля
        • Рама
        • Колеса и ступицы
        • Ось передняя
      • Механизмы управления  
        • Тормоза
        • Управление рулевое
      • Электрооборудование
    • Запчасти ММЗ
    • Ремни
  • Справочник
    • Грузовые автомобили
    • Автобусы
    • Сельхозтехника
    • Спецтехника
    • Двигатели
  • Как купить
    • Условия оплаты
    • Условия доставки
    • Гарантия на товар
    • Пункты выдачи
  • Услуги
    • Капитальный ремонт двигателей ЯМЗ
  • Акции
  • Статьи
  • Контакты
  • Компания
    • Реквизиты
    • Магазины
    • Оплата
    • Доставка
    • Лицензии и сертификаты
    • Новости
    • Вакансии
Избранное 0 Корзина 0
8-800-700-35-68

Стрела выдвижная на КС-4562

Справочник
Главная
-
Автокаталог
-
Спецтехника
-
Автокран
-
КС-4562
Справочный каталог

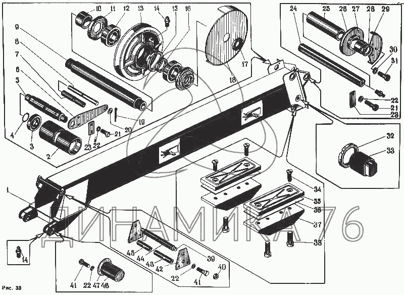
Стрела выдвижная — КС-4562:

1 2 3 4 5 6 7 8 9 10 11 12 13 14 14 15 16 17 18 19 20 21 21 22 22 22 22 23 23 24 25 26 27 28 29 30 31 32 33 34 35 36 37 38 39 40 41 41 42 43 44 45 46 47
в наличии
нет в наличии
масштаб

В наличии
Нет в наличии

Перечень комплектующих от Стрела выдвижная на КС-4562

Схемы запчастей предназначены для справочных целей! Мы продаем не все запчасти от Стрела выдвижная на КС-4562, представленные в этом списке.
Наличие на складах по деталям с ценой смотрите в карточке товара.
1
1
Артикул: 4562-450-02-000
нет в наличии
Основание стрелы
Количество на схеме: 1
Информация
Основание стрелы
Количество
1
2
2
Артикул: 4562-450-11-002
нет в наличии
Ролик
Количество на схеме: 1
Информация
Ролик
Количество
1
3
3
Артикул: 7242-60-207
нет в наличии
Подшипник
Количество на схеме: 2
Информация
Подшипник
Количество
2
4
4
Артикул: 13942-Б-35
нет в наличии
Колцо
Количество на схеме: 2
Информация
Колцо
Количество
2
5
5
Артикул: 4562-450-11-001
нет в наличии
Ось
Количество на схеме: 1
Информация
Ось
Количество
1
6
6
Артикул: 4562-450-01-003
нет в наличии
Планка
Количество на схеме: 2
Информация
Планка
Количество
2
7
7
Артикул: 4562-450-01-019
нет в наличии
Труба
Количество на схеме: 3
Информация
Труба
Количество
3
8
8
Артикул: 4562-450-01-020
нет в наличии
Ось
Количество на схеме: 3
Информация
Ось
Количество
3
9
9
Артикул: 4562-450-01-010
нет в наличии
Ось
Количество на схеме: 1
Информация
Ось
Количество
1
10
10
Артикул: 4562-450-01-009
нет в наличии
Втулка
Количество на схеме: 2
Информация
Втулка
Количество
2
11
11
Артикул: 162-404-00-27
нет в наличии
Крышка
Количество на схеме: 8
Информация
Крышка
Количество
8
12
12
Артикул: 8338-02-20
нет в наличии
Подшипник
Количество на схеме: 12
Информация
Подшипник
Количество
12
13
13
Артикул: 1561А-302-00-010
нет в наличии
Блок
Количество на схеме: 6
Информация
Блок
Количество
6
14
14
Артикул: 19853-01-2
нет в наличии
Масленка
Количество на схеме: 8
Информация
Масленка
Количество
8
15
15
Артикул: 162-302-00-12
нет в наличии
Кольцо распорное
Количество на схеме: 6
Информация
Кольцо распорное
Количество
6
16
16
Артикул: 162-302-00-11
нет в наличии
Кольцо промежуточное
Количество на схеме: 8
Информация
Кольцо промежуточное
Количество
8
17
17
Артикул: 4561А-401-20-001
нет в наличии
Гайка
Количество на схеме: 4
Информация
Гайка
Количество
4
18
18
Артикул: 4562-450-13-000
нет в наличии
Кожух
Количество на схеме: 2
Информация
Кожух
Количество
2
19
19
Артикул: 397-04-0-25
нет в наличии
Шплинт
Количество на схеме: 8
Информация
Шплинт
Количество
8
20
20
Артикул: 11371-20
нет в наличии
Шайба
Количество на схеме: 6
Информация
Шайба
Количество
6
21
21
Артикул: 7798-12-20
нет в наличии
Болт
Количество на схеме: 12
Информация
Болт
Количество
12
22
22
Артикул: 6402-65-12
нет в наличии
Шайба
Количество на схеме: 8
Информация
Шайба
Количество
8
23
23
Артикул: 22-124-40-50
нет в наличии
Оседержатель
Количество на схеме: 4
Информация
Оседержатель
Количество
4
24
24
Артикул: 4562-450-01-006
нет в наличии
Ось
Количество на схеме: 1
Информация
Ось
Количество
1
25
25
Артикул: 4562-450-01-007
нет в наличии
Труба
Количество на схеме: 1
Информация
Труба
Количество
1
26
26
Артикул: 4562-450-10-001
нет в наличии
Блок
Количество на схеме: 2
Информация
Блок
Количество
2
27
27
Артикул: 4562-450-10-002
нет в наличии
Втулка
Количество на схеме: 2
Информация
Втулка
Количество
2
28
28
Артикул: 4562-450-01-008
нет в наличии
Прокладка
Количество на схеме: 8
Информация
Прокладка
Количество
8
29
29
Артикул: 4562-450-12-000
нет в наличии
Кожух
Количество на схеме: 2
Информация
Кожух
Количество
2
30
30
Артикул: 6402-65-08
нет в наличии
Шайба
Количество на схеме: 10
Информация
Шайба
Количество
10
31
31
Артикул: 7798-08-16
нет в наличии
Болт
Количество на схеме: 10
Информация
Болт
Количество
10
32
32
Артикул: 11871-60
нет в наличии
Гайка
Количество на схеме: 2
Информация
Гайка
Количество
2
33
33
Артикул: 4572-63-280
нет в наличии
Упор
Количество на схеме: 2
Информация
Упор
Количество
2
34
34
Артикул: 1-475-12-30
нет в наличии
Винт
Количество на схеме: 4
Информация
Винт
Количество
4
35
35
Артикул: 4572-63-104
нет в наличии
Плита скольжения
Количество на схеме: 2
Информация
Плита скольжения
Количество
2
36
36
Артикул: 4572-63-163
нет в наличии
Прокладка
Количество на схеме: 12
Информация
Прокладка
Количество
12
37
37
Артикул: 4572-63-106
нет в наличии
Башмак
Количество на схеме: 2
Информация
Башмак
Количество
2
38
38
Артикул: 7798-16-40
нет в наличии
Болт
Количество на схеме: 4
Информация
Болт
Количество
4
39
39
Артикул: 4562-450-00-004
нет в наличии
Ось
Количество на схеме: 2
Информация
Ось
Количество
2
40
40
Артикул: 5915-12
нет в наличии
Гайка
Количество на схеме: 8
Информация
Гайка
Количество
8
41
41
Артикул: 7796-12-30
нет в наличии
Болт
Количество на схеме: 14
Информация
Болт
Количество
14
42
42
Артикул: 4562-450-00-006
нет в наличии
Щека
Количество на схеме: 2
Информация
Щека
Количество
2
43
43
Артикул: 4562-450-00-005-01
нет в наличии
Труба
Количество на схеме: 1
Информация
Труба
Количество
1
44
44
Артикул: 4562-450-00-005
нет в наличии
Труба
Количество на схеме: 1
Информация
Труба
Количество
1
45
45
Артикул: 4562-450-00-005-02
нет в наличии
Труба.
Количество на схеме: 2
Информация
Труба.
Количество
2
46
46
Артикул: 4562-450-00-003
нет в наличии
Ось
Количество на схеме: 2
Информация
Ось
Количество
2
47
47
Артикул: 4561А-401-00-021
нет в наличии
Планка
Количество на схеме: 2
Информация
Планка
Количество
2
  • Грузовые автомобили
  • Автобусы
  • Сельхозтехника
  • Спецтехника
  • Двигатели
Получить оптовый прайс-лист
Скачать прайс-лист от 07.05.2026 12:00
Специальное предложение от 07.05.2026 13:00
Производители:


  • WEICHAI
  • Автодизель ПАО (ЯМЗ)
  • Тутаевский МЗ
  • ЯЗДА
  • УралАЗ
  • МАЗ
  • АЗПИ
  • BOSCH
  • ММЗ
  • ШААЗ
  • FEDERAL MOGUL
  • ПРАМО
  • Мотордеталь
  • ТАИМ
  • АвтоКрАЗ
  • БЕЛКАРД
  • CZ Strakonice
  • КамАЗ
  • БЗА
  • ЧМЗ
  • BMZ
Новости
Все новости
25 марта 2024
Флагманский седельный тягач «Валдай 45» на выставке «TransRussia»
10 марта 2024
Современные автобусы «CITYMAX 9» и ЛиАЗ-5292 CNG
25 февраля 2024
Серийное производство средних дизельных двигателей повышенной мощности от ЯМЗ
Статьи
Все статьи
Датчики двигателя: за что они отвечают, признаки неисправности и как не прогадать с выбором
Двигатели ЯМЗ-534: история, технические характеристики и области применения
Двигатели ЯМЗ 650: углублённый технический обзор и история
Компания
О компании
Реквизиты
Новости
Политика
Магазины
Информация
Условия оплаты
Условия доставки
Гарантия на товар
Обмен и возврат товара
Помощь
Как оформить заказ
Полезные статьи
Бренды
Пункты выдачи
Оставайтесь на связи
  • Вконтакте
  • YouTube
  • Одноклассники
  • Google Plus
Увидели ошибку?
Выделите, нажав Ctrl + Enter
Наши контакты
8-800-700-35-68
sales@din76.ru
г. Ярославль, Ленинградский пр-т 33, ТЦ "ОМЕГА"
2026 © ООО «Динамика 76» - Все права защищены ООО "Динамика 76"
Предложения на сайте не являются публичной офертой.
На сайте обнаружена ошибка

Текст с ошибкой