Избранное 0 Корзина 0 Личный кабинет
logo
Каталог
Каталог
  • Справочник
    • Грузовые автомобили
    • Автобусы
    • Сельхозтехника
    • Спецтехника
    • Двигатели
  • Доставка
  • Оплата
  • О компании
    • Реквизиты
    • Магазины
    • Оплата
    • Доставка
    • Лицензии и сертификаты
    • Новости
    • Вакансии
  • Контакты
Отправить заявку
Личный кабинет
8 (800) 700-35-68
sales@din76.ru
Избранное 0 Корзина 0
8 (800) 700-35-68
Оптовый прайс-лист
Каталог
  • Двигатели
  • Запчасти WEICHAI
  • Запчасти ЯМЗ, ТМЗ (V-образные)
  • Запчасти ЯМЗ-534, ЯМЗ-536
  • Запчасти ЯМЗ-650, ЯМЗ-651, DCi-11
  • Топливная аппаратура
  • Запчасти УРАЛ
  • Запчасти МАЗ
  • Запчасти КамАЗ
  • Запчасти ММЗ
  • Ремни
Автокаталог (справочник)
  • Доставка
  • Оплата
  • О компании
  • Контакты
8 (800) 700-35-68
Написать в Whatsapp
sales@din76.ru
Динамика 76
Меню  
  • Каталог
    • Двигатели  
      • Двигатели ТМЗ  
        • Двигатели ТМЗ для автомобилей
        • Двигатели ТМЗ для тракторов
        • Специальные двигатели ТМЗ
        • Промышленные двигатели ТМЗ
      • Двигатели ЯМЗ  
        • ЯМЗ 236
        • ЯМЗ 238
        • ЯМЗ 240
        • ЯМЗ 751
        • ЯМЗ 840
        • ЯМЗ 850
        • ЯМЗ 656
        • ЯМЗ 658
        • ЯМЗ 534
        • ЯМЗ 536
        • ЯМЗ 650
        • Двигатели ЯМЗ для электростанций
      • Двигатели КАМАЗ
      • Двигатели ММЗ
      • Двигатели индивидуальной сборки
      • Комплекты переоборудования
    • Запчасти WEICHAI  
      • Основные запчасти двигателя  
        • Клапаны и толкатели
        • Шатуны
        • Вал коленчатый и маховик
        • Вал распределительный
        • Цилиндро-поршневая группа
      • Система питания  
        • Форсунки
        • Турбокомпрессор
      • Система смазки  
        • Насос масляный
      • Головка блока
      • Ремкомплекты
      • Система охлаждения  
        • Насос водяной
        • Муфта вязкостная и крыльчатка
      • Фильтры
      • Электрооборудование  
        • Генератор
        • Стартер
    • Запчасти ЯМЗ, ТМЗ (V-образные)  
      • Основные запчасти двигателя  
        • Блок двигателя и комплектующие
        • Валы распределительные и клапаны
        • Головка блока и комплектующие
        • Цилиндро-поршневая группа
        • Маховики и комплектующие
        • Валы коленчатые и комплектующие
        • Шатуны и комплектующие
      • Система питания  
        • Коллекторы и патрубки
        • Топливные трубопроводы
        • Турбокомпрессор
        • Топливные фильтры
      • Электрооборудование двигателя
      • Система охлаждения  
        • Вязкостные муфты и крыльчатки
        • Приводы вентилятора
        • Водяные насосы
        • Водяные трубы и термостаты
      • Коробки переключения передач  
        • 8 Ступенчатые КПП
        • 5 Ступенчатые КПП
        • 9 Ступенчатые КПП
        • Запасные части КПП ЯМЗ, ТМЗ
      • Система смазки  
        • Теплообменник и комплектующие
        • Масляные насосы
        • Фильтры масляные (ФГОМ, ФЦОМ)
      • Сцепление  
        • Запасные части механизма сцепления
        • Муфты (подшипники выжимные)
        • Корзины (диски нажимные)
        • Диски ведомые
      • Прочие запчасти двигателя  
        • Ремкомплекты
        • Привод агрегатов
        • Натяжные устройства
        • Трубки
    • Запчасти ЯМЗ-534, ЯМЗ-536  
      • Основные запчасти двигателя  
        • Цилиндро-поршневая группа
        • Головка блока цилиндров и комплектующие
        • Блок цилиндров и комплектующие
        • Вал коленчатый и маховик
        • Вал распределительный
        • Клапаны и толкатели
        • ГУР (Гидроусилитель руля)
        • Система рециркуляции отработавших газов
        • Выпускной коллектор
      • Система питания  
        • Коллекторы и патрубки
        • Топливные фильтры
        • Турбокомпрессор
        • Топливные трубопроводы
      • Система смазки  
        • Масляный картер поддон
        • Масляный насос
        • Теплообменник /Водо-масляный радиатор
        • Фильтры масляные (ФГОМ, ФЦОМ)
      • Пневмокомпрессор и натяжное
      • Система охлаждения  
        • Водяной насос
        • Водяные трубы и патрубки
        • Муфты вязкостные, приводы, крыльчатки
      • Ремкомплекты
      • Сцепление
      • Электрооборудование
    • Запчасти ЯМЗ-650, ЯМЗ-651, DCi-11  
      • Основные запчасти двигателя  
        • Цилиндро-поршневая группа
        • Головка блока цилиндров и комплектующие
        • Блок цилиндров и комплектующие
        • Вал коленчатый и маховик
        • Выпускной коллектор
        • Вал распределительный
        • Клапаны и толкатели
        • ГУР (Гидроусилитель руля)
        • Система рециркуляции отработавших газов
      • Система питания  
        • Коллекторы и патрубки
        • Топливные трубопроводы
        • Топливные фильтры
        • Турбокомпрессор
      • Система смазки  
        • Масляный картер / поддон
        • Масляный насос
        • Теплообменник / Водо-масляный радиатор
        • Фильтры масляные (ФГОМ, ФЦОМ)
      • Система охлаждения  
        • Водяной насос
        • Водяные трубы и патрубки
        • Муфты вязкостные, приводы, крыльчатки
      • Ремкомплекты
      • Пневмокомпрессор и натяжное
      • Электрооборудование
      • Сцепление
    • Топливная аппаратура  
      • ЯЗДА  
        • Распылители
        • ТНВД
        • Форсунки
        • Топливный насос низкого давления
        • Пары плунжерные
        • Муфта опережения впрыска топлива
        • Запчасти и комплектующие ТНВД
      • НЗТА
      • АЗПИ  
        • Распылители
        • Форсунки
      • BOSCH
    • Запчасти УРАЛ  
      • Трансмиссия  
        • Коробка раздаточная
        • Передача карданная
        • Мост задний
        • Мост передний (ведущий)
        • Мост средний (промежуточный)
      • Кузов  
        • Дверь кабины
        • Капот, крылья, облицовка радиатора
        • Окно ветровое и заднее
        • Отопление и вентиляция кабины
        • Кабина
      • Механизмы управления  
        • Управление рулевое
        • Тормоза
      • Дополнительное оборудование  
        • Отбор мощности
        • Устройство седельное
      • Электрооборудование
      • Ходовая часть  
        • Колеса и ступицы
        • Ось передняя
        • Подвеска автомобиля
        • Рама
    • Запчасти МАЗ  
      • Трансмиссия  
        • Мост задний
        • Мост передний (ведущий)
        • Передача карданная
        • Мост средний (промежуточный)
      • Кузов  
        • Кабина
        • Дверь кабины
        • Детали основания кабины
        • Окно ветровое и заднее
        • Платформа
      • Механизмы управления  
        • Тормоза
        • Управление рулевое
      • Ходовая часть  
        • Колеса и ступицы
        • Ось передняя
        • Подвеска автомобиля
        • Рама
    • Запчасти КамАЗ  
      • Кузов  
        • Кабина
        • Капот, крылья, облицовка радиатора
        • Дверь кабины
        • Платформа
        • Окно ветровое и заднее
        • Устройство подъемное и опрокидывающее
        • Сиденье
        • Крыша кабины (крыша кузова)
        • Отопление и вентиляция кабины
      • Трансмиссия  
        • Коробка передач
        • Коробка раздаточная
        • Мост задний
        • Сцепление
        • Мост средний (промежуточный)
        • Передача карданная
        • Мост передний (ведущий)
      • Двигатель  
        • Основные запчасти двигателя
        • Система охлаждения
        • Система питания
        • Система смазки
      • Дополнительное оборудование  
        • Отбор мощности
        • Устройство седельное
      • Ходовая часть  
        • Подвеска автомобиля
        • Рама
        • Колеса и ступицы
        • Ось передняя
      • Механизмы управления  
        • Тормоза
        • Управление рулевое
      • Электрооборудование
    • Запчасти ММЗ
    • Ремни
  • Справочник
    • Грузовые автомобили
    • Автобусы
    • Сельхозтехника
    • Спецтехника
    • Двигатели
  • Как купить
    • Условия оплаты
    • Условия доставки
    • Гарантия на товар
    • Пункты выдачи
  • Услуги
    • Капитальный ремонт двигателей ЯМЗ
  • Акции
  • Статьи
  • Контакты
  • Компания
    • Реквизиты
    • Магазины
    • Оплата
    • Доставка
    • Лицензии и сертификаты
    • Новости
    • Вакансии
Избранное 0 Корзина 0
8-800-700-35-68

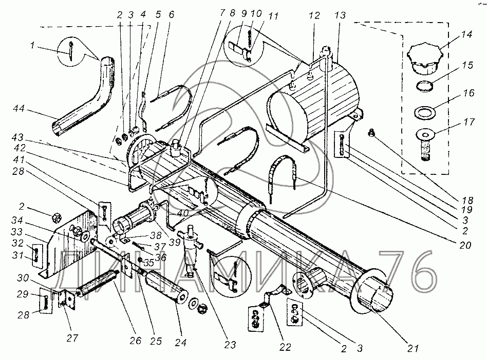
Установка отопителя КС-3577.55.000 на КС-3577 (до 2003 г.)

Справочник
Главная
-
Автокаталог
-
Спецтехника
-
Автокран
-
КС-3577
Справочный каталог

Установка отопителя КС-3577.55.000 — КС-3577:

1 2 2 2 2 3 3 3 4 5 6 7 8 9 10 11 12 13 14 15 16 17 18 19 20 21 22 23 24 25 26 27 28 28 29 30 31 32 33 34 35 36 37 38 39 40 41 42 43 44
в наличии
нет в наличии
масштаб

В наличии
Нет в наличии

Перечень комплектующих от Установка отопителя КС-3577.55.000 на КС-3577

Схемы запчастей предназначены для справочных целей! Мы продаем не все запчасти от Установка отопителя КС-3577.55.000 на КС-3577, представленные в этом списке.
Наличие на складах по деталям с ценой смотрите в карточке товара.
1
1
Артикул: [Шплинт-5х60-016-ГОСТ397-79]
нет в наличии
Шплинт 5х60.016 ГОСТ397-79
Количество на схеме: 1
Информация
Шплинт 5х60.016 ГОСТ397-79
Количество
1
803445;
2
2
Артикул: [Гайка-М8-5-019-ГОСТ5915-70]
нет в наличии
Гайка М8.5.019 ГОСТ5915-70
Количество на схеме: 17
Информация
Гайка М8.5.019 ГОСТ5915-70
Количество
17
803446;
3
3
Артикул: [Шайба-8-65Г-019-ГОСТ6402-70]
нет в наличии
Шайба 8.65Г.019 ГОСТ6402-70
Количество на схеме: 9
Информация
Шайба 8.65Г.019 ГОСТ6402-70
Количество
9
803447;
4
4
Артикул: КС-3577-55-008
нет в наличии
Втулка
Количество на схеме: 4
Информация
Втулка
Количество
4
803448;
5
5
Артикул: КС-3577-55-007
нет в наличии
Скоба
Количество на схеме: 2
Информация
Скоба
Количество
2
803449;
6
6
Артикул: КС-3577-55-300
нет в наличии
Хомут
Количество на схеме: 2
Информация
Хомут
Количество
2
803450;
7
7
Артикул: [Отопитель-030-134]
нет в наличии
Отопитель 030.134
Количество на схеме: 1
Информация
Отопитель 030.134
Количество
1
803451;
8
8
Артикул: КС-3577-55-003
нет в наличии
Рукав 6x14-10
Количество на схеме: 1
Информация
Рукав 6x14-10
Количество
1
803452;
9
9
Артикул: КС-3577-55-015
нет в наличии
Лента 5-1x160-3
Количество на схеме: 8
Информация
Лента 5-1x160-3
Количество
8
803453;
10
10
Артикул: [Шплинт-4х18-016-ГОСТ397-79]
нет в наличии
Шплинт 4х18.016 ГОСТ397-79
Количество на схеме: 8
Информация
Шплинт 4х18.016 ГОСТ397-79
Количество
8
803454;
11
11
Артикул: КС-3577-55-016
нет в наличии
Пряжка
Количество на схеме: 8
Информация
Пряжка
Количество
8
803455;
12
12
Артикул: КС-3577-55-001
нет в наличии
Рукав 6x14-10
Количество на схеме: 1
Информация
Рукав 6x14-10
Количество
1
803456;
13
13
Артикул: КС-3577-55-500
нет в наличии
Бензобак
Количество на схеме: 1
Информация
Бензобак
Количество
1
803457;
14
14
Артикул: КС-3577-55-231
нет в наличии
Крышка
Количество на схеме: 1
Информация
Крышка
Количество
1
803458;
15
15
Артикул: КС-3577-55-232
нет в наличии
Колпачок
Количество на схеме: 1
Информация
Колпачок
Количество
1
803459;
16
16
Артикул: КС-3577-55-233
нет в наличии
Прокладка
Количество на схеме: 1
Информация
Прокладка
Количество
1
803460;
17
17
Артикул: КС-3577-55-220
нет в наличии
Фильтр в сборе
Количество на схеме: 1
Информация
Фильтр в сборе
Количество
1
803461;
18
18
Артикул: [Пробка-2-2-МК12-20Ц9хр-ГОСТ12717-78]
нет в наличии
Пробка 2-2 МК12.20Ц9хр ГОСТ12717-78
Количество на схеме: 1
Информация
Пробка 2-2 МК12.20Ц9хр ГОСТ12717-78
Количество
1
803462;
19
19
Артикул: [Болт-М8х20-46-019-ГОСТ7798-70]
нет в наличии
Болт М8х20.46.019 ГОСТ7798-70
Количество на схеме: 3
Информация
Болт М8х20.46.019 ГОСТ7798-70
Количество
3
803463;
20
20
Артикул: КС-3577-55-400
нет в наличии
Хомут
Количество на схеме: 1
Информация
Хомут
Количество
1
803464;
21
21
Артикул: КС-3577-55-100-01
нет в наличии
Воздуховод
Количество на схеме: 1
Информация
Воздуховод
Количество
1
803465;
22
22
Артикул: КС-3577-55-012
нет в наличии
Скоба
Количество на схеме: 1
Информация
Скоба
Количество
1
803466;
23
23
Артикул: 966-8106300
нет в наличии
Бензоотстойник
Количество на схеме: 1
Информация
Бензоотстойник
Количество
1
803467;
Модель
966
Группа
Отопление и вентиляция кабины
Подгруппа
8106
Порядковый номер детали
300
24
24
Артикул: КС-3577-55-014
нет в наличии
Шпилька
Количество на схеме: 1
Информация
Шпилька
Количество
1
803468;
Примечание
При бензонасосе на 24В БН200А2
25
25
Артикул: [Шпилька]
нет в наличии
Шпилька
Количество на схеме: 1
Информация
Шпилька
Количество
1
803469;
26
26
Артикул: 0865-2030
нет в наличии
Электросопротивление 0,65 Ом
Количество на схеме: 1
Информация
Электросопротивление 0,65 Ом
Количество
1
803470;
27
27
Артикул: [Гайка-М4]
нет в наличии
Гайка М4
Количество на схеме: 2
Информация
Гайка М4
Количество
2
803471;
Примечание
Комплект отопителя
28
28
Артикул: [Шайба-4-65Г-016-ГОСТ6402-70]
нет в наличии
Шайба 4.65Г 016 ГОСТ6402-70
Количество на схеме: 6
Информация
Шайба 4.65Г 016 ГОСТ6402-70
Количество
6
803472;
Примечание
Комплект отопителя
29
29
Артикул: [Винт-М4х816Г]
нет в наличии
Винт М4х816Г
Количество на схеме: 4
Информация
Винт М4х816Г
Количество
4
803473;
Примечание
Комплект отопителя
30
30
Артикул: [Кронштейн]
нет в наличии
Кронштейн
Количество на схеме: 2
Информация
Кронштейн
Количество
2
803474;
31
31
Артикул: [Шайба-6-65Г-019-ГОСТ6402-70]
нет в наличии
Шайба 6.65Г.019 ГОСТ6402-70
Количество на схеме: 2
Информация
Шайба 6.65Г.019 ГОСТ6402-70
Количество
2
803475;
32
32
Артикул: [Винт-В1М6х10-46-019-ГОСТ17473-80]
нет в наличии
Винт В1М6х10.46.019 ГОСТ17473-80
Количество на схеме: 2
Информация
Винт В1М6х10.46.019 ГОСТ17473-80
Количество
2
803476;
33
33
Артикул: КС-3577-55-011
нет в наличии
Кронштейн
Количество на схеме: 1
Информация
Кронштейн
Количество
1
803477;
34
34
Артикул: [Прокладка]
нет в наличии
Прокладка
Количество на схеме: 2
Информация
Прокладка
Количество
2
803478;
35
35
Артикул: [Гайка-М6-5-019-ГОСТ5916-70]
нет в наличии
Гайка М6.5.019 ГОСТ5916-70
Количество на схеме: 1
Информация
Гайка М6.5.019 ГОСТ5916-70
Количество
1
803479;
36
36
Артикул: 201419-П29
нет в наличии
Винт М6-6gх22.222528-П29
Количество на схеме: 1
Информация
Винт М6-6gх22.222528-П29
Количество
1
803480;
Покрытие
цинкование и пассивирование (цинковое с хроматированием)
37
37
Артикул: [Шайба-6-65Г-019-ГОСТ6402-70]
нет в наличии
Шайба 6.65Г.019 ГОСТ6402-70
Количество на схеме: 1
Информация
Шайба 6.65Г.019 ГОСТ6402-70
Количество
1
803481;
38
38
Артикул: [Кронштейн-бензонасоса-015-3080]
нет в наличии
Кронштейн бензонасоса 015-3080
Количество на схеме: 1
Информация
Кронштейн бензонасоса 015-3080
Количество
1
803482;
39
39
Артикул: [Бензонасос-БН203]
нет в наличии
Бензонасос БН203
Количество на схеме: 1
Информация
Бензонасос БН203
Количество
1
803483;
40
40
Артикул: КС-3577-55-002
нет в наличии
Рукав 6x14-10
Количество на схеме: 1
Информация
Рукав 6x14-10
Количество
1
803484;
41
41
Артикул: [Болт]
нет в наличии
Болт
Количество на схеме: ;
Информация
Болт
Количество
;
42
42
Артикул: [Рукав]
нет в наличии
Рукав
Количество на схеме: 1
Информация
Рукав
Количество
1
803486;
43
43
Артикул: КС-3577-55-006
нет в наличии
Крышка
Количество на схеме: 1
Информация
Крышка
Количество
1
803487;
44
44
Артикул: КС-3577-55-009
нет в наличии
Труба
Количество на схеме: 1
Информация
Труба
Количество
1
803488;
  • Грузовые автомобили
  • Автобусы
  • Сельхозтехника
  • Спецтехника
  • Двигатели
Получить оптовый прайс-лист
Скачать прайс-лист от 07.05.2026 08:00
Специальное предложение от 07.05.2026 09:00
Производители:


  • WEICHAI
  • Автодизель ПАО (ЯМЗ)
  • Тутаевский МЗ
  • ЯЗДА
  • УралАЗ
  • МАЗ
  • АЗПИ
  • BOSCH
  • ММЗ
  • ШААЗ
  • FEDERAL MOGUL
  • ПРАМО
  • Мотордеталь
  • ТАИМ
  • АвтоКрАЗ
  • БЕЛКАРД
  • CZ Strakonice
  • КамАЗ
  • БЗА
  • ЧМЗ
  • BMZ
Новости
Все новости
25 марта 2024
Флагманский седельный тягач «Валдай 45» на выставке «TransRussia»
10 марта 2024
Современные автобусы «CITYMAX 9» и ЛиАЗ-5292 CNG
25 февраля 2024
Серийное производство средних дизельных двигателей повышенной мощности от ЯМЗ
Статьи
Все статьи
Датчики двигателя: за что они отвечают, признаки неисправности и как не прогадать с выбором
Двигатели ЯМЗ-534: история, технические характеристики и области применения
Двигатели ЯМЗ 650: углублённый технический обзор и история
Компания
О компании
Реквизиты
Новости
Политика
Магазины
Информация
Условия оплаты
Условия доставки
Гарантия на товар
Обмен и возврат товара
Помощь
Как оформить заказ
Полезные статьи
Бренды
Пункты выдачи
Оставайтесь на связи
  • Вконтакте
  • YouTube
  • Одноклассники
  • Google Plus
Увидели ошибку?
Выделите, нажав Ctrl + Enter
Наши контакты
8-800-700-35-68
sales@din76.ru
г. Ярославль, Ленинградский пр-т 33, ТЦ "ОМЕГА"
2026 © ООО «Динамика 76» - Все права защищены ООО "Динамика 76"
Предложения на сайте не являются публичной офертой.
На сайте обнаружена ошибка

Текст с ошибкой