Избранное 0 Корзина 0 Личный кабинет
logo
Каталог
Каталог
  • Справочник
    • Грузовые автомобили
    • Автобусы
    • Сельхозтехника
    • Спецтехника
    • Двигатели
  • Доставка
  • Оплата
  • О компании
    • Реквизиты
    • Магазины
    • Оплата
    • Доставка
    • Лицензии и сертификаты
    • Новости
    • Вакансии
  • Контакты
Отправить заявку
Личный кабинет
8 (800) 700-35-68
sales@din76.ru
Избранное 0 Корзина 0
8 (800) 700-35-68
Оптовый прайс-лист
Каталог
  • Двигатели
  • Запчасти WEICHAI
  • Запчасти ЯМЗ, ТМЗ (V-образные)
  • Запчасти ЯМЗ-534, ЯМЗ-536
  • Запчасти ЯМЗ-650, ЯМЗ-651, DCi-11
  • Топливная аппаратура
  • Запчасти УРАЛ
  • Запчасти МАЗ
  • Запчасти КамАЗ
  • Запчасти ММЗ
  • Ремни
Автокаталог (справочник)
  • Доставка
  • Оплата
  • О компании
  • Контакты
8 (800) 700-35-68
Написать в Whatsapp
sales@din76.ru
Динамика 76
Меню  
  • Каталог
    • Двигатели  
      • Двигатели ТМЗ  
        • Двигатели ТМЗ для автомобилей
        • Двигатели ТМЗ для тракторов
        • Специальные двигатели ТМЗ
        • Промышленные двигатели ТМЗ
      • Двигатели ЯМЗ  
        • ЯМЗ 236
        • ЯМЗ 238
        • ЯМЗ 240
        • ЯМЗ 751
        • ЯМЗ 840
        • ЯМЗ 850
        • ЯМЗ 656
        • ЯМЗ 658
        • ЯМЗ 534
        • ЯМЗ 536
        • ЯМЗ 650
        • Двигатели ЯМЗ для электростанций
      • Двигатели КАМАЗ
      • Двигатели ММЗ
      • Двигатели индивидуальной сборки
      • Комплекты переоборудования
    • Запчасти WEICHAI  
      • Основные запчасти двигателя  
        • Клапаны и толкатели
        • Шатуны
        • Вал коленчатый и маховик
        • Вал распределительный
        • Цилиндро-поршневая группа
      • Система питания  
        • Форсунки
        • Турбокомпрессор
      • Система смазки  
        • Насос масляный
      • Головка блока
      • Ремкомплекты
      • Система охлаждения  
        • Насос водяной
        • Муфта вязкостная и крыльчатка
      • Фильтры
      • Электрооборудование  
        • Генератор
        • Стартер
    • Запчасти ЯМЗ, ТМЗ (V-образные)  
      • Основные запчасти двигателя  
        • Блок двигателя и комплектующие
        • Валы распределительные и клапаны
        • Головка блока и комплектующие
        • Цилиндро-поршневая группа
        • Маховики и комплектующие
        • Валы коленчатые и комплектующие
        • Шатуны и комплектующие
      • Система питания  
        • Коллекторы и патрубки
        • Топливные трубопроводы
        • Турбокомпрессор
        • Топливные фильтры
      • Электрооборудование двигателя
      • Система охлаждения  
        • Вязкостные муфты и крыльчатки
        • Приводы вентилятора
        • Водяные насосы
        • Водяные трубы и термостаты
      • Коробки переключения передач  
        • 8 Ступенчатые КПП
        • 5 Ступенчатые КПП
        • 9 Ступенчатые КПП
        • Запасные части КПП ЯМЗ, ТМЗ
      • Система смазки  
        • Теплообменник и комплектующие
        • Масляные насосы
        • Фильтры масляные (ФГОМ, ФЦОМ)
      • Сцепление  
        • Запасные части механизма сцепления
        • Муфты (подшипники выжимные)
        • Корзины (диски нажимные)
        • Диски ведомые
      • Прочие запчасти двигателя  
        • Ремкомплекты
        • Привод агрегатов
        • Натяжные устройства
        • Трубки
    • Запчасти ЯМЗ-534, ЯМЗ-536  
      • Основные запчасти двигателя  
        • Цилиндро-поршневая группа
        • Головка блока цилиндров и комплектующие
        • Блок цилиндров и комплектующие
        • Вал коленчатый и маховик
        • Вал распределительный
        • Клапаны и толкатели
        • ГУР (Гидроусилитель руля)
        • Система рециркуляции отработавших газов
        • Выпускной коллектор
      • Система питания  
        • Коллекторы и патрубки
        • Топливные фильтры
        • Турбокомпрессор
        • Топливные трубопроводы
      • Система смазки  
        • Масляный картер поддон
        • Масляный насос
        • Теплообменник /Водо-масляный радиатор
        • Фильтры масляные (ФГОМ, ФЦОМ)
      • Пневмокомпрессор и натяжное
      • Система охлаждения  
        • Водяной насос
        • Водяные трубы и патрубки
        • Муфты вязкостные, приводы, крыльчатки
      • Ремкомплекты
      • Сцепление
      • Электрооборудование
    • Запчасти ЯМЗ-650, ЯМЗ-651, DCi-11  
      • Основные запчасти двигателя  
        • Цилиндро-поршневая группа
        • Головка блока цилиндров и комплектующие
        • Блок цилиндров и комплектующие
        • Вал коленчатый и маховик
        • Выпускной коллектор
        • Вал распределительный
        • Клапаны и толкатели
        • ГУР (Гидроусилитель руля)
        • Система рециркуляции отработавших газов
      • Система питания  
        • Коллекторы и патрубки
        • Топливные трубопроводы
        • Топливные фильтры
        • Турбокомпрессор
      • Система смазки  
        • Масляный картер / поддон
        • Масляный насос
        • Теплообменник / Водо-масляный радиатор
        • Фильтры масляные (ФГОМ, ФЦОМ)
      • Система охлаждения  
        • Водяной насос
        • Водяные трубы и патрубки
        • Муфты вязкостные, приводы, крыльчатки
      • Ремкомплекты
      • Пневмокомпрессор и натяжное
      • Электрооборудование
      • Сцепление
    • Топливная аппаратура  
      • ЯЗДА  
        • Распылители
        • ТНВД
        • Форсунки
        • Топливный насос низкого давления
        • Пары плунжерные
        • Муфта опережения впрыска топлива
        • Запчасти и комплектующие ТНВД
      • НЗТА
      • АЗПИ  
        • Распылители
        • Форсунки
      • BOSCH
    • Запчасти УРАЛ  
      • Трансмиссия  
        • Коробка раздаточная
        • Передача карданная
        • Мост задний
        • Мост передний (ведущий)
        • Мост средний (промежуточный)
      • Кузов  
        • Дверь кабины
        • Капот, крылья, облицовка радиатора
        • Окно ветровое и заднее
        • Отопление и вентиляция кабины
        • Кабина
      • Механизмы управления  
        • Управление рулевое
        • Тормоза
      • Дополнительное оборудование  
        • Отбор мощности
        • Устройство седельное
      • Электрооборудование
      • Ходовая часть  
        • Колеса и ступицы
        • Ось передняя
        • Подвеска автомобиля
        • Рама
    • Запчасти МАЗ  
      • Трансмиссия  
        • Мост задний
        • Мост передний (ведущий)
        • Передача карданная
        • Мост средний (промежуточный)
      • Кузов  
        • Кабина
        • Дверь кабины
        • Детали основания кабины
        • Окно ветровое и заднее
        • Платформа
      • Механизмы управления  
        • Тормоза
        • Управление рулевое
      • Ходовая часть  
        • Колеса и ступицы
        • Ось передняя
        • Подвеска автомобиля
        • Рама
    • Запчасти КамАЗ  
      • Кузов  
        • Кабина
        • Капот, крылья, облицовка радиатора
        • Дверь кабины
        • Платформа
        • Окно ветровое и заднее
        • Устройство подъемное и опрокидывающее
        • Сиденье
        • Крыша кабины (крыша кузова)
        • Отопление и вентиляция кабины
      • Трансмиссия  
        • Коробка передач
        • Коробка раздаточная
        • Мост задний
        • Сцепление
        • Мост средний (промежуточный)
        • Передача карданная
        • Мост передний (ведущий)
      • Двигатель  
        • Основные запчасти двигателя
        • Система охлаждения
        • Система питания
        • Система смазки
      • Дополнительное оборудование  
        • Отбор мощности
        • Устройство седельное
      • Ходовая часть  
        • Подвеска автомобиля
        • Рама
        • Колеса и ступицы
        • Ось передняя
      • Механизмы управления  
        • Тормоза
        • Управление рулевое
      • Электрооборудование
    • Запчасти ММЗ
    • Ремни
  • Справочник
    • Грузовые автомобили
    • Автобусы
    • Сельхозтехника
    • Спецтехника
    • Двигатели
  • Как купить
    • Условия оплаты
    • Условия доставки
    • Гарантия на товар
    • Пункты выдачи
  • Услуги
    • Капитальный ремонт двигателей ЯМЗ
  • Акции
  • Статьи
  • Контакты
  • Компания
    • Реквизиты
    • Магазины
    • Оплата
    • Доставка
    • Лицензии и сертификаты
    • Новости
    • Вакансии
Избранное 0 Корзина 0
8-800-700-35-68

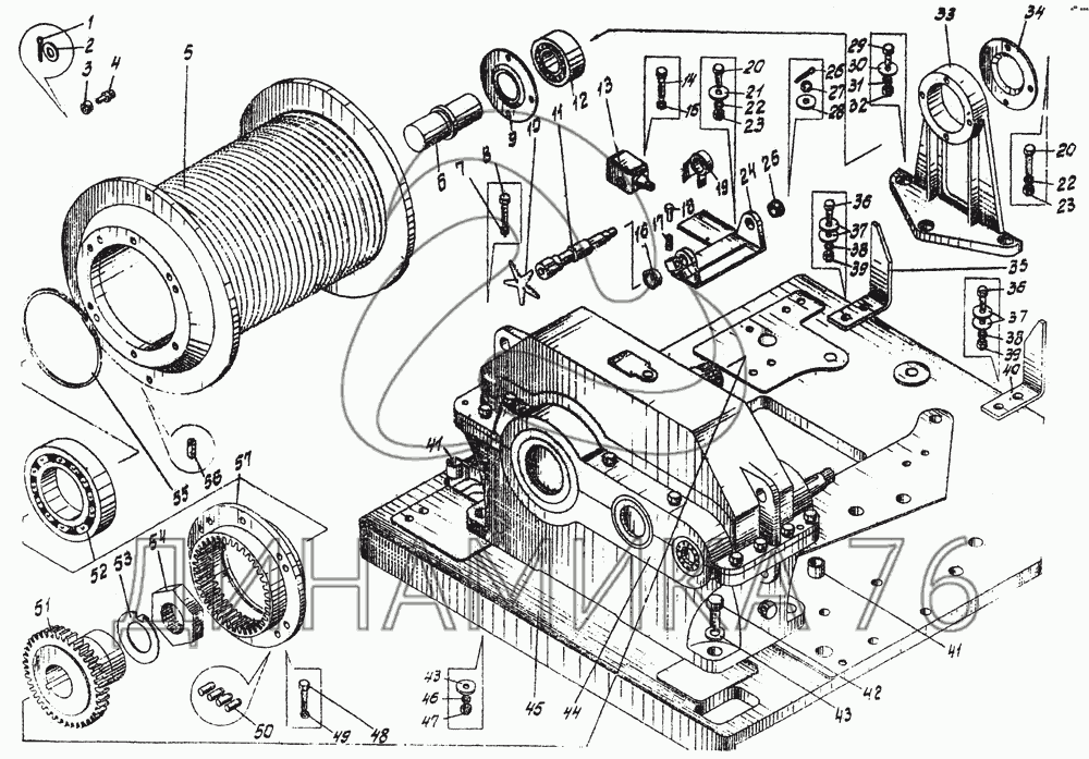
Лебедка КС-3576.26.000 на КС-3576 (до 2002 г.)

Справочник
Главная
-
Автокаталог
-
Спецтехника
-
Автокран
-
КС-3576
Справочный каталог

Лебедка КС-3576.26.000 — КС-3576:

КС-3576.26.000 1 2 3 4 5 6 7 8 9 10 11 12 13 14 15 16 17 18 19 20 20 21 22 22 23 23 24 25 26 27 28 29 30 31 32 33 34 35 36 36 37 37 38 38 39 39 40 41 41 42 43 43 44 45 46 47 48 49 50 51 52 53 54 55 56 57
в наличии
нет в наличии
масштаб

В наличии
Нет в наличии

Перечень комплектующих от Лебедка КС-3576.26.000 на КС-3576

Схемы запчастей предназначены для справочных целей! Мы продаем не все запчасти от Лебедка КС-3576.26.000 на КС-3576, представленные в этом списке.
Наличие на складах по деталям с ценой смотрите в карточке товара.
Артикул: КС-3576-26-000
нет в наличии
Лебедка
Количество на схеме: ;
Информация
Лебедка
Количество
;
1
1
Артикул: ГОСТ-397-79
нет в наличии
Шплинт 1,6x10
Количество на схеме: 1
Информация
Шплинт 1,6x10
Количество
1
Материал;Масса, кг
;0,004;
2
2
Артикул: ГОСТ-11371-78
нет в наличии
Шайба 4
Количество на схеме: 1
Информация
Шайба 4
Количество
1
Материал;Масса, кг
;0,002;
3
3
Артикул: КС-3577-80-503
нет в наличии
Ролик
Количество на схеме: 1
Информация
Ролик
Количество
1
Материал;Масса, кг
;0,02;
4
4
Артикул: КС-3577-80-502
нет в наличии
Палец
Количество на схеме: 1
Информация
Палец
Количество
1
Материал;Масса, кг
Ст20 ГОСТ 1051-73;0,03;
5
5
Артикул: KC-3577-26-105
нет в наличии
Барабан
Количество на схеме: 1
Информация
Барабан
Количество
1
Материал;Масса, кг
Отливка СЧ20 ГОСТ 1412-79;180;
6
6
Артикул: КС-3577-26-107-3
нет в наличии
Ось
Количество на схеме: 1
Информация
Ось
Количество
1
Материал;Масса, кг
СТ45 ГОСТ 1050-74;3,9;
7
7
Артикул: ГОСТ-6402-70
нет в наличии
Шайба 4.65Г
Количество на схеме: 3
Информация
Шайба 4.65Г
Количество
3
Материал;Масса, кг
;0,0004;
8
8
Артикул: ГОСТ-7798-70
нет в наличии
Болт М12х45
Количество на схеме: 2
Информация
Болт М12х45
Количество
2
Материал;Масса, кг
;0,006;
9
9
Артикул: КС-3577-26-026-01
нет в наличии
Крышка
Количество на схеме: 1
Информация
Крышка
Количество
1
Материал;Масса, кг
;0,4;
10
10
Артикул: КС-3577-80-509
нет в наличии
Звездочка
Количество на схеме: 1
Информация
Звездочка
Количество
1
Материал;Масса, кг
ВСтЗпо5 ГОСТ 14637-79;0,083;
11
11
Артикул: КС-3577-80-501
нет в наличии
Винт
Количество на схеме: 1
Информация
Винт
Количество
1
Материал;Масса, кг
Ст45 ГОСТ 1050-74;1,0;
12
12
Артикул: ГОСТ-5721-75
нет в наличии
Подшипник 3610
Количество на схеме: 1
Информация
Подшипник 3610
Количество
1
Материал;Масса, кг
;1,9;
13
13
Артикул: ВПК-211-У2
нет в наличии
Выключатель конечный
Количество на схеме: 1
Информация
Выключатель конечный
Количество
1
Материал;Масса, кг
;;
Примечание
1 - покупные изделия \n2 - используется с редуктором 1Ц2У-250 \n3 - Использовать с шасси КРАЗ-260 \n4 - Комплект отопителя 030-В4 \n5 - Комплект ОНК-М \n6 - Насос 310.112.03 \n7 - Устанавливается в гадролинию привода грузовой лебедки \n8 - Устанавливается на гидроцилиндре стрелы и телескопа \n9 - Состав детплей смотреть КС-3577.84.730 за исключением позиции 10 \n10 - Заменил У4690.90.31В с 1.01.84г с которым взаимозаменяем по назначению, но не по подводящим трубопроводам
14
14
Артикул: ГОСТ-17473-80
нет в наличии
Винт B1 М4-8gх10
Количество на схеме: 2
Информация
Винт B1 М4-8gх10
Количество
2
Материал;Масса, кг
;0,006;
15
15
Артикул: ГОСТ-6402-70
нет в наличии
Шайба 4.65Г
Количество на схеме: 2
Информация
Шайба 4.65Г
Количество
2
Материал;Масса, кг
;0,003;
16
16
Артикул: КС-3577-80-505
нет в наличии
Втулка
Количество на схеме: 1
Информация
Втулка
Количество
1
Материал;Масса, кг
ПА6 210/311 ОСТ 6-06-09-76;0,008;
17
17
Артикул: КС-3577-80-507
нет в наличии
Пружина
Количество на схеме: 2
Информация
Пружина
Количество
2
Материал;Масса, кг
Проволока 11-1,0 ГОСТ 9389-75;0,0014;
18
18
Артикул: КС-3577-80-504
нет в наличии
Собачка
Количество на схеме: 2
Информация
Собачка
Количество
2
Материал;Масса, кг
Ст45 ГОСТ 1050-74;0,015;
19
19
Артикул: KC-3577-80-520
нет в наличии
Гайка в сборе
Количество на схеме: 1
Информация
Гайка в сборе
Количество
1
Материал;Масса, кг
;0,15;
20
20
Артикул: ГОСТ-7798-70
нет в наличии
Болт М12х45
Количество на схеме: 6
Информация
Болт М12х45
Количество
6
Материал;Масса, кг
;0,029;
21
21
Артикул: КС-3577-52-031
нет в наличии
Шайба
Количество на схеме: 2
Информация
Шайба
Количество
2
Материал;Масса, кг
Ст08кп ГОСТ 16523-70;0,006;
22
22
Артикул: ГОСТ-6402-70
нет в наличии
Шайба 4.65Г
Количество на схеме: 6
Информация
Шайба 4.65Г
Количество
6
Материал;Масса, кг
;0,001;
23
23
Артикул: ГОСТ-5915-70
нет в наличии
Гайка M12
Количество на схеме: 6
Информация
Гайка M12
Количество
6
Материал;Масса, кг
;0,005;
24
24
Артикул: КС-3577-80-510
нет в наличии
Основание
Количество на схеме: 1
Информация
Основание
Количество
1
Материал;Масса, кг
;1,6;
25
25
Артикул: KС-3577-80-506
нет в наличии
Втулка
Количество на схеме: 1
Информация
Втулка
Количество
1
Материал;Масса, кг
;0,005;
26
26
Артикул: ГОСТ-397-79
нет в наличии
Шплинт 1,6x10
Количество на схеме: 1
Информация
Шплинт 1,6x10
Количество
1
Материал;Масса, кг
;0,004;
27
27
Артикул: ГОСТ-5918-73
нет в наличии
ГайкаМ10.5.019
Количество на схеме: 1
Информация
ГайкаМ10.5.019
Количество
1
Материал;Масса, кг
;0,011;
28
28
Артикул: ГОСТ-11371-78
нет в наличии
Шайба 4
Количество на схеме: 1
Информация
Шайба 4
Количество
1
Материал;Масса, кг
;0,004;
29
29
Артикул: ГОСТ-7798-70
нет в наличии
Болт М12х45
Количество на схеме: 3
Информация
Болт М12х45
Количество
3
Материал;Масса, кг
;0,293;
30
30
Артикул: KC-3577-26-011
нет в наличии
Шайба
Количество на схеме: 7
Информация
Шайба
Количество
7
Материал;Масса, кг
ВСтЗпсб ГОСТ 14637-79;0,05;
31
31
Артикул: ГОСТ-6402-70
нет в наличии
Шайба 4.65Г
Количество на схеме: 3
Информация
Шайба 4.65Г
Количество
3
Материал;Масса, кг
;0,015;
32
32
Артикул: ГОСТ-5915-70
нет в наличии
Гайка M12
Количество на схеме: 3
Информация
Гайка M12
Количество
3
Материал;Масса, кг
;0,062;
33
33
Артикул: КС-3577-26-017-2
нет в наличии
Кронштейн
Количество на схеме: 1
Информация
Кронштейн
Количество
1
Материал;Масса, кг
Отливка 25Л-1 ГОСТ 977-75;11,5;
34
34
Артикул: KC-3577-26-026
нет в наличии
Крышка
Количество на схеме: 1
Информация
Крышка
Количество
1
Материал;Масса, кг
ВСтЗпс5 ГОСТ 16523-70;0,47;
35
35
Артикул: КС-3577-26-005-3
нет в наличии
Кронштейн
Количество на схеме: 1
Информация
Кронштейн
Количество
1
Материал;Масса, кг
ВСтЗпо5 ГОСТ 14637-79;0,68;
36
36
Артикул: ГОСТ-7798-70
нет в наличии
Болт М12х45
Количество на схеме: 2
Информация
Болт М12х45
Количество
2
Материал;Масса, кг
;0,075;
37
37
Артикул: ГОСТ-11371-78
нет в наличии
Шайба 4
Количество на схеме: 4
Информация
Шайба 4
Количество
4
Материал;Масса, кг
;0,006;
38
38
Артикул: ГОСТ-6402-70
нет в наличии
Шайба 4.65Г
Количество на схеме: 2
Информация
Шайба 4.65Г
Количество
2
Материал;Масса, кг
;0,003;
39
39
Артикул: ГОСТ-5915-70
нет в наличии
Гайка M12
Количество на схеме: 4
Информация
Гайка M12
Количество
4
Материал;Масса, кг
;0,015;
40
40
Артикул: КС-3577-26-004-3
нет в наличии
Кронштейн
Количество на схеме: 1
Информация
Кронштейн
Количество
1
Материал;Масса, кг
;0,68;
41
41
Артикул: KC-2573-26-011
нет в наличии
Втулка
Количество на схеме: 2
Информация
Втулка
Количество
2
Материал;Масса, кг
Ст.20 ГОСТ 1051-73;0,03;
42
42
Артикул: ГОСТ-779--70
нет в наличии
Болт M24x110.46.019
Количество на схеме: 4
Информация
Болт M24x110.46.019
Количество
4
Материал;Масса, кг
;0,467;
43
43
Артикул: ГОСТ-11371-78
нет в наличии
Шайба 4
Количество на схеме: 4
Информация
Шайба 4
Количество
4
Материал;Масса, кг
;0,032;
44
44
Артикул: 1Ц2У-250-40-11КУ1
нет в наличии
Редуктор
Количество на схеме: 1
Информация
Редуктор
Количество
1
Материал;Масса, кг
;310;
Примечание
1 - покупные изделия \n2 - используется с редуктором 1Ц2У-250 \n3 - Использовать с шасси КРАЗ-260 \n4 - Комплект отопителя 030-В4 \n5 - Комплект ОНК-М \n6 - Насос 310.112.03 \n7 - Устанавливается в гадролинию привода грузовой лебедки \n8 - Устанавливается на гидроцилиндре стрелы и телескопа \n9 - Состав детплей смотреть КС-3577.84.730 за исключением позиции 10 \n10 - Заменил У4690.90.31В с 1.01.84г с которым взаимозаменяем по назначению, но не по подводящим трубопроводам
45
45
Артикул: KC-3577-26-001
нет в наличии
Плита
Количество на схеме: 1
Информация
Плита
Количество
1
Материал;Масса, кг
Отливка СЧ 15 ГОСТ 1412-79;515;
46
46
Артикул: ГОСТ-6402-70
нет в наличии
Шайба 4.65Г
Количество на схеме: 4
Информация
Шайба 4.65Г
Количество
4
Материал;Масса, кг
;0,027;
47
47
Артикул: ГОСТ-5915-70
нет в наличии
Гайка M12
Количество на схеме: 4
Информация
Гайка M12
Количество
4
Материал;Масса, кг
;0,107;
48
48
Артикул: ГОСТ-7798-70
нет в наличии
Болт М12х45
Количество на схеме: 6
Информация
Болт М12х45
Количество
6
Материал;Масса, кг
;0,052;
49
49
Артикул: ГОСТ-6402-70
нет в наличии
Шайба 4.65Г
Количество на схеме: 6
Информация
Шайба 4.65Г
Количество
6
Материал;Масса, кг
;0,003;
50
50
Артикул: ГОСТ-3128-70
нет в наличии
Штифт 10м6х16
Количество на схеме: 4
Информация
Штифт 10м6х16
Количество
4
Материал;Масса, кг
;0,026;
51
51
Артикул: КС-3577-26-027-3
нет в наличии
Полумуфта зубчатая
Количество на схеме: 1
Информация
Полумуфта зубчатая
Количество
1
Материал;Масса, кг
Ст45 ГОСТ 1050-74;4,7;
52
52
Артикул: ГОСТ-5720-75
нет в наличии
Подшипник 1224Л
Количество на схеме: 1
Информация
Подшипник 1224Л
Количество
1
Материал;Масса, кг
;6,8;
53
53
Артикул: КС-3577-26-009
нет в наличии
Шайба
Количество на схеме: 1
Информация
Шайба
Количество
1
Материал;Масса, кг
;0,04;
54
54
Артикул: КС-3577-26-008
нет в наличии
Гайка
Количество на схеме: 1
Информация
Гайка
Количество
1
Материал;Масса, кг
;0,3;
55
55
Артикул: ГОСТ-13941-80
нет в наличии
Кольцо 1B215
Количество на схеме: 1
Информация
Кольцо 1B215
Количество
1
Материал;Масса, кг
;0,156;
56
56
Артикул: ГОСТ-1476-75
нет в наличии
Винт М4х8.46.016
Количество на схеме: 1
Информация
Винт М4х8.46.016
Количество
1
Материал;Масса, кг
;0,0005;
57
57
Артикул: KC-3577-26-111-3
нет в наличии
Полумуфта зубчатая
Количество на схеме: 1
Информация
Полумуфта зубчатая
Количество
1
Материал;Масса, кг
Отливка 25Л-1 ГОСТ 977-75;12,7;
  • Грузовые автомобили
  • Автобусы
  • Сельхозтехника
  • Спецтехника
  • Двигатели
Получить оптовый прайс-лист
Скачать прайс-лист от 09.05.2026 12:00
Специальное предложение от 09.05.2026 13:00
Производители:


  • WEICHAI
  • Автодизель ПАО (ЯМЗ)
  • Тутаевский МЗ
  • ЯЗДА
  • УралАЗ
  • МАЗ
  • АЗПИ
  • BOSCH
  • ММЗ
  • ШААЗ
  • FEDERAL MOGUL
  • ПРАМО
  • Мотордеталь
  • ТАИМ
  • АвтоКрАЗ
  • БЕЛКАРД
  • CZ Strakonice
  • КамАЗ
  • БЗА
  • ЧМЗ
  • BMZ
Новости
Все новости
25 марта 2024
Флагманский седельный тягач «Валдай 45» на выставке «TransRussia»
10 марта 2024
Современные автобусы «CITYMAX 9» и ЛиАЗ-5292 CNG
25 февраля 2024
Серийное производство средних дизельных двигателей повышенной мощности от ЯМЗ
Статьи
Все статьи
Датчики двигателя: за что они отвечают, признаки неисправности и как не прогадать с выбором
Двигатели ЯМЗ-534: история, технические характеристики и области применения
Двигатели ЯМЗ 650: углублённый технический обзор и история
Компания
О компании
Реквизиты
Новости
Политика
Магазины
Информация
Условия оплаты
Условия доставки
Гарантия на товар
Обмен и возврат товара
Помощь
Как оформить заказ
Полезные статьи
Бренды
Пункты выдачи
Оставайтесь на связи
  • Вконтакте
  • YouTube
  • Одноклассники
  • Google Plus
Увидели ошибку?
Выделите, нажав Ctrl + Enter
Наши контакты
8-800-700-35-68
sales@din76.ru
г. Ярославль, Ленинградский пр-т 33, ТЦ "ОМЕГА"
2026 © ООО «Динамика 76» - Все права защищены ООО "Динамика 76"
Предложения на сайте не являются публичной офертой.
На сайте обнаружена ошибка

Текст с ошибкой