Избранное 0 Корзина 0 Личный кабинет
logo
Каталог
Каталог
  • Справочник
    • Грузовые автомобили
    • Автобусы
    • Сельхозтехника
    • Спецтехника
    • Двигатели
  • Доставка
  • Оплата
  • О компании
    • Реквизиты
    • Магазины
    • Оплата
    • Доставка
    • Лицензии и сертификаты
    • Новости
    • Вакансии
  • Контакты
Отправить заявку
Личный кабинет
8 (800) 700-35-68
sales@din76.ru
Избранное 0 Корзина 0
8 (800) 700-35-68
Оптовый прайс-лист
Каталог
  • Двигатели
  • Запчасти WEICHAI
  • Запчасти ЯМЗ, ТМЗ (V-образные)
  • Запчасти ЯМЗ-534, ЯМЗ-536
  • Запчасти ЯМЗ-650, ЯМЗ-651, DCi-11
  • Топливная аппаратура
  • Запчасти УРАЛ
  • Запчасти МАЗ
  • Запчасти КамАЗ
  • Запчасти ММЗ
  • Ремни
Автокаталог (справочник)
  • Доставка
  • Оплата
  • О компании
  • Контакты
8 (800) 700-35-68
Написать в Whatsapp
sales@din76.ru
Динамика 76
Меню  
  • Каталог
    • Двигатели  
      • Двигатели ТМЗ  
        • Двигатели ТМЗ для автомобилей
        • Двигатели ТМЗ для тракторов
        • Специальные двигатели ТМЗ
        • Промышленные двигатели ТМЗ
      • Двигатели ЯМЗ  
        • ЯМЗ 236
        • ЯМЗ 238
        • ЯМЗ 240
        • ЯМЗ 751
        • ЯМЗ 840
        • ЯМЗ 850
        • ЯМЗ 656
        • ЯМЗ 658
        • ЯМЗ 534
        • ЯМЗ 536
        • ЯМЗ 650
        • Двигатели ЯМЗ для электростанций
      • Двигатели КАМАЗ
      • Двигатели ММЗ
      • Двигатели индивидуальной сборки
      • Комплекты переоборудования
    • Запчасти WEICHAI  
      • Основные запчасти двигателя  
        • Клапаны и толкатели
        • Шатуны
        • Вал коленчатый и маховик
        • Вал распределительный
        • Цилиндро-поршневая группа
      • Система питания  
        • Форсунки
        • Турбокомпрессор
      • Система смазки  
        • Насос масляный
      • Головка блока
      • Ремкомплекты
      • Система охлаждения  
        • Насос водяной
        • Муфта вязкостная и крыльчатка
      • Фильтры
      • Электрооборудование  
        • Генератор
        • Стартер
    • Запчасти ЯМЗ, ТМЗ (V-образные)  
      • Основные запчасти двигателя  
        • Блок двигателя и комплектующие
        • Валы распределительные и клапаны
        • Головка блока и комплектующие
        • Цилиндро-поршневая группа
        • Маховики и комплектующие
        • Валы коленчатые и комплектующие
        • Шатуны и комплектующие
      • Система питания  
        • Коллекторы и патрубки
        • Топливные трубопроводы
        • Турбокомпрессор
        • Топливные фильтры
      • Электрооборудование двигателя
      • Система охлаждения  
        • Вязкостные муфты и крыльчатки
        • Приводы вентилятора
        • Водяные насосы
        • Водяные трубы и термостаты
      • Коробки переключения передач  
        • 8 Ступенчатые КПП
        • 5 Ступенчатые КПП
        • 9 Ступенчатые КПП
        • Запасные части КПП ЯМЗ, ТМЗ
      • Система смазки  
        • Теплообменник и комплектующие
        • Масляные насосы
        • Фильтры масляные (ФГОМ, ФЦОМ)
      • Сцепление  
        • Запасные части механизма сцепления
        • Муфты (подшипники выжимные)
        • Корзины (диски нажимные)
        • Диски ведомые
      • Прочие запчасти двигателя  
        • Ремкомплекты
        • Привод агрегатов
        • Натяжные устройства
        • Трубки
    • Запчасти ЯМЗ-534, ЯМЗ-536  
      • Основные запчасти двигателя  
        • Цилиндро-поршневая группа
        • Головка блока цилиндров и комплектующие
        • Блок цилиндров и комплектующие
        • Вал коленчатый и маховик
        • Вал распределительный
        • Клапаны и толкатели
        • ГУР (Гидроусилитель руля)
        • Система рециркуляции отработавших газов
        • Выпускной коллектор
      • Система питания  
        • Коллекторы и патрубки
        • Топливные фильтры
        • Турбокомпрессор
        • Топливные трубопроводы
      • Система смазки  
        • Масляный картер поддон
        • Масляный насос
        • Теплообменник /Водо-масляный радиатор
        • Фильтры масляные (ФГОМ, ФЦОМ)
      • Пневмокомпрессор и натяжное
      • Система охлаждения  
        • Водяной насос
        • Водяные трубы и патрубки
        • Муфты вязкостные, приводы, крыльчатки
      • Ремкомплекты
      • Сцепление
      • Электрооборудование
    • Запчасти ЯМЗ-650, ЯМЗ-651, DCi-11  
      • Основные запчасти двигателя  
        • Цилиндро-поршневая группа
        • Головка блока цилиндров и комплектующие
        • Блок цилиндров и комплектующие
        • Вал коленчатый и маховик
        • Выпускной коллектор
        • Вал распределительный
        • Клапаны и толкатели
        • ГУР (Гидроусилитель руля)
        • Система рециркуляции отработавших газов
      • Система питания  
        • Коллекторы и патрубки
        • Топливные трубопроводы
        • Топливные фильтры
        • Турбокомпрессор
      • Система смазки  
        • Масляный картер / поддон
        • Масляный насос
        • Теплообменник / Водо-масляный радиатор
        • Фильтры масляные (ФГОМ, ФЦОМ)
      • Система охлаждения  
        • Водяной насос
        • Водяные трубы и патрубки
        • Муфты вязкостные, приводы, крыльчатки
      • Ремкомплекты
      • Пневмокомпрессор и натяжное
      • Электрооборудование
      • Сцепление
    • Топливная аппаратура  
      • ЯЗДА  
        • Распылители
        • ТНВД
        • Форсунки
        • Топливный насос низкого давления
        • Пары плунжерные
        • Муфта опережения впрыска топлива
        • Запчасти и комплектующие ТНВД
      • НЗТА
      • АЗПИ  
        • Распылители
        • Форсунки
      • BOSCH
    • Запчасти УРАЛ  
      • Трансмиссия  
        • Коробка раздаточная
        • Передача карданная
        • Мост задний
        • Мост передний (ведущий)
        • Мост средний (промежуточный)
      • Кузов  
        • Дверь кабины
        • Капот, крылья, облицовка радиатора
        • Окно ветровое и заднее
        • Отопление и вентиляция кабины
        • Кабина
      • Механизмы управления  
        • Управление рулевое
        • Тормоза
      • Дополнительное оборудование  
        • Отбор мощности
        • Устройство седельное
      • Электрооборудование
      • Ходовая часть  
        • Колеса и ступицы
        • Ось передняя
        • Подвеска автомобиля
        • Рама
    • Запчасти МАЗ  
      • Трансмиссия  
        • Мост задний
        • Мост передний (ведущий)
        • Передача карданная
        • Мост средний (промежуточный)
      • Кузов  
        • Кабина
        • Дверь кабины
        • Детали основания кабины
        • Окно ветровое и заднее
        • Платформа
      • Механизмы управления  
        • Тормоза
        • Управление рулевое
      • Ходовая часть  
        • Колеса и ступицы
        • Ось передняя
        • Подвеска автомобиля
        • Рама
    • Запчасти КамАЗ  
      • Кузов  
        • Кабина
        • Капот, крылья, облицовка радиатора
        • Дверь кабины
        • Платформа
        • Окно ветровое и заднее
        • Устройство подъемное и опрокидывающее
        • Сиденье
        • Крыша кабины (крыша кузова)
        • Отопление и вентиляция кабины
      • Трансмиссия  
        • Коробка передач
        • Коробка раздаточная
        • Мост задний
        • Сцепление
        • Мост средний (промежуточный)
        • Передача карданная
        • Мост передний (ведущий)
      • Двигатель  
        • Основные запчасти двигателя
        • Система охлаждения
        • Система питания
        • Система смазки
      • Дополнительное оборудование  
        • Отбор мощности
        • Устройство седельное
      • Ходовая часть  
        • Подвеска автомобиля
        • Рама
        • Колеса и ступицы
        • Ось передняя
      • Механизмы управления  
        • Тормоза
        • Управление рулевое
      • Электрооборудование
    • Запчасти ММЗ
    • Ремни
  • Справочник
    • Грузовые автомобили
    • Автобусы
    • Сельхозтехника
    • Спецтехника
    • Двигатели
  • Как купить
    • Условия оплаты
    • Условия доставки
    • Гарантия на товар
    • Пункты выдачи
  • Услуги
    • Капитальный ремонт двигателей ЯМЗ
  • Акции
  • Статьи
  • Контакты
  • Компания
    • Реквизиты
    • Магазины
    • Оплата
    • Доставка
    • Лицензии и сертификаты
    • Новости
    • Вакансии
Избранное 0 Корзина 0
8-800-700-35-68

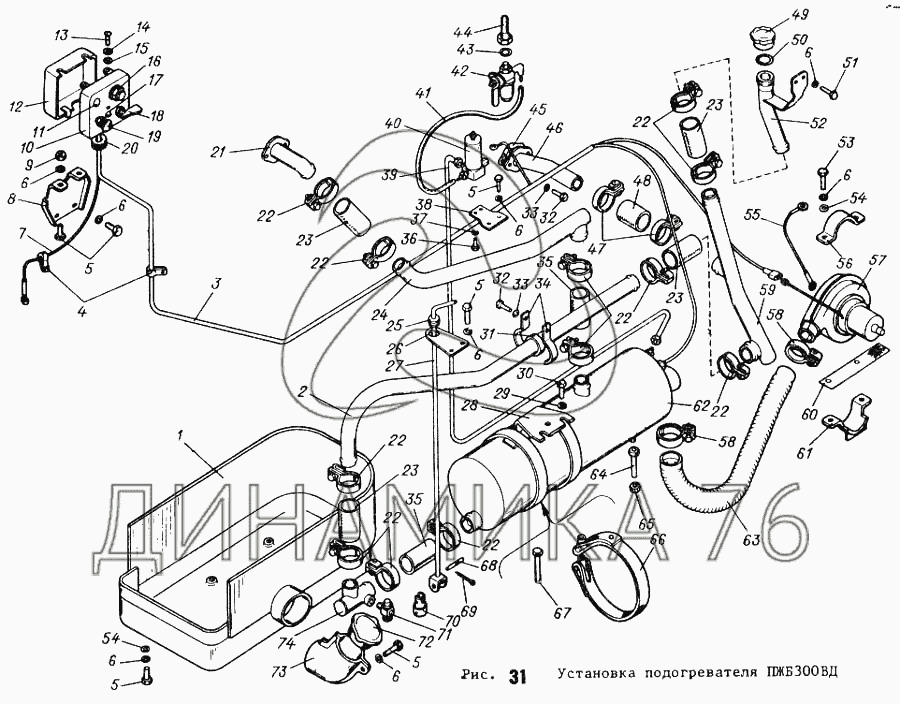
Установка подогревателя ПЖБ 300ВД на ТТ-4М

Справочник
Главная
-
Автокаталог
-
Спецтехника
-
АТЗ
-
ТТ-4М
Справочный каталог

Установка подогревателя ПЖБ 300ВД — ТТ-4М:

1 2 3 4 5 6 7 8 9 10 11 12 13 14 15 16 17 18 19 20 21 22 23 24 25 26 27 28 29 30 31 32 33 34 35 36 37 38 39 40 41 42 43 44 45 46 47 48 49 50 51 52 53 54 55 56 57 58 59 60 61 62 63 64 65 66 67 68 69 70 71 72 73 74
в наличии
нет в наличии
масштаб

В наличии
Нет в наличии

Перечень комплектующих от Установка подогревателя ПЖБ 300ВД на ТТ-4М

Схемы запчастей предназначены для справочных целей! Мы продаем не все запчасти от Установка подогревателя ПЖБ 300ВД на ТТ-4М, представленные в этом списке.
Наличие на складах по деталям с ценой смотрите в карточке товара.
1
1
Артикул: МТ4-07-016
нет в наличии
Поддон подогревателя
Количество на схеме: 1
Информация
Поддон подогревателя
Количество
1
2
2
Артикул: МТ4-07-127
нет в наличии
Труба
Количество на схеме: 1
Информация
Труба
Количество
1
3
3
Артикул: МТ4-07-022
нет в наличии
Жгут подогревателя
Количество на схеме: 1
Информация
Жгут подогревателя
Количество
1
4
4
Артикул: 54-48-417
нет в наличии
Скоба
Количество на схеме: 2
Информация
Скоба
Количество
2
5
5
Артикул: Болт-М10-6gх18-88-016-ГОСТ-7796-70
нет в наличии
Болт М10-6gх18.88.016 ГОСТ 7796-70
Количество на схеме: 14
Информация
Болт М10-6gх18.88.016 ГОСТ 7796-70
Количество
14
6
6
Артикул: Шайба-10ОТ-65Г-096-ГОСТ-6402-70
нет в наличии
Шайба 10ОТ 65Г 096 ГОСТ 6402-70
Количество на схеме: 18
Информация
Шайба 10ОТ 65Г 096 ГОСТ 6402-70
Количество
18
7
7
Артикул: МТ4-07-024
нет в наличии
Провод
Количество на схеме: 1
Информация
Провод
Количество
1
8
8
Артикул: МТ4-07-132
нет в наличии
Кронштейн
Количество на схеме: 1
Информация
Кронштейн
Количество
1
9
9
Артикул: Гайка-М10-6Н-6-016-ГОСТ-5915-70
нет в наличии
Гайка М10-6Н.6.016 ГОСТ 5915-70
Количество на схеме: 2
Информация
Гайка М10-6Н.6.016 ГОСТ 5915-70
Количество
2
10
10
Артикул: МТ4-07-021
нет в наличии
Корпус
Количество на схеме: 1
Информация
Корпус
Количество
1
11
11
Артикул: ПД20-3803000-Е
нет в наличии
Фонарь контрольной лампы
Количество на схеме: 1
Информация
Фонарь контрольной лампы
Количество
1
Модель
ПД20
Группа
Приборы
Подгруппа
Лампы контрольные (Фонари контрольных ламп)
Порядковый номер детали
000
12
12
Артикул: МТ4-07-026
нет в наличии
Корпус
Количество на схеме: 1
Информация
Корпус
Количество
1
13
13
Артикул: Винт-М4-6gх10-58-016-ГОСТ-17473-80
нет в наличии
Винт М4-6gх10.58.016 ГОСТ 17473-80
Количество на схеме: 2
Информация
Винт М4-6gх10.58.016 ГОСТ 17473-80
Количество
2
14
14
Артикул: Шайба-4Т-65Г-096-ГОСТ-6402-70
нет в наличии
Шайба 4Т 65Г 096 ГОСТ 6402-70
Количество на схеме: 2
Информация
Шайба 4Т 65Г 096 ГОСТ 6402-70
Количество
2
15
15
Артикул: Шайба-4-01-016-ГОСТ-11371-78
нет в наличии
Шайба 4.01.016 ГОСТ 11371-78
Количество на схеме: 2
Информация
Шайба 4.01.016 ГОСТ 11371-78
Количество
2
16
16
Артикул: ОВ65-2000
нет в наличии
Спираль контрольная
Количество на схеме: 1
Информация
Спираль контрольная
Количество
1
17
17
Артикул: ПР2-3722000Б
нет в наличии
Предохранитель термобиметаллический ПР2-Б
Количество на схеме: 1
Информация
Предохранитель термобиметаллический ПР2-Б
Количество
1
Модель
ПР2
Группа
Электрооборудование
Подгруппа
Предохранители (электрических цепей)
Порядковый номер детали
000
18
18
Артикул: ВК317-3710100-А2
нет в наличии
Выключатель
Количество на схеме: 1
Информация
Выключатель
Количество
1
Модель
ВК317
Группа
Электрооборудование
Подгруппа
Выключатели электрические (переключатель света ножной)
Порядковый номер детали
100
19
19
Артикул: ПЖБ200-1015425
нет в наличии
Переключатель с ручкой
Количество на схеме: 1
Информация
Переключатель с ручкой
Количество
1
Модель
ПЖБ200
Группа
Двигатель
Подгруппа
Подогреватель пусковой двигателя
Порядковый номер детали
425
20
20
Артикул: 54-48-609
нет в наличии
Кольцо изоляционное
Количество на схеме: 1
Информация
Кольцо изоляционное
Количество
1
21
21
Артикул: МТ4-07-009
нет в наличии
Труба
Количество на схеме: 1
Информация
Труба
Количество
1
22
22
Артикул: МО4-07-027
нет в наличии
Хомут
Количество на схеме: 12
Информация
Хомут
Количество
12
23
23
Артикул: 75Т-07-333
нет в наличии
Шланг соединительный
Количество на схеме: 4
Информация
Шланг соединительный
Количество
4
24
24
Артикул: МТ4-07-010
нет в наличии
Труба
Количество на схеме: 1
Информация
Труба
Количество
1
25
25
Артикул: Т4-48-121
нет в наличии
Кольцо изоляционное
Количество на схеме: 1
Информация
Кольцо изоляционное
Количество
1
26
26
Артикул: МТ4-07-121
нет в наличии
Кронштейн
Количество на схеме: 1
Информация
Кронштейн
Количество
1
27
27
Артикул: МТ4-07-015
нет в наличии
Рукоятка краника
Количество на схеме: 1
Информация
Рукоятка краника
Количество
1
28
28
Артикул: МТ4-07-003
нет в наличии
Кронштейн
Количество на схеме: 1
Информация
Кронштейн
Количество
1
29
29
Артикул: Шайба-12ОТ-65Г-096-ГОСТ-6402-70
нет в наличии
Шайба 12ОТ 65Г 096 ГОСТ 6402-70
Количество на схеме: 3
Информация
Шайба 12ОТ 65Г 096 ГОСТ 6402-70
Количество
3
30
30
Артикул: Болт-М12-6gх25-88-016-РОСТ-7796-70
нет в наличии
Болт М12-6gх25.88.016 РОСТ 7796-70
Количество на схеме: 3
Информация
Болт М12-6gх25.88.016 РОСТ 7796-70
Количество
3
31
31
Артикул: Т4-47-147
нет в наличии
Кольцо
Количество на схеме: 1
Информация
Кольцо
Количество
1
32
32
Артикул: Болт-М8-6gх20-88-016-ГОСТ-7796-70
нет в наличии
Болт М8-6gх20.88.016 ГОСТ 7796-70
Количество на схеме: 3
Информация
Болт М8-6gх20.88.016 ГОСТ 7796-70
Количество
3
33
33
Артикул: Шайба-8Т-65Г-096-ГОСТ-6402-70
нет в наличии
Шайба 8Т 65Г 096 ГОСТ 6402-70
Количество на схеме: 3
Информация
Шайба 8Т 65Г 096 ГОСТ 6402-70
Количество
3
34
34
Артикул: МО4-07-123
нет в наличии
Скоба
Количество на схеме: 2
Информация
Скоба
Количество
2
35
35
Артикул: МТ4-07-128
нет в наличии
Шланг
Количество на схеме: 2
Информация
Шланг
Количество
2
36
36
Артикул: Болт-М6-6gх12-88-016-ГОСТ-7798-70
нет в наличии
Болт М6-6gх12.88.016 ГОСТ 7798-70
Количество на схеме: 2
Информация
Болт М6-6gх12.88.016 ГОСТ 7798-70
Количество
2
37
37
Артикул: Шайба-6Т-65Г-096-ГОСТ-6402-70
нет в наличии
Шайба 6Т 65Г 096 ГОСТ 6402-70
Количество на схеме: 2
Информация
Шайба 6Т 65Г 096 ГОСТ 6402-70
Количество
2
38
38
Артикул: МТ4-07-103
нет в наличии
Кронштейн
Количество на схеме: 1
Информация
Кронштейн
Количество
1
39
39
Артикул: МТ4-07-018
нет в наличии
Топливопровод
Количество на схеме: 1
Информация
Топливопровод
Количество
1
40
40
Артикул: ЭМК-12
нет в наличии
Клапан электромагнитный
Количество на схеме: 1
Информация
Клапан электромагнитный
Количество
1
41
41
Артикул: МТ4-07-131
нет в наличии
Бензопровод
Количество на схеме: 1
Информация
Бензопровод
Количество
1
42
42
Артикул: КР-12Д-1305000
нет в наличии
Кран
Количество на схеме: 1
Информация
Кран
Количество
1
Модель
КР-12Д
Группа
Система охлаждения
Подгруппа
Кран сливной
Порядковый номер детали
000
43
43
Артикул: 16-006
нет в наличии
Прокладка
Количество на схеме: 1
Информация
Прокладка
Количество
1
44
44
Артикул: МО4-50-046
нет в наличии
Переходник краника
Количество на схеме: 1
Информация
Переходник краника
Количество
1
45
45
Артикул: МТ4-62-130
нет в наличии
Прокладка
Количество на схеме: 1
Информация
Прокладка
Количество
1
46
46
Артикул: МТ4-07-029
нет в наличии
Труба
Количество на схеме: 1
Информация
Труба
Количество
1
47
47
Артикул: МО4-07-026
нет в наличии
Хомут
Количество на схеме: 2
Информация
Хомут
Количество
2
48
48
Артикул: МО4-07-136
нет в наличии
Шланг
Количество на схеме: 1
Информация
Шланг
Количество
1
49
49
Артикул: А50-6-01
нет в наличии
Крышка
Количество на схеме: 1
Информация
Крышка
Количество
1
50
50
Артикул: А50-28
нет в наличии
Прокладка
Количество на схеме: 1
Информация
Прокладка
Количество
1
51
51
Артикул: Болт-М10-6gх25-88-016-ГОСТ-7796-70
нет в наличии
Болт М10-6gх25.88.016 ГОСТ 7796-70
Количество на схеме: 2
Информация
Болт М10-6gх25.88.016 ГОСТ 7796-70
Количество
2
52
52
Артикул: МТ4-07-011
нет в наличии
Труба заливная
Количество на схеме: 1
Информация
Труба заливная
Количество
1
53
53
Артикул: Болт-М10-6gх30-88-016-ГОСТ-7796-70
нет в наличии
Болт М10-6gх30.88.016 ГОСТ 7796-70
Количество на схеме: 2
Информация
Болт М10-6gх30.88.016 ГОСТ 7796-70
Количество
2
54
54
Артикул: Шайба-10-01-016-ГОСТ-11371-78
нет в наличии
Шайба 10.01.016 ГОСТ 11371-78
Количество на схеме: 6
Информация
Шайба 10.01.016 ГОСТ 11371-78
Количество
6
55
55
Артикул: 75Т-07-сб318
нет в наличии
Провод
Количество на схеме: 1
Информация
Провод
Количество
1
56
56
Артикул: МО4-07-116
нет в наличии
Хомут
Количество на схеме: 1
Информация
Хомут
Количество
1
57
57
Артикул: ПЖБ300-А-1015200
нет в наличии
Вентилятор
Количество на схеме: 1
Информация
Вентилятор
Количество
1
Модель
ПЖБ300-А
Группа
Двигатель
Подгруппа
Подогреватель пусковой двигателя
Порядковый номер детали
200
58
58
Артикул: МО4-62-010
нет в наличии
Хомут
Количество на схеме: 2
Информация
Хомут
Количество
2
59
59
Артикул: МТ4-07-008
нет в наличии
Труба
Количество на схеме: 1
Информация
Труба
Количество
1
60
60
Артикул: МО4-07-134
нет в наличии
Прокладка
Количество на схеме: 1
Информация
Прокладка
Количество
1
61
61
Артикул: МО4-07-020
нет в наличии
Кронштейн
Количество на схеме: 1
Информация
Кронштейн
Количество
1
62
62
Артикул: ПЖБ300ВД-1015010
нет в наличии
Котел пускового подогревателя
Количество на схеме: 1
Информация
Котел пускового подогревателя
Количество
1
Модель
ПЖБ300ВД
Группа
Двигатель
Подгруппа
Подогреватель пусковой двигателя
Порядковый номер детали
010
63
63
Артикул: МО4-62-120-1
нет в наличии
Шланг
Количество на схеме: 1
Информация
Шланг
Количество
1
64
64
Артикул: МО4-07-014
нет в наличии
Трубка сливная
Количество на схеме: 1
Информация
Трубка сливная
Количество
1
65
65
Артикул: Гайка-накидная-1-6-ГОСТ-23353-78
нет в наличии
Гайка накидная 1-6 ГОСТ 23353-78
Количество на схеме: 1
Информация
Гайка накидная 1-6 ГОСТ 23353-78
Количество
1
66
66
Артикул: МТ4-07-004
нет в наличии
Хомут
Количество на схеме: 2
Информация
Хомут
Количество
2
67
67
Артикул: МТ4-07-105
нет в наличии
Болт
Количество на схеме: 2
Информация
Болт
Количество
2
68
68
Артикул: МО4-20-106
нет в наличии
Ось
Количество на схеме: 1
Информация
Ось
Количество
1
69
69
Артикул: Шплинт-4х32-016-ГОСТ-397-79
нет в наличии
Шплинт 4х32.016 ГОСТ 397-79
Количество на схеме: 1
Информация
Шплинт 4х32.016 ГОСТ 397-79
Количество
1
70
70
Артикул: МТ4-07-120
нет в наличии
Втулка
Количество на схеме: 1
Информация
Втулка
Количество
1
71
71
Артикул: КР2-1305010
нет в наличии
Кран
Количество на схеме: 1
Информация
Кран
Количество
1
Модель
КР2
Группа
Система охлаждения
Подгруппа
Кран сливной
Порядковый номер детали
010
72
72
Артикул: МТ4-07-136
нет в наличии
Заглушка
Количество на схеме: 1
Информация
Заглушка
Количество
1
73
73
Артикул: МТ4-07-027
нет в наличии
Патрубок
Количество на схеме: 1
Информация
Патрубок
Количество
1
74
74
Артикул: МТ4-07-013
нет в наличии
Труба
Количество на схеме: 1
Информация
Труба
Количество
1
  • Грузовые автомобили
  • Автобусы
  • Сельхозтехника
  • Спецтехника
  • Двигатели
Получить оптовый прайс-лист
Скачать прайс-лист от 06.05.2026 16:00
Специальное предложение от 06.05.2026 17:00
Производители:


  • WEICHAI
  • Автодизель ПАО (ЯМЗ)
  • Тутаевский МЗ
  • ЯЗДА
  • УралАЗ
  • МАЗ
  • АЗПИ
  • BOSCH
  • ММЗ
  • ШААЗ
  • FEDERAL MOGUL
  • ПРАМО
  • Мотордеталь
  • ТАИМ
  • АвтоКрАЗ
  • БЕЛКАРД
  • CZ Strakonice
  • КамАЗ
  • БЗА
  • ЧМЗ
  • BMZ
Новости
Все новости
25 марта 2024
Флагманский седельный тягач «Валдай 45» на выставке «TransRussia»
10 марта 2024
Современные автобусы «CITYMAX 9» и ЛиАЗ-5292 CNG
25 февраля 2024
Серийное производство средних дизельных двигателей повышенной мощности от ЯМЗ
Статьи
Все статьи
Датчики двигателя: за что они отвечают, признаки неисправности и как не прогадать с выбором
Двигатели ЯМЗ-534: история, технические характеристики и области применения
Двигатели ЯМЗ 650: углублённый технический обзор и история
Компания
О компании
Реквизиты
Новости
Политика
Магазины
Информация
Условия оплаты
Условия доставки
Гарантия на товар
Обмен и возврат товара
Помощь
Как оформить заказ
Полезные статьи
Бренды
Пункты выдачи
Оставайтесь на связи
  • Вконтакте
  • YouTube
  • Одноклассники
  • Google Plus
Увидели ошибку?
Выделите, нажав Ctrl + Enter
Наши контакты
8-800-700-35-68
sales@din76.ru
г. Ярославль, Ленинградский пр-т 33, ТЦ "ОМЕГА"
2026 © ООО «Динамика 76» - Все права защищены ООО "Динамика 76"
Предложения на сайте не являются публичной офертой.
На сайте обнаружена ошибка

Текст с ошибкой