Избранное 0 Корзина 0 Личный кабинет
logo
Каталог
Каталог
  • Справочник
    • Грузовые автомобили
    • Автобусы
    • Сельхозтехника
    • Спецтехника
    • Двигатели
  • Доставка
  • Оплата
  • О компании
    • Реквизиты
    • Магазины
    • Оплата
    • Доставка
    • Лицензии и сертификаты
    • Новости
    • Вакансии
  • Контакты
Отправить заявку
Личный кабинет
8 (800) 700-35-68
sales@din76.ru
Избранное 0 Корзина 0
8 (800) 700-35-68
Оптовый прайс-лист
Каталог
  • Двигатели
  • Запчасти WEICHAI
  • Запчасти ЯМЗ, ТМЗ (V-образные)
  • Запчасти ЯМЗ-534, ЯМЗ-536
  • Запчасти ЯМЗ-650, ЯМЗ-651, DCi-11
  • Топливная аппаратура
  • Запчасти УРАЛ
  • Запчасти МАЗ
  • Запчасти КамАЗ
  • Запчасти ММЗ
  • Ремни
Автокаталог (справочник)
  • Доставка
  • Оплата
  • О компании
  • Контакты
8 (800) 700-35-68
Написать в Whatsapp
sales@din76.ru
Динамика 76
Меню  
  • Каталог
    • Двигатели  
      • Двигатели ТМЗ  
        • Двигатели ТМЗ для автомобилей
        • Двигатели ТМЗ для тракторов
        • Специальные двигатели ТМЗ
        • Промышленные двигатели ТМЗ
      • Двигатели ЯМЗ  
        • ЯМЗ 236
        • ЯМЗ 238
        • ЯМЗ 240
        • ЯМЗ 751
        • ЯМЗ 840
        • ЯМЗ 850
        • ЯМЗ 656
        • ЯМЗ 658
        • ЯМЗ 534
        • ЯМЗ 536
        • ЯМЗ 650
        • Двигатели ЯМЗ для электростанций
      • Двигатели КАМАЗ
      • Двигатели ММЗ
      • Двигатели индивидуальной сборки
      • Комплекты переоборудования
    • Запчасти WEICHAI  
      • Основные запчасти двигателя  
        • Клапаны и толкатели
        • Шатуны
        • Вал коленчатый и маховик
        • Вал распределительный
        • Цилиндро-поршневая группа
      • Система питания  
        • Форсунки
        • Турбокомпрессор
      • Система смазки  
        • Насос масляный
      • Головка блока
      • Ремкомплекты
      • Система охлаждения  
        • Насос водяной
        • Муфта вязкостная и крыльчатка
      • Фильтры
      • Электрооборудование  
        • Генератор
        • Стартер
    • Запчасти ЯМЗ, ТМЗ (V-образные)  
      • Основные запчасти двигателя  
        • Блок двигателя и комплектующие
        • Валы распределительные и клапаны
        • Головка блока и комплектующие
        • Цилиндро-поршневая группа
        • Маховики и комплектующие
        • Валы коленчатые и комплектующие
        • Шатуны и комплектующие
      • Система питания  
        • Коллекторы и патрубки
        • Топливные трубопроводы
        • Турбокомпрессор
        • Топливные фильтры
      • Электрооборудование двигателя
      • Система охлаждения  
        • Вязкостные муфты и крыльчатки
        • Приводы вентилятора
        • Водяные насосы
        • Водяные трубы и термостаты
      • Коробки переключения передач  
        • 8 Ступенчатые КПП
        • 5 Ступенчатые КПП
        • 9 Ступенчатые КПП
        • Запасные части КПП ЯМЗ, ТМЗ
      • Система смазки  
        • Теплообменник и комплектующие
        • Масляные насосы
        • Фильтры масляные (ФГОМ, ФЦОМ)
      • Сцепление  
        • Запасные части механизма сцепления
        • Муфты (подшипники выжимные)
        • Корзины (диски нажимные)
        • Диски ведомые
      • Прочие запчасти двигателя  
        • Ремкомплекты
        • Привод агрегатов
        • Натяжные устройства
        • Трубки
    • Запчасти ЯМЗ-534, ЯМЗ-536  
      • Основные запчасти двигателя  
        • Цилиндро-поршневая группа
        • Головка блока цилиндров и комплектующие
        • Блок цилиндров и комплектующие
        • Вал коленчатый и маховик
        • Вал распределительный
        • Клапаны и толкатели
        • ГУР (Гидроусилитель руля)
        • Система рециркуляции отработавших газов
        • Выпускной коллектор
      • Система питания  
        • Коллекторы и патрубки
        • Топливные фильтры
        • Турбокомпрессор
        • Топливные трубопроводы
      • Система смазки  
        • Масляный картер поддон
        • Масляный насос
        • Теплообменник /Водо-масляный радиатор
        • Фильтры масляные (ФГОМ, ФЦОМ)
      • Пневмокомпрессор и натяжное
      • Система охлаждения  
        • Водяной насос
        • Водяные трубы и патрубки
        • Муфты вязкостные, приводы, крыльчатки
      • Ремкомплекты
      • Сцепление
      • Электрооборудование
    • Запчасти ЯМЗ-650, ЯМЗ-651, DCi-11  
      • Основные запчасти двигателя  
        • Цилиндро-поршневая группа
        • Головка блока цилиндров и комплектующие
        • Блок цилиндров и комплектующие
        • Вал коленчатый и маховик
        • Выпускной коллектор
        • Вал распределительный
        • Клапаны и толкатели
        • ГУР (Гидроусилитель руля)
        • Система рециркуляции отработавших газов
      • Система питания  
        • Коллекторы и патрубки
        • Топливные трубопроводы
        • Топливные фильтры
        • Турбокомпрессор
      • Система смазки  
        • Масляный картер / поддон
        • Масляный насос
        • Теплообменник / Водо-масляный радиатор
        • Фильтры масляные (ФГОМ, ФЦОМ)
      • Система охлаждения  
        • Водяной насос
        • Водяные трубы и патрубки
        • Муфты вязкостные, приводы, крыльчатки
      • Ремкомплекты
      • Пневмокомпрессор и натяжное
      • Электрооборудование
      • Сцепление
    • Топливная аппаратура  
      • ЯЗДА  
        • Распылители
        • ТНВД
        • Форсунки
        • Топливный насос низкого давления
        • Пары плунжерные
        • Муфта опережения впрыска топлива
        • Запчасти и комплектующие ТНВД
      • НЗТА
      • АЗПИ  
        • Распылители
        • Форсунки
      • BOSCH
    • Запчасти УРАЛ  
      • Трансмиссия  
        • Коробка раздаточная
        • Передача карданная
        • Мост задний
        • Мост передний (ведущий)
        • Мост средний (промежуточный)
      • Кузов  
        • Дверь кабины
        • Капот, крылья, облицовка радиатора
        • Окно ветровое и заднее
        • Отопление и вентиляция кабины
        • Кабина
      • Механизмы управления  
        • Управление рулевое
        • Тормоза
      • Дополнительное оборудование  
        • Отбор мощности
        • Устройство седельное
      • Электрооборудование
      • Ходовая часть  
        • Колеса и ступицы
        • Ось передняя
        • Подвеска автомобиля
        • Рама
    • Запчасти МАЗ  
      • Трансмиссия  
        • Мост задний
        • Мост передний (ведущий)
        • Передача карданная
        • Мост средний (промежуточный)
      • Кузов  
        • Кабина
        • Дверь кабины
        • Детали основания кабины
        • Окно ветровое и заднее
        • Платформа
      • Механизмы управления  
        • Тормоза
        • Управление рулевое
      • Ходовая часть  
        • Колеса и ступицы
        • Ось передняя
        • Подвеска автомобиля
        • Рама
    • Запчасти КамАЗ  
      • Кузов  
        • Кабина
        • Капот, крылья, облицовка радиатора
        • Дверь кабины
        • Платформа
        • Окно ветровое и заднее
        • Устройство подъемное и опрокидывающее
        • Сиденье
        • Крыша кабины (крыша кузова)
        • Отопление и вентиляция кабины
      • Трансмиссия  
        • Коробка передач
        • Коробка раздаточная
        • Мост задний
        • Сцепление
        • Мост средний (промежуточный)
        • Передача карданная
        • Мост передний (ведущий)
      • Двигатель  
        • Основные запчасти двигателя
        • Система охлаждения
        • Система питания
        • Система смазки
      • Дополнительное оборудование  
        • Отбор мощности
        • Устройство седельное
      • Ходовая часть  
        • Подвеска автомобиля
        • Рама
        • Колеса и ступицы
        • Ось передняя
      • Механизмы управления  
        • Тормоза
        • Управление рулевое
      • Электрооборудование
    • Запчасти ММЗ
    • Ремни
  • Справочник
    • Грузовые автомобили
    • Автобусы
    • Сельхозтехника
    • Спецтехника
    • Двигатели
  • Как купить
    • Условия оплаты
    • Условия доставки
    • Гарантия на товар
    • Пункты выдачи
  • Услуги
    • Капитальный ремонт двигателей ЯМЗ
  • Акции
  • Статьи
  • Контакты
  • Компания
    • Реквизиты
    • Магазины
    • Оплата
    • Доставка
    • Лицензии и сертификаты
    • Новости
    • Вакансии
Избранное 0 Корзина 0
8-800-700-35-68

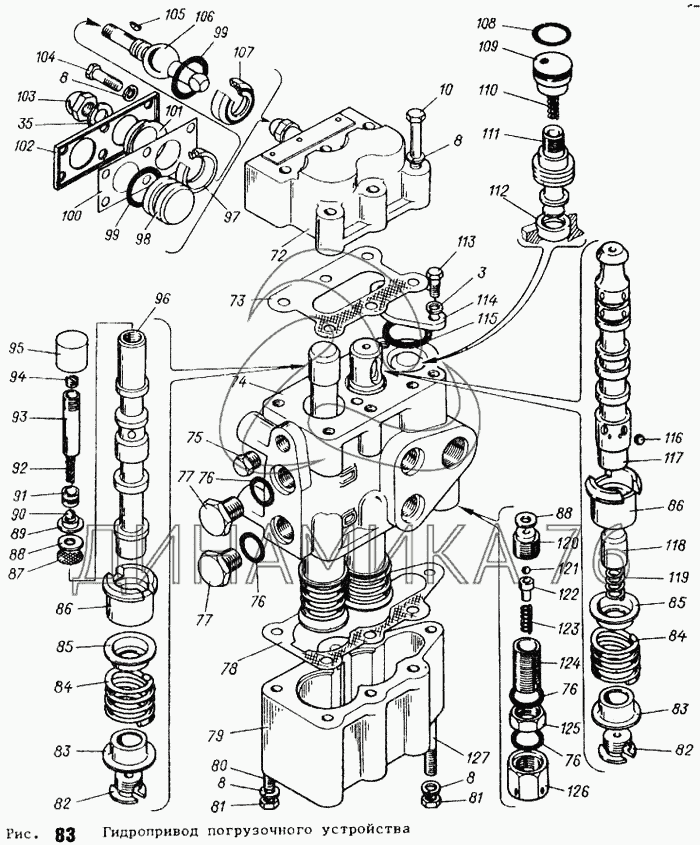
Гидропривод погрузочного устройства на ТТ-4М

Справочник
Главная
-
Автокаталог
-
Спецтехника
-
АТЗ
-
ТТ-4М
Справочный каталог

Гидропривод погрузочного устройства — ТТ-4М:

3 8 10 35 72 73 74 75 76 77 78 79 80 81 82 83 84 85 86 87 88 89 90 91 92 93 94 95 96 97 98 99 100 101 102 103 104 105 106 107 108 109 110 111 112 113 114 115 116 117 118 119 120 121 122 123 124 125 126 127
в наличии
нет в наличии
масштаб

В наличии
Нет в наличии

Перечень комплектующих от Гидропривод погрузочного устройства на ТТ-4М

Схемы запчастей предназначены для справочных целей! Мы продаем не все запчасти от Гидропривод погрузочного устройства на ТТ-4М, представленные в этом списке.
Наличие на складах по деталям с ценой смотрите в карточке товара.
3
3
Артикул: Шайба-10ОТ-65Г-096-ГОСТ-6402-70
нет в наличии
Шайба 10ОТ 65Г 096 ГОСТ 6402-70
Количество на схеме: 6
Информация
Шайба 10ОТ 65Г 096 ГОСТ 6402-70
Количество
6
8
8
Артикул: Шайба-8Т-65Г-096-ГОСТ-6402-70
нет в наличии
Шайба 8Т 65Г 096 ГОСТ 6402-70
Количество на схеме: 27
Информация
Шайба 8Т 65Г 096 ГОСТ 6402-70
Количество
27
10
10
Артикул: Болт-М8-6gх55--88--016-ГОСТ-7796-70
нет в наличии
Болт М8-6gх55. 88. 016 ГОСТ 7796-70
Количество на схеме: 10
Информация
Болт М8-6gх55. 88. 016 ГОСТ 7796-70
Количество
10
35
35
Артикул: Шайба-12ОТ-65Г-096-ГОСТ-6402-70
нет в наличии
Шайба 12ОТ 65Г 096 ГОСТ 6402-70
Количество на схеме: 9
Информация
Шайба 12ОТ 65Г 096 ГОСТ 6402-70
Количество
9
72
72
Артикул: Р75-2-022А
нет в наличии
Крышка верхняя
Количество на схеме: 1
Информация
Крышка верхняя
Количество
1
73
73
Артикул: Р16-0808138А
нет в наличии
Прокладка верхняя
Количество на схеме: 1
Информация
Прокладка верхняя
Количество
1
Модель
Р16
Подгруппа
0808
Порядковый номер детали
138
74
74
Артикул: Р75-11Т-021
нет в наличии
Корпус распределителя
Количество на схеме: 1
Информация
Корпус распределителя
Количество
1
75
75
Артикул: Пробка-КГ1/4"А12-01б-ОСТ-23-1-117-83
нет в наличии
Пробка КГ1/4"А12.01б ОСТ 23.1.117-83
Количество на схеме: 1
Информация
Пробка КГ1/4"А12.01б ОСТ 23.1.117-83
Количество
1
76
76
Артикул: НШ10-0101034
нет в наличии
Кольцо уплотнительное
Количество на схеме: 4
Информация
Кольцо уплотнительное
Количество
4
Модель
НШ10
Подгруппа
0101
Порядковый номер детали
034
77
77
Артикул: Р75-066
нет в наличии
Заглушка
Количество на схеме: 2
Информация
Заглушка
Количество
2
78
78
Артикул: Р16А-0808139А
нет в наличии
Прокладка нижняя
Количество на схеме: 1
Информация
Прокладка нижняя
Количество
1
Модель
Р16А
Подгруппа
0808
Порядковый номер детали
139
79
79
Артикул: Р75-2-023
нет в наличии
Крьппка нижняя
Количество на схеме: 1
Информация
Крьппка нижняя
Количество
1
80
80
Артикул: ШМ8-3
нет в наличии
Шпилька
Количество на схеме: 4
Информация
Шпилька
Количество
4
81
81
Артикул: Гайка-М8-6Н-6-016-ГОСТ-5919-73
нет в наличии
Гайка М8-6Н.6.016 ГОСТ 5919-73
Количество на схеме: 7
Информация
Гайка М8-6Н.6.016 ГОСТ 5919-73
Количество
7
82
82
Артикул: Р75-037
нет в наличии
Пробка золотника
Количество на схеме: 2
Информация
Пробка золотника
Количество
2
83
83
Артикул: Р75-033
нет в наличии
Стакан нижний
Количество на схеме: 2
Информация
Стакан нижний
Количество
2
84
84
Артикул: Р75-035
нет в наличии
Пружина золотника
Количество на схеме: 2
Информация
Пружина золотника
Количество
2
85
85
Артикул: Р75-034
нет в наличии
Стакан верхний
Количество на схеме: 2
Информация
Стакан верхний
Количество
2
86
86
Артикул: Р75-1-031
нет в наличии
Обойма фиксатора
Количество на схеме: 2
Информация
Обойма фиксатора
Количество
2
87
87
Артикул: Р75-В-052
нет в наличии
Фильтр
Количество на схеме: 1
Информация
Фильтр
Количество
1
88
88
Артикул: Р75-В-028А
нет в наличии
Шайба уплотнительная
Количество на схеме: 2
Информация
Шайба уплотнительная
Количество
2
89
89
Артикул: Р75-В-027-А
нет в наличии
Гнездо клапана бустера
Количество на схеме: 1
Информация
Гнездо клапана бустера
Количество
1
90
90
Артикул: Р75-В-026
нет в наличии
Клапан бустера
Количество на схеме: 1
Информация
Клапан бустера
Количество
1
91
91
Артикул: Р75-В-045
нет в наличии
Направляющая клапана бустера
Количество на схеме: 1
Информация
Направляющая клапана бустера
Количество
1
92
92
Артикул: Р75-В-036
нет в наличии
Пружина бустера
Количество на схеме: 1
Информация
Пружина бустера
Количество
1
93
93
Артикул: Р75-В-046А
нет в наличии
Гильза золотника
Количество на схеме: 1
Информация
Гильза золотника
Количество
1
94
94
Артикул: Р75-В-044А
нет в наличии
Винт регулировочный
Количество на схеме: 1
Информация
Винт регулировочный
Количество
1
95
95
Артикул: Р75-Т-025
нет в наличии
Бустер
Количество на схеме: 1
Информация
Бустер
Количество
1
96
96
Артикул: Р75-Т-026
нет в наличии
Клапан перегрузочный
Количество на схеме: 1
Информация
Клапан перегрузочный
Количество
1
97
97
Артикул: Р75-065А
нет в наличии
Кольцо верхнее
Количество на схеме: 1
Информация
Кольцо верхнее
Количество
1
98
98
Артикул: Р75-Т-020
нет в наличии
Втулка верхней крышки
Количество на схеме: 1
Информация
Втулка верхней крышки
Количество
1
99
99
Артикул: НШ46-0505037
нет в наличии
Кольцо уплотннтельное
Количество на схеме: 2
Информация
Кольцо уплотннтельное
Количество
2
Модель
НШ46
Подгруппа
0505
Порядковый номер детали
037
100
100
Артикул: Р75-2-057
нет в наличии
Пластина колец
Количество на схеме: 1
Информация
Пластина колец
Количество
1
101
101
Артикул: Р75-056М
нет в наличии
Пыльник
Количество на схеме: 1
Информация
Пыльник
Количество
1
102
102
Артикул: Р75-2-055Б
нет в наличии
Пластина пыльника
Количество на схеме: 1
Информация
Пластина пыльника
Количество
1
103
103
Артикул: Гайка-М12х1,25-6Н--8-016-ГОСТ-11860-85
нет в наличии
Гайка М12х1,25-6Н. 8.016 ГОСТ 11860-85
Количество на схеме: 1
Информация
Гайка М12х1,25-6Н. 8.016 ГОСТ 11860-85
Количество
1
104
104
Артикул: Болт-М8-6gх16-88-016-ГОСТ-7796-70
нет в наличии
Болт М8-6gх16.88.016 ГОСТ 7796-70
Количество на схеме: 6
Информация
Болт М8-6gх16.88.016 ГОСТ 7796-70
Количество
6
105
105
Артикул: Шпонка-3х6,5-ГОСТ-24071-80
нет в наличии
Шпонка 3х6,5 ГОСТ 24071-80
Количество на схеме: 1
Информация
Шпонка 3х6,5 ГОСТ 24071-80
Количество
1
106
106
Артикул: Р75-054А
нет в наличии
Рычаг
Количество на схеме: 1
Информация
Рычаг
Количество
1
107
107
Артикул: Р75-064А
нет в наличии
Кольцо нижнее
Количество на схеме: 1
Информация
Кольцо нижнее
Количество
1
108
108
Артикул: НШ10-0101031
нет в наличии
Кольцо уплотнительное
Количество на схеме: 1
Информация
Кольцо уплотнительное
Количество
1
Модель
НШ10
Подгруппа
0101
Порядковый номер детали
031
109
109
Артикул: Р75-073А
нет в наличии
Направляющая перепускного клапана
Количество на схеме: 1
Информация
Направляющая перепускного клапана
Количество
1
110
110
Артикул: Р75-072
нет в наличии
Пружина перепускного клапана
Количество на схеме: 1
Информация
Пружина перепускного клапана
Количество
1
111
111
Артикул: Р40/75-0808041Б
нет в наличии
Клапан перепускной
Количество на схеме: 1
Информация
Клапан перепускной
Количество
1
Модель
Р40/75
Подгруппа
0808
Порядковый номер детали
041
112
112
Артикул: Р40/75-0808040А
нет в наличии
Гнездо клапана
Количество на схеме: 1
Информация
Гнездо клапана
Количество
1
Модель
Р40/75
Подгруппа
0808
Порядковый номер детали
040
113
113
Артикул: Болт-М10-6gх30--88-016-ГОСТ-7795-70
нет в наличии
Болт М10-6gх30. 88.016 ГОСТ 7795-70
Количество на схеме: 2
Информация
Болт М10-6gх30. 88.016 ГОСТ 7795-70
Количество
2
114
114
Артикул: Р75-071Г
нет в наличии
Упор
Количество на схеме: 1
Информация
Упор
Количество
1
115
115
Артикул: Кольцо-У-35х30-3-ГОСТ-8829-73
нет в наличии
Кольцо У-35х30-3 ГОСТ 8829-73
Количество на схеме: 1
Информация
Кольцо У-35х30-3 ГОСТ 8829-73
Количество
1
116
116
Артикул: Шарик-Б6,35-100-ГОСТ-3722-81
нет в наличии
Шарик Б6,35-100 ГОСТ 3722-81
Количество на схеме: 3
Информация
Шарик Б6,35-100 ГОСТ 3722-81
Количество
3
117
117
Артикул: Р75-1-024
нет в наличии
Золотник
Количество на схеме: 1
Информация
Золотник
Количество
1
118
118
Артикул: Р75-В-029
нет в наличии
Втулка фиксаторная
Количество на схеме: 1
Информация
Втулка фиксаторная
Количество
1
119
119
Артикул: Р75-В-032
нет в наличии
Пружина фиксатора
Количество на схеме: 1
Информация
Пружина фиксатора
Количество
1
120
120
Артикул: Р40/75-0808063А
нет в наличии
Гнездо клапана
Количество на схеме: 1
Информация
Гнездо клапана
Количество
1
Модель
Р40/75
Подгруппа
0808
Порядковый номер детали
063
121
121
Артикул: Шарик-Б5,556-100-ГОСТ-3722-81
нет в наличии
Шарик Б5,556-100 ГОСТ 3722-81
Количество на схеме: 1
Информация
Шарик Б5,556-100 ГОСТ 3722-81
Количество
1
122
122
Артикул: Р40/75-0808059А
нет в наличии
Направляющая
Количество на схеме: 1
Информация
Направляющая
Количество
1
Модель
Р40/75
Подгруппа
0808
Порядковый номер детали
059
123
123
Артикул: Р40/75-0808048А
нет в наличии
Пружина клапана
Количество на схеме: 1
Информация
Пружина клапана
Количество
1
Модель
Р40/75
Подгруппа
0808
Порядковый номер детали
048
124
124
Артикул: Р40/75-0808049А
нет в наличии
Винт регулировочный
Количество на схеме: 1
Информация
Винт регулировочный
Количество
1
Модель
Р40/75
Подгруппа
0808
Порядковый номер детали
049
125
125
Артикул: Р75-058Б
нет в наличии
Гайка
Количество на схеме: 1
Информация
Гайка
Количество
1
126
126
Артикул: Р75-051Б
нет в наличии
Колпачок
Количество на схеме: 1
Информация
Колпачок
Количество
1
127
127
Артикул: ШМ8х120
нет в наличии
Шпилька
Количество на схеме: 3
Информация
Шпилька
Количество
3
  • Грузовые автомобили
  • Автобусы
  • Сельхозтехника
  • Спецтехника
  • Двигатели
Получить оптовый прайс-лист
Скачать прайс-лист от 06.05.2026 16:00
Специальное предложение от 06.05.2026 17:00
Производители:


  • WEICHAI
  • Автодизель ПАО (ЯМЗ)
  • Тутаевский МЗ
  • ЯЗДА
  • УралАЗ
  • МАЗ
  • АЗПИ
  • BOSCH
  • ММЗ
  • ШААЗ
  • FEDERAL MOGUL
  • ПРАМО
  • Мотордеталь
  • ТАИМ
  • АвтоКрАЗ
  • БЕЛКАРД
  • CZ Strakonice
  • КамАЗ
  • БЗА
  • ЧМЗ
  • BMZ
Новости
Все новости
25 марта 2024
Флагманский седельный тягач «Валдай 45» на выставке «TransRussia»
10 марта 2024
Современные автобусы «CITYMAX 9» и ЛиАЗ-5292 CNG
25 февраля 2024
Серийное производство средних дизельных двигателей повышенной мощности от ЯМЗ
Статьи
Все статьи
Датчики двигателя: за что они отвечают, признаки неисправности и как не прогадать с выбором
Двигатели ЯМЗ-534: история, технические характеристики и области применения
Двигатели ЯМЗ 650: углублённый технический обзор и история
Компания
О компании
Реквизиты
Новости
Политика
Магазины
Информация
Условия оплаты
Условия доставки
Гарантия на товар
Обмен и возврат товара
Помощь
Как оформить заказ
Полезные статьи
Бренды
Пункты выдачи
Оставайтесь на связи
  • Вконтакте
  • YouTube
  • Одноклассники
  • Google Plus
Увидели ошибку?
Выделите, нажав Ctrl + Enter
Наши контакты
8-800-700-35-68
sales@din76.ru
г. Ярославль, Ленинградский пр-т 33, ТЦ "ОМЕГА"
2026 © ООО «Динамика 76» - Все права защищены ООО "Динамика 76"
Предложения на сайте не являются публичной офертой.
На сайте обнаружена ошибка

Текст с ошибкой