Избранное 0 Корзина 0 Личный кабинет
logo
Каталог
Каталог
  • Справочник
    • Грузовые автомобили
    • Автобусы
    • Сельхозтехника
    • Спецтехника
    • Двигатели
  • Доставка
  • Оплата
  • О компании
    • Реквизиты
    • Магазины
    • Оплата
    • Доставка
    • Лицензии и сертификаты
    • Новости
    • Вакансии
  • Контакты
Отправить заявку
Личный кабинет
8 (800) 700-35-68
sales@din76.ru
Избранное 0 Корзина 0
8 (800) 700-35-68
Оптовый прайс-лист
Каталог
  • Двигатели
  • Запчасти WEICHAI
  • Запчасти ЯМЗ, ТМЗ (V-образные)
  • Запчасти ЯМЗ-534, ЯМЗ-536
  • Запчасти ЯМЗ-650, ЯМЗ-651, DCi-11
  • Топливная аппаратура
  • Запчасти УРАЛ
  • Запчасти МАЗ
  • Запчасти КамАЗ
  • Запчасти ММЗ
  • Ремни
Автокаталог (справочник)
  • Доставка
  • Оплата
  • О компании
  • Контакты
8 (800) 700-35-68
Написать в Whatsapp
sales@din76.ru
Динамика 76
Меню  
  • Каталог
    • Двигатели  
      • Двигатели ТМЗ  
        • Двигатели ТМЗ для автомобилей
        • Двигатели ТМЗ для тракторов
        • Специальные двигатели ТМЗ
        • Промышленные двигатели ТМЗ
      • Двигатели ЯМЗ  
        • ЯМЗ 236
        • ЯМЗ 238
        • ЯМЗ 240
        • ЯМЗ 751
        • ЯМЗ 840
        • ЯМЗ 850
        • ЯМЗ 656
        • ЯМЗ 658
        • ЯМЗ 534
        • ЯМЗ 536
        • ЯМЗ 650
        • Двигатели ЯМЗ для электростанций
      • Двигатели КАМАЗ
      • Двигатели ММЗ
      • Двигатели индивидуальной сборки
      • Комплекты переоборудования
    • Запчасти WEICHAI  
      • Основные запчасти двигателя  
        • Клапаны и толкатели
        • Шатуны
        • Вал коленчатый и маховик
        • Вал распределительный
        • Цилиндро-поршневая группа
      • Система питания  
        • Форсунки
        • Турбокомпрессор
      • Система смазки  
        • Насос масляный
      • Головка блока
      • Ремкомплекты
      • Система охлаждения  
        • Насос водяной
        • Муфта вязкостная и крыльчатка
      • Фильтры
      • Электрооборудование  
        • Генератор
        • Стартер
    • Запчасти ЯМЗ, ТМЗ (V-образные)  
      • Основные запчасти двигателя  
        • Блок двигателя и комплектующие
        • Валы распределительные и клапаны
        • Головка блока и комплектующие
        • Цилиндро-поршневая группа
        • Маховики и комплектующие
        • Валы коленчатые и комплектующие
        • Шатуны и комплектующие
      • Система питания  
        • Коллекторы и патрубки
        • Топливные трубопроводы
        • Турбокомпрессор
        • Топливные фильтры
      • Электрооборудование двигателя
      • Система охлаждения  
        • Вязкостные муфты и крыльчатки
        • Приводы вентилятора
        • Водяные насосы
        • Водяные трубы и термостаты
      • Коробки переключения передач  
        • 8 Ступенчатые КПП
        • 5 Ступенчатые КПП
        • 9 Ступенчатые КПП
        • Запасные части КПП ЯМЗ, ТМЗ
      • Система смазки  
        • Теплообменник и комплектующие
        • Масляные насосы
        • Фильтры масляные (ФГОМ, ФЦОМ)
      • Сцепление  
        • Запасные части механизма сцепления
        • Муфты (подшипники выжимные)
        • Корзины (диски нажимные)
        • Диски ведомые
      • Прочие запчасти двигателя  
        • Ремкомплекты
        • Привод агрегатов
        • Натяжные устройства
        • Трубки
    • Запчасти ЯМЗ-534, ЯМЗ-536  
      • Основные запчасти двигателя  
        • Цилиндро-поршневая группа
        • Головка блока цилиндров и комплектующие
        • Блок цилиндров и комплектующие
        • Вал коленчатый и маховик
        • Вал распределительный
        • Клапаны и толкатели
        • ГУР (Гидроусилитель руля)
        • Система рециркуляции отработавших газов
        • Выпускной коллектор
      • Система питания  
        • Коллекторы и патрубки
        • Топливные фильтры
        • Турбокомпрессор
        • Топливные трубопроводы
      • Система смазки  
        • Масляный картер поддон
        • Масляный насос
        • Теплообменник /Водо-масляный радиатор
        • Фильтры масляные (ФГОМ, ФЦОМ)
      • Пневмокомпрессор и натяжное
      • Система охлаждения  
        • Водяной насос
        • Водяные трубы и патрубки
        • Муфты вязкостные, приводы, крыльчатки
      • Ремкомплекты
      • Сцепление
      • Электрооборудование
    • Запчасти ЯМЗ-650, ЯМЗ-651, DCi-11  
      • Основные запчасти двигателя  
        • Цилиндро-поршневая группа
        • Головка блока цилиндров и комплектующие
        • Блок цилиндров и комплектующие
        • Вал коленчатый и маховик
        • Выпускной коллектор
        • Вал распределительный
        • Клапаны и толкатели
        • ГУР (Гидроусилитель руля)
        • Система рециркуляции отработавших газов
      • Система питания  
        • Коллекторы и патрубки
        • Топливные трубопроводы
        • Топливные фильтры
        • Турбокомпрессор
      • Система смазки  
        • Масляный картер / поддон
        • Масляный насос
        • Теплообменник / Водо-масляный радиатор
        • Фильтры масляные (ФГОМ, ФЦОМ)
      • Система охлаждения  
        • Водяной насос
        • Водяные трубы и патрубки
        • Муфты вязкостные, приводы, крыльчатки
      • Ремкомплекты
      • Пневмокомпрессор и натяжное
      • Электрооборудование
      • Сцепление
    • Топливная аппаратура  
      • ЯЗДА  
        • Распылители
        • ТНВД
        • Форсунки
        • Топливный насос низкого давления
        • Пары плунжерные
        • Муфта опережения впрыска топлива
        • Запчасти и комплектующие ТНВД
      • НЗТА
      • АЗПИ  
        • Распылители
        • Форсунки
      • BOSCH
    • Запчасти УРАЛ  
      • Трансмиссия  
        • Коробка раздаточная
        • Передача карданная
        • Мост задний
        • Мост передний (ведущий)
        • Мост средний (промежуточный)
      • Кузов  
        • Дверь кабины
        • Капот, крылья, облицовка радиатора
        • Окно ветровое и заднее
        • Отопление и вентиляция кабины
        • Кабина
      • Механизмы управления  
        • Управление рулевое
        • Тормоза
      • Дополнительное оборудование  
        • Отбор мощности
        • Устройство седельное
      • Электрооборудование
      • Ходовая часть  
        • Колеса и ступицы
        • Ось передняя
        • Подвеска автомобиля
        • Рама
    • Запчасти МАЗ  
      • Трансмиссия  
        • Мост задний
        • Мост передний (ведущий)
        • Передача карданная
        • Мост средний (промежуточный)
      • Кузов  
        • Кабина
        • Дверь кабины
        • Детали основания кабины
        • Окно ветровое и заднее
        • Платформа
      • Механизмы управления  
        • Тормоза
        • Управление рулевое
      • Ходовая часть  
        • Колеса и ступицы
        • Ось передняя
        • Подвеска автомобиля
        • Рама
    • Запчасти КамАЗ  
      • Кузов  
        • Кабина
        • Капот, крылья, облицовка радиатора
        • Дверь кабины
        • Платформа
        • Окно ветровое и заднее
        • Устройство подъемное и опрокидывающее
        • Сиденье
        • Крыша кабины (крыша кузова)
        • Отопление и вентиляция кабины
      • Трансмиссия  
        • Коробка передач
        • Коробка раздаточная
        • Мост задний
        • Сцепление
        • Мост средний (промежуточный)
        • Передача карданная
        • Мост передний (ведущий)
      • Двигатель  
        • Основные запчасти двигателя
        • Система охлаждения
        • Система питания
        • Система смазки
      • Дополнительное оборудование  
        • Отбор мощности
        • Устройство седельное
      • Ходовая часть  
        • Подвеска автомобиля
        • Рама
        • Колеса и ступицы
        • Ось передняя
      • Механизмы управления  
        • Тормоза
        • Управление рулевое
      • Электрооборудование
    • Запчасти ММЗ
    • Ремни
  • Справочник
    • Грузовые автомобили
    • Автобусы
    • Сельхозтехника
    • Спецтехника
    • Двигатели
  • Как купить
    • Условия оплаты
    • Условия доставки
    • Гарантия на товар
    • Пункты выдачи
  • Услуги
    • Капитальный ремонт двигателей ЯМЗ
  • Акции
  • Статьи
  • Контакты
  • Компания
    • Реквизиты
    • Магазины
    • Оплата
    • Доставка
    • Лицензии и сертификаты
    • Новости
    • Вакансии
Избранное 0 Корзина 0
8-800-700-35-68

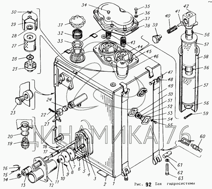
Бак гидросистемы на ТТ-4М

Справочник
Главная
-
Автокаталог
-
Спецтехника
-
АТЗ
-
ТТ-4М
Справочный каталог

Бак гидросистемы — ТТ-4М:

А70.02.000 1 2 3 4 5 6 7 8 9 10 11 12 13 14 15 16 17 18 19 20 21 22 23 24 25 26 27 28 29 30 31 32 33 34 35 36 37 38 39 40 41 42 43 44 45 46 47 48 49 50 51 52 53 54 55 56 57 58 59 60 61 62 63
в наличии
нет в наличии
масштаб

В наличии
Нет в наличии

Перечень комплектующих от Бак гидросистемы на ТТ-4М

Схемы запчастей предназначены для справочных целей! Мы продаем не все запчасти от Бак гидросистемы на ТТ-4М, представленные в этом списке.
Наличие на складах по деталям с ценой смотрите в карточке товара.
Артикул: А70-02-000
нет в наличии
Уровнемер
Количество на схеме: 2
Информация
Уровнемер
Количество
2
1
1
Артикул: МТ4-57-003
нет в наличии
Корпус бака
Количество на схеме: 1
Информация
Корпус бака
Количество
1
2
2
Артикул: МТ4-57-135
нет в наличии
Подкладка
Количество на схеме: 2
Информация
Подкладка
Количество
2
3
3
Артикул: МТ4-57-115
нет в наличии
Прокладка
Количество на схеме: 1
Информация
Прокладка
Количество
1
4
4
Артикул: Шайба-12-65Г-096-ГОСТ-6402-70
нет в наличии
Шайба 12 65Г 096 ГОСТ 6402-70
Количество на схеме: 4
Информация
Шайба 12 65Г 096 ГОСТ 6402-70
Количество
4
5
5
Артикул: МТ4-57-124
нет в наличии
Наконечник
Количество на схеме: 1
Информация
Наконечник
Количество
1
6
6
Артикул: Болт-М12-6gх25-88-016-ГОСТ-7796-70
нет в наличии
Болт М12-6gх25.88.016 ГОСТ 7796-70
Количество на схеме: 4
Информация
Болт М12-6gх25.88.016 ГОСТ 7796-70
Количество
4
7
7
Артикул: МТ4-57-123
нет в наличии
Накладка
Количество на схеме: 1
Информация
Накладка
Количество
1
8
8
Артикул: МТ4-57-125
нет в наличии
Прокладка
Количество на схеме: 1
Информация
Прокладка
Количество
1
9
9
Артикул: Шплинт-3,2х25-016-ГОСТ-397-79
нет в наличии
Шплинт 3,2х25.016 ГОСТ 397-79
Количество на схеме: 1
Информация
Шплинт 3,2х25.016 ГОСТ 397-79
Количество
1
10
10
Артикул: МТ4-57-127
нет в наличии
Накладка
Количество на схеме: 1
Информация
Накладка
Количество
1
11
11
Артикул: Гайка-М12-1,25-6Н-6А-016-ГОСТ-5932-73
нет в наличии
Гайка М12-1,25-6Н.6А.016 ГОСТ 5932-73
Количество на схеме: 1
Информация
Гайка М12-1,25-6Н.6А.016 ГОСТ 5932-73
Количество
1
12
12
Артикул: МТ4-57-015
нет в наличии
Корпус затвора
Количество на схеме: 1
Информация
Корпус затвора
Количество
1
13
13
Артикул: МТ4-57-151
нет в наличии
Рукоятка
Количество на схеме: 1
Информация
Рукоятка
Количество
1
14
14
Артикул: МТ4-57-130
нет в наличии
Кольцо
Количество на схеме: 1
Информация
Кольцо
Количество
1
15
15
Артикул: Проволока-1,6-0-1Ц-ГОСТ-3282-74,-L=75мм
нет в наличии
Проволока 1,6-0-1Ц ГОСТ 3282-74, L=75мм
Количество на схеме: 1
Информация
Проволока 1,6-0-1Ц ГОСТ 3282-74, L=75мм
Количество
1
16
16
Артикул: Болт-3М6-6gх14-88-016-ГОСТ-7798-70
нет в наличии
Болт 3М6-6gх14.88.016 ГОСТ 7798-70
Количество на схеме: 1
Информация
Болт 3М6-6gх14.88.016 ГОСТ 7798-70
Количество
1
17
17
Артикул: МТ4-57-007
нет в наличии
Стержень
Количество на схеме: 1
Информация
Стержень
Количество
1
18
18
Артикул: Г48-70-136
нет в наличии
Кольцо
Количество на схеме: 2
Информация
Кольцо
Количество
2
19
19
Артикул: 54-38-028-2
нет в наличии
Пробка магнитная
Количество на схеме: 1
Информация
Пробка магнитная
Количество
1
20
20
Артикул: 54-38-643
нет в наличии
Кольцо уплотняющее
Количество на схеме: 1
Информация
Кольцо уплотняющее
Количество
1
21
21
Артикул: Н-036-01-007
нет в наличии
Гайка накидная
Количество на схеме: 1
Информация
Гайка накидная
Количество
1
22
22
Артикул: Шплинт-4х40-016-ГОСТ-397-79
нет в наличии
Шплинт 4х40.016 ГОСТ 397-79
Количество на схеме: 1
Информация
Шплинт 4х40.016 ГОСТ 397-79
Количество
1
23
23
Артикул: Пробка-КГ3/8"А12-016-ОСТ-23-1-117-83
нет в наличии
Пробка КГ3/8"А12.016 ОСТ 23.1.117-83
Количество на схеме: 1
Информация
Пробка КГ3/8"А12.016 ОСТ 23.1.117-83
Количество
1
24
24
Артикул: НО36-12-051
нет в наличии
Заглушка сферическая
Количество на схеме: 1
Информация
Заглушка сферическая
Количество
1
25
25
Артикул: А70-03-010-01
нет в наличии
Корпус
Количество на схеме: 1
Информация
Корпус
Количество
1
26
26
Артикул: Т4-40-164
нет в наличии
Кольцо У-45х40-2, ГОСТ 9833-61
Количество на схеме: 1
Информация
Кольцо У-45х40-2, ГОСТ 9833-61
Количество
1
27
27
Артикул: 496-00-00-00
нет в наличии
Элемент фильтрующий воздушный ЭФВ-3-1А
Количество на схеме: 1
Информация
Элемент фильтрующий воздушный ЭФВ-3-1А
Количество
1
28
28
Артикул: Т4-47-116
нет в наличии
Кольцо уплотнительное
Количество на схеме: 1
Информация
Кольцо уплотнительное
Количество
1
29
29
Артикул: А70-03-002-01
нет в наличии
Крышка верхняя
Количество на схеме: 1
Информация
Крышка верхняя
Количество
1
30
30
Артикул: Гайка--М6-6Н-45Л--016-ГОСТ-3032-76
нет в наличии
Гайка. М6-6Н.45Л. 016 ГОСТ 3032-76
Количество на схеме: 1
Информация
Гайка. М6-6Н.45Л. 016 ГОСТ 3032-76
Количество
1
31
31
Артикул: МТ4-50-013
нет в наличии
Переходник краника
Количество на схеме: 1
Информация
Переходник краника
Количество
1
32
32
Артикул: МО4-50-174
нет в наличии
Пружина
Количество на схеме: 1
Информация
Пружина
Количество
1
33
33
Артикул: МО4-50-037
нет в наличии
Фильтр
Количество на схеме: 1
Информация
Фильтр
Количество
1
34
34
Артикул: Пробка-КГ1/8"А12-016-ОСТ-23-1-117-83
нет в наличии
Пробка КГ1/8"А12.016 ОСТ 23.1.117-83
Количество на схеме: 1
Информация
Пробка КГ1/8"А12.016 ОСТ 23.1.117-83
Количество
1
35
35
Артикул: Болт-М10-6gх30-88-016-ГОСТ-7796-70
нет в наличии
Болт М10-6gх30.88.016 ГОСТ 7796-70
Количество на схеме: 7
Информация
Болт М10-6gх30.88.016 ГОСТ 7796-70
Количество
7
36
36
Артикул: Шайба-10-65Г-096-ГОСТ-6402-70
нет в наличии
Шайба 10 65Г 096 ГОСТ 6402-70
Количество на схеме: 5
Информация
Шайба 10 65Г 096 ГОСТ 6402-70
Количество
5
37
37
Артикул: МТ4-57-105
нет в наличии
Крышка
Количество на схеме: 1
Информация
Крышка
Количество
1
38
38
Артикул: МТ4-57-166
нет в наличии
Прокладка
Количество на схеме: 1
Информация
Прокладка
Количество
1
39
39
Артикул: МТ4-57-185
нет в наличии
Направляющая клапана
Количество на схеме: 1
Информация
Направляющая клапана
Количество
1
40
40
Артикул: МТ4-57-187
нет в наличии
Пружина
Количество на схеме: 1
Информация
Пружина
Количество
1
41
41
Артикул: МТ4-57-186
нет в наличии
Клапан
Количество на схеме: 1
Информация
Клапан
Количество
1
42
42
Артикул: МТ4-57-009
нет в наличии
Труба фильтра
Количество на схеме: 2
Информация
Труба фильтра
Количество
2
43
43
Артикул: МТ4-57-196
нет в наличии
Пружина
Количество на схеме: 1
Информация
Пружина
Количество
1
44
44
Артикул: МТ4-57-199
нет в наличии
Манжета
Количество на схеме: 2
Информация
Манжета
Количество
2
45
45
Артикул: МТ4-57-008
нет в наличии
Фильтр
Количество на схеме: 2
Информация
Фильтр
Количество
2
46
46
Артикул: А70-03-000-01
нет в наличии
Сапун
Количество на схеме: 1
Информация
Сапун
Количество
1
47
47
Артикул: Шплинт-3,2х18-016-ГОСТ-397-79
нет в наличии
Шплинт 3,2х18.016 ГОСТ 397-79
Количество на схеме: 4
Информация
Шплинт 3,2х18.016 ГОСТ 397-79
Количество
4
48
48
Артикул: МТ4-37-309
нет в наличии
Палец
Количество на схеме: 4
Информация
Палец
Количество
4
49
49
Артикул: МТ4-57-119
нет в наличии
Лента
Количество на схеме: 4
Информация
Лента
Количество
4
50
50
Артикул: А70-02-003
нет в наличии
Манжета
Количество на схеме: 2
Информация
Манжета
Количество
2
51
51
Артикул: А70-02-002
нет в наличии
Отражатель
Количество на схеме: 2
Информация
Отражатель
Количество
2
52
52
Артикул: А70-02-001
нет в наличии
Стекло
Количество на схеме: 2
Информация
Стекло
Количество
2
53
53
Артикул: П4-57-165
нет в наличии
Крышка
Количество на схеме: 2
Информация
Крышка
Количество
2
54
54
Артикул: Шайба-8-65Г-096-ГОСТ-6402-70
нет в наличии
Шайба 8 65Г 096 ГОСТ 6402-70
Количество на схеме: 4
Информация
Шайба 8 65Г 096 ГОСТ 6402-70
Количество
4
55
55
Артикул: Болт-М8-6gх14-88-016-ГОСТ-7796-70
нет в наличии
Болт М8-6gх14.88.016 ГОСТ 7796-70
Количество на схеме: 4
Информация
Болт М8-6gх14.88.016 ГОСТ 7796-70
Количество
4
56
56
Артикул: МТ4-57-184
нет в наличии
Кольцо
Количество на схеме: 2
Информация
Кольцо
Количество
2
57
57
Артикул: 761-00-00-00
нет в наличии
Элемент фильтрующий
Количество на схеме: 1
Информация
Элемент фильтрующий
Количество
1
58
58
Артикул: МТ4-57-010
нет в наличии
Корпус фильтра
Количество на схеме: 2
Информация
Корпус фильтра
Количество
2
59
59
Артикул: Шплинт-5х50-016-ГОСТ-397-79
нет в наличии
Шплинт 5х50.016 ГОСТ 397-79
Количество на схеме: 1
Информация
Шплинт 5х50.016 ГОСТ 397-79
Количество
1
60
60
Артикул: МТ4-50-111
нет в наличии
Штуцер
Количество на схеме: 1
Информация
Штуцер
Количество
1
61
61
Артикул: МТ4-57-311
нет в наличии
Палец
Количество на схеме: 4
Информация
Палец
Количество
4
62
62
Артикул: Шайба-16ОТ-65Г-096-ГОСТ-6402-70
нет в наличии
Шайба 16ОТ 65Г 096 ГОСТ 6402-70
Количество на схеме: 4
Информация
Шайба 16ОТ 65Г 096 ГОСТ 6402-70
Количество
4
63
63
Артикул: МТ4-57-319
нет в наличии
Болт
Количество на схеме: 4
Информация
Болт
Количество
4
  • Грузовые автомобили
  • Автобусы
  • Сельхозтехника
  • Спецтехника
  • Двигатели
Получить оптовый прайс-лист
Скачать прайс-лист от 06.05.2026 16:00
Специальное предложение от 06.05.2026 17:00
Производители:


  • WEICHAI
  • Автодизель ПАО (ЯМЗ)
  • Тутаевский МЗ
  • ЯЗДА
  • УралАЗ
  • МАЗ
  • АЗПИ
  • BOSCH
  • ММЗ
  • ШААЗ
  • FEDERAL MOGUL
  • ПРАМО
  • Мотордеталь
  • ТАИМ
  • АвтоКрАЗ
  • БЕЛКАРД
  • CZ Strakonice
  • КамАЗ
  • БЗА
  • ЧМЗ
  • BMZ
Новости
Все новости
25 марта 2024
Флагманский седельный тягач «Валдай 45» на выставке «TransRussia»
10 марта 2024
Современные автобусы «CITYMAX 9» и ЛиАЗ-5292 CNG
25 февраля 2024
Серийное производство средних дизельных двигателей повышенной мощности от ЯМЗ
Статьи
Все статьи
Датчики двигателя: за что они отвечают, признаки неисправности и как не прогадать с выбором
Двигатели ЯМЗ-534: история, технические характеристики и области применения
Двигатели ЯМЗ 650: углублённый технический обзор и история
Компания
О компании
Реквизиты
Новости
Политика
Магазины
Информация
Условия оплаты
Условия доставки
Гарантия на товар
Обмен и возврат товара
Помощь
Как оформить заказ
Полезные статьи
Бренды
Пункты выдачи
Оставайтесь на связи
  • Вконтакте
  • YouTube
  • Одноклассники
  • Google Plus
Увидели ошибку?
Выделите, нажав Ctrl + Enter
Наши контакты
8-800-700-35-68
sales@din76.ru
г. Ярославль, Ленинградский пр-т 33, ТЦ "ОМЕГА"
2026 © ООО «Динамика 76» - Все права защищены ООО "Динамика 76"
Предложения на сайте не являются публичной офертой.
На сайте обнаружена ошибка

Текст с ошибкой