Избранное 0 Корзина 0 Личный кабинет
logo
Каталог
Каталог
  • Справочник
    • Грузовые автомобили
    • Автобусы
    • Сельхозтехника
    • Спецтехника
    • Двигатели
  • Доставка
  • Оплата
  • О компании
    • Реквизиты
    • Магазины
    • Оплата
    • Доставка
    • Лицензии и сертификаты
    • Новости
    • Вакансии
  • Контакты
Отправить заявку
Личный кабинет
8 (800) 700-35-68
sales@din76.ru
Избранное 0 Корзина 0
8 (800) 700-35-68
Оптовый прайс-лист
Каталог
  • Двигатели
  • Запчасти WEICHAI
  • Запчасти ЯМЗ, ТМЗ (V-образные)
  • Запчасти ЯМЗ-534, ЯМЗ-536
  • Запчасти ЯМЗ-650, ЯМЗ-651, DCi-11
  • Топливная аппаратура
  • Запчасти УРАЛ
  • Запчасти МАЗ
  • Запчасти КамАЗ
  • Запчасти ММЗ
  • Ремни
Автокаталог (справочник)
  • Доставка
  • Оплата
  • О компании
  • Контакты
8 (800) 700-35-68
Написать в Whatsapp
sales@din76.ru
Динамика 76
Меню  
  • Каталог
    • Двигатели  
      • Двигатели ТМЗ  
        • Двигатели ТМЗ для автомобилей
        • Двигатели ТМЗ для тракторов
        • Специальные двигатели ТМЗ
        • Промышленные двигатели ТМЗ
      • Двигатели ЯМЗ  
        • ЯМЗ 236
        • ЯМЗ 238
        • ЯМЗ 240
        • ЯМЗ 751
        • ЯМЗ 840
        • ЯМЗ 850
        • ЯМЗ 656
        • ЯМЗ 658
        • ЯМЗ 534
        • ЯМЗ 536
        • ЯМЗ 650
        • Двигатели ЯМЗ для электростанций
      • Двигатели КАМАЗ
      • Двигатели ММЗ
      • Двигатели индивидуальной сборки
      • Комплекты переоборудования
    • Запчасти WEICHAI  
      • Основные запчасти двигателя  
        • Клапаны и толкатели
        • Шатуны
        • Вал коленчатый и маховик
        • Вал распределительный
        • Цилиндро-поршневая группа
      • Система питания  
        • Форсунки
        • Турбокомпрессор
      • Система смазки  
        • Насос масляный
      • Головка блока
      • Ремкомплекты
      • Система охлаждения  
        • Насос водяной
        • Муфта вязкостная и крыльчатка
      • Фильтры
      • Электрооборудование  
        • Генератор
        • Стартер
    • Запчасти ЯМЗ, ТМЗ (V-образные)  
      • Основные запчасти двигателя  
        • Блок двигателя и комплектующие
        • Валы распределительные и клапаны
        • Головка блока и комплектующие
        • Цилиндро-поршневая группа
        • Маховики и комплектующие
        • Валы коленчатые и комплектующие
        • Шатуны и комплектующие
      • Система питания  
        • Коллекторы и патрубки
        • Топливные трубопроводы
        • Турбокомпрессор
        • Топливные фильтры
      • Электрооборудование двигателя
      • Система охлаждения  
        • Вязкостные муфты и крыльчатки
        • Приводы вентилятора
        • Водяные насосы
        • Водяные трубы и термостаты
      • Коробки переключения передач  
        • 8 Ступенчатые КПП
        • 5 Ступенчатые КПП
        • 9 Ступенчатые КПП
        • Запасные части КПП ЯМЗ, ТМЗ
      • Система смазки  
        • Теплообменник и комплектующие
        • Масляные насосы
        • Фильтры масляные (ФГОМ, ФЦОМ)
      • Сцепление  
        • Запасные части механизма сцепления
        • Муфты (подшипники выжимные)
        • Корзины (диски нажимные)
        • Диски ведомые
      • Прочие запчасти двигателя  
        • Ремкомплекты
        • Привод агрегатов
        • Натяжные устройства
        • Трубки
    • Запчасти ЯМЗ-534, ЯМЗ-536  
      • Основные запчасти двигателя  
        • Цилиндро-поршневая группа
        • Головка блока цилиндров и комплектующие
        • Блок цилиндров и комплектующие
        • Вал коленчатый и маховик
        • Вал распределительный
        • Клапаны и толкатели
        • ГУР (Гидроусилитель руля)
        • Система рециркуляции отработавших газов
        • Выпускной коллектор
      • Система питания  
        • Коллекторы и патрубки
        • Топливные фильтры
        • Турбокомпрессор
        • Топливные трубопроводы
      • Система смазки  
        • Масляный картер поддон
        • Масляный насос
        • Теплообменник /Водо-масляный радиатор
        • Фильтры масляные (ФГОМ, ФЦОМ)
      • Пневмокомпрессор и натяжное
      • Система охлаждения  
        • Водяной насос
        • Водяные трубы и патрубки
        • Муфты вязкостные, приводы, крыльчатки
      • Ремкомплекты
      • Сцепление
      • Электрооборудование
    • Запчасти ЯМЗ-650, ЯМЗ-651, DCi-11  
      • Основные запчасти двигателя  
        • Цилиндро-поршневая группа
        • Головка блока цилиндров и комплектующие
        • Блок цилиндров и комплектующие
        • Вал коленчатый и маховик
        • Выпускной коллектор
        • Вал распределительный
        • Клапаны и толкатели
        • ГУР (Гидроусилитель руля)
        • Система рециркуляции отработавших газов
      • Система питания  
        • Коллекторы и патрубки
        • Топливные трубопроводы
        • Топливные фильтры
        • Турбокомпрессор
      • Система смазки  
        • Масляный картер / поддон
        • Масляный насос
        • Теплообменник / Водо-масляный радиатор
        • Фильтры масляные (ФГОМ, ФЦОМ)
      • Система охлаждения  
        • Водяной насос
        • Водяные трубы и патрубки
        • Муфты вязкостные, приводы, крыльчатки
      • Ремкомплекты
      • Пневмокомпрессор и натяжное
      • Электрооборудование
      • Сцепление
    • Топливная аппаратура  
      • ЯЗДА  
        • Распылители
        • ТНВД
        • Форсунки
        • Топливный насос низкого давления
        • Пары плунжерные
        • Муфта опережения впрыска топлива
        • Запчасти и комплектующие ТНВД
      • НЗТА
      • АЗПИ  
        • Распылители
        • Форсунки
      • BOSCH
    • Запчасти УРАЛ  
      • Трансмиссия  
        • Коробка раздаточная
        • Передача карданная
        • Мост задний
        • Мост передний (ведущий)
        • Мост средний (промежуточный)
      • Кузов  
        • Дверь кабины
        • Капот, крылья, облицовка радиатора
        • Окно ветровое и заднее
        • Отопление и вентиляция кабины
        • Кабина
      • Механизмы управления  
        • Управление рулевое
        • Тормоза
      • Дополнительное оборудование  
        • Отбор мощности
        • Устройство седельное
      • Электрооборудование
      • Ходовая часть  
        • Колеса и ступицы
        • Ось передняя
        • Подвеска автомобиля
        • Рама
    • Запчасти МАЗ  
      • Трансмиссия  
        • Мост задний
        • Мост передний (ведущий)
        • Передача карданная
        • Мост средний (промежуточный)
      • Кузов  
        • Кабина
        • Дверь кабины
        • Детали основания кабины
        • Окно ветровое и заднее
        • Платформа
      • Механизмы управления  
        • Тормоза
        • Управление рулевое
      • Ходовая часть  
        • Колеса и ступицы
        • Ось передняя
        • Подвеска автомобиля
        • Рама
    • Запчасти КамАЗ  
      • Кузов  
        • Кабина
        • Капот, крылья, облицовка радиатора
        • Дверь кабины
        • Платформа
        • Окно ветровое и заднее
        • Устройство подъемное и опрокидывающее
        • Сиденье
        • Крыша кабины (крыша кузова)
        • Отопление и вентиляция кабины
      • Трансмиссия  
        • Коробка передач
        • Коробка раздаточная
        • Мост задний
        • Сцепление
        • Мост средний (промежуточный)
        • Передача карданная
        • Мост передний (ведущий)
      • Двигатель  
        • Основные запчасти двигателя
        • Система охлаждения
        • Система питания
        • Система смазки
      • Дополнительное оборудование  
        • Отбор мощности
        • Устройство седельное
      • Ходовая часть  
        • Подвеска автомобиля
        • Рама
        • Колеса и ступицы
        • Ось передняя
      • Механизмы управления  
        • Тормоза
        • Управление рулевое
      • Электрооборудование
    • Запчасти ММЗ
    • Ремни
  • Справочник
    • Грузовые автомобили
    • Автобусы
    • Сельхозтехника
    • Спецтехника
    • Двигатели
  • Как купить
    • Условия оплаты
    • Условия доставки
    • Гарантия на товар
    • Пункты выдачи
  • Услуги
    • Капитальный ремонт двигателей ЯМЗ
  • Акции
  • Статьи
  • Контакты
  • Компания
    • Реквизиты
    • Магазины
    • Оплата
    • Доставка
    • Лицензии и сертификаты
    • Новости
    • Вакансии
Избранное 0 Корзина 0
8-800-700-35-68

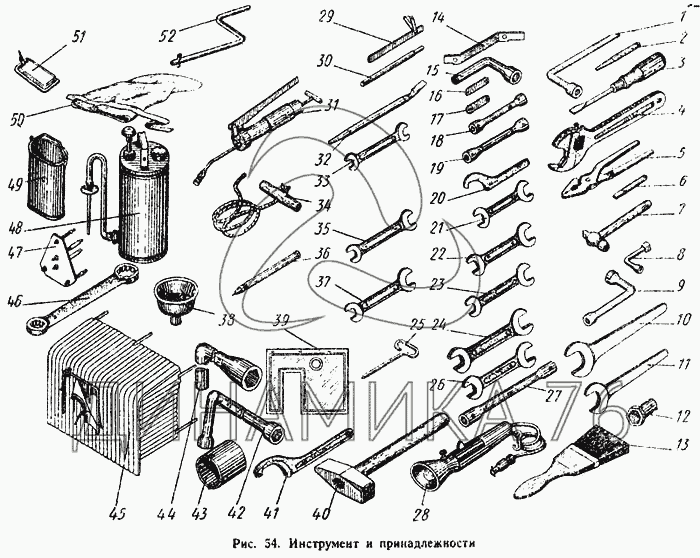
Инструмент и принадлежности на ТТ-4 (до 1972 г.)

Справочник
Главная
-
Автокаталог
-
Спецтехника
-
АТЗ
-
ТТ-4
Справочный каталог

Инструмент и принадлежности — ТТ-4:

1 2 3 4 5 6 7 8 9 10 11 12 13 14 15 16 17 18 19 20 21 22 23 24 25 26 27 28 29 30 31 32 33 34 35 36 37 38 39 40 41 42 43 44 45 46 47 48 49 50 51 52
в наличии
нет в наличии
масштаб

В наличии
Нет в наличии

Перечень комплектующих от Инструмент и принадлежности на ТТ-4

Схемы запчастей предназначены для справочных целей! Мы продаем не все запчасти от Инструмент и принадлежности на ТТ-4, представленные в этом списке.
Наличие на складах по деталям с ценой смотрите в карточке товара.
1
1
Артикул: ИТ-145
нет в наличии
Ключ торцовый 24
Количество на схеме: 1
Информация
Ключ торцовый 24
Количество
1
Масса;Материал;
1,035;Сталь 45;
2
2
Артикул: ИТ-005
нет в наличии
Бородок слесарный диаметром 4, ГОСТ 7214-54
Количество на схеме: 1
Информация
Бородок слесарный диаметром 4, ГОСТ 7214-54
Количество
1
Масса;Материал;
0,057;Сталь У7А;
3
3
Артикул: ИТ-006А
нет в наличии
Отвертка
Количество на схеме: 1
Информация
Отвертка
Количество
1
Масса;Материал;
0,193;;
4
4
Артикул: ИТ-003А
нет в наличии
Ключ гаечный разводной 46, ГОСТ 7275-62
Количество на схеме: 1
Информация
Ключ гаечный разводной 46, ГОСТ 7275-62
Количество
1
Масса;Материал;
0,715;;
5
5
Артикул: ИТ-002
нет в наличии
Пассатижи
Количество на схеме: 1
Информация
Пассатижи
Количество
1
Масса;Материал;
0,515;;
6
6
Артикул: ИТ-004
нет в наличии
Зубило слесарное 15Х60°, ГОСТ 7211-54
Количество на схеме: 1
Информация
Зубило слесарное 15Х60°, ГОСТ 7211-54
Количество
1
Масса;Материал;
0,158;Сталь У7А;
7
7
Артикул: ИТ-001
нет в наличии
Молоток слесарный 0,8 кг
Количество на схеме: 1
Информация
Молоток слесарный 0,8 кг
Количество
1
Масса;Материал;
0,870;;
8
8
Артикул: 60-45-028
нет в наличии
Ключ торцовый 11-19
Количество на схеме: 1
Информация
Ключ торцовый 11-19
Количество
1
Масса;Материал;
0,650;Сталь 45;
9
9
Артикул: 12-45-26
нет в наличии
Ключ торцовый специальный 19-24
Количество на схеме: 1
Информация
Ключ торцовый специальный 19-24
Количество
1
Масса;Материал;
0,295;Сталь 45;
10
10
Артикул: 60-45-013А
нет в наличии
Ключ 60 ГОСТ 2841-62
Количество на схеме: 1
Информация
Ключ 60 ГОСТ 2841-62
Количество
1
Масса;Материал;
1,970;Сталь 45;
11
11
Артикул: 04-49-141
нет в наличии
Ключ гаечный односторонний 55
Количество на схеме: 1
Информация
Ключ гаечный односторонний 55
Количество
1
Масса;Материал;
2,101;Сталь 45;
12
12
Артикул: 60-45-011
нет в наличии
Ключ торцовый специальный 36
Количество на схеме: 1
Информация
Ключ торцовый специальный 36
Количество
1
Масса;Материал;
0,380;Сталь 40Х;
13
13
Артикул: 7-49-027
нет в наличии
Щетка
Количество на схеме: 1
Информация
Щетка
Количество
1
Масса;Материал;
0,060;;
14
14
Артикул: 6Т2-4922
нет в наличии
Шаблон для регулирования муфты главного сцепления
Количество на схеме: 1
Информация
Шаблон для регулирования муфты главного сцепления
Количество
1
Масса;Материал;
;;
15
15
Артикул: 6Т2-4902
нет в наличии
Ключ торцовый 32
Количество на схеме: 1
Информация
Ключ торцовый 32
Количество
1
Масса;Материал;
;;
16
16
Артикул: 6Т2-4903
нет в наличии
Щуп
Количество на схеме: 1
Информация
Щуп
Количество
1
Масса;Материал;
;;
17
17
Артикул: 95-4904
нет в наличии
Щуп
Количество на схеме: 1
Информация
Щуп
Количество
1
Масса;Материал;
;;
18
18
Артикул: СМД1-4920
нет в наличии
Ключ торцовый односторонний 12
Количество на схеме: 1
Информация
Ключ торцовый односторонний 12
Количество
1
Масса;Материал;
;;
19
19
Артикул: СМД1-4918
нет в наличии
Ключ торцовый 19-22
Количество на схеме: 1
Информация
Ключ торцовый 19-22
Количество
1
Масса;Материал;
;;
20
20
Артикул: 6Т2-4905
нет в наличии
Ключ I 68-72, ГОСТ 3106-62
Количество на схеме: 1
Информация
Ключ I 68-72, ГОСТ 3106-62
Количество
1
Масса;Материал;
;;
21
21
Артикул: 7811-0025
нет в наличии
Ключ гаечный двусторонний 22-24, ГОСТ 2839-62
Количество на схеме: 1
Информация
Ключ гаечный двусторонний 22-24, ГОСТ 2839-62
Количество
1
Масса;Материал;
0,220;Сталь 40ХФА;
22
22
Артикул: 7811-0043
нет в наличии
Ключ гаечный двусторонний 32-36
Количество на схеме: 1
Информация
Ключ гаечный двусторонний 32-36
Количество
1
Масса;Материал;
0,600;Сталь 40ХФА;
23
23
Артикул: 7811-0023
нет в наличии
Ключ гаечный двусторонний 17-19
Количество на схеме: 1
Информация
Ключ гаечный двусторонний 17-19
Количество
1
Масса;Материал;
0,120;Сталь 40ХФА;
24
24
Артикул: 7811-0047
нет в наличии
Ключ гаечный двусторонний 50-55, ГОСТ 2839-62
Количество на схеме: 1
Информация
Ключ гаечный двусторонний 50-55, ГОСТ 2839-62
Количество
1
Масса;Материал;
1,620;Сталь 40ХФА;
25
25
Артикул: Т4-49-114
нет в наличии
Установочный штырь
Количество на схеме: 1
Информация
Установочный штырь
Количество
1
Масса;Материал;
0,0530;Сталь 20;
26
26
Артикул: 7811-0045
нет в наличии
Ключ гаечный двусторонний 41-46, ГОСТ 2839-62
Количество на схеме: 1
Информация
Ключ гаечный двусторонний 41-46, ГОСТ 2839-62
Количество
1
Масса;Материал;
0,990;Сталь 40ХФА;
27
27
Артикул: ИТ-141
нет в наличии
Ключ торцовый 14-17
Количество на схеме: 1
Информация
Ключ торцовый 14-17
Количество
1
Масса;Материал;
0,395;Сталь 40;
28
28
Артикул: ЗДБ-516147А
нет в наличии
Лампа переносная ПЛ-64РIК
Количество на схеме: 1
Информация
Лампа переносная ПЛ-64РIК
Количество
1
Масса;Материал;
;;
Покрытие
без покрытия
29
29
Артикул: М42-3728010
нет в наличии
Напильник с щупами
Количество на схеме: 1
Информация
Напильник с щупами
Количество
1
Масса;Материал;
0,003;;
Модель
М42
Группа
Электрооборудование
Подгруппа
3728
Порядковый номер детали
010
30
30
Артикул: СМД1-4921
нет в наличии
Вороток
Количество на схеме: 1
Информация
Вороток
Количество
1
Масса;Материал;
;;
31
31
Артикул: ИТ-025А
нет в наличии
Шприц рычажно-плунжерный для консистентной смазки
Количество на схеме: 1
Информация
Шприц рычажно-плунжерный для консистентной смазки
Количество
1
Масса;Материал;
1,200;;
32
32
Артикул: 36-3901028
нет в наличии
Ломик монтажный
Количество на схеме: 1
Информация
Ломик монтажный
Количество
1
Масса;Материал;
1,090;Сталь 45;
Модель
36
Группа
Инструмент шоферский и принадлежности
Подгруппа
Инструмент шоферский (разный)
Порядковый номер детали
028
33
33
Артикул: 7811-0003
нет в наличии
Ключ гаечный двусторонний 8-10, ГОСТ 2839-62
Количество на схеме: 1
Информация
Ключ гаечный двусторонний 8-10, ГОСТ 2839-62
Количество
1
Масса;Материал;
0,026;Сталь 40ХФА;
34
34
Артикул: 54-49-022
нет в наличии
Шнур пусковой в сборе
Количество на схеме: 1
Информация
Шнур пусковой в сборе
Количество
1
Масса;Материал;
0,080;;
35
35
Артикул: 7811-0021
нет в наличии
Ключ гаечный двусторонний 12-14
Количество на схеме: 1
Информация
Ключ гаечный двусторонний 12-14
Количество
1
Масса;Материал;
0,052;Сталь 40ХФА;
36
36
Артикул: ИФ-02СI
нет в наличии
Приспособление для очистки сопловых отверстий форсунки
Количество на схеме: 1
Информация
Приспособление для очистки сопловых отверстий форсунки
Количество
1
Масса;Материал;
;;
37
37
Артикул: 7811-0041
нет в наличии
Ключ гаечный двусторонний 27-30
Количество на схеме: 1
Информация
Ключ гаечный двусторонний 27-30
Количество
1
Масса;Материал;
0,390;Сталь 40ХФА;
38
38
Артикул: 12-45сб-134
нет в наличии
Воронка
Количество на схеме: 1
Информация
Воронка
Количество
1
Масса;Материал;
;;
39
39
Артикул: 60-45сб-107
нет в наличии
Фартук
Количество на схеме: 1
Информация
Фартук
Количество
1
Масса;Материал;
;;
40
40
Артикул: 12-45сб-10З
нет в наличии
Кувалда в сборе
Количество на схеме: 1
Информация
Кувалда в сборе
Количество
1
Масса;Материал;
;;
41
41
Артикул: ИТ-181Б
нет в наличии
Ключ I 78-85, ГОСТ 3106-62
Количество на схеме: 1
Информация
Ключ I 78-85, ГОСТ 3106-62
Количество
1
Масса;Материал;
0,300;Сталь 40Х;
42
42
Артикул: Т4-49-113
нет в наличии
Ключ торцовый специальный 12-12
Количество на схеме: 1
Информация
Ключ торцовый специальный 12-12
Количество
1
Масса;Материал;
0,360;Сталь 40Х;
43
43
Артикул: 60-45-014
нет в наличии
Ключ гайки крепления барабана остановочного тормоза
Количество на схеме: 1
Информация
Ключ гайки крепления барабана остановочного тормоза
Количество
1
Масса;Материал;
;;
44
44
Артикул: Т4-49-104
нет в наличии
Ключ торцовый специальный 32
Количество на схеме: 1
Информация
Ключ торцовый специальный 32
Количество
1
Масса;Материал;
1,350;Сталь 45;
45
45
Артикул: Т4-49-001
нет в наличии
Капот
Количество на схеме: 1
Информация
Капот
Количество
1
Масса;Материал;
;;
46
46
Артикул: 12-45-6
нет в наличии
Ключ накидной 27-32
Количество на схеме: 1
Информация
Ключ накидной 27-32
Количество
1
Масса;Материал;
0,417;Сталь 45Х;
47
47
Артикул: Т4-49-003
нет в наличии
Съемник в сборе
Количество на схеме: 1
Информация
Съемник в сборе
Количество
1
Масса;Материал;
;;
48
48
Артикул: 54-49-023-Б
нет в наличии
Нагнетатель для масла
Количество на схеме: 1
Информация
Нагнетатель для масла
Количество
1
Масса;Материал;
3.900;;
49
49
Артикул: 12-45сб-113
нет в наличии
Ведро
Количество на схеме: 1
Информация
Ведро
Количество
1
Масса;Материал;
;;
50
50
Артикул: 12-45с6-145
нет в наличии
Мешочек для крепежных и мелких деталей
Количество на схеме: 1
Информация
Мешочек для крепежных и мелких деталей
Количество
1
Масса;Материал;
;;
51
51
Артикул: А49-С4-2
нет в наличии
Масленка для заливки бензина
Количество на схеме: 1
Информация
Масленка для заливки бензина
Количество
1
Масса;Материал;
;;
52
52
Артикул: 60-45сб-106
нет в наличии
Рукоятка проворачивания коленчатого вала
Количество на схеме: 1
Информация
Рукоятка проворачивания коленчатого вала
Количество
1
Масса;Материал;
;;
  • Грузовые автомобили
  • Автобусы
  • Сельхозтехника
  • Спецтехника
  • Двигатели
Получить оптовый прайс-лист
Скачать прайс-лист от 07.05.2026 08:00
Специальное предложение от 06.05.2026 17:00
Производители:


  • WEICHAI
  • Автодизель ПАО (ЯМЗ)
  • Тутаевский МЗ
  • ЯЗДА
  • УралАЗ
  • МАЗ
  • АЗПИ
  • BOSCH
  • ММЗ
  • ШААЗ
  • FEDERAL MOGUL
  • ПРАМО
  • Мотордеталь
  • ТАИМ
  • АвтоКрАЗ
  • БЕЛКАРД
  • CZ Strakonice
  • КамАЗ
  • БЗА
  • ЧМЗ
  • BMZ
Новости
Все новости
25 марта 2024
Флагманский седельный тягач «Валдай 45» на выставке «TransRussia»
10 марта 2024
Современные автобусы «CITYMAX 9» и ЛиАЗ-5292 CNG
25 февраля 2024
Серийное производство средних дизельных двигателей повышенной мощности от ЯМЗ
Статьи
Все статьи
Датчики двигателя: за что они отвечают, признаки неисправности и как не прогадать с выбором
Двигатели ЯМЗ-534: история, технические характеристики и области применения
Двигатели ЯМЗ 650: углублённый технический обзор и история
Компания
О компании
Реквизиты
Новости
Политика
Магазины
Информация
Условия оплаты
Условия доставки
Гарантия на товар
Обмен и возврат товара
Помощь
Как оформить заказ
Полезные статьи
Бренды
Пункты выдачи
Оставайтесь на связи
  • Вконтакте
  • YouTube
  • Одноклассники
  • Google Plus
Увидели ошибку?
Выделите, нажав Ctrl + Enter
Наши контакты
8-800-700-35-68
sales@din76.ru
г. Ярославль, Ленинградский пр-т 33, ТЦ "ОМЕГА"
2026 © ООО «Динамика 76» - Все права защищены ООО "Динамика 76"
Предложения на сайте не являются публичной офертой.
На сайте обнаружена ошибка

Текст с ошибкой