Избранное 0 Корзина 0 Личный кабинет
logo
Каталог
Каталог
  • Справочник
    • Грузовые автомобили
    • Автобусы
    • Сельхозтехника
    • Спецтехника
    • Двигатели
  • Доставка
  • Оплата
  • О компании
    • Реквизиты
    • Магазины
    • Оплата
    • Доставка
    • Лицензии и сертификаты
    • Новости
    • Вакансии
  • Контакты
Отправить заявку
Личный кабинет
8 (800) 700-35-68
sales@din76.ru
Избранное 0 Корзина 0
8 (800) 700-35-68
Оптовый прайс-лист
Каталог
  • Двигатели
  • Запчасти WEICHAI
  • Запчасти ЯМЗ, ТМЗ (V-образные)
  • Запчасти ЯМЗ-534, ЯМЗ-536
  • Запчасти ЯМЗ-650, ЯМЗ-651, DCi-11
  • Топливная аппаратура
  • Запчасти УРАЛ
  • Запчасти МАЗ
  • Запчасти КамАЗ
  • Запчасти ММЗ
  • Ремни
Автокаталог (справочник)
  • Доставка
  • Оплата
  • О компании
  • Контакты
8 (800) 700-35-68
Написать в Whatsapp
sales@din76.ru
Динамика 76
Меню  
  • Каталог
    • Двигатели  
      • Двигатели ТМЗ  
        • Двигатели ТМЗ для автомобилей
        • Двигатели ТМЗ для тракторов
        • Специальные двигатели ТМЗ
        • Промышленные двигатели ТМЗ
      • Двигатели ЯМЗ  
        • ЯМЗ 236
        • ЯМЗ 238
        • ЯМЗ 240
        • ЯМЗ 751
        • ЯМЗ 840
        • ЯМЗ 850
        • ЯМЗ 656
        • ЯМЗ 658
        • ЯМЗ 534
        • ЯМЗ 536
        • ЯМЗ 650
        • Двигатели ЯМЗ для электростанций
      • Двигатели КАМАЗ
      • Двигатели ММЗ
      • Двигатели индивидуальной сборки
      • Комплекты переоборудования
    • Запчасти WEICHAI  
      • Основные запчасти двигателя  
        • Клапаны и толкатели
        • Шатуны
        • Вал коленчатый и маховик
        • Вал распределительный
        • Цилиндро-поршневая группа
      • Система питания  
        • Форсунки
        • Турбокомпрессор
      • Система смазки  
        • Насос масляный
      • Головка блока
      • Ремкомплекты
      • Система охлаждения  
        • Насос водяной
        • Муфта вязкостная и крыльчатка
      • Фильтры
      • Электрооборудование  
        • Генератор
        • Стартер
    • Запчасти ЯМЗ, ТМЗ (V-образные)  
      • Основные запчасти двигателя  
        • Блок двигателя и комплектующие
        • Валы распределительные и клапаны
        • Головка блока и комплектующие
        • Цилиндро-поршневая группа
        • Маховики и комплектующие
        • Валы коленчатые и комплектующие
        • Шатуны и комплектующие
      • Система питания  
        • Коллекторы и патрубки
        • Топливные трубопроводы
        • Турбокомпрессор
        • Топливные фильтры
      • Электрооборудование двигателя
      • Система охлаждения  
        • Вязкостные муфты и крыльчатки
        • Приводы вентилятора
        • Водяные насосы
        • Водяные трубы и термостаты
      • Коробки переключения передач  
        • 8 Ступенчатые КПП
        • 5 Ступенчатые КПП
        • 9 Ступенчатые КПП
        • Запасные части КПП ЯМЗ, ТМЗ
      • Система смазки  
        • Теплообменник и комплектующие
        • Масляные насосы
        • Фильтры масляные (ФГОМ, ФЦОМ)
      • Сцепление  
        • Запасные части механизма сцепления
        • Муфты (подшипники выжимные)
        • Корзины (диски нажимные)
        • Диски ведомые
      • Прочие запчасти двигателя  
        • Ремкомплекты
        • Привод агрегатов
        • Натяжные устройства
        • Трубки
    • Запчасти ЯМЗ-534, ЯМЗ-536  
      • Основные запчасти двигателя  
        • Цилиндро-поршневая группа
        • Головка блока цилиндров и комплектующие
        • Блок цилиндров и комплектующие
        • Вал коленчатый и маховик
        • Вал распределительный
        • Клапаны и толкатели
        • ГУР (Гидроусилитель руля)
        • Система рециркуляции отработавших газов
        • Выпускной коллектор
      • Система питания  
        • Коллекторы и патрубки
        • Топливные фильтры
        • Турбокомпрессор
        • Топливные трубопроводы
      • Система смазки  
        • Масляный картер поддон
        • Масляный насос
        • Теплообменник /Водо-масляный радиатор
        • Фильтры масляные (ФГОМ, ФЦОМ)
      • Пневмокомпрессор и натяжное
      • Система охлаждения  
        • Водяной насос
        • Водяные трубы и патрубки
        • Муфты вязкостные, приводы, крыльчатки
      • Ремкомплекты
      • Сцепление
      • Электрооборудование
    • Запчасти ЯМЗ-650, ЯМЗ-651, DCi-11  
      • Основные запчасти двигателя  
        • Цилиндро-поршневая группа
        • Головка блока цилиндров и комплектующие
        • Блок цилиндров и комплектующие
        • Вал коленчатый и маховик
        • Выпускной коллектор
        • Вал распределительный
        • Клапаны и толкатели
        • ГУР (Гидроусилитель руля)
        • Система рециркуляции отработавших газов
      • Система питания  
        • Коллекторы и патрубки
        • Топливные трубопроводы
        • Топливные фильтры
        • Турбокомпрессор
      • Система смазки  
        • Масляный картер / поддон
        • Масляный насос
        • Теплообменник / Водо-масляный радиатор
        • Фильтры масляные (ФГОМ, ФЦОМ)
      • Система охлаждения  
        • Водяной насос
        • Водяные трубы и патрубки
        • Муфты вязкостные, приводы, крыльчатки
      • Ремкомплекты
      • Пневмокомпрессор и натяжное
      • Электрооборудование
      • Сцепление
    • Топливная аппаратура  
      • ЯЗДА  
        • Распылители
        • ТНВД
        • Форсунки
        • Топливный насос низкого давления
        • Пары плунжерные
        • Муфта опережения впрыска топлива
        • Запчасти и комплектующие ТНВД
      • НЗТА
      • АЗПИ  
        • Распылители
        • Форсунки
      • BOSCH
    • Запчасти УРАЛ  
      • Трансмиссия  
        • Коробка раздаточная
        • Передача карданная
        • Мост задний
        • Мост передний (ведущий)
        • Мост средний (промежуточный)
      • Кузов  
        • Дверь кабины
        • Капот, крылья, облицовка радиатора
        • Окно ветровое и заднее
        • Отопление и вентиляция кабины
        • Кабина
      • Механизмы управления  
        • Управление рулевое
        • Тормоза
      • Дополнительное оборудование  
        • Отбор мощности
        • Устройство седельное
      • Электрооборудование
      • Ходовая часть  
        • Колеса и ступицы
        • Ось передняя
        • Подвеска автомобиля
        • Рама
    • Запчасти МАЗ  
      • Трансмиссия  
        • Мост задний
        • Мост передний (ведущий)
        • Передача карданная
        • Мост средний (промежуточный)
      • Кузов  
        • Кабина
        • Дверь кабины
        • Детали основания кабины
        • Окно ветровое и заднее
        • Платформа
      • Механизмы управления  
        • Тормоза
        • Управление рулевое
      • Ходовая часть  
        • Колеса и ступицы
        • Ось передняя
        • Подвеска автомобиля
        • Рама
    • Запчасти КамАЗ  
      • Кузов  
        • Кабина
        • Капот, крылья, облицовка радиатора
        • Дверь кабины
        • Платформа
        • Окно ветровое и заднее
        • Устройство подъемное и опрокидывающее
        • Сиденье
        • Крыша кабины (крыша кузова)
        • Отопление и вентиляция кабины
      • Трансмиссия  
        • Коробка передач
        • Коробка раздаточная
        • Мост задний
        • Сцепление
        • Мост средний (промежуточный)
        • Передача карданная
        • Мост передний (ведущий)
      • Двигатель  
        • Основные запчасти двигателя
        • Система охлаждения
        • Система питания
        • Система смазки
      • Дополнительное оборудование  
        • Отбор мощности
        • Устройство седельное
      • Ходовая часть  
        • Подвеска автомобиля
        • Рама
        • Колеса и ступицы
        • Ось передняя
      • Механизмы управления  
        • Тормоза
        • Управление рулевое
      • Электрооборудование
    • Запчасти ММЗ
    • Ремни
  • Справочник
    • Грузовые автомобили
    • Автобусы
    • Сельхозтехника
    • Спецтехника
    • Двигатели
  • Как купить
    • Условия оплаты
    • Условия доставки
    • Гарантия на товар
    • Пункты выдачи
  • Услуги
    • Капитальный ремонт двигателей ЯМЗ
  • Акции
  • Статьи
  • Контакты
  • Компания
    • Реквизиты
    • Магазины
    • Оплата
    • Доставка
    • Лицензии и сертификаты
    • Новости
    • Вакансии
Избранное 0 Корзина 0
8-800-700-35-68

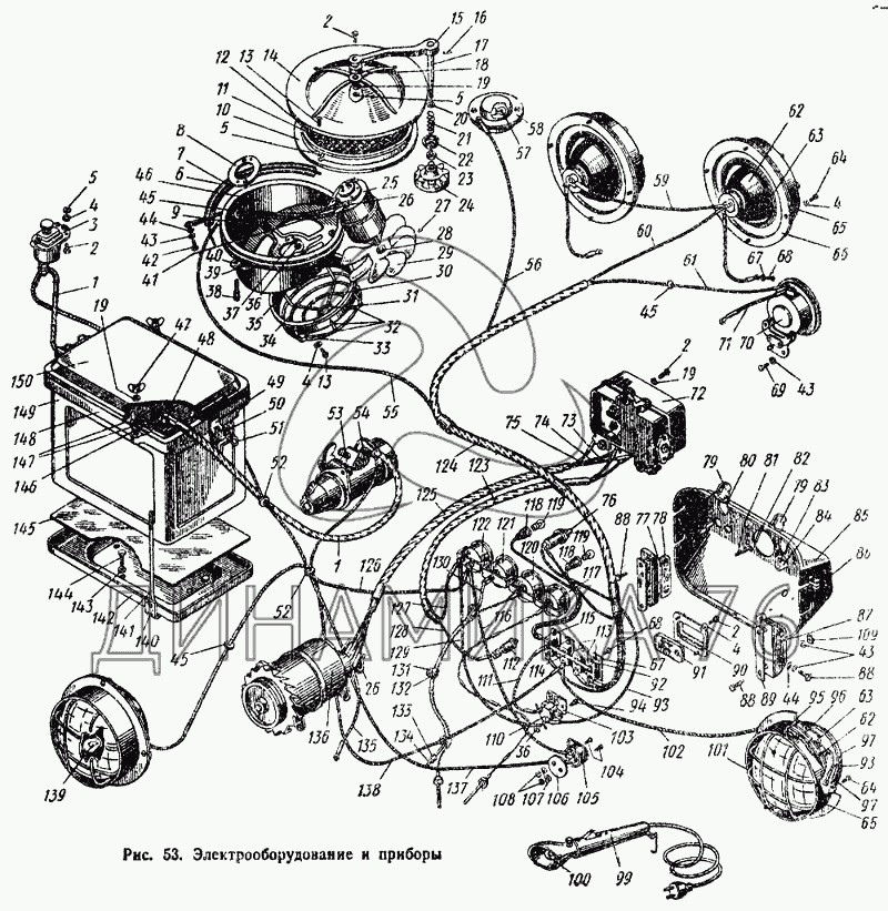
Электрооборудование и приборы на ТТ-4 (до 1972 г.)

Справочник
Главная
-
Автокаталог
-
Спецтехника
-
АТЗ
-
ТТ-4
Справочный каталог

Электрооборудование и приборы — ТТ-4:

04.48.007-4 04.48.009-2 04.48.030 04.48.050 04.48.053-5 04.48.056 04.48.064-1 04.48.067 04.48.071 04.48.072-5 04.48.092-1 Т4.48.001-4 Т4.48.002-4 Т4.48.019 Т4.48.023 Т4.48.024 Т4.48.025 Т4.48.027 Т4.48.029 Т4.48.032 Т4.48.037 Т4.48.052 Т4.48.053 Т4.48.СХ1-7 1 1 2 3 4 4 5 5 6 7 7 8 8 9 9 10 10 11 12 12 13 14 15 16 17 18 19 20 21 22 23 23 24 25 26 27 28 29 30 31 32 33 34 35 36 37 38 39 40 41 42 42 43 43 44 45 46 47 48 48 49 50 51 52 53 54 55 56 56 57 58 58 59 59 60 61 62 63 64 65 66 67 68 69 70 71 72 73 74 75 76 77 78 79 80 81 81 82 83 84 85 86 87 88 89 90 91 92 93 94 95 96 97 97 99 99 100 101 102 103 104 105 106 107 108 109 110 111 112 113 114 115 116 117 118 119 120 120 121 121 122 123 123 124 125 126 127 128 129 130 131 132 132 133 134 135 136 137 137 138 138 139 140 141 142 143 143 144 144 145 145 146 146 147 147 148 148 149 149 150 150 151 152 153 155 156 158 159 160 161 162
в наличии
нет в наличии
масштаб

В наличии
Нет в наличии

Перечень комплектующих от Электрооборудование и приборы на ТТ-4

Схемы запчастей предназначены для справочных целей! Мы продаем не все запчасти от Электрооборудование и приборы на ТТ-4, представленные в этом списке.
Наличие на складах по деталям с ценой смотрите в карточке товара.
Артикул: 04-48-007-4
нет в наличии
Щиток приборов в сборе
Количество на схеме: 1
Информация
Щиток приборов в сборе
Количество
1
Масса;Материал;
;;
Примечание
350
Артикул: 04-48-009-2
нет в наличии
Поддон аккумулятора в сборе
Количество на схеме: 1
Информация
Поддон аккумулятора в сборе
Количество
1
Масса;Материал;
;;
Примечание
351
Артикул: 04-48-030
нет в наличии
Сетка вентилятора в сборе
Количество на схеме: 1
Информация
Сетка вентилятора в сборе
Количество
1
Масса;Материал;
;;
Примечание
345
Артикул: 04-48-050
нет в наличии
Кожух в сборе
Количество на схеме: 1
Информация
Кожух в сборе
Количество
1
Масса;Материал;
;;
Примечание
352
Артикул: 04-48-053-5
нет в наличии
Рамка аккумулятора в сборе
Количество на схеме: 1
Информация
Рамка аккумулятора в сборе
Количество
1
Масса;Материал;
;;
Примечание
353
Артикул: 04-48-056
нет в наличии
Пластина амортизатора в сборе
Количество на схеме: 2
Информация
Пластина амортизатора в сборе
Количество
2
Масса;Материал;
;;
Примечание
354
Артикул: 04-48-064-1
нет в наличии
Корпус вентилятора в сборе
Количество на схеме: 1
Информация
Корпус вентилятора в сборе
Количество
1
Масса;Материал;
;;
Примечание
355
Артикул: 04-48-067
нет в наличии
Крыльчатка в сборе
Количество на схеме: 1
Информация
Крыльчатка в сборе
Количество
1
Масса;Материал;
;;
Примечание
356
Артикул: 04-48-071
нет в наличии
Кронштейн крышки вентилятора в сборе
Количество на схеме: 1
Информация
Кронштейн крышки вентилятора в сборе
Количество
1
Масса;Материал;
;;
Примечание
357
Артикул: 04-48-072-5
нет в наличии
Трубка манометра масла в сборе
Количество на схеме: 1
Информация
Трубка манометра масла в сборе
Количество
1
Масса;Материал;
;;
Примечание
358
Артикул: 04-48-092-1
нет в наличии
Рамка в сборе
Количество на схеме: 1
Информация
Рамка в сборе
Количество
1
Масса;Материал;
;;
Примечание
359
Артикул: Т4-48-001-4
нет в наличии
Расположение и монтаж электрооборудования
Количество на схеме: 1
Информация
Расположение и монтаж электрооборудования
Количество
1
Масса;Материал;
;;
Артикул: Т4-48-002-4
нет в наличии
Щиток приборов в сборе
Количество на схеме: 1
Информация
Щиток приборов в сборе
Количество
1
Масса;Материал;
;;
Примечание
338
Артикул: Т4-48-019
нет в наличии
Установка фары
Количество на схеме: 2
Информация
Установка фары
Количество
2
Масса;Материал;
;;
Примечание
339
Артикул: Т4-48-023
нет в наличии
Ограждение в сборе
Количество на схеме: 4
Информация
Ограждение в сборе
Количество
4
Масса;Материал;
;;
Примечание
340
Артикул: Т4-48-024
нет в наличии
Кожух в сборе
Количество на схеме: 2
Информация
Кожух в сборе
Количество
2
Масса;Материал;
;;
Примечание
341
Артикул: Т4-48-025
нет в наличии
Установка задней фары
Количество на схеме: 2
Информация
Установка задней фары
Количество
2
Масса;Материал;
;;
Примечание
342
Артикул: Т4-48-027
нет в наличии
Установка вентилятора
Количество на схеме: 1
Информация
Установка вентилятора
Количество
1
Масса;Материал;
;;
Примечание
343
Артикул: Т4-48-029
нет в наличии
Кольцо распорное наружное в сборе
Количество на схеме: 1
Информация
Кольцо распорное наружное в сборе
Количество
1
Масса;Материал;
;;
Примечание
344
Артикул: Т4-48-032
нет в наличии
Пучок проводов кабины
Количество на схеме: 1
Информация
Пучок проводов кабины
Количество
1
Масса;Материал;
;;
Примечание
346
Артикул: Т4-48-037
нет в наличии
Установка аккумуляторной батареи
Количество на схеме: 1
Информация
Установка аккумуляторной батареи
Количество
1
Масса;Материал;
;;
Примечание
347
Артикул: Т4-48-052
нет в наличии
Пучок проводов от генератора к реле-регулятору
Количество на схеме: 1
Информация
Пучок проводов от генератора к реле-регулятору
Количество
1
Масса;Материал;
;;
Примечание
348
Артикул: Т4-48-053
нет в наличии
Пучок проводов от реле-регулятора к щитку приборов
Количество на схеме: 1
Информация
Пучок проводов от реле-регулятора к щитку приборов
Количество
1
Масса;Материал;
;;
Примечание
349
Артикул: Т4-48-СХ1-7
нет в наличии
Схема электрооборудования трактора ТТ-4
Количество на схеме: 1
Информация
Схема электрооборудования трактора ТТ-4
Количество
1
Масса;Материал;
;;
1
1
Артикул: 04-48-042-3
нет в наличии
Провод от аккумулятора на массу
Количество на схеме: 2
Информация
Провод от аккумулятора на массу
Количество
2
Масса;Материал;
;Провод ПГВА;
1
1
Артикул: РКII-3/4"
нет в наличии
Пробка
Количество на схеме: 2
Информация
Пробка
Количество
2
Масса;Материал;
;;
2
2
Артикул: БНП-М6Х20
нет в наличии
Болт
Количество на схеме: 11
Информация
Болт
Количество
11
Масса;Материал;
;;
3
3
Артикул: СК-ВК318-3704000Б
нет в наличии
Выключатель массы В К318-Б
Количество на схеме: 1
Информация
Выключатель массы В К318-Б
Количество
1
Масса;Материал;
;;
Модель
СК-ВК318
Группа
Электрооборудование
Подгруппа
Выключатель зажигания (замок зажигания)
Порядковый номер детали
000
4
4
Артикул: БНП-М12Х45
нет в наличии
Болт
Количество на схеме: 2
Информация
Болт
Количество
2
Масса;Материал;
;;
4
4
Артикул: ШП-6Т
нет в наличии
Шайба пружинная
Количество на схеме: 22
Информация
Шайба пружинная
Количество
22
Масса;Материал;
;;
5
5
Артикул: ГШ-М6
нет в наличии
Гайка
Количество на схеме: 4
Информация
Гайка
Количество
4
Масса;Материал;
;;
5
5
Артикул: ШП-12Н
нет в наличии
Шайба пружинная 12Н65Г, ГОСТ 6402-61
Количество на схеме: 7
Информация
Шайба пружинная 12Н65Г, ГОСТ 6402-61
Количество
7
Масса;Материал;
;;
6
6
Артикул: 04-48-209
нет в наличии
Окантовка вентилятора
Количество на схеме: 1
Информация
Окантовка вентилятора
Количество
1
Масса;Материал;
0,279;Резина;
7
7
Артикул: 04-48-210
нет в наличии
Шнур распорный
Количество на схеме: 1
Информация
Шнур распорный
Количество
1
Масса;Материал;
0,042;Резина;
7
7
Артикул: ГШ-М12
нет в наличии
Гайка
Количество на схеме: 2
Информация
Гайка
Количество
2
Масса;Материал;
;;
8
8
Артикул: 04-48-205
нет в наличии
Прокладка электромотора
Количество на схеме: 1
Информация
Прокладка электромотора
Количество
1
Масса;Материал;
0,008;Резина;
8
8
Артикул: Ш-3,2Х32
нет в наличии
Шплинт 3,2Х32, ГОСТ 397-66
Количество на схеме: 1
Информация
Шплинт 3,2Х32, ГОСТ 397-66
Количество
1
Масса;Материал;
;;
9
9
Артикул: ГК-М6
нет в наличии
Гайка
Количество на схеме: 3
Информация
Гайка
Количество
3
Масса;Материал;
;;
9
9
Артикул: ГП-М12Х1,25
нет в наличии
Гайка
Количество на схеме: 1
Информация
Гайка
Количество
1
Масса;Материал;
;;
10
10
Артикул: Т4-48-113
нет в наличии
Кольцо распорное наружное
Количество на схеме: 1
Информация
Кольцо распорное наружное
Количество
1
Масса;Материал;
0,096;Сталь 08;
10
10
Артикул: ШЧ-12
нет в наличии
Шайба
Количество на схеме: 9
Информация
Шайба
Количество
9
Масса;Материал;
;;
11
11
Артикул: Т4-48-115
нет в наличии
Сетка вентилятора
Количество на схеме: 1
Информация
Сетка вентилятора
Количество
1
Масса;Материал;
0,030;Сетка №7;
12
12
Артикул: Т4-48-114
нет в наличии
Ободок сетки вентилятора
Количество на схеме: 1
Информация
Ободок сетки вентилятора
Количество
1
Масса;Материал;
0,036;Сталь 08;
12
12
Артикул: Ш-3,2Х20
нет в наличии
Шплинт
Количество на схеме: 6
Информация
Шплинт
Количество
6
Масса;Материал;
;;
13
13
Артикул: В2-М6Х12
нет в наличии
Винт
Количество на схеме: 6
Информация
Винт
Количество
6
Масса;Материал;
;;
14
14
Артикул: 04-48-206
нет в наличии
Крышка вентилятора
Количество на схеме: 1
Информация
Крышка вентилятора
Количество
1
Масса;Материал;
0,798;Сталь 08;
15
15
Артикул: 04-48-200
нет в наличии
Кронштейн крышки вентилятора
Количество на схеме: 1
Информация
Кронштейн крышки вентилятора
Количество
1
Масса;Материал;
0,147;Сталь 08кп;
16
16
Артикул: ШЦ-3Х22
нет в наличии
Штифт цилиндрический
Количество на схеме: 1
Информация
Штифт цилиндрический
Количество
1
Масса;Материал;
;;
17
17
Артикул: 04-48-201
нет в наличии
Ось
Количество на схеме: 1
Информация
Ось
Количество
1
Масса;Материал;
0,100;Сталь 40;
18
18
Артикул: 04-48-207
нет в наличии
Амортизатор крышки вентилятора
Количество на схеме: 1
Информация
Амортизатор крышки вентилятора
Количество
1
Масса;Материал;
0,007;Резина;
19
19
Артикул: ШЧ-6
нет в наличии
Шайба
Количество на схеме: 6
Информация
Шайба
Количество
6
Масса;Материал;
;;
20
20
Артикул: ШЧ-12
нет в наличии
Шайба
Количество на схеме: 1
Информация
Шайба
Количество
1
Масса;Материал;
;;
21
21
Артикул: 12-12-91
нет в наличии
Пружина
Количество на схеме: 1
Информация
Пружина
Количество
1
Масса;Материал;
;Проволока II-2,8;
22
22
Артикул: 04-48-199
нет в наличии
Шайба опорная
Количество на схеме: 1
Информация
Шайба опорная
Количество
1
Масса;Материал;
0,007;Сталь 08;
23
23
Артикул: ГШ-М10
нет в наличии
Гайка
Количество на схеме: 1
Информация
Гайка
Количество
1
Масса;Материал;
;;
23
23
Артикул: ГШ-М12Х1,25
нет в наличии
Гайка
Количество на схеме: 2
Информация
Гайка
Количество
2
Масса;Материал;
;;
24
24
Артикул: 04-48-202
нет в наличии
Ручка крышки вентилятора
Количество на схеме: 1
Информация
Ручка крышки вентилятора
Количество
1
Масса;Материал;
0,092;Прессматериал;
25
25
Артикул: МЭ219-3730000Г
нет в наличии
Электродвигатель МЭ219
Количество на схеме: 1
Информация
Электродвигатель МЭ219
Количество
1
Масса;Материал;
;;
Модель
МЭ219
Группа
Электрооборудование
Подгруппа
Электродвигатели (электродвигатель отопителя) или розетка прицепа штепсельная
Порядковый номер детали
000
26
26
Артикул: 54-24-445
нет в наличии
Наконечник изоляционный
Количество на схеме: 3
Информация
Наконечник изоляционный
Количество
3
Масса;Материал;
0,008;Резина;
27
27
Артикул: В4-М6Х8
нет в наличии
Винт
Количество на схеме: 1
Информация
Винт
Количество
1
Масса;Материал;
;;
28
28
Артикул: 04-48-180
нет в наличии
Ступица
Количество на схеме: 1
Информация
Ступица
Количество
1
Масса;Материал;
0,040;Сталь 20;
29
29
Артикул: 75-66-108
нет в наличии
Крыльчатка
Количество на схеме: 2
Информация
Крыльчатка
Количество
2
Масса;Материал;
;Сталь 08;
30
30
Артикул: 04-48-191
нет в наличии
Кольцо
Количество на схеме: 1
Информация
Кольцо
Количество
1
Масса;Материал;
0,012;Проволока 3;
31
31
Артикул: 04-48-192
нет в наличии
Кольцо
Количество на схеме: 1
Информация
Кольцо
Количество
1
Масса;Материал;
0,004;Проволока 3;
32
32
Артикул: 04-48-188
нет в наличии
Перемычка
Количество на схеме: 5
Информация
Перемычка
Количество
5
Масса;Материал;
0,005;Проволока 3;
33
33
Артикул: 04-48-189
нет в наличии
Кольцо
Количество на схеме: 1
Информация
Кольцо
Количество
1
Масса;Материал;
0,022;Проволока 3;
34
34
Артикул: 04-48-190
нет в наличии
Кольцо
Количество на схеме: 1
Информация
Кольцо
Количество
1
Масса;Материал;
0,019;Проволока 3;
35
35
Артикул: 04-48-178-2
нет в наличии
Основание кожуха
Количество на схеме: 1
Информация
Основание кожуха
Количество
1
Масса;Материал;
0,258;Сталь 08;
36
36
Артикул: Г-М5
нет в наличии
Гайка
Количество на схеме: 4
Информация
Гайка
Количество
4
Масса;Материал;
;;
37
37
Артикул: ШП-5Н
нет в наличии
Шайба пружинная
Количество на схеме: 2
Информация
Шайба пружинная
Количество
2
Масса;Материал;
;;
38
38
Артикул: 04-48-208
нет в наличии
Фиксатор вентилятора
Количество на схеме: 1
Информация
Фиксатор вентилятора
Количество
1
Масса;Материал;
0,020;Сталь 20;
39
39
Артикул: 04-48-203
нет в наличии
Кольцо распорное внутреннее
Количество на схеме: 1
Информация
Кольцо распорное внутреннее
Количество
1
Масса;Материал;
0,083;Сталь 08кп;
40
40
Артикул: 04-48-171-1
нет в наличии
Кронштейн фиксатора вентилятора
Количество на схеме: 1
Информация
Кронштейн фиксатора вентилятора
Количество
1
Масса;Материал;
0,023;Сталь Ст.2пс;
41
41
Артикул: Т4-48-028
нет в наличии
Провод от вентилятора на массу
Количество на схеме: 1
Информация
Провод от вентилятора на массу
Количество
1
Масса;Материал;
;Провод ПГВА;
42
42
Артикул: БНП-М8Х14
нет в наличии
Болт
Количество на схеме: 1
Информация
Болт
Количество
1
Масса;Материал;
;;
42
42
Артикул: ПЖ--диаметром-1,2Х80
нет в наличии
Проволока контровочная
Количество на схеме: 1
Информация
Проволока контровочная
Количество
1
Масса;Материал;
;;
43
43
Артикул: Шар-диаметром-15,081
нет в наличии
Шар
Количество на схеме: 1
Информация
Шар
Количество
1
Масса;Материал;
;;
43
43
Артикул: ШП-8Н
нет в наличии
Шайба пружинная
Количество на схеме: 11
Информация
Шайба пружинная
Количество
11
Масса;Материал;
;;
44
44
Артикул: ШЧ-8
нет в наличии
Шайба
Количество на схеме: 5
Информация
Шайба
Количество
5
Масса;Материал;
;;
45
45
Артикул: 36-3723024
нет в наличии
Втулка
Количество на схеме: 3
Информация
Втулка
Количество
3
Масса;Материал;
0,0024;Резина;
Модель
36
Группа
Электрооборудование
Подгруппа
Соединители электропроводов
Порядковый номер детали
024
46
46
Артикул: 04-48-173-1
нет в наличии
Корпус вентилятора
Количество на схеме: 1
Информация
Корпус вентилятора
Количество
1
Масса;Материал;
0,830;Сталь 08;
47
47
Артикул: ГБ-М6
нет в наличии
Гайка-барашек
Количество на схеме: 2
Информация
Гайка-барашек
Количество
2
Масса;Материал;
;;
48
48
Артикул: БНП-М12Х30
нет в наличии
Болт
Количество на схеме: 5
Информация
Болт
Количество
5
Масса;Материал;
;;
48
48
Артикул: ГШ-М8
нет в наличии
Гайка
Количество на схеме: 2
Информация
Гайка
Количество
2
Масса;Материал;
;;
49
49
Артикул: 04-48-216-1
нет в наличии
Петля
Количество на схеме: 2
Информация
Петля
Количество
2
Масса;Материал;
0,008;Сталь 08кп;
50
50
Артикул: 04-48-213
нет в наличии
Стяжка
Количество на схеме: 2
Информация
Стяжка
Количество
2
Масса;Материал;
0,005;Сталь 08кп;
51
51
Артикул: 04-48-214
нет в наличии
Рамка защелки
Количество на схеме: 2
Информация
Рамка защелки
Количество
2
Масса;Материал;
0,005;Проволока II-2,2;
52
52
Артикул: 54-48-609
нет в наличии
Кольцо изоляционное
Количество на схеме: 2
Информация
Кольцо изоляционное
Количество
2
Масса;Материал;
0,007;Резина;
53
53
Артикул: 01-14С3
нет в наличии
Стартер Ст 350-В
Количество на схеме: 1
Информация
Стартер Ст 350-В
Количество
1
Масса;Материал;
;;
54
54
Артикул: 04-48-187
нет в наличии
Наконечник изоляционный
Количество на схеме: 1
Информация
Наконечник изоляционный
Количество
1
Масса;Материал;
0,010;Резина;
55
55
Артикул: Т4-48-033
нет в наличии
Провод от включателя к вентилятору
Количество на схеме: 1
Информация
Провод от включателя к вентилятору
Количество
1
Масса;Материал;
;Провод ПГВА;
56
56
Артикул: БНП-М16Х32
нет в наличии
Болт М16Х32, ГОСТ 7796-62
Количество на схеме: 2
Информация
Болт М16Х32, ГОСТ 7796-62
Количество
2
Масса;Материал;
;;
56
56
Артикул: Т4-48-034
нет в наличии
Провод от включателя к плафону
Количество на схеме: 1
Информация
Провод от включателя к плафону
Количество
1
Масса;Материал;
;Провод ПГВА;
57
57
Артикул: А12-6
нет в наличии
Электролампа 12 в, 6 св
Количество на схеме: 1
Информация
Электролампа 12 в, 6 св
Количество
1
Масса;Материал;
;;
58
58
Артикул: ПК201-3714010
нет в наличии
Плафон ПК201
Количество на схеме: 1
Информация
Плафон ПК201
Количество
1
Масса;Материал;
;;
Модель
ПК201
Группа
Электрооборудование
Подгруппа
Плафоны внутреннего освещения
Порядковый номер детали
010
58
58
Артикул: ШП-8Н
нет в наличии
Шайба пружинная
Количество на схеме: 5
Информация
Шайба пружинная
Количество
5
Масса;Материал;
;;
59
59
Артикул: БНП-М8Х25
нет в наличии
Болт
Количество на схеме: 4
Информация
Болт
Количество
4
Масса;Материал;
;;
59
59
Артикул: Т4-48-012
нет в наличии
Провод от прожектора правого к прожектору левому
Количество на схеме: 1
Информация
Провод от прожектора правого к прожектору левому
Количество
1
Масса;Материал;
;Провод ПГВА;
60
60
Артикул: Т4-48-049
нет в наличии
Провод от включателя к прожектору
Количество на схеме: 1
Информация
Провод от включателя к прожектору
Количество
1
Масса;Материал;
;Провод ПГВА;
61
61
Артикул: Т4-48-013
нет в наличии
Провод включателя сигнала
Количество на схеме: 1
Информация
Провод включателя сигнала
Количество
1
Масса;Материал;
;Провод ПГВА;
62
62
Артикул: ФП2-3711200-Б2
нет в наличии
Оптический элемент ФГ12-200-Б2
Количество на схеме: 4
Информация
Оптический элемент ФГ12-200-Б2
Количество
4
Масса;Материал;
;;
Модель
ФП2
Группа
Электрооборудование
Подгруппа
Фары
Порядковый номер детали
200
63
63
Артикул: Т4-48-104
нет в наличии
Прокладка
Количество на схеме: 4
Информация
Прокладка
Количество
4
Масса;Материал;
0,06;Резина;
64
64
Артикул: В2-М6Х14
нет в наличии
Винт
Количество на схеме: 22
Информация
Винт
Количество
22
Масса;Материал;
;;
65
65
Артикул: Т4-48-101
нет в наличии
Обод
Количество на схеме: 4
Информация
Обод
Количество
4
Масса;Материал;
0,56;Сталь 20;
66
66
Артикул: Т4-48-103
нет в наличии
Обойма
Количество на схеме: 4
Информация
Обойма
Количество
4
Масса;Материал;
0,25;Сталь 10;
67
67
Артикул: ШП-4Т
нет в наличии
Шайба пружинная
Количество на схеме: 12
Информация
Шайба пружинная
Количество
12
Масса;Материал;
;;
68
68
Артикул: В2-М4Х12
нет в наличии
Винт
Количество на схеме: 12
Информация
Винт
Количество
12
Масса;Материал;
;;
69
69
Артикул: БНП-М8Х20
нет в наличии
Болт
Количество на схеме: 2
Информация
Болт
Количество
2
Масса;Материал;
;;
70
70
Артикул: СК-С44-3721000Г
нет в наличии
Сигнал звуковой безупорный С-44
Количество на схеме: 1
Информация
Сигнал звуковой безупорный С-44
Количество
1
Масса;Материал;
;;
Модель
СК-С44
Группа
Электрооборудование
Подгруппа
Сигналы звуковые
Порядковый номер детали
000
71
71
Артикул: Т4-48-041
нет в наличии
Провод от сигнала на массу
Количество на схеме: 1
Информация
Провод от сигнала на массу
Количество
1
Масса;Материал;
;Провод ПГВА;
72
72
Артикул: РР362-3702000Б
нет в наличии
Реле-регулятор РР362-Б
Количество на схеме: 1
Информация
Реле-регулятор РР362-Б
Количество
1
Масса;Материал;
;;
Модель
РР362
Группа
Электрооборудование
Подгруппа
Реле-регулятор (напряжения)
Порядковый номер детали
000
73
73
Артикул: Т4-48-036-1
нет в наличии
Провод от клеммы «Ш» генератора к клемме «Ш» реле-регулятора
Количество на схеме: 1
Информация
Провод от клеммы «Ш» генератора к клемме «Ш» реле-регулятора
Количество
1
Масса;Материал;
;Провод ПГВА;
74
74
Артикул: Т4-48-050
нет в наличии
Провод от клеммы В генератора к клемме В реле-регулятора
Количество на схеме: 1
Информация
Провод от клеммы В генератора к клемме В реле-регулятора
Количество
1
Масса;Материал;
;Провод ПГВА;
75
75
Артикул: Т4-48-057
нет в наличии
Провод от клеммы М генератора к клемме М реле-регулятора
Количество на схеме: 1
Информация
Провод от клеммы М генератора к клемме М реле-регулятора
Количество
1
Масса;Материал;
;Провод ПГВА;
76
76
Артикул: 76Т-52сб-106
нет в наличии
Включатель сигнала ВК 322
Количество на схеме: 1
Информация
Включатель сигнала ВК 322
Количество
1
Масса;Материал;
;;
77
77
Артикул: 04-48-215
нет в наличии
Пластина амортизатора
Количество на схеме: 2
Информация
Пластина амортизатора
Количество
2
Масса;Материал;
0,023;Сталь 10;
78
78
Артикул: ГК-М8
нет в наличии
Гайка
Количество на схеме: 4
Информация
Гайка
Количество
4
Масса;Материал;
;;
79
79
Артикул: 04-48-224
нет в наличии
Колпачок
Количество на схеме: 2
Информация
Колпачок
Количество
2
Масса;Материал;
0,022;Сталь 10;
80
80
Артикул: 04-48-225
нет в наличии
Фланец
Количество на схеме: 2
Информация
Фланец
Количество
2
Масса;Материал;
0,016;Сталь 10;
81
81
Артикул: 04-48-131
нет в наличии
Перемычка от фонаря на массу
Количество на схеме: 1
Информация
Перемычка от фонаря на массу
Количество
1
Масса;Материал;
0,005;Сталь 10;
81
81
Артикул: Ш-4Х25
нет в наличии
Шплинт
Количество на схеме: 8
Информация
Шплинт
Количество
8
Масса;Материал;
;;
82
82
Артикул: 04-48-227
нет в наличии
Перемычка от включателя сигнала на массу
Количество на схеме: 1
Информация
Перемычка от включателя сигнала на массу
Количество
1
Масса;Материал;
0,020;Сталь 10;
83
83
Артикул: ЗТ2-4Х6ПФ
нет в наличии
Заклепка
Количество на схеме: 4
Информация
Заклепка
Количество
4
Масса;Материал;
;;
84
84
Артикул: 04-48-120-3
нет в наличии
Таблица включателей
Количество на схеме: 1
Информация
Таблица включателей
Количество
1
Масса;Материал;
0,007;Дюралюминий Д16 АВТ;
85
85
Артикул: 04-48-140-3
нет в наличии
Щиток приборов
Количество на схеме: 1
Информация
Щиток приборов
Количество
1
Масса;Материал;
1,050;Сталь 08;
86
86
Артикул: 76Т-23-382
нет в наличии
Скоба
Количество на схеме: 1
Информация
Скоба
Количество
1
Масса;Материал;
0,005;Сталь 08;
87
87
Артикул: 04-48-226
нет в наличии
Амортизатор щитка приборов
Количество на схеме: 2
Информация
Амортизатор щитка приборов
Количество
2
Масса;Материал;
0,090;Резина;
88
88
Артикул: БНП-М8Х30
нет в наличии
Болт
Количество на схеме: 8
Информация
Болт
Количество
8
Масса;Материал;
;;
89
89
Артикул: 04-48-230
нет в наличии
Пластина амортизатора
Количество на схеме: 2
Информация
Пластина амортизатора
Количество
2
Масса;Материал;
0,025;Сталь 10;
90
90
Артикул: Т4-48-118
нет в наличии
Кожух уплотнителя
Количество на схеме: 1
Информация
Кожух уплотнителя
Количество
1
Масса;Материал;
0,045;Сталь 10;
91
91
Артикул: Т4-48-117
нет в наличии
Уплотнитель
Количество на схеме: 1
Информация
Уплотнитель
Количество
1
Масса;Материал;
0,035;Резина;
92
92
Артикул: Г-М4
нет в наличии
Гайка
Количество на схеме: 10
Информация
Гайка
Количество
10
Масса;Материал;
;;
93
93
Артикул: Т4-48-018
нет в наличии
Провод от предохранителя к выключателю сигнала
Количество на схеме: 5
Информация
Провод от предохранителя к выключателю сигнала
Количество
5
Масса;Материал;
;Провод ПГВА;
94
94
Артикул: В2-М5Х22
нет в наличии
Винт
Количество на схеме: 2
Информация
Винт
Количество
2
Масса;Материал;
;;
95
95
Артикул: Т4-48-102
нет в наличии
Окантовка
Количество на схеме: 4
Информация
Окантовка
Количество
4
Масса;Материал;
0,12;Сталь 10;
96
96
Артикул: Т4-48-107
нет в наличии
Прокладка
Количество на схеме: 4
Информация
Прокладка
Количество
4
Масса;Материал;
0,03;Резина;
97
97
Артикул: ГШ-М14
нет в наличии
Гайка М14
Количество на схеме: 8
Информация
Гайка М14
Количество
8
Масса;Материал;
;;
97
97
Артикул: Т4-48-105
нет в наличии
Кожух
Количество на схеме: 2
Информация
Кожух
Количество
2
Масса;Материал;
0,6;Сталь 10;
99
99
Артикул: ЗДБ-516147А
нет в наличии
Лампа переносная ПЛ-64РIК
Количество на схеме: 1
Информация
Лампа переносная ПЛ-64РIК
Количество
1
Масса;Материал;
;;
Покрытие
без покрытия
99
99
Артикул: ХС-51
нет в наличии
Хомутик стяжной
Количество на схеме: 4
Информация
Хомутик стяжной
Количество
4
Масса;Материал;
;;
100
100
Артикул: А12-15
нет в наличии
Электролампа 12 в, 15 св
Количество на схеме: 1
Информация
Электролампа 12 в, 15 св
Количество
1
Масса;Материал;
;;
101
101
Артикул: 60-51-002
нет в наличии
Проволока ограждения
Количество на схеме: 16
Информация
Проволока ограждения
Количество
16
Масса;Материал;
;Проволока КС;
102
102
Артикул: Т4-48-048
нет в наличии
Провод от включателя к левой фаре
Количество на схеме: 1
Информация
Провод от включателя к левой фаре
Количество
1
Масса;Материал;
;Провод ПГВА;
103
103
Артикул: 04-48-228
нет в наличии
Прокладка
Количество на схеме: 1
Информация
Прокладка
Количество
1
Масса;Материал;
0,004;Резина;
104
104
Артикул: В2-М3Х25
нет в наличии
Винт
Количество на схеме: 2
Информация
Винт
Количество
2
Масса;Материал;
;;
105
105
Артикул: 6ТБ-266003
нет в наличии
Розетка штепсельная 47 «К»
Количество на схеме: 1
Информация
Розетка штепсельная 47 «К»
Количество
1
Масса;Материал;
;;
Покрытие
без покрытия
106
106
Артикул: Т4-48-119
нет в наличии
Прокладка
Количество на схеме: 1
Информация
Прокладка
Количество
1
Масса;Материал;
0,004;Резина;
107
107
Артикул: ШЧ-3
нет в наличии
Шайба
Количество на схеме: 2
Информация
Шайба
Количество
2
Масса;Материал;
;;
108
108
Артикул: ГШ-М3
нет в наличии
Гайка
Количество на схеме: 2
Информация
Гайка
Количество
2
Масса;Материал;
;;
109
109
Артикул: ГШ-М8
нет в наличии
Гайка
Количество на схеме: 4
Информация
Гайка
Количество
4
Масса;Материал;
;;
110
110
Артикул: 04-48-035
нет в наличии
Предохранитель термобиметаллический ПР2-Б
Количество на схеме: 1
Информация
Предохранитель термобиметаллический ПР2-Б
Количество
1
Масса;Материал;
;;
111
111
Артикул: 04-48-017-1
нет в наличии
Провод от переключателя к предохранителю
Количество на схеме: 1
Информация
Провод от переключателя к предохранителю
Количество
1
Масса;Материал;
;Провод ПГВА;
112
112
Артикул: 75Т-07сб-333
нет в наличии
Фонарь контрольной лампы ПД20-Е
Количество на схеме: 1
Информация
Фонарь контрольной лампы ПД20-Е
Количество
1
Масса;Материал;
;;
113
113
Артикул: 04-48-159
нет в наличии
Включатель ВК57
Количество на схеме: 3
Информация
Включатель ВК57
Количество
3
Масса;Материал;
0,032;;
114
114
Артикул: 04-48-119-2
нет в наличии
Перемычка выключателей
Количество на схеме: 1
Информация
Перемычка выключателей
Количество
1
Масса;Материал;
0,004;Сталь 10;
115
115
Артикул: 54-48-060зам
нет в наличии
Переключатель П-57
Количество на схеме: 1
Информация
Переключатель П-57
Количество
1
Масса;Материал;
;;
116
116
Артикул: Т4-48-058
нет в наличии
Провод от штепсельной розетки к клемме «-» амперметра
Количество на схеме: 1
Информация
Провод от штепсельной розетки к клемме «-» амперметра
Количество
1
Масса;Материал;
;Провод ПГВА;
117
117
Артикул: 76Т-52сб-120-1
нет в наличии
Указатель температуры воды дистанционный парожидкостный УТ 200-Г
Количество на схеме: 1
Информация
Указатель температуры воды дистанционный парожидкостный УТ 200-Г
Количество
1
Масса;Материал;
;;
118
118
Артикул: 04-48-065-2
нет в наличии
Патрон. контрольной лампы (ПП24-Б)
Количество на схеме: 2
Информация
Патрон. контрольной лампы (ПП24-Б)
Количество
2
Масса;Материал;
;;
119
119
Артикул: А12-1,5
нет в наличии
Электролампа 12 в, 1,5 св
Количество на схеме: 2
Информация
Электролампа 12 в, 1,5 св
Количество
2
Масса;Материал;
;;
120
120
Артикул: 60-48-017
нет в наличии
Кольцо уплотнительное
Количество на схеме: 2
Информация
Кольцо уплотнительное
Количество
2
Масса;Материал;
0,020;Резина 7-В-14;
120
120
Артикул: 76Т-52сб-121-1
нет в наличии
Указатель температуры масла дистанционный парожидкостный УТ 201-И
Количество на схеме: 1
Информация
Указатель температуры масла дистанционный парожидкостный УТ 201-И
Количество
1
Масса;Материал;
;;
121
121
Артикул: МД224-3810500Г
нет в наличии
Манометр масла МД-224Г
Количество на схеме: 1
Информация
Манометр масла МД-224Г
Количество
1
Масса;Материал;
;;
Модель
МД224
Группа
Приборы
Подгруппа
Манометры (указатель давления масла)
Порядковый номер детали
500
121
121
Артикул: РКIII-1/4"
нет в наличии
Пробка КГ-1/4", ГОСТ 12720-67
Количество на схеме: 3
Информация
Пробка КГ-1/4", ГОСТ 12720-67
Количество
3
Масса;Материал;
;;
122
122
Артикул: АП200-3811000Г
нет в наличии
Амперметр АП200
Количество на схеме: 1
Информация
Амперметр АП200
Количество
1
Масса;Материал;
;;
Модель
АП200
Группа
Приборы
Подгруппа
Указатель тока (амперметр)
Порядковый номер детали
000
123
123
Артикул: ПЖ--диаметром-1Х175
нет в наличии
Проволока контровочная
Количество на схеме: 1
Информация
Проволока контровочная
Количество
1
Масса;Материал;
;;
123
123
Артикул: Ф8Х1
нет в наличии
Трубка
Количество на схеме: 1
Информация
Трубка
Количество
1
Масса;Материал;
I=320;Полихлорвинил;
124
124
Артикул: Ф12Х0,8
нет в наличии
Трубка
Количество на схеме: 1
Информация
Трубка
Количество
1
Масса;Материал;
I=3300;Полихлорвинил;
125
125
Артикул: Ф12Х1
нет в наличии
Трубка
Количество на схеме: 1
Информация
Трубка
Количество
1
Масса;Материал;
I=580;Полихлорвинил;
126
126
Артикул: Т4-48-046
нет в наличии
Провод от стартера к клемме «-» амперметра
Количество на схеме: 1
Информация
Провод от стартера к клемме «-» амперметра
Количество
1
Масса;Материал;
;Провод ПГВА;
127
127
Артикул: Т4-48-051
нет в наличии
Провод от клеммы В реле-регулятора к клемме «+» амперметра
Количество на схеме: 1
Информация
Провод от клеммы В реле-регулятора к клемме «+» амперметра
Количество
1
Масса;Материал;
;Провод ПГВА;
128
128
Артикул: Т4-48-039
нет в наличии
Провод от клеммы Ш реле-регулятора к фонарю контрольной лампы
Количество на схеме: 1
Информация
Провод от клеммы Ш реле-регулятора к фонарю контрольной лампы
Количество
1
Масса;Материал;
;Провод ПГВА;
129
129
Артикул: 04-48-013-6
нет в наличии
Провод от клеммы «+» амперметра к предохранителю
Количество на схеме: 1
Информация
Провод от клеммы «+» амперметра к предохранителю
Количество
1
Масса;Материал;
;Провод ПГВА;
130
130
Артикул: 04-48-212-5
нет в наличии
Трубка манометра масла
Количество на схеме: 1
Информация
Трубка манометра масла
Количество
1
Масса;Материал;
0,220;Трубка свертная Сталь 08кп омедненная;
131
131
Артикул: 04-48-211
нет в наличии
Скоба закрытая
Количество на схеме: 3
Информация
Скоба закрытая
Количество
3
Масса;Материал;
0,012;Сталь Ст.3пс;
132
132
Артикул: 54-48-419
нет в наличии
трубка капиллярная защитная
Количество на схеме: 3
Информация
трубка капиллярная защитная
Количество
3
Масса;Материал;
0,001;Резина;
132
132
Артикул: БНП-М8Х14
нет в наличии
Болт
Количество на схеме: 1
Информация
Болт
Количество
1
Масса;Материал;
;;
133
133
Артикул: ГСМ-М10Х1
нет в наличии
Гайка
Количество на схеме: 1
Информация
Гайка
Количество
1
Масса;Материал;
;;
134
134
Артикул: МС-6
нет в наличии
Муфта конусная
Количество на схеме: 2
Информация
Муфта конусная
Количество
2
Масса;Материал;
;;
135
135
Артикул: 04-48-037-2
нет в наличии
Провод от генератора на массу
Количество на схеме: 1
Информация
Провод от генератора на массу
Количество
1
Масса;Материал;
;Провод ПГВА;
136
136
Артикул: Г304Б1-3701000Г
нет в наличии
Генератор Г304Б1
Количество на схеме: 1
Информация
Генератор Г304Б1
Количество
1
Масса;Материал;
;;
Модель
Г304Б1
Группа
Электрооборудование
Подгруппа
Генератор
Порядковый номер детали
000
137
137
Артикул: БНП-М10Х20
нет в наличии
Болт
Количество на схеме: 7
Информация
Болт
Количество
7
Масса;Материал;
;;
137
137
Артикул: Т4-48-059
нет в наличии
Провод от штепсельной розетки к клемме «-» аккумулятора
Количество на схеме: 1
Информация
Провод от штепсельной розетки к клемме «-» аккумулятора
Количество
1
Масса;Материал;
;Провод ПГВА;
138
138
Артикул: Т4-48-047
нет в наличии
Провод от включателя к правой фаре
Количество на схеме: 1
Информация
Провод от включателя к правой фаре
Количество
1
Масса;Материал;
;Провод ПГВА;
138
138
Артикул: ШП-10Н
нет в наличии
Шайба пружинная 10Н65Г, ГОСТ 6402-61
Количество на схеме: 7
Информация
Шайба пружинная 10Н65Г, ГОСТ 6402-61
Количество
7
Масса;Материал;
;;
139
139
Артикул: А12-50+21
нет в наличии
Электролампа 120, 50+21 св
Количество на схеме: 4
Информация
Электролампа 120, 50+21 св
Количество
4
Масса;Материал;
;;
140
140
Артикул: 12-51-135
нет в наличии
Лапка
Количество на схеме: 2
Информация
Лапка
Количество
2
Масса;Материал;
0,030;Сталь Ст.3пс;
141
141
Артикул: 04-48-170-2
нет в наличии
Болт стяжной
Количество на схеме: 2
Информация
Болт стяжной
Количество
2
Масса;Материал;
0,045;Сталь 20;
142
142
Артикул: 04-48-147-1
нет в наличии
Поддон аккумулятора
Количество на схеме: 1
Информация
Поддон аккумулятора
Количество
1
Масса;Материал;
0,920;Сталь 10;
143
143
Артикул: 60-48-031
нет в наличии
Шайба стопорная
Количество на схеме: 1
Информация
Шайба стопорная
Количество
1
Масса;Материал;
0,023;Сталь 10;
143
143
Артикул: ШП-10Т
нет в наличии
Шайба пружинная
Количество на схеме: 3
Информация
Шайба пружинная
Количество
3
Масса;Материал;
;;
144
144
Артикул: 60-48-010
нет в наличии
Головка штока
Количество на схеме: 1
Информация
Головка штока
Количество
1
Масса;Материал;
3,819;Сталь 45;
144
144
Артикул: БНП-М10Х20
нет в наличии
Болт
Количество на схеме: 3
Информация
Болт
Количество
3
Масса;Материал;
;;
145
145
Артикул: 04-48-111
нет в наличии
Прокладка
Количество на схеме: 1
Информация
Прокладка
Количество
1
Масса;Материал;
0,038;Резина;
145
145
Артикул: 60-48-021
нет в наличии
Втулка шарнира
Количество на схеме: 4
Информация
Втулка шарнира
Количество
4
Масса;Материал;
0,715;Сталь 45;
146
146
Артикул: БНП-М8Х30
нет в наличии
Болт
Количество на схеме: 2
Информация
Болт
Количество
2
Масса;Материал;
;;
146
146
Артикул: ЗП-10Х70
нет в наличии
Заклепка
Количество на схеме: 8
Информация
Заклепка
Количество
8
Масса;Материал;
;;
147
147
Артикул: 04-48-109-1
нет в наличии
Прокладка
Количество на схеме: 1
Информация
Прокладка
Количество
1
Масса;Материал;
0,060;Резина;
147
147
Артикул: 60-48-022
нет в наличии
Шарнир
Количество на схеме: 2
Информация
Шарнир
Количество
2
Масса;Материал;
1,619;Сталь 45Х;
148
148
Артикул: 04-42-240-2
нет в наличии
Рамка
Количество на схеме: 1
Информация
Рамка
Количество
1
Масса;Материал;
0,460;Сталь 08кп;
148
148
Артикул: 60-48-030
нет в наличии
Манжетодержатель
Количество на схеме: 1
Информация
Манжетодержатель
Количество
1
Масса;Материал;
0,085;Сталь 20;
149
149
Артикул: 60-48-011
нет в наличии
Манжета 60Х80 ГОСТ 6969-54
Количество на схеме: 2
Информация
Манжета 60Х80 ГОСТ 6969-54
Количество
2
Масса;Материал;
0,019;Резина В-14;
149
149
Артикул: 75-48-052-1
нет в наличии
Аккумуляторная батарея 6ТСТ-45ПМС
Количество на схеме: 1
Информация
Аккумуляторная батарея 6ТСТ-45ПМС
Количество
1
Масса;Материал;
;;
150
150
Артикул: 04-48-132-2
нет в наличии
Крышка
Количество на схеме: 1
Информация
Крышка
Количество
1
Масса;Материал;
0,59;Фенопласт К-18-2;
150
150
Артикул: 76Т-48-025-1
нет в наличии
Втулка
Количество на схеме: 1
Информация
Втулка
Количество
1
Масса;Материал;
0,681;Чугун СЧ 18-36;
151
151
Артикул: 36-4202035
нет в наличии
Кольцо пружинное
Количество на схеме: 1
Информация
Кольцо пружинное
Количество
1
Масса;Материал;
0,029;Сталь 65Г;
Модель
36
Группа
Спецоборудование
Подгруппа
Коробка отбора мощности односкоростная
Порядковый номер детали
035
152
152
Артикул: 60-48-016
нет в наличии
Прокладка цилиндра
Количество на схеме: 2
Информация
Прокладка цилиндра
Количество
2
Масса;Материал;
0,032;Паронит УВ-10;
153
153
Артикул: 60-48-027
нет в наличии
Шток
Количество на схеме: 1
Информация
Шток
Количество
1
Масса;Материал;
9,531;Сталь 45;
155
155
Артикул: 60-48-028
нет в наличии
Хвостовик штока
Количество на схеме: 1
Информация
Хвостовик штока
Количество
1
Масса;Материал;
2,865;Сталь 45;
156
156
Артикул: 60-48-026
нет в наличии
Кольцо уплотнительное
Количество на схеме: 1
Информация
Кольцо уплотнительное
Количество
1
Масса;Материал;
0,0025;Резина марки 3826;
158
158
Артикул: 60-48-007
нет в наличии
Кольцо поршневое
Количество на схеме: 3
Информация
Кольцо поршневое
Количество
3
Масса;Материал;
0,115;Чугун серый маслотный;
159
159
Артикул: 60-48-009-А
нет в наличии
Гайка
Количество на схеме: 1
Информация
Гайка
Количество
1
Масса;Материал;
0,366;Сталь 45;
160
160
Артикул: Ш-6Х90
нет в наличии
Шплинт
Количество на схеме: 1
Информация
Шплинт
Количество
1
Масса;Материал;
;;
161
161
Артикул: БНП-М16Х1,5ХХ50
нет в наличии
Болт
Количество на схеме: 24
Информация
Болт
Количество
24
Масса;Материал;
;;
162
162
Артикул: ШП-16Т
нет в наличии
Шайба пружинная
Количество на схеме: 26
Информация
Шайба пружинная
Количество
26
Масса;Материал;
;;
  • Грузовые автомобили
  • Автобусы
  • Сельхозтехника
  • Спецтехника
  • Двигатели
Получить оптовый прайс-лист
Скачать прайс-лист от 07.05.2026 08:00
Специальное предложение от 06.05.2026 17:00
Производители:


  • WEICHAI
  • Автодизель ПАО (ЯМЗ)
  • Тутаевский МЗ
  • ЯЗДА
  • УралАЗ
  • МАЗ
  • АЗПИ
  • BOSCH
  • ММЗ
  • ШААЗ
  • FEDERAL MOGUL
  • ПРАМО
  • Мотордеталь
  • ТАИМ
  • АвтоКрАЗ
  • БЕЛКАРД
  • CZ Strakonice
  • КамАЗ
  • БЗА
  • ЧМЗ
  • BMZ
Новости
Все новости
25 марта 2024
Флагманский седельный тягач «Валдай 45» на выставке «TransRussia»
10 марта 2024
Современные автобусы «CITYMAX 9» и ЛиАЗ-5292 CNG
25 февраля 2024
Серийное производство средних дизельных двигателей повышенной мощности от ЯМЗ
Статьи
Все статьи
Датчики двигателя: за что они отвечают, признаки неисправности и как не прогадать с выбором
Двигатели ЯМЗ-534: история, технические характеристики и области применения
Двигатели ЯМЗ 650: углублённый технический обзор и история
Компания
О компании
Реквизиты
Новости
Политика
Магазины
Информация
Условия оплаты
Условия доставки
Гарантия на товар
Обмен и возврат товара
Помощь
Как оформить заказ
Полезные статьи
Бренды
Пункты выдачи
Оставайтесь на связи
  • Вконтакте
  • YouTube
  • Одноклассники
  • Google Plus
Увидели ошибку?
Выделите, нажав Ctrl + Enter
Наши контакты
8-800-700-35-68
sales@din76.ru
г. Ярославль, Ленинградский пр-т 33, ТЦ "ОМЕГА"
2026 © ООО «Динамика 76» - Все права защищены ООО "Динамика 76"
Предложения на сайте не являются публичной офертой.
На сайте обнаружена ошибка

Текст с ошибкой