Избранное 0 Корзина 0 Личный кабинет
logo
Каталог
Каталог
  • Справочник
    • Грузовые автомобили
    • Автобусы
    • Сельхозтехника
    • Спецтехника
    • Двигатели
  • Доставка
  • Оплата
  • О компании
    • Реквизиты
    • Магазины
    • Оплата
    • Доставка
    • Лицензии и сертификаты
    • Новости
    • Вакансии
  • Контакты
Отправить заявку
Личный кабинет
8 (800) 700-35-68
sales@din76.ru
Избранное 0 Корзина 0
8 (800) 700-35-68
Оптовый прайс-лист
Каталог
  • Двигатели
  • Запчасти WEICHAI
  • Запчасти ЯМЗ, ТМЗ (V-образные)
  • Запчасти ЯМЗ-534, ЯМЗ-536
  • Запчасти ЯМЗ-650, ЯМЗ-651, DCi-11
  • Топливная аппаратура
  • Запчасти УРАЛ
  • Запчасти МАЗ
  • Запчасти КамАЗ
  • Запчасти ММЗ
  • Ремни
Автокаталог (справочник)
  • Доставка
  • Оплата
  • О компании
  • Контакты
8 (800) 700-35-68
Написать в Whatsapp
sales@din76.ru
Динамика 76
Меню  
  • Каталог
    • Двигатели  
      • Двигатели ТМЗ  
        • Двигатели ТМЗ для автомобилей
        • Двигатели ТМЗ для тракторов
        • Специальные двигатели ТМЗ
        • Промышленные двигатели ТМЗ
      • Двигатели ЯМЗ  
        • ЯМЗ 236
        • ЯМЗ 238
        • ЯМЗ 240
        • ЯМЗ 751
        • ЯМЗ 840
        • ЯМЗ 850
        • ЯМЗ 656
        • ЯМЗ 658
        • ЯМЗ 534
        • ЯМЗ 536
        • ЯМЗ 650
        • Двигатели ЯМЗ для электростанций
      • Двигатели КАМАЗ
      • Двигатели ММЗ
      • Двигатели индивидуальной сборки
      • Комплекты переоборудования
    • Запчасти WEICHAI  
      • Основные запчасти двигателя  
        • Клапаны и толкатели
        • Шатуны
        • Вал коленчатый и маховик
        • Вал распределительный
        • Цилиндро-поршневая группа
      • Система питания  
        • Форсунки
        • Турбокомпрессор
      • Система смазки  
        • Насос масляный
      • Головка блока
      • Ремкомплекты
      • Система охлаждения  
        • Насос водяной
        • Муфта вязкостная и крыльчатка
      • Фильтры
      • Электрооборудование  
        • Генератор
        • Стартер
    • Запчасти ЯМЗ, ТМЗ (V-образные)  
      • Основные запчасти двигателя  
        • Блок двигателя и комплектующие
        • Валы распределительные и клапаны
        • Головка блока и комплектующие
        • Цилиндро-поршневая группа
        • Маховики и комплектующие
        • Валы коленчатые и комплектующие
        • Шатуны и комплектующие
      • Система питания  
        • Коллекторы и патрубки
        • Топливные трубопроводы
        • Турбокомпрессор
        • Топливные фильтры
      • Электрооборудование двигателя
      • Система охлаждения  
        • Вязкостные муфты и крыльчатки
        • Приводы вентилятора
        • Водяные насосы
        • Водяные трубы и термостаты
      • Коробки переключения передач  
        • 8 Ступенчатые КПП
        • 5 Ступенчатые КПП
        • 9 Ступенчатые КПП
        • Запасные части КПП ЯМЗ, ТМЗ
      • Система смазки  
        • Теплообменник и комплектующие
        • Масляные насосы
        • Фильтры масляные (ФГОМ, ФЦОМ)
      • Сцепление  
        • Запасные части механизма сцепления
        • Муфты (подшипники выжимные)
        • Корзины (диски нажимные)
        • Диски ведомые
      • Прочие запчасти двигателя  
        • Ремкомплекты
        • Привод агрегатов
        • Натяжные устройства
        • Трубки
    • Запчасти ЯМЗ-534, ЯМЗ-536  
      • Основные запчасти двигателя  
        • Цилиндро-поршневая группа
        • Головка блока цилиндров и комплектующие
        • Блок цилиндров и комплектующие
        • Вал коленчатый и маховик
        • Вал распределительный
        • Клапаны и толкатели
        • ГУР (Гидроусилитель руля)
        • Система рециркуляции отработавших газов
        • Выпускной коллектор
      • Система питания  
        • Коллекторы и патрубки
        • Топливные фильтры
        • Турбокомпрессор
        • Топливные трубопроводы
      • Система смазки  
        • Масляный картер поддон
        • Масляный насос
        • Теплообменник /Водо-масляный радиатор
        • Фильтры масляные (ФГОМ, ФЦОМ)
      • Пневмокомпрессор и натяжное
      • Система охлаждения  
        • Водяной насос
        • Водяные трубы и патрубки
        • Муфты вязкостные, приводы, крыльчатки
      • Ремкомплекты
      • Сцепление
      • Электрооборудование
    • Запчасти ЯМЗ-650, ЯМЗ-651, DCi-11  
      • Основные запчасти двигателя  
        • Цилиндро-поршневая группа
        • Головка блока цилиндров и комплектующие
        • Блок цилиндров и комплектующие
        • Вал коленчатый и маховик
        • Выпускной коллектор
        • Вал распределительный
        • Клапаны и толкатели
        • ГУР (Гидроусилитель руля)
        • Система рециркуляции отработавших газов
      • Система питания  
        • Коллекторы и патрубки
        • Топливные трубопроводы
        • Топливные фильтры
        • Турбокомпрессор
      • Система смазки  
        • Масляный картер / поддон
        • Масляный насос
        • Теплообменник / Водо-масляный радиатор
        • Фильтры масляные (ФГОМ, ФЦОМ)
      • Система охлаждения  
        • Водяной насос
        • Водяные трубы и патрубки
        • Муфты вязкостные, приводы, крыльчатки
      • Ремкомплекты
      • Пневмокомпрессор и натяжное
      • Электрооборудование
      • Сцепление
    • Топливная аппаратура  
      • ЯЗДА  
        • Распылители
        • ТНВД
        • Форсунки
        • Топливный насос низкого давления
        • Пары плунжерные
        • Муфта опережения впрыска топлива
        • Запчасти и комплектующие ТНВД
      • НЗТА
      • АЗПИ  
        • Распылители
        • Форсунки
      • BOSCH
    • Запчасти УРАЛ  
      • Трансмиссия  
        • Коробка раздаточная
        • Передача карданная
        • Мост задний
        • Мост передний (ведущий)
        • Мост средний (промежуточный)
      • Кузов  
        • Дверь кабины
        • Капот, крылья, облицовка радиатора
        • Окно ветровое и заднее
        • Отопление и вентиляция кабины
        • Кабина
      • Механизмы управления  
        • Управление рулевое
        • Тормоза
      • Дополнительное оборудование  
        • Отбор мощности
        • Устройство седельное
      • Электрооборудование
      • Ходовая часть  
        • Колеса и ступицы
        • Ось передняя
        • Подвеска автомобиля
        • Рама
    • Запчасти МАЗ  
      • Трансмиссия  
        • Мост задний
        • Мост передний (ведущий)
        • Передача карданная
        • Мост средний (промежуточный)
      • Кузов  
        • Кабина
        • Дверь кабины
        • Детали основания кабины
        • Окно ветровое и заднее
        • Платформа
      • Механизмы управления  
        • Тормоза
        • Управление рулевое
      • Ходовая часть  
        • Колеса и ступицы
        • Ось передняя
        • Подвеска автомобиля
        • Рама
    • Запчасти КамАЗ  
      • Кузов  
        • Кабина
        • Капот, крылья, облицовка радиатора
        • Дверь кабины
        • Платформа
        • Окно ветровое и заднее
        • Устройство подъемное и опрокидывающее
        • Сиденье
        • Крыша кабины (крыша кузова)
        • Отопление и вентиляция кабины
      • Трансмиссия  
        • Коробка передач
        • Коробка раздаточная
        • Мост задний
        • Сцепление
        • Мост средний (промежуточный)
        • Передача карданная
        • Мост передний (ведущий)
      • Двигатель  
        • Основные запчасти двигателя
        • Система охлаждения
        • Система питания
        • Система смазки
      • Дополнительное оборудование  
        • Отбор мощности
        • Устройство седельное
      • Ходовая часть  
        • Подвеска автомобиля
        • Рама
        • Колеса и ступицы
        • Ось передняя
      • Механизмы управления  
        • Тормоза
        • Управление рулевое
      • Электрооборудование
    • Запчасти ММЗ
    • Ремни
  • Справочник
    • Грузовые автомобили
    • Автобусы
    • Сельхозтехника
    • Спецтехника
    • Двигатели
  • Как купить
    • Условия оплаты
    • Условия доставки
    • Гарантия на товар
    • Пункты выдачи
  • Услуги
    • Капитальный ремонт двигателей ЯМЗ
  • Акции
  • Статьи
  • Контакты
  • Компания
    • Реквизиты
    • Магазины
    • Оплата
    • Доставка
    • Лицензии и сертификаты
    • Новости
    • Вакансии
Избранное 0 Корзина 0
8-800-700-35-68

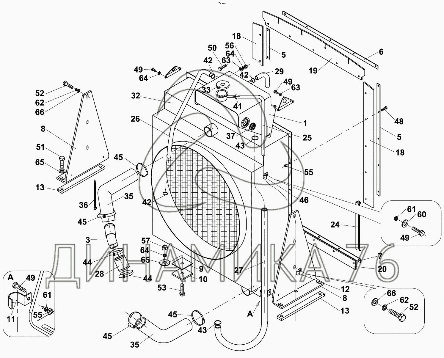
ОХЛАЖДЕНИЕ;COOLING на ASC 120 (до 2011 г.)

Справочник
Главная
-
Автокаталог
-
Спецтехника
-
Ammann
-
ASC 120
Справочный каталог

ОХЛАЖДЕНИЕ;COOLING — ASC 120:

4-107053 1 3 5 5 6 7 8 8 9 10 11 12 13 13 18 18 19 20 24 25 26 27 28 29 32 33 35 35 36 37 41 42 42 42 43 43 44 44 45 45 45 45 46 48 49 49 49 49 50 51 52 52 53 55 55 56 57 60 61 61 62 62 63 63 64 64 64 65 65 66 66
в наличии
нет в наличии
масштаб

В наличии
Нет в наличии

Перечень комплектующих от ОХЛАЖДЕНИЕ;COOLING на ASC 120

Схемы запчастей предназначены для справочных целей! Мы продаем не все запчасти от ОХЛАЖДЕНИЕ;COOLING на ASC 120, представленные в этом списке.
Наличие на складах по деталям с ценой смотрите в карточке товара.
Артикул: 4-107053
нет в наличии
Cooling system
Количество на схеме: 1
Информация
Cooling system
Количество
1
Примечание
80,000
Покрытие
без покрытия
1
1
Артикул: 4-209462
нет в наличии
Tank
Количество на схеме: 1
Информация
Tank
Количество
1
Примечание
4,600
Покрытие
без покрытия
3
3
Артикул: 4-440832
нет в наличии
Manifold
Количество на схеме: 1
Информация
Manifold
Количество
1
Примечание
0,400
Покрытие
без покрытия
5
5
Артикул: 4-319847
нет в наличии
Plate
Количество на схеме: 2
Информация
Plate
Количество
2
Примечание
0,360
Покрытие
без покрытия
6
6
Артикул: 4-319849
нет в наличии
Plate
Количество на схеме: 1
Информация
Plate
Количество
1
Примечание
0,270
Покрытие
без покрытия
7
7
Артикул: 4-319865
нет в наличии
Plate
Количество на схеме: 1
Информация
Plate
Количество
1
Примечание
0,250
Покрытие
без покрытия
8
8
Артикул: 4-208617
нет в наличии
Bracket
Количество на схеме: 2
Информация
Bracket
Количество
2
Примечание
5,960
Покрытие
без покрытия
9
9
Артикул: 4-436785
нет в наличии
Spacer
Количество на схеме: 4
Информация
Spacer
Количество
4
Примечание
0,075
Покрытие
без покрытия
10
10
Артикул: 4-436786
нет в наличии
Spacer
Количество на схеме: 4
Информация
Spacer
Количество
4
Примечание
0,110
Покрытие
без покрытия
11
11
Артикул: 4-437276
нет в наличии
Clip
Количество на схеме: 1
Информация
Clip
Количество
1
Примечание
0,030
Покрытие
без покрытия
12
12
Артикул: 4-5531020095
нет в наличии
Clip
Количество на схеме: 1
Информация
Clip
Количество
1
Примечание
0,030
Модель
4
Подгруппа
5531
Порядковый номер детали
020
Дополнительно
Не взаимозаменяема с деталью, выпущенной ранее под этим же номером
13
13
Артикул: 4-436800
нет в наличии
Plate
Количество на схеме: 2
Информация
Plate
Количество
2
Примечание
0,800
Покрытие
без покрытия
18
18
Артикул: 4-319859
нет в наличии
ЩИТОК
Количество на схеме: 2
Информация
ЩИТОК
Количество
2
Примечание
0,670
Покрытие
без покрытия
19
19
Артикул: 4-319854
нет в наличии
ЩИТОК
Количество на схеме: 1
Информация
ЩИТОК
Количество
1
Примечание
0,800
Покрытие
без покрытия
20
20
Артикул: 4-319855
нет в наличии
Diaphragm
Количество на схеме: 1
Информация
Diaphragm
Количество
1
Примечание
0,250
Покрытие
без покрытия
24
24
Артикул: 4-612158
нет в наличии
Gasket
Количество на схеме: 2
Информация
Gasket
Количество
2
Примечание
0,050
Покрытие
без покрытия
25
25
Артикул: 4-612160
нет в наличии
Hose
Количество на схеме: 1
Информация
Hose
Количество
1
Примечание
0,080
Покрытие
без покрытия
26
26
Артикул: 4-613654
нет в наличии
Hose
Количество на схеме: 1
Информация
Hose
Количество
1
Примечание
0,200
Покрытие
без покрытия
27
27
Артикул: 4-612157
нет в наличии
Cooler hose
Количество на схеме: 1
Информация
Cooler hose
Количество
1
Примечание
0,400
Покрытие
без покрытия
28
28
Артикул: 4-612802
нет в наличии
Clutch
Количество на схеме: 1
Информация
Clutch
Количество
1
Примечание
0,040
Покрытие
без покрытия
29
29
Артикул: 4-611818
нет в наличии
Hose
Количество на схеме: 1
Информация
Hose
Количество
1
Примечание
0,040
Покрытие
без покрытия
32
32
Артикул: 4-5358140067
нет в наличии
РАДИАТОР
Количество на схеме: 1
Информация
РАДИАТОР
Количество
1
Примечание
52,500
Модель
4
Группа
Передок кабины
Подгруппа
5358
Порядковый номер детали
140
Дополнительно
Не взаимозаменяема с деталью, выпущенной ранее под этим же номером
33
33
Артикул: 4-9500000057
нет в наличии
Plug
Количество на схеме: 1
Информация
Plug
Количество
1
Примечание
0,000
Модель
4
Подгруппа
9500
Порядковый номер детали
000
Дополнительно
Не взаимозаменяема с деталью, выпущенной ранее под этим же номером
35
35
Артикул: 4-6160084037
нет в наличии
Elbow
Количество на схеме: 2
Информация
Elbow
Количество
2
Примечание
0,250
Модель
4
Группа
Дверь кабины (передняя)
Подгруппа
6160
Порядковый номер детали
084
Дополнительно
Не взаимозаменяема с деталью, выпущенной ранее под этим же номером
36
36
Артикул: 4-6150051017
нет в наличии
Staple strip
Количество на схеме: 1
Информация
Staple strip
Количество
1
Примечание
0,005
Модель
4
Группа
Дверь кабины (передняя)
Подгруппа
6150
Порядковый номер детали
051
Дополнительно
Не взаимозаменяема с деталью, выпущенной ранее под этим же номером
37
37
Артикул: 4-5536860011
нет в наличии
Inspection glass
Количество на схеме: 1
Информация
Inspection glass
Количество
1
Примечание
0,020
Модель
4
Подгруппа
5536
Порядковый номер детали
860
Дополнительно
Не взаимозаменяема с деталью, выпущенной ранее под этим же номером
41
41
Артикул: 4-5531020061
нет в наличии
Clip
Количество на схеме: 1
Информация
Clip
Количество
1
Примечание
0,002
Модель
4
Подгруппа
5531
Порядковый номер детали
020
Дополнительно
Не взаимозаменяема с деталью, выпущенной ранее под этим же номером
42
42
Артикул: 4-5531020002
нет в наличии
Hose clamp
Количество на схеме: 4
Информация
Hose clamp
Количество
4
Примечание
0,010
Модель
4
Подгруппа
5531
Порядковый номер детали
020
43
43
Артикул: 4-5531020074
нет в наличии
Hose clamp
Количество на схеме: 2
Информация
Hose clamp
Количество
2
Примечание
0,010
Модель
4
Подгруппа
5531
Порядковый номер детали
020
Дополнительно
Не взаимозаменяема с деталью, выпущенной ранее под этим же номером
44
44
Артикул: 4-5531020070
нет в наличии
Hose clamp
Количество на схеме: 2
Информация
Hose clamp
Количество
2
Примечание
0,010
Модель
4
Подгруппа
5531
Порядковый номер детали
020
Дополнительно
Не взаимозаменяема с деталью, выпущенной ранее под этим же номером
45
45
Артикул: 4-5531020075
нет в наличии
Hose clamp
Количество на схеме: 4
Информация
Hose clamp
Количество
4
Примечание
0,010
Модель
4
Подгруппа
5531
Порядковый номер детали
020
Дополнительно
Не взаимозаменяема с деталью, выпущенной ранее под этим же номером
46
46
Артикул: 4-5531020082
нет в наличии
Clip
Количество на схеме: 2
Информация
Clip
Количество
2
Примечание
0,010
Модель
4
Подгруппа
5531
Порядковый номер детали
020
Дополнительно
Не взаимозаменяема с деталью, выпущенной ранее под этим же номером
48
48
Артикул: 4-3002506016
нет в наличии
Hexagon head screw
Количество на схеме: 26
Информация
Hexagon head screw
Количество
26
Примечание
0,005
Модель
4
Группа
Тяги рулевые. Оси передняя и задняя
Подгруппа
Тяга рулевая продольная
Порядковый номер детали
506
Дополнительно
Не взаимозаменяема с деталью, выпущенной ранее под этим же номером
49
49
Артикул: 4-3002506020
нет в наличии
Hexagon head screw
Количество на схеме: 4
Информация
Hexagon head screw
Количество
4
Примечание
0,006
Модель
4
Группа
Тяги рулевые. Оси передняя и задняя
Подгруппа
Тяга рулевая продольная
Порядковый номер детали
506
Дополнительно
Не взаимозаменяема с деталью, выпущенной ранее под этим же номером
50
50
Артикул: 4-3002508020
нет в наличии
Hexagon head screw
Количество на схеме: 1
Информация
Hexagon head screw
Количество
1
Примечание
0,012
Модель
4
Группа
Тяги рулевые. Оси передняя и задняя
Подгруппа
Тяга рулевая продольная
Порядковый номер детали
508
Дополнительно
Не взаимозаменяема с деталью, выпущенной ранее под этим же номером
51
51
Артикул: 4-3002512035
нет в наличии
Hexagon head screw
Количество на схеме: 4
Информация
Hexagon head screw
Количество
4
Примечание
0,042
Модель
4
Группа
Тяги рулевые. Оси передняя и задняя
Подгруппа
Тяга рулевая продольная
Порядковый номер детали
512
Дополнительно
Не взаимозаменяема с деталью, выпущенной ранее под этим же номером
52
52
Артикул: 4-3002508030
нет в наличии
Hexagon head screw
Количество на схеме: 6
Информация
Hexagon head screw
Количество
6
Примечание
0,016
Модель
4
Группа
Тяги рулевые. Оси передняя и задняя
Подгруппа
Тяга рулевая продольная
Порядковый номер детали
508
Дополнительно
Не взаимозаменяема с деталью, выпущенной ранее под этим же номером
53
53
Артикул: 4-3002512040
нет в наличии
Hexagon head screw
Количество на схеме: 2
Информация
Hexagon head screw
Количество
2
Примечание
0,045
Модель
4
Группа
Тяги рулевые. Оси передняя и задняя
Подгруппа
Тяга рулевая продольная
Порядковый номер детали
512
Дополнительно
Не взаимозаменяема с деталью, выпущенной ранее под этим же номером
55
55
Артикул: 4-3048500060
нет в наличии
Hexagon nut
Количество на схеме: 21
Информация
Hexagon nut
Количество
21
Примечание
0,002
Модель
4
Группа
Тяги рулевые. Оси передняя и задняя
Подгруппа
3048
Порядковый номер детали
500
Дополнительно
Не взаимозаменяема с деталью, выпущенной ранее под этим же номером
56
56
Артикул: 4-3048500080
нет в наличии
Hexagon nut
Количество на схеме: 1
Информация
Hexagon nut
Количество
1
Примечание
0,005
Модель
4
Группа
Тяги рулевые. Оси передняя и задняя
Подгруппа
3048
Порядковый номер детали
500
Дополнительно
Не взаимозаменяема с деталью, выпущенной ранее под этим же номером
57
57
Артикул: 4-3048500120
нет в наличии
Hexagon nut
Количество на схеме: 2
Информация
Hexagon nut
Количество
2
Примечание
0,016
Модель
4
Группа
Тяги рулевые. Оси передняя и задняя
Подгруппа
3048
Порядковый номер детали
500
Дополнительно
Не взаимозаменяема с деталью, выпущенной ранее под этим же номером
60
60
Артикул: 4-3170200064
нет в наличии
ШАЙБА
Количество на схеме: 5
Информация
ШАЙБА
Количество
5
Примечание
0,001
Модель
4
Группа
Колеса и ступицы
Подгруппа
3170
Порядковый номер детали
200
Дополнительно
Не взаимозаменяема с деталью, выпущенной ранее под этим же номером
61
61
Артикул: 4-3900017060
нет в наличии
Spring washer
Количество на схеме: 4
Информация
Spring washer
Количество
4
Примечание
0,010
Модель
4
Группа
Инструмент шоферский и принадлежности
Подгруппа
3900
Порядковый номер детали
017
Дополнительно
Не взаимозаменяема с деталью, выпущенной ранее под этим же номером
62
62
Артикул: 4-3900017080
нет в наличии
Spring washer
Количество на схеме: 7
Информация
Spring washer
Количество
7
Примечание
0,010
Модель
4
Группа
Инструмент шоферский и принадлежности
Подгруппа
3900
Порядковый номер детали
017
Дополнительно
Не взаимозаменяема с деталью, выпущенной ранее под этим же номером
63
63
Артикул: 4-3170200084
нет в наличии
ШАЙБА
Количество на схеме: 2
Информация
ШАЙБА
Количество
2
Примечание
0,002
Модель
4
Группа
Колеса и ступицы
Подгруппа
3170
Порядковый номер детали
200
Дополнительно
Не взаимозаменяема с деталью, выпущенной ранее под этим же номером
64
64
Артикул: 4-3900017120
нет в наличии
Spring washer
Количество на схеме: 6
Информация
Spring washer
Количество
6
Примечание
0,003
Модель
4
Группа
Инструмент шоферский и принадлежности
Подгруппа
3900
Порядковый номер детали
017
Дополнительно
Не взаимозаменяема с деталью, выпущенной ранее под этим же номером
65
65
Артикул: 4-3172700140
нет в наличии
Washer
Количество на схеме: 2
Информация
Washer
Количество
2
Примечание
0,049
Модель
4
Группа
Колеса и ступицы
Подгруппа
3172
Порядковый номер детали
700
Дополнительно
Не взаимозаменяема с деталью, выпущенной ранее под этим же номером
66
66
Артикул: 4-3172700090
нет в наличии
Washer
Количество на схеме: 5
Информация
Washer
Количество
5
Примечание
0,013
Модель
4
Группа
Колеса и ступицы
Подгруппа
3172
Порядковый номер детали
700
Дополнительно
Не взаимозаменяема с деталью, выпущенной ранее под этим же номером
  • Грузовые автомобили
  • Автобусы
  • Сельхозтехника
  • Спецтехника
  • Двигатели
Получить оптовый прайс-лист
Скачать прайс-лист от 12.05.2026 16:00
Специальное предложение от 12.05.2026 17:00
Производители:


  • WEICHAI
  • Автодизель ПАО (ЯМЗ)
  • Тутаевский МЗ
  • ЯЗДА
  • УралАЗ
  • МАЗ
  • АЗПИ
  • BOSCH
  • ММЗ
  • ШААЗ
  • FEDERAL MOGUL
  • ПРАМО
  • Мотордеталь
  • ТАИМ
  • АвтоКрАЗ
  • БЕЛКАРД
  • CZ Strakonice
  • КамАЗ
  • БЗА
  • ЧМЗ
  • BMZ
Новости
Все новости
25 марта 2024
Флагманский седельный тягач «Валдай 45» на выставке «TransRussia»
10 марта 2024
Современные автобусы «CITYMAX 9» и ЛиАЗ-5292 CNG
25 февраля 2024
Серийное производство средних дизельных двигателей повышенной мощности от ЯМЗ
Статьи
Все статьи
Датчики двигателя: за что они отвечают, признаки неисправности и как не прогадать с выбором
Двигатели ЯМЗ-534: история, технические характеристики и области применения
Двигатели ЯМЗ 650: углублённый технический обзор и история
Компания
О компании
Реквизиты
Новости
Политика
Магазины
Информация
Условия оплаты
Условия доставки
Гарантия на товар
Обмен и возврат товара
Помощь
Как оформить заказ
Полезные статьи
Бренды
Пункты выдачи
Оставайтесь на связи
  • Вконтакте
  • YouTube
  • Одноклассники
  • Google Plus
Увидели ошибку?
Выделите, нажав Ctrl + Enter
Наши контакты
8-800-700-35-68
sales@din76.ru
г. Ярославль, Ленинградский пр-т 33, ТЦ "ОМЕГА"
2026 © ООО «Динамика 76» - Все права защищены ООО "Динамика 76"
Предложения на сайте не являются публичной офертой.
На сайте обнаружена ошибка

Текст с ошибкой