Избранное 0 Корзина 0 Личный кабинет
logo
Каталог
Каталог
  • Справочник
    • Грузовые автомобили
    • Автобусы
    • Сельхозтехника
    • Спецтехника
    • Двигатели
  • Доставка
  • Оплата
  • О компании
    • Реквизиты
    • Магазины
    • Оплата
    • Доставка
    • Лицензии и сертификаты
    • Новости
    • Вакансии
  • Контакты
Отправить заявку
Личный кабинет
8 (800) 700-35-68
sales@din76.ru
Избранное 0 Корзина 0
8 (800) 700-35-68
Написать в Whatsapp
Оптовый прайс-лист
Каталог
  • Двигатели
  • Запчасти WEICHAI
  • Запчасти ЯМЗ, ТМЗ (V-образные)
  • Запчасти ЯМЗ-534, ЯМЗ-536
  • Запчасти ЯМЗ-650, ЯМЗ-651, DCi-11
  • Топливная аппаратура
  • Запчасти УРАЛ
  • Запчасти МАЗ
  • Запчасти КамАЗ
  • Запчасти ММЗ
  • Ремни
Автокаталог (справочник)
  • Доставка
  • Оплата
  • О компании
  • Контакты
8 (800) 700-35-68
Написать в Whatsapp
sales@din76.ru
Динамика 76
Меню  
  • Каталог
    • Двигатели  
      • Двигатели ТМЗ  
        • Двигатели ТМЗ для автомобилей
        • Двигатели ТМЗ для тракторов
        • Специальные двигатели ТМЗ
        • Промышленные двигатели ТМЗ
      • Двигатели ЯМЗ  
        • ЯМЗ 236
        • ЯМЗ 238
        • ЯМЗ 240
        • ЯМЗ 751
        • ЯМЗ 840
        • ЯМЗ 850
        • ЯМЗ 656
        • ЯМЗ 658
        • ЯМЗ 534
        • ЯМЗ 536
        • ЯМЗ 650
        • Двигатели ЯМЗ для электростанций
      • Двигатели КАМАЗ
      • Двигатели ММЗ
      • Двигатели индивидуальной сборки
      • Комплекты переоборудования
    • Запчасти WEICHAI  
      • Основные запчасти двигателя  
        • Клапаны и толкатели
        • Шатуны
        • Вал коленчатый и маховик
        • Вал распределительный
        • Цилиндро-поршневая группа
      • Система питания  
        • Форсунки
        • Турбокомпрессор
      • Система смазки  
        • Насос масляный
      • Головка блока
      • Ремкомплекты
      • Система охлаждения  
        • Насос водяной
        • Муфта вязкостная и крыльчатка
      • Фильтры
      • Электрооборудование  
        • Генератор
        • Стартер
    • Запчасти ЯМЗ, ТМЗ (V-образные)  
      • Основные запчасти двигателя  
        • Блок двигателя и комплектующие
        • Валы распределительные и клапаны
        • Головка блока и комплектующие
        • Цилиндро-поршневая группа
        • Маховики и комплектующие
        • Валы коленчатые и комплектующие
        • Шатуны и комплектующие
      • Система питания  
        • Коллекторы и патрубки
        • Топливные трубопроводы
        • Турбокомпрессор
        • Топливные фильтры
      • Электрооборудование двигателя
      • Система охлаждения  
        • Вязкостные муфты и крыльчатки
        • Приводы вентилятора
        • Водяные насосы
        • Водяные трубы и термостаты
      • Коробки переключения передач  
        • 8 Ступенчатые КПП
        • 5 Ступенчатые КПП
        • 9 Ступенчатые КПП
        • Запасные части КПП ЯМЗ, ТМЗ
      • Система смазки  
        • Теплообменник и комплектующие
        • Масляные насосы
        • Фильтры масляные (ФГОМ, ФЦОМ)
      • Сцепление  
        • Запасные части механизма сцепления
        • Муфты (подшипники выжимные)
        • Корзины (диски нажимные)
        • Диски ведомые
      • Прочие запчасти двигателя  
        • Ремкомплекты
        • Привод агрегатов
        • Натяжные устройства
        • Трубки
    • Запчасти ЯМЗ-534, ЯМЗ-536  
      • Основные запчасти двигателя  
        • Цилиндро-поршневая группа
        • Головка блока цилиндров и комплектующие
        • Блок цилиндров и комплектующие
        • Вал коленчатый и маховик
        • Вал распределительный
        • Клапаны и толкатели
        • ГУР (Гидроусилитель руля)
        • Система рециркуляции отработавших газов
        • Выпускной коллектор
      • Система питания  
        • Коллекторы и патрубки
        • Топливные фильтры
        • Турбокомпрессор
        • Топливные трубопроводы
      • Система смазки  
        • Масляный картер поддон
        • Масляный насос
        • Теплообменник /Водо-масляный радиатор
        • Фильтры масляные (ФГОМ, ФЦОМ)
      • Пневмокомпрессор и натяжное
      • Система охлаждения  
        • Водяной насос
        • Водяные трубы и патрубки
        • Муфты вязкостные, приводы, крыльчатки
      • Ремкомплекты
      • Сцепление
      • Электрооборудование
    • Запчасти ЯМЗ-650, ЯМЗ-651, DCi-11  
      • Основные запчасти двигателя  
        • Цилиндро-поршневая группа
        • Головка блока цилиндров и комплектующие
        • Блок цилиндров и комплектующие
        • Вал коленчатый и маховик
        • Выпускной коллектор
        • Вал распределительный
        • Клапаны и толкатели
        • ГУР (Гидроусилитель руля)
        • Система рециркуляции отработавших газов
      • Система питания  
        • Коллекторы и патрубки
        • Топливные трубопроводы
        • Топливные фильтры
        • Турбокомпрессор
      • Система смазки  
        • Масляный картер / поддон
        • Масляный насос
        • Теплообменник / Водо-масляный радиатор
        • Фильтры масляные (ФГОМ, ФЦОМ)
      • Система охлаждения  
        • Водяной насос
        • Водяные трубы и патрубки
        • Муфты вязкостные, приводы, крыльчатки
      • Ремкомплекты
      • Пневмокомпрессор и натяжное
      • Электрооборудование
      • Сцепление
    • Топливная аппаратура  
      • ЯЗДА  
        • Распылители
        • ТНВД
        • Форсунки
        • Топливный насос низкого давления
        • Пары плунжерные
        • Муфта опережения впрыска топлива
        • Запчасти и комплектующие ТНВД
      • НЗТА
      • АЗПИ  
        • Распылители
        • Форсунки
      • BOSCH
    • Запчасти УРАЛ  
      • Трансмиссия  
        • Коробка раздаточная
        • Передача карданная
        • Мост задний
        • Мост передний (ведущий)
        • Мост средний (промежуточный)
      • Кузов  
        • Дверь кабины
        • Капот, крылья, облицовка радиатора
        • Окно ветровое и заднее
        • Отопление и вентиляция кабины
        • Кабина
      • Механизмы управления  
        • Управление рулевое
        • Тормоза
      • Дополнительное оборудование  
        • Отбор мощности
        • Устройство седельное
      • Электрооборудование
      • Ходовая часть  
        • Колеса и ступицы
        • Ось передняя
        • Подвеска автомобиля
        • Рама
    • Запчасти МАЗ  
      • Трансмиссия  
        • Мост задний
        • Мост передний (ведущий)
        • Передача карданная
        • Мост средний (промежуточный)
      • Кузов  
        • Кабина
        • Дверь кабины
        • Детали основания кабины
        • Окно ветровое и заднее
        • Платформа
      • Механизмы управления  
        • Тормоза
        • Управление рулевое
      • Ходовая часть  
        • Колеса и ступицы
        • Ось передняя
        • Подвеска автомобиля
        • Рама
    • Запчасти КамАЗ  
      • Кузов  
        • Кабина
        • Капот, крылья, облицовка радиатора
        • Дверь кабины
        • Платформа
        • Окно ветровое и заднее
        • Устройство подъемное и опрокидывающее
        • Сиденье
        • Крыша кабины (крыша кузова)
        • Отопление и вентиляция кабины
      • Трансмиссия  
        • Коробка передач
        • Коробка раздаточная
        • Мост задний
        • Сцепление
        • Мост средний (промежуточный)
        • Передача карданная
        • Мост передний (ведущий)
      • Двигатель  
        • Основные запчасти двигателя
        • Система охлаждения
        • Система питания
        • Система смазки
      • Дополнительное оборудование  
        • Отбор мощности
        • Устройство седельное
      • Ходовая часть  
        • Подвеска автомобиля
        • Рама
        • Колеса и ступицы
        • Ось передняя
      • Механизмы управления  
        • Тормоза
        • Управление рулевое
      • Электрооборудование
    • Запчасти ММЗ
    • Ремни
  • Справочник
    • Грузовые автомобили
    • Автобусы
    • Сельхозтехника
    • Спецтехника
    • Двигатели
  • Как купить
    • Условия оплаты
    • Условия доставки
    • Гарантия на товар
    • Пункты выдачи
  • Услуги
    • Капитальный ремонт двигателей ЯМЗ
  • Акции
  • Статьи
  • Контакты
  • Компания
    • Реквизиты
    • Магазины
    • Оплата
    • Доставка
    • Лицензии и сертификаты
    • Новости
    • Вакансии
Избранное 0 Корзина 0
8-800-700-35-68

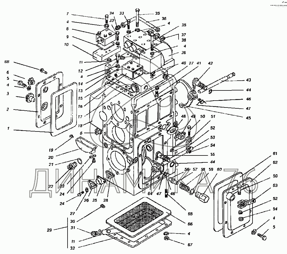
Гидромеханическая передача на Амкодор-333 (ТО-18Б) (до 2004 г.)

Справочник
Главная
-
Автокаталог
-
Спецтехника
-
Амкодор
-
Амкодор-333 (ТО-18Б)
Справочный каталог

Гидромеханическая передача — Амкодор-333 (ТО-18Б):

1 2 3 4 4 4 4 4 4 4 5 5 6 6 7 8 9 10 11 11 12 13 14 15 16 17 18 19 20 21 22 23 24 24 25 26 27 27 28 29 30 31 32 33 33 34 35 35 36 37 38 39 40 41 42 43 44 44 45 46 46 47 47 48 49 50 50 51 52 52 53 54 54 55 56 57 58 59 60 61 62 63 64 65 66 67 68
в наличии
нет в наличии
масштаб

В наличии
Нет в наличии

Перечень комплектующих от Гидромеханическая передача на Амкодор-333 (ТО-18Б)

Схемы запчастей предназначены для справочных целей! Мы продаем не все запчасти от Гидромеханическая передача на Амкодор-333 (ТО-18Б), представленные в этом списке.
Наличие на складах по деталям с ценой смотрите в карточке товара.
1
1
Артикул: У35-605-00-561
нет в наличии
Прокладка
Количество на схеме: 1
Информация
Прокладка
Количество
1
2
2
Артикул: У35-615-01-210
нет в наличии
Крышка
Количество на схеме: 1
Информация
Крышка
Количество
1
3
3
Артикул: П4-2-25-К-1-22241
нет в наличии
Пробка
Количество на схеме: 4
Информация
Пробка
Количество
4
4
4
Артикул: 12-6402
нет в наличии
Шайба
Количество на схеме: 43
Информация
Шайба
Количество
43
5
5
Артикул: М12х25-7796
нет в наличии
Болт
Количество на схеме: 21
Информация
Болт
Количество
21
6
6
Артикул: П1-М14х1-5-К-1-222
нет в наличии
Пробка
Количество на схеме: 2
Информация
Пробка
Количество
2
7
7
Артикул: М12х70-7796
нет в наличии
Болт
Количество на схеме: 7
Информация
Болт
Количество
7
8
8
Артикул: У35-605М-05-000
нет в наличии
Клапан
Количество на схеме: 1
Информация
Клапан
Количество
1
9
9
Артикул: У35-615-01-509
нет в наличии
Прокладка
Количество на схеме: 1
Информация
Прокладка
Количество
1
10
10
Артикул: У35-615-01-501
нет в наличии
Плита
Количество на схеме: 1
Информация
Плита
Количество
1
11
11
Артикул: 023-028-30-9833
нет в наличии
Кольцо
Количество на схеме: 3
Информация
Кольцо
Количество
3
12
12
Артикул: М12х60-7796
нет в наличии
Болт
Количество на схеме: 2
Информация
Болт
Количество
2
13
13
Артикул: У35-615-01-507
нет в наличии
Прокладка
Количество на схеме: 1
Информация
Прокладка
Количество
1
14
14
Артикул: У35-605М-00-120--03
нет в наличии
Плита
Количество на схеме: 1
Информация
Плита
Количество
1
15
15
Артикул: У35-615-01-508
нет в наличии
Прокладка
Количество на схеме: 1
Информация
Прокладка
Количество
1
16
16
Артикул: У35-605М-04-000--03
нет в наличии
Клапан
Количество на схеме: 1
Информация
Клапан
Количество
1
17
17
Артикул: У35-615-01-506
нет в наличии
Прокладка
Количество на схеме: 1
Информация
Прокладка
Количество
1
18
18
Артикул: У35-615-01-030
нет в наличии
Картер коробки передач
Количество на схеме: 1
Информация
Картер коробки передач
Количество
1
19
19
Артикул: М8х16-7796
нет в наличии
Болт
Количество на схеме: 1
Информация
Болт
Количество
1
20
20
Артикул: У35-615-01-240
нет в наличии
Брызговик
Количество на схеме: 1
Информация
Брызговик
Количество
1
21
21
Артикул: 040-045-3-0-9833
нет в наличии
Кольцо
Количество на схеме: 1
Информация
Кольцо
Количество
1
22
22
Артикул: У35-615-01-512
нет в наличии
Штуцер
Количество на схеме: 1
Информация
Штуцер
Количество
1
23
23
Артикул: У35-615-01-527
нет в наличии
Планка стопорная
Количество на схеме: 1
Информация
Планка стопорная
Количество
1
24
24
Артикул: М8х20-7796
нет в наличии
Болт
Количество на схеме: 1
Информация
Болт
Количество
1
25
25
Артикул: У35-605-00-569
нет в наличии
Крышка
Количество на схеме: 1
Информация
Крышка
Количество
1
26
26
Артикул: У35-605-00-571
нет в наличии
Прижим
Количество на схеме: 1
Информация
Прижим
Количество
1
27
27
Артикул: 8-6402
нет в наличии
Шайба
Количество на схеме: 14
Информация
Шайба
Количество
14
28
28
Артикул: У36-605-00-568
нет в наличии
Прокладка
Количество на схеме: 1
Информация
Прокладка
Количество
1
29
29
Артикул: У35-615-01-140
нет в наличии
Поддон
Количество на схеме: 1
Информация
Поддон
Количество
1
30
30
Артикул: 1-1/4"-22-1624-18--84
нет в наличии
Пробка
Количество на схеме: 1
Информация
Пробка
Количество
1
31
31
Артикул: М27х2-2-053-1788
нет в наличии
Уловитель магнитный
Количество на схеме: 1
Информация
Уловитель магнитный
Количество
1
32
32
Артикул: У35-615-01-150
нет в наличии
Поддон
Количество на схеме: 1
Информация
Поддон
Количество
1
33
33
Артикул: М8х65-7796
нет в наличии
Болт
Количество на схеме: 12
Информация
Болт
Количество
12
34
34
Артикул: ДЭ226-4020-007
нет в наличии
Штуцер
Количество на схеме: 2
Информация
Штуцер
Количество
2
35
35
Артикул: М1-2х110-7796
нет в наличии
Болт
Количество на схеме: 5
Информация
Болт
Количество
5
36
36
Артикул: У35-615-01-110
нет в наличии
Трубопровод
Количество на схеме: 1
Информация
Трубопровод
Количество
1
37
37
Артикул: У35-605М-03-000--04
нет в наличии
Механизм управления
Количество на схеме: 1
Информация
Механизм управления
Количество
1
38
38
Артикул: У35-605М-03-000--03
нет в наличии
Механизм управления
Количество на схеме: 1
Информация
Механизм управления
Количество
1
39
39
Артикул: У35-605М-00-100
нет в наличии
Фильтр
Количество на схеме: 1
Информация
Фильтр
Количество
1
40
40
Артикул: 018-022-25-9833
нет в наличии
Кольцо
Количество на схеме: 1
Информация
Кольцо
Количество
1
41
41
Артикул: М8х55-7796
нет в наличии
Болт
Количество на схеме: 2
Информация
Болт
Количество
2
42
42
Артикул: У35-605-00-080
нет в наличии
Рычаг
Количество на схеме: 1
Информация
Рычаг
Количество
1
43
43
Артикул: У35-605-00-570
нет в наличии
Валик
Количество на схеме: 1
Информация
Валик
Количество
1
44
44
Артикул: 020-025-30-9833
нет в наличии
Кольцо
Количество на схеме: 2
Информация
Кольцо
Количество
2
45
45
Артикул: У35-605-00-573
нет в наличии
Вилка
Количество на схеме: 1
Информация
Вилка
Количество
1
46
46
Артикул: У35-605-00-572
нет в наличии
Болт
Количество на схеме: 2
Информация
Болт
Количество
2
47
47
Артикул: 1-6-1-3282
нет в наличии
Проволока
Информация
Проволока
48
48
Артикул: У35-605-00-565
нет в наличии
Прокладка
Количество на схеме: 1
Информация
Прокладка
Количество
1
49
49
Артикул: У35-605-00-564
нет в наличии
Крышка
Количество на схеме: 1
Информация
Крышка
Количество
1
50
50
Артикул: М10х50-7796
нет в наличии
Болт
Количество на схеме: 2
Информация
Болт
Количество
2
51
51
Артикул: У35-605-00-511
нет в наличии
Рычаг
Количество на схеме: 1
Информация
Рычаг
Количество
1
52
52
Артикул: 10-6402
нет в наличии
Шайба
Количество на схеме: 2
Информация
Шайба
Количество
2
53
53
Артикул: У35-605-66-599
нет в наличии
Валик
Количество на схеме: 1
Информация
Валик
Количество
1
54
54
Артикул: М10-5915
нет в наличии
Гайка
Количество на схеме: 2
Информация
Гайка
Количество
2
55
55
Артикул: У35-605-00-230
нет в наличии
Рычаг
Количество на схеме: 1
Информация
Рычаг
Количество
1
56
56
Артикул: 512-000-10-3722
нет в наличии
Шарик
Количество на схеме: 1
Информация
Шарик
Количество
1
57
57
Артикул: У35-605-00-576
нет в наличии
Толкатель
Количество на схеме: 1
Информация
Толкатель
Количество
1
58
58
Артикул: У35-605-00-575
нет в наличии
Пружина
Количество на схеме: 1
Информация
Пружина
Количество
1
59
59
Артикул: М18-23-358
нет в наличии
Прокладка
Количество на схеме: 1
Информация
Прокладка
Количество
1
60
60
Артикул: У35-605-00-574
нет в наличии
Корпус фиксатора
Количество на схеме: 1
Информация
Корпус фиксатора
Количество
1
61
61
Артикул: У35-605-00-562
нет в наличии
Прокладка
Количество на схеме: 1
Информация
Прокладка
Количество
1
62
62
Артикул: У35-605-00-240
нет в наличии
Крышка
Количество на схеме: 1
Информация
Крышка
Количество
1
63
63
Артикул: У35-605-00-563--01
нет в наличии
Рычаг
Количество на схеме: 1
Информация
Рычаг
Количество
1
64
64
Артикул: У35-605-00-509
нет в наличии
Вилка
Количество на схеме: 1
Информация
Вилка
Количество
1
65
65
Артикул: М12х25-22036
нет в наличии
Шпилька
Количество на схеме: 14
Информация
Шпилька
Количество
14
66
66
Артикул: У35-615-01-160
нет в наличии
Сетка
Количество на схеме: 1
Информация
Сетка
Количество
1
67
67
Артикул: М12-5915
нет в наличии
Гайка
Количество на схеме: 14
Информация
Гайка
Количество
14
68
68
Артикул: У35-615-01-514
нет в наличии
Пробка
Информация
Пробка
  • Грузовые автомобили
  • Автобусы
  • Сельхозтехника
  • Спецтехника
  • Двигатели
Получить оптовый прайс-лист
Скачать прайс-лист от 02.04.2026 16:00
Специальное предложение от 02.04.2026 17:00
Производители:


  • WEICHAI
  • Автодизель ПАО (ЯМЗ)
  • Тутаевский МЗ
  • ЯЗДА
  • УралАЗ
  • МАЗ
  • АЗПИ
  • BOSCH
  • ММЗ
  • ШААЗ
  • FEDERAL MOGUL
  • ПРАМО
  • Мотордеталь
  • ТАИМ
  • АвтоКрАЗ
  • БЕЛКАРД
  • CZ Strakonice
  • КамАЗ
  • БЗА
  • ЧМЗ
  • BMZ
Новости
Все новости
25 марта 2024
Флагманский седельный тягач «Валдай 45» на выставке «TransRussia»
10 марта 2024
Современные автобусы «CITYMAX 9» и ЛиАЗ-5292 CNG
25 февраля 2024
Серийное производство средних дизельных двигателей повышенной мощности от ЯМЗ
Статьи
Все статьи
Датчики двигателя: за что они отвечают, признаки неисправности и как не прогадать с выбором
Двигатели ЯМЗ-534: история, технические характеристики и области применения
Двигатели ЯМЗ 650: углублённый технический обзор и история
Компания
О компании
Реквизиты
Новости
Политика
Магазины
Информация
Условия оплаты
Условия доставки
Гарантия на товар
Обмен и возврат товара
Помощь
Как оформить заказ
Полезные статьи
Бренды
Пункты выдачи
Оставайтесь на связи
  • Вконтакте
  • YouTube
  • Одноклассники
  • Google Plus
Увидели ошибку?
Выделите, нажав Ctrl + Enter
Наши контакты
8-800-700-35-68
sales@din76.ru
г. Ярославль, Ленинградский пр-т 33, ТЦ "ОМЕГА"
2026 © ООО «Динамика 76» - Все права защищены ООО "Динамика 76"
Предложения на сайте не являются публичной офертой.
На сайте обнаружена ошибка

Текст с ошибкой