Избранное 0 Корзина 0 Личный кабинет
logo
Каталог
Каталог
  • Справочник
    • Грузовые автомобили
    • Автобусы
    • Сельхозтехника
    • Спецтехника
    • Двигатели
  • Доставка
  • Оплата
  • О компании
    • Реквизиты
    • Магазины
    • Оплата
    • Доставка
    • Лицензии и сертификаты
    • Новости
    • Вакансии
  • Контакты
Отправить заявку
Личный кабинет
8 (800) 700-35-68
sales@din76.ru
Избранное 0 Корзина 0
8 (800) 700-35-68
Оптовый прайс-лист
Каталог
  • Двигатели
  • Запчасти WEICHAI
  • Запчасти ЯМЗ, ТМЗ (V-образные)
  • Запчасти ЯМЗ-534, ЯМЗ-536
  • Запчасти ЯМЗ-650, ЯМЗ-651, DCi-11
  • Топливная аппаратура
  • Запчасти УРАЛ
  • Запчасти МАЗ
  • Запчасти КамАЗ
  • Запчасти ММЗ
  • Ремни
Автокаталог (справочник)
  • Доставка
  • Оплата
  • О компании
  • Контакты
8 (800) 700-35-68
Написать в Whatsapp
sales@din76.ru
Динамика 76
Меню  
  • Каталог
    • Двигатели  
      • Двигатели ТМЗ  
        • Двигатели ТМЗ для автомобилей
        • Двигатели ТМЗ для тракторов
        • Специальные двигатели ТМЗ
        • Промышленные двигатели ТМЗ
      • Двигатели ЯМЗ  
        • ЯМЗ 236
        • ЯМЗ 238
        • ЯМЗ 240
        • ЯМЗ 751
        • ЯМЗ 840
        • ЯМЗ 850
        • ЯМЗ 656
        • ЯМЗ 658
        • ЯМЗ 534
        • ЯМЗ 536
        • ЯМЗ 650
        • Двигатели ЯМЗ для электростанций
      • Двигатели КАМАЗ
      • Двигатели ММЗ
      • Двигатели индивидуальной сборки
      • Комплекты переоборудования
    • Запчасти WEICHAI  
      • Основные запчасти двигателя  
        • Клапаны и толкатели
        • Шатуны
        • Вал коленчатый и маховик
        • Вал распределительный
        • Цилиндро-поршневая группа
      • Система питания  
        • Форсунки
        • Турбокомпрессор
      • Система смазки  
        • Насос масляный
      • Головка блока
      • Ремкомплекты
      • Система охлаждения  
        • Насос водяной
        • Муфта вязкостная и крыльчатка
      • Фильтры
      • Электрооборудование  
        • Генератор
        • Стартер
    • Запчасти ЯМЗ, ТМЗ (V-образные)  
      • Основные запчасти двигателя  
        • Блок двигателя и комплектующие
        • Валы распределительные и клапаны
        • Головка блока и комплектующие
        • Цилиндро-поршневая группа
        • Маховики и комплектующие
        • Валы коленчатые и комплектующие
        • Шатуны и комплектующие
      • Система питания  
        • Коллекторы и патрубки
        • Топливные трубопроводы
        • Турбокомпрессор
        • Топливные фильтры
      • Электрооборудование двигателя
      • Система охлаждения  
        • Вязкостные муфты и крыльчатки
        • Приводы вентилятора
        • Водяные насосы
        • Водяные трубы и термостаты
      • Коробки переключения передач  
        • 8 Ступенчатые КПП
        • 5 Ступенчатые КПП
        • 9 Ступенчатые КПП
        • Запасные части КПП ЯМЗ, ТМЗ
      • Система смазки  
        • Теплообменник и комплектующие
        • Масляные насосы
        • Фильтры масляные (ФГОМ, ФЦОМ)
      • Сцепление  
        • Запасные части механизма сцепления
        • Муфты (подшипники выжимные)
        • Корзины (диски нажимные)
        • Диски ведомые
      • Прочие запчасти двигателя  
        • Ремкомплекты
        • Привод агрегатов
        • Натяжные устройства
        • Трубки
    • Запчасти ЯМЗ-534, ЯМЗ-536  
      • Основные запчасти двигателя  
        • Цилиндро-поршневая группа
        • Головка блока цилиндров и комплектующие
        • Блок цилиндров и комплектующие
        • Вал коленчатый и маховик
        • Вал распределительный
        • Клапаны и толкатели
        • ГУР (Гидроусилитель руля)
        • Система рециркуляции отработавших газов
        • Выпускной коллектор
      • Система питания  
        • Коллекторы и патрубки
        • Топливные фильтры
        • Турбокомпрессор
        • Топливные трубопроводы
      • Система смазки  
        • Масляный картер поддон
        • Масляный насос
        • Теплообменник /Водо-масляный радиатор
        • Фильтры масляные (ФГОМ, ФЦОМ)
      • Пневмокомпрессор и натяжное
      • Система охлаждения  
        • Водяной насос
        • Водяные трубы и патрубки
        • Муфты вязкостные, приводы, крыльчатки
      • Ремкомплекты
      • Сцепление
      • Электрооборудование
    • Запчасти ЯМЗ-650, ЯМЗ-651, DCi-11  
      • Основные запчасти двигателя  
        • Цилиндро-поршневая группа
        • Головка блока цилиндров и комплектующие
        • Блок цилиндров и комплектующие
        • Вал коленчатый и маховик
        • Выпускной коллектор
        • Вал распределительный
        • Клапаны и толкатели
        • ГУР (Гидроусилитель руля)
        • Система рециркуляции отработавших газов
      • Система питания  
        • Коллекторы и патрубки
        • Топливные трубопроводы
        • Топливные фильтры
        • Турбокомпрессор
      • Система смазки  
        • Масляный картер / поддон
        • Масляный насос
        • Теплообменник / Водо-масляный радиатор
        • Фильтры масляные (ФГОМ, ФЦОМ)
      • Система охлаждения  
        • Водяной насос
        • Водяные трубы и патрубки
        • Муфты вязкостные, приводы, крыльчатки
      • Ремкомплекты
      • Пневмокомпрессор и натяжное
      • Электрооборудование
      • Сцепление
    • Топливная аппаратура  
      • ЯЗДА  
        • Распылители
        • ТНВД
        • Форсунки
        • Топливный насос низкого давления
        • Пары плунжерные
        • Муфта опережения впрыска топлива
        • Запчасти и комплектующие ТНВД
      • НЗТА
      • АЗПИ  
        • Распылители
        • Форсунки
      • BOSCH
    • Запчасти УРАЛ  
      • Трансмиссия  
        • Коробка раздаточная
        • Передача карданная
        • Мост задний
        • Мост передний (ведущий)
        • Мост средний (промежуточный)
      • Кузов  
        • Дверь кабины
        • Капот, крылья, облицовка радиатора
        • Окно ветровое и заднее
        • Отопление и вентиляция кабины
        • Кабина
      • Механизмы управления  
        • Управление рулевое
        • Тормоза
      • Дополнительное оборудование  
        • Отбор мощности
        • Устройство седельное
      • Электрооборудование
      • Ходовая часть  
        • Колеса и ступицы
        • Ось передняя
        • Подвеска автомобиля
        • Рама
    • Запчасти МАЗ  
      • Трансмиссия  
        • Мост задний
        • Мост передний (ведущий)
        • Передача карданная
        • Мост средний (промежуточный)
      • Кузов  
        • Кабина
        • Дверь кабины
        • Детали основания кабины
        • Окно ветровое и заднее
        • Платформа
      • Механизмы управления  
        • Тормоза
        • Управление рулевое
      • Ходовая часть  
        • Колеса и ступицы
        • Ось передняя
        • Подвеска автомобиля
        • Рама
    • Запчасти КамАЗ  
      • Кузов  
        • Кабина
        • Капот, крылья, облицовка радиатора
        • Дверь кабины
        • Платформа
        • Окно ветровое и заднее
        • Устройство подъемное и опрокидывающее
        • Сиденье
        • Крыша кабины (крыша кузова)
        • Отопление и вентиляция кабины
      • Трансмиссия  
        • Коробка передач
        • Коробка раздаточная
        • Мост задний
        • Сцепление
        • Мост средний (промежуточный)
        • Передача карданная
        • Мост передний (ведущий)
      • Двигатель  
        • Основные запчасти двигателя
        • Система охлаждения
        • Система питания
        • Система смазки
      • Дополнительное оборудование  
        • Отбор мощности
        • Устройство седельное
      • Ходовая часть  
        • Подвеска автомобиля
        • Рама
        • Колеса и ступицы
        • Ось передняя
      • Механизмы управления  
        • Тормоза
        • Управление рулевое
      • Электрооборудование
    • Запчасти ММЗ
    • Ремни
  • Справочник
    • Грузовые автомобили
    • Автобусы
    • Сельхозтехника
    • Спецтехника
    • Двигатели
  • Как купить
    • Условия оплаты
    • Условия доставки
    • Гарантия на товар
    • Пункты выдачи
  • Услуги
    • Капитальный ремонт двигателей ЯМЗ
  • Акции
  • Статьи
  • Контакты
  • Компания
    • Реквизиты
    • Магазины
    • Оплата
    • Доставка
    • Лицензии и сертификаты
    • Новости
    • Вакансии
Избранное 0 Корзина 0
8-800-700-35-68

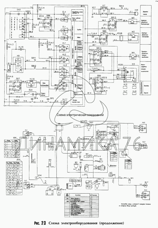
Схема электрооборудования на Амкодор-208А (до 2006 г.)

Справочник
Главная
-
Автокаталог
-
Спецтехника
-
Амкодор
-
Амкодор-208А
Справочный каталог

Схема электрооборудования — Амкодор-208А:

B1 B2 BK1 BK2 BP1 EL1 EL2 EL3 EL3 EL4 EL6 FU2 FU3 FU3 FU3 FU4 FU4 FU4 FU4 FU4 FU4 G1 GB1 GB2 H1.2 HA1 HL1 HL1 HL15 HL16 HL17 HL17 HL2 HL2 HL3 HL3 HL4 HL4 HL5 HL6 HL7 HL8 K K1 K7 K8 M1 M2 M2 M3 M4 M5 P1.4 S1 SA2 SB10 SB11 SB12 SB13 SB13 SB14 SB6 SB7 SB8 SB9 SK1 SP1 SP2 SP3 SP4 SP4 SP5 SP5 XS1 XS16 XS17 XS18 XS19 XS20 XS23 XS24 XS26 XS27 XS28 XS30 XS46 XS50 XS51 XS7 YA1 YA2 YA3 [Выключатель блокировки органов управления] [Розетка]
в наличии
нет в наличии
масштаб

В наличии
Нет в наличии

Перечень комплектующих от Схема электрооборудования на Амкодор-208А

Схемы запчастей предназначены для справочных целей! Мы продаем не все запчасти от Схема электрооборудования на Амкодор-208А, представленные в этом списке.
Наличие на складах по деталям с ценой смотрите в карточке товара.
Артикул: B1
нет в наличии
Датчик указателя уровня топлива
Количество на схеме: 1
Информация
Датчик указателя уровня топлива
Количество
1
14322002;
Артикул: B2
нет в наличии
Датчик сигнализации уровня масла в гидробаке
Количество на схеме: 1
Информация
Датчик сигнализации уровня масла в гидробаке
Количество
1
14321998;
Артикул: BK1
нет в наличии
Датчик указателя температуры масла в гидросистеме
Количество на схеме: 1
Информация
Датчик указателя температуры масла в гидросистеме
Количество
1
14322000;
Артикул: BK2
нет в наличии
Датчик указателя температуры охлаждающей жидкости
Количество на схеме: 1
Информация
Датчик указателя температуры охлаждающей жидкости
Количество
1
14322001;
Артикул: BP1
нет в наличии
Датчик указателя давления масла в двигателе
Количество на схеме: 1
Информация
Датчик указателя давления масла в двигателе
Количество
1
14321999;
Артикул: EL1
нет в наличии
Фара рабочая передняя
Количество на схеме: 2
Информация
Фара рабочая передняя
Количество
2
14322040;
Артикул: EL2
нет в наличии
Фара рабочая передняя
Количество на схеме: 2
Информация
Фара рабочая передняя
Количество
2
14322041;
Артикул: EL3
нет в наличии
Фара рабочая задняя
Количество на схеме: 1
Информация
Фара рабочая задняя
Количество
1
14322039;
Артикул: EL4
нет в наличии
Патрон лампы
Количество на схеме: 1
Информация
Патрон лампы
Количество
1
14322022;
Артикул: EL6
нет в наличии
Плафон
Количество на схеме: 1
Информация
Плафон
Количество
1
14322023;
Артикул: FU2
нет в наличии
Предохранитель
Количество на схеме: 1
Информация
Предохранитель
Количество
1
14322024;
Артикул: FU3
нет в наличии
Блок предохранителей
Количество на схеме: 2
Информация
Блок предохранителей
Количество
2
14321979;
Артикул: FU4
нет в наличии
Блок предохранителей
Количество на схеме: 2
Информация
Блок предохранителей
Количество
2
14321978;
Артикул: G1
нет в наличии
Генератор
Количество на схеме: 1
Информация
Генератор
Количество
1
14321993;
Артикул: GB1
нет в наличии
Аккумуляторная батарея
Количество на схеме: 2
Информация
Аккумуляторная батарея
Количество
2
14321976;
Артикул: GB2
нет в наличии
Аккумуляторная батарея
Количество на схеме: 2
Информация
Аккумуляторная батарея
Количество
2
14321977;
Артикул: H1-2
нет в наличии
Контрольная лампа аварийной температуры
Количество на схеме: 1
Информация
Контрольная лампа аварийной температуры
Количество
1
14322019;
Артикул: HA1
нет в наличии
Звуковой сигнал
Количество на схеме: 1
Информация
Звуковой сигнал
Количество
1
14322004;
Артикул: HL1
нет в наличии
Фонарь передний многофункциональный
Количество на схеме: 2
Информация
Фонарь передний многофункциональный
Количество
2
14322045;
Артикул: HL15
нет в наличии
Контрольная лампа указателя поворотов
Количество на схеме: 1
Информация
Контрольная лампа указателя поворотов
Количество
1
14322020;
Артикул: HL16
нет в наличии
Маяк сигнальный
Количество на схеме: 1
Информация
Маяк сигнальный
Количество
1
14322021;
Артикул: HL17
нет в наличии
Фонарь заднего хода
Количество на схеме: 1
Информация
Фонарь заднего хода
Количество
1
14322042;
Артикул: HL2
нет в наличии
Фонарь передний многофункциональный
Количество на схеме: 2
Информация
Фонарь передний многофункциональный
Количество
2
14322046;
Артикул: HL3
нет в наличии
Фонарь задний многофункциональный
Количество на схеме: 2
Информация
Фонарь задний многофункциональный
Количество
2
14322043;
Артикул: HL4
нет в наличии
Фонарь задний многофункциональный
Количество на схеме: 2
Информация
Фонарь задний многофункциональный
Количество
2
14322044;
Артикул: HL5
нет в наличии
Световозвращатель боковой
Количество на схеме: 2
Информация
Световозвращатель боковой
Количество
2
14322032;
Артикул: HL6
нет в наличии
Световозвращатель боковой
Количество на схеме: 2
Информация
Световозвращатель боковой
Количество
2
14322033;
Артикул: HL7
нет в наличии
Световозвращатель задний
Количество на схеме: 2
Информация
Световозвращатель задний
Количество
2
14322034;
Артикул: HL8
нет в наличии
Световозвращатель задний
Количество на схеме: 2
Информация
Световозвращатель задний
Количество
2
14322035;
Артикул: K
нет в наличии
Реле блокировки
Количество на схеме: 1
Информация
Реле блокировки
Количество
1
14322025;
Артикул: K1
нет в наличии
Реле стартера
Количество на схеме: 1
Информация
Реле стартера
Количество
1
14322027;
Артикул: K7
нет в наличии
Реле включения контрольной лампы уровню масла в гидробаке
Количество на схеме: 1
Информация
Реле включения контрольной лампы уровню масла в гидробаке
Количество
1
14322026;
Артикул: K8
нет в наличии
Реле-прерыватель поворотов
Количество на схеме: 1
Информация
Реле-прерыватель поворотов
Количество
1
14322028;
Артикул: M1
нет в наличии
Стартер
Количество на схеме: 1
Информация
Стартер
Количество
1
14322036;
Артикул: M2
нет в наличии
Электродвигатель отопителя
Количество на схеме: 1
Информация
Электродвигатель отопителя
Количество
1
14322049;
Артикул: M3
нет в наличии
Стеклоочиститель
Количество на схеме: 1
Информация
Стеклоочиститель
Количество
1
14322037;
Артикул: M4
нет в наличии
Электродвигатель стеклоомывателя
Количество на схеме: 1
Информация
Электродвигатель стеклоомывателя
Количество
1
14322050;
Артикул: M5
нет в наличии
Электродвигатель вентилятора
Количество на схеме: 1
Информация
Электродвигатель вентилятора
Количество
1
14322048;
Артикул: P1-4
нет в наличии
Указатель напряжения
Количество на схеме: 1
Информация
Указатель напряжения
Количество
1
14322038;
Артикул: S1
нет в наличии
Дистанционный выключатель массы
Количество на схеме: 1
Информация
Дистанционный выключатель массы
Количество
1
14322003;
Артикул: SA2
нет в наличии
Центральный переключатель света
Количество на схеме: 1
Информация
Центральный переключатель света
Количество
1
14322047;
Артикул: SB10
нет в наличии
Выключатель электродвигателя омывателя
Количество на схеме: 1
Информация
Выключатель электродвигателя омывателя
Количество
1
14321991;
Артикул: SB11
нет в наличии
Выключатель левого указателя поворотов
Количество на схеме: 1
Информация
Выключатель левого указателя поворотов
Количество
1
14321985;
Артикул: SB12
нет в наличии
Выключатель правого указателя поворотов
Количество на схеме: 1
Информация
Выключатель правого указателя поворотов
Количество
1
14321986;
Артикул: SB13
нет в наличии
Выключатель
Количество на схеме: 1
Информация
Выключатель
Количество
1
14321980;
Артикул: SB13
нет в наличии
Выключатель
Количество на схеме: 1
Информация
Выключатель
Количество
1
14321981;
Артикул: SB14
нет в наличии
Выключатель звукового сигнала
Количество на схеме: 1
Информация
Выключатель звукового сигнала
Количество
1
14321984;
Артикул: SB6
нет в наличии
Выключатель задней рабочей фары
Количество на схеме: 1
Информация
Выключатель задней рабочей фары
Количество
1
14321983;
Артикул: SB7
нет в наличии
Выключатель фонаря сигнального
Количество на схеме: 1
Информация
Выключатель фонаря сигнального
Количество
1
14321990;
Артикул: SB8
нет в наличии
Выключатель электродвигателя отопителя
Количество на схеме: 1
Информация
Выключатель электродвигателя отопителя
Количество
1
14321992;
Артикул: SB9
нет в наличии
Выключатель стеклоочистителя (зеленый)
Количество на схеме: 1
Информация
Выключатель стеклоочистителя (зеленый)
Количество
1
14321989;
Артикул: SK1
нет в наличии
Датчик сигнализатора аварийной температуры охлаждающей жидкости
Количество на схеме: 1
Информация
Датчик сигнализатора аварийной температуры охлаждающей жидкости
Количество
1
14321995;
Артикул: SP1
нет в наличии
Датчик аварийной сигнализации давления масла в двигателе
Количество на схеме: 1
Информация
Датчик аварийной сигнализации давления масла в двигателе
Количество
1
14321994;
Артикул: SP2
нет в наличии
Датчик сигнализации засорения воздушного фильтра
Количество на схеме: 1
Информация
Датчик сигнализации засорения воздушного фильтра
Количество
1
14321996;
Артикул: SP3
нет в наличии
Датчик сигнализации засорения масляного фильтра гидросистемы
Количество на схеме: 1
Информация
Датчик сигнализации засорения масляного фильтра гидросистемы
Количество
1
14321997;
Артикул: SP4
нет в наличии
Выключатель света "СТОП" гидравлический
Количество на схеме: 2
Информация
Выключатель света "СТОП" гидравлический
Количество
2
14321987;
Артикул: SP5
нет в наличии
Выключатель света "СТОП" гидравлический
Количество на схеме: 2
Информация
Выключатель света "СТОП" гидравлический
Количество
2
14321988;
Артикул: XS1
нет в наличии
Колодка гнездовая
Количество на схеме: 1
Информация
Колодка гнездовая
Количество
1
14322018;
Артикул: XS16
нет в наличии
Колодка гнездовая
Количество на схеме: 8
Информация
Колодка гнездовая
Количество
8
14322009;
Артикул: XS17
нет в наличии
Колодка гнездовая
Количество на схеме: 8
Информация
Колодка гнездовая
Количество
8
14322011;
Артикул: XS18
нет в наличии
Колодка гнездовая
Количество на схеме: 8
Информация
Колодка гнездовая
Количество
8
14322012;
Артикул: XS19
нет в наличии
Колодка гнездовая
Количество на схеме: 8
Информация
Колодка гнездовая
Количество
8
14322013;
Артикул: XS20
нет в наличии
Колодка гнездовая
Количество на схеме: 8
Информация
Колодка гнездовая
Количество
8
14322008;
Артикул: XS23
нет в наличии
Колодка гнездовая
Количество на схеме: 2
Информация
Колодка гнездовая
Количество
2
14322015;
Артикул: XS24
нет в наличии
Колодка гнездовая
Количество на схеме: 2
Информация
Колодка гнездовая
Количество
2
14322017;
Артикул: XS26
нет в наличии
Колодка гнездовая
Количество на схеме: 2
Информация
Колодка гнездовая
Количество
2
14322005;
Артикул: XS27
нет в наличии
Розетка автомобильная
Количество на схеме: 1
Информация
Розетка автомобильная
Количество
1
14322030;
Артикул: XS28
нет в наличии
Колодка гнездовая
Количество на схеме: 2
Информация
Колодка гнездовая
Количество
2
14322016;
Артикул: XS30
нет в наличии
Колодка гнездовая
Количество на схеме: 1
Информация
Колодка гнездовая
Количество
1
14322007;
Артикул: XS46
нет в наличии
Колодка гнездовая
Количество на схеме: 8
Информация
Колодка гнездовая
Количество
8
14322010;
Артикул: XS50
нет в наличии
Колодка гнездовая
Количество на схеме: 1
Информация
Колодка гнездовая
Количество
1
14322014;
Артикул: XS51
нет в наличии
Розетка двухконтактная с чехлом
Количество на схеме: 1
Информация
Розетка двухконтактная с чехлом
Количество
1
14322031;
Артикул: XS7
нет в наличии
Колодка гнездовая
Количество на схеме: 6
Информация
Колодка гнездовая
Количество
6
14322006;
Артикул: YA1
нет в наличии
Электромагнит
Количество на схеме: 2
Информация
Электромагнит
Количество
2
14322051;
Артикул: YA2
нет в наличии
Электромагнит
Количество на схеме: 2
Информация
Электромагнит
Количество
2
14322052;
Артикул: YA3
нет в наличии
Электромагнитный клапан пускового аэрозольного приспособления
Количество на схеме: 1
Информация
Электромагнитный клапан пускового аэрозольного приспособления
Количество
1
14322053;
Артикул: [Выключатель-блокировки-органов-управления]
нет в наличии
Выключатель блокировки органов управления
Количество на схеме: 1
Информация
Выключатель блокировки органов управления
Количество
1
14321982;
Артикул: [Розетка]
нет в наличии
Розетка
Количество на схеме: 1
Информация
Розетка
Количество
1
14322029;
  • Грузовые автомобили
  • Автобусы
  • Сельхозтехника
  • Спецтехника
  • Двигатели
Получить оптовый прайс-лист
Скачать прайс-лист от 07.05.2026 08:00
Специальное предложение от 07.05.2026 09:00
Производители:


  • WEICHAI
  • Автодизель ПАО (ЯМЗ)
  • Тутаевский МЗ
  • ЯЗДА
  • УралАЗ
  • МАЗ
  • АЗПИ
  • BOSCH
  • ММЗ
  • ШААЗ
  • FEDERAL MOGUL
  • ПРАМО
  • Мотордеталь
  • ТАИМ
  • АвтоКрАЗ
  • БЕЛКАРД
  • CZ Strakonice
  • КамАЗ
  • БЗА
  • ЧМЗ
  • BMZ
Новости
Все новости
25 марта 2024
Флагманский седельный тягач «Валдай 45» на выставке «TransRussia»
10 марта 2024
Современные автобусы «CITYMAX 9» и ЛиАЗ-5292 CNG
25 февраля 2024
Серийное производство средних дизельных двигателей повышенной мощности от ЯМЗ
Статьи
Все статьи
Датчики двигателя: за что они отвечают, признаки неисправности и как не прогадать с выбором
Двигатели ЯМЗ-534: история, технические характеристики и области применения
Двигатели ЯМЗ 650: углублённый технический обзор и история
Компания
О компании
Реквизиты
Новости
Политика
Магазины
Информация
Условия оплаты
Условия доставки
Гарантия на товар
Обмен и возврат товара
Помощь
Как оформить заказ
Полезные статьи
Бренды
Пункты выдачи
Оставайтесь на связи
  • Вконтакте
  • YouTube
  • Одноклассники
  • Google Plus
Увидели ошибку?
Выделите, нажав Ctrl + Enter
Наши контакты
8-800-700-35-68
sales@din76.ru
г. Ярославль, Ленинградский пр-т 33, ТЦ "ОМЕГА"
2026 © ООО «Динамика 76» - Все права защищены ООО "Динамика 76"
Предложения на сайте не являются публичной офертой.
На сайте обнаружена ошибка

Текст с ошибкой