Избранное 0 Корзина 0 Личный кабинет
logo
Каталог
Каталог
  • Справочник
    • Грузовые автомобили
    • Автобусы
    • Сельхозтехника
    • Спецтехника
    • Двигатели
  • Доставка
  • Оплата
  • О компании
    • Реквизиты
    • Магазины
    • Оплата
    • Доставка
    • Лицензии и сертификаты
    • Новости
    • Вакансии
  • Контакты
Отправить заявку
Личный кабинет
8 (800) 700-35-68
sales@din76.ru
Избранное 0 Корзина 0
8 (800) 700-35-68
Оптовый прайс-лист
Каталог
  • Двигатели
  • Запчасти WEICHAI
  • Запчасти ЯМЗ, ТМЗ (V-образные)
  • Запчасти ЯМЗ-534, ЯМЗ-536
  • Запчасти ЯМЗ-650, ЯМЗ-651, DCi-11
  • Топливная аппаратура
  • Запчасти УРАЛ
  • Запчасти МАЗ
  • Запчасти КамАЗ
  • Запчасти ММЗ
  • Ремни
Автокаталог (справочник)
  • Доставка
  • Оплата
  • О компании
  • Контакты
8 (800) 700-35-68
Написать в Whatsapp
sales@din76.ru
Динамика 76
Меню  
  • Каталог
    • Двигатели  
      • Двигатели ТМЗ  
        • Двигатели ТМЗ для автомобилей
        • Двигатели ТМЗ для тракторов
        • Специальные двигатели ТМЗ
        • Промышленные двигатели ТМЗ
      • Двигатели ЯМЗ  
        • ЯМЗ 236
        • ЯМЗ 238
        • ЯМЗ 240
        • ЯМЗ 751
        • ЯМЗ 840
        • ЯМЗ 850
        • ЯМЗ 656
        • ЯМЗ 658
        • ЯМЗ 534
        • ЯМЗ 536
        • ЯМЗ 650
        • Двигатели ЯМЗ для электростанций
      • Двигатели КАМАЗ
      • Двигатели ММЗ
      • Двигатели индивидуальной сборки
      • Комплекты переоборудования
    • Запчасти WEICHAI  
      • Основные запчасти двигателя  
        • Клапаны и толкатели
        • Шатуны
        • Вал коленчатый и маховик
        • Вал распределительный
        • Цилиндро-поршневая группа
      • Система питания  
        • Форсунки
        • Турбокомпрессор
      • Система смазки  
        • Насос масляный
      • Головка блока
      • Ремкомплекты
      • Система охлаждения  
        • Насос водяной
        • Муфта вязкостная и крыльчатка
      • Фильтры
      • Электрооборудование  
        • Генератор
        • Стартер
    • Запчасти ЯМЗ, ТМЗ (V-образные)  
      • Основные запчасти двигателя  
        • Блок двигателя и комплектующие
        • Валы распределительные и клапаны
        • Головка блока и комплектующие
        • Цилиндро-поршневая группа
        • Маховики и комплектующие
        • Валы коленчатые и комплектующие
        • Шатуны и комплектующие
      • Система питания  
        • Коллекторы и патрубки
        • Топливные трубопроводы
        • Турбокомпрессор
        • Топливные фильтры
      • Электрооборудование двигателя
      • Система охлаждения  
        • Вязкостные муфты и крыльчатки
        • Приводы вентилятора
        • Водяные насосы
        • Водяные трубы и термостаты
      • Коробки переключения передач  
        • 8 Ступенчатые КПП
        • 5 Ступенчатые КПП
        • 9 Ступенчатые КПП
        • Запасные части КПП ЯМЗ, ТМЗ
      • Система смазки  
        • Теплообменник и комплектующие
        • Масляные насосы
        • Фильтры масляные (ФГОМ, ФЦОМ)
      • Сцепление  
        • Запасные части механизма сцепления
        • Муфты (подшипники выжимные)
        • Корзины (диски нажимные)
        • Диски ведомые
      • Прочие запчасти двигателя  
        • Ремкомплекты
        • Привод агрегатов
        • Натяжные устройства
        • Трубки
    • Запчасти ЯМЗ-534, ЯМЗ-536  
      • Основные запчасти двигателя  
        • Цилиндро-поршневая группа
        • Головка блока цилиндров и комплектующие
        • Блок цилиндров и комплектующие
        • Вал коленчатый и маховик
        • Вал распределительный
        • Клапаны и толкатели
        • ГУР (Гидроусилитель руля)
        • Система рециркуляции отработавших газов
        • Выпускной коллектор
      • Система питания  
        • Коллекторы и патрубки
        • Топливные фильтры
        • Турбокомпрессор
        • Топливные трубопроводы
      • Система смазки  
        • Масляный картер поддон
        • Масляный насос
        • Теплообменник /Водо-масляный радиатор
        • Фильтры масляные (ФГОМ, ФЦОМ)
      • Пневмокомпрессор и натяжное
      • Система охлаждения  
        • Водяной насос
        • Водяные трубы и патрубки
        • Муфты вязкостные, приводы, крыльчатки
      • Ремкомплекты
      • Сцепление
      • Электрооборудование
    • Запчасти ЯМЗ-650, ЯМЗ-651, DCi-11  
      • Основные запчасти двигателя  
        • Цилиндро-поршневая группа
        • Головка блока цилиндров и комплектующие
        • Блок цилиндров и комплектующие
        • Вал коленчатый и маховик
        • Выпускной коллектор
        • Вал распределительный
        • Клапаны и толкатели
        • ГУР (Гидроусилитель руля)
        • Система рециркуляции отработавших газов
      • Система питания  
        • Коллекторы и патрубки
        • Топливные трубопроводы
        • Топливные фильтры
        • Турбокомпрессор
      • Система смазки  
        • Масляный картер / поддон
        • Масляный насос
        • Теплообменник / Водо-масляный радиатор
        • Фильтры масляные (ФГОМ, ФЦОМ)
      • Система охлаждения  
        • Водяной насос
        • Водяные трубы и патрубки
        • Муфты вязкостные, приводы, крыльчатки
      • Ремкомплекты
      • Пневмокомпрессор и натяжное
      • Электрооборудование
      • Сцепление
    • Топливная аппаратура  
      • ЯЗДА  
        • Распылители
        • ТНВД
        • Форсунки
        • Топливный насос низкого давления
        • Пары плунжерные
        • Муфта опережения впрыска топлива
        • Запчасти и комплектующие ТНВД
      • НЗТА
      • АЗПИ  
        • Распылители
        • Форсунки
      • BOSCH
    • Запчасти УРАЛ  
      • Трансмиссия  
        • Коробка раздаточная
        • Передача карданная
        • Мост задний
        • Мост передний (ведущий)
        • Мост средний (промежуточный)
      • Кузов  
        • Дверь кабины
        • Капот, крылья, облицовка радиатора
        • Окно ветровое и заднее
        • Отопление и вентиляция кабины
        • Кабина
      • Механизмы управления  
        • Управление рулевое
        • Тормоза
      • Дополнительное оборудование  
        • Отбор мощности
        • Устройство седельное
      • Электрооборудование
      • Ходовая часть  
        • Колеса и ступицы
        • Ось передняя
        • Подвеска автомобиля
        • Рама
    • Запчасти МАЗ  
      • Трансмиссия  
        • Мост задний
        • Мост передний (ведущий)
        • Передача карданная
        • Мост средний (промежуточный)
      • Кузов  
        • Кабина
        • Дверь кабины
        • Детали основания кабины
        • Окно ветровое и заднее
        • Платформа
      • Механизмы управления  
        • Тормоза
        • Управление рулевое
      • Ходовая часть  
        • Колеса и ступицы
        • Ось передняя
        • Подвеска автомобиля
        • Рама
    • Запчасти КамАЗ  
      • Кузов  
        • Кабина
        • Капот, крылья, облицовка радиатора
        • Дверь кабины
        • Платформа
        • Окно ветровое и заднее
        • Устройство подъемное и опрокидывающее
        • Сиденье
        • Крыша кабины (крыша кузова)
        • Отопление и вентиляция кабины
      • Трансмиссия  
        • Коробка передач
        • Коробка раздаточная
        • Мост задний
        • Сцепление
        • Мост средний (промежуточный)
        • Передача карданная
        • Мост передний (ведущий)
      • Двигатель  
        • Основные запчасти двигателя
        • Система охлаждения
        • Система питания
        • Система смазки
      • Дополнительное оборудование  
        • Отбор мощности
        • Устройство седельное
      • Ходовая часть  
        • Подвеска автомобиля
        • Рама
        • Колеса и ступицы
        • Ось передняя
      • Механизмы управления  
        • Тормоза
        • Управление рулевое
      • Электрооборудование
    • Запчасти ММЗ
    • Ремни
  • Справочник
    • Грузовые автомобили
    • Автобусы
    • Сельхозтехника
    • Спецтехника
    • Двигатели
  • Как купить
    • Условия оплаты
    • Условия доставки
    • Гарантия на товар
    • Пункты выдачи
  • Услуги
    • Капитальный ремонт двигателей ЯМЗ
  • Акции
  • Статьи
  • Контакты
  • Компания
    • Реквизиты
    • Магазины
    • Оплата
    • Доставка
    • Лицензии и сертификаты
    • Новости
    • Вакансии
Избранное 0 Корзина 0
8-800-700-35-68

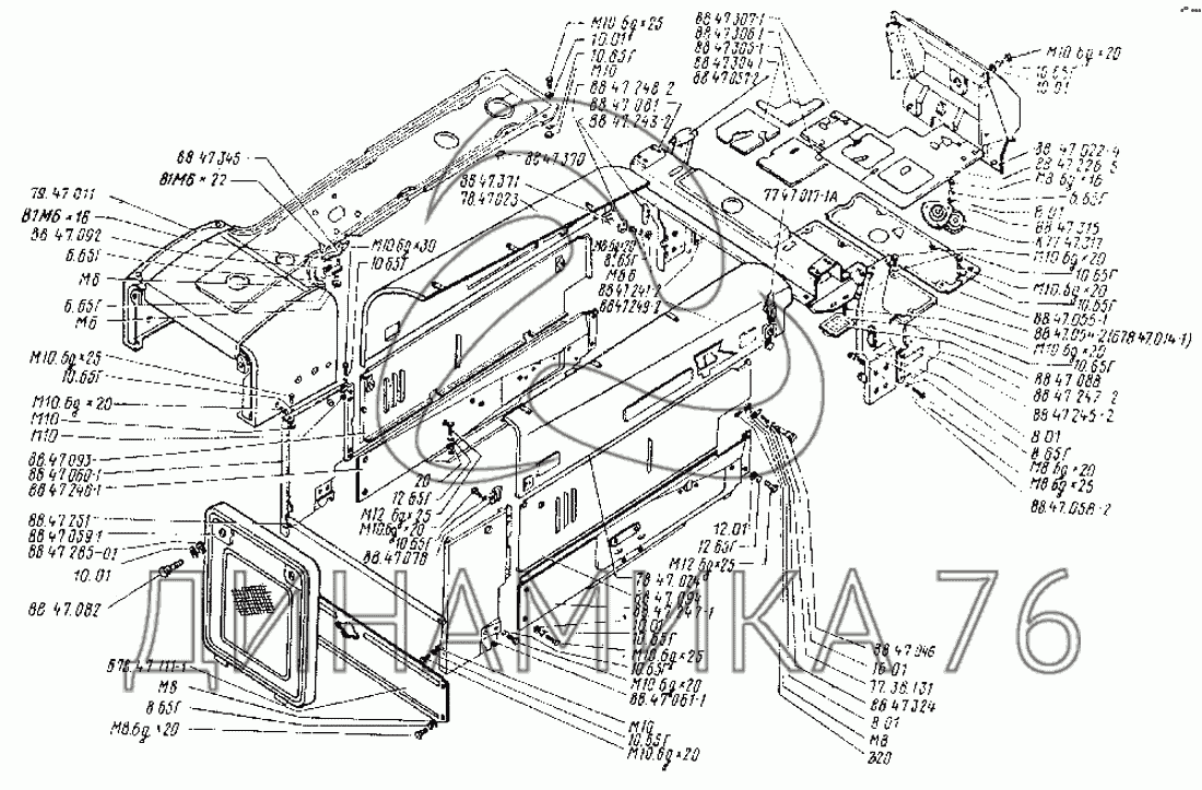
Обшивка на ДТ-75Н (до 1987 г.)

Справочник
Главная
-
Автокаталог
-
Сельхозтехника
-
ВгТЗ
-
ДТ-75Н
Справочный каталог

Обшивка — ДТ-75Н:

10.01 10.01 10.01 10.01 10.65Г 10.65Г 10.65Г 10.65Г 10.65Г 10.65Г 10.65Г 10.65Г 10.65Г 10.65Г 10.65Г 12.01 12.65Г 12.65Г 16.01 16.65Г 20.01 22х3.01 5.65Г 6.65Г 6.65Г 6.65Г 77.36.131 77.47.017-1А 77.47.131 78.47.023 78.47.024 79.47.001 79.47.011 8.01 8.01 8.01 8.65Г 8.65Г 8.65Г 88.47.022-4 88.47.046 88.47.054-2 88.47.055-1 88.47.057-2 88.47.058-2 88.47.059-1 88.47.060-1 88.47.061-1 88.47.078 88.47.081 88.47.082 88.47.088 88.47.092 88.47.093 88.47.094 88.47.226-5 88.47.241-2 88.47.242-2 88.47.243-2 88.47.245-2 88.47.246-1 88.47.248-2 88.47.249-2 88.47.251 88.47.285-01 88.47.304-1 88.47.305-1 88.47.306-1 88.47.307-1 88.47.315 88.47.324 88.47.345 88.47.370 88.47.371 Б78.47-111-1 Б78.47.014-1 В1М6х16 В1М6х22 К77.47.317 М10 М10 М10 М10 М10.6gх20 М10.6gх20 М10.6gх20 М10.6gх20 М10.6gх20 М10.6gх20 М10.6gх20 М10.6gх20 М10.6gх25 М10.6gх25 М10.6gх25 М10.6gх30 М12 М12.6gХ25 М12.6gХ25 М16х1,5.6Н М20х1,5х45 М5.6gх8 М6 М8 М8 М8 М8.6gх16 М8.6gх20 М8.6gх20 М8.6gх20 М8.6gх25
в наличии
нет в наличии
масштаб

В наличии
Нет в наличии

Перечень комплектующих от Обшивка на ДТ-75Н

Схемы запчастей предназначены для справочных целей! Мы продаем не все запчасти от Обшивка на ДТ-75Н, представленные в этом списке.
Наличие на складах по деталям с ценой смотрите в карточке товара.
Артикул: 10-01
нет в наличии
Шайба ГОСТ 11371-78
Количество на схеме: 27
Информация
Шайба ГОСТ 11371-78
Количество
27
Артикул: 10-65Г
нет в наличии
Шайба ГОСТ 6402-70
Количество на схеме: 39
Информация
Шайба ГОСТ 6402-70
Количество
39
Артикул: 12-01
нет в наличии
Шайба ГОСТ 11371-68
Количество на схеме: 18
Информация
Шайба ГОСТ 11371-68
Количество
18
Артикул: 12-65Г
нет в наличии
Шайба ГОСТ 6402-70
Количество на схеме: 26
Информация
Шайба ГОСТ 6402-70
Количество
26
Артикул: 16-01
нет в наличии
Шайба ГОСТ 11371-68
Количество на схеме: 10
Информация
Шайба ГОСТ 11371-68
Количество
10
Артикул: 16-65Г
нет в наличии
Шайба ГОСТ 6402-70
Количество на схеме: 6
Информация
Шайба ГОСТ 6402-70
Количество
6
Артикул: 20-01
нет в наличии
Шайба ГОСТ 11371-78
Количество на схеме: 4
Информация
Шайба ГОСТ 11371-78
Количество
4
Артикул: 22х3-01
нет в наличии
Шайба
Количество на схеме: 6
Информация
Шайба
Количество
6
Артикул: 5-65Г
нет в наличии
Шайба ГОСТ 6402-70
Количество на схеме: 2
Информация
Шайба ГОСТ 6402-70
Количество
2
Артикул: 6-65Г
нет в наличии
Шайба ГОСТ 6402-70
Количество на схеме: 24
Информация
Шайба ГОСТ 6402-70
Количество
24
Артикул: 77-36-131
нет в наличии
Пружина внутренняя
Информация
Пружина внутренняя
Артикул: 77-47-017-1А
нет в наличии
Защелка
Количество на схеме: 4
Информация
Защелка
Количество
4
Артикул: 77-47-131
нет в наличии
Пружина
Количество на схеме: 4
Информация
Пружина
Количество
4
Артикул: 78-47-023
нет в наличии
Боковина верхняя правая
Количество на схеме: 1
Информация
Боковина верхняя правая
Количество
1
Артикул: 78-47-024
нет в наличии
Боковина верхняя левая
Количество на схеме: 1
Информация
Боковина верхняя левая
Количество
1
Артикул: 79-47-001
нет в наличии
Обшивка
Информация
Обшивка
Артикул: 79-47-011
нет в наличии
Щит
Количество на схеме: 1
Информация
Щит
Количество
1
Артикул: 8-01
нет в наличии
Шайба
Количество на схеме: 2
Информация
Шайба
Количество
2
Артикул: 8-65Г
нет в наличии
Шайба ГОСТ 6402-70
Количество на схеме: 18
Информация
Шайба ГОСТ 6402-70
Количество
18
Артикул: 88-47-022-4
нет в наличии
Крышка задняя
Количество на схеме: 1
Информация
Крышка задняя
Количество
1
Артикул: 88-47-046
нет в наличии
Ручка
Количество на схеме: 1
Информация
Ручка
Количество
1
Артикул: 88-47-054-2
нет в наличии
Пол передний
Количество на схеме: 1
Информация
Пол передний
Количество
1
Артикул: 88-47-055-1
нет в наличии
Пол задний
Количество на схеме: 1
Информация
Пол задний
Количество
1
Артикул: 88-47-057-2
нет в наличии
Стойка правая
Количество на схеме: 1
Информация
Стойка правая
Количество
1
Артикул: 88-47-058-2
нет в наличии
Стойка левая
Количество на схеме: 1
Информация
Стойка левая
Количество
1
Артикул: 88-47-059-1
нет в наличии
Решетка
Количество на схеме: 1
Информация
Решетка
Количество
1
Артикул: 88-47-060-1
нет в наличии
Боковина правая
Количество на схеме: 1
Информация
Боковина правая
Количество
1
Артикул: 88-47-061-1
нет в наличии
Боковина левая
Количество на схеме: 1
Информация
Боковина левая
Количество
1
Артикул: 88-47-078
нет в наличии
Кронштейн усилителя
Количество на схеме: 2
Информация
Кронштейн усилителя
Количество
2
Артикул: 88-47-081
нет в наличии
Опора
Количество на схеме: 1
Информация
Опора
Количество
1
Артикул: 88-47-082
нет в наличии
Винт
Количество на схеме: 2
Информация
Винт
Количество
2
Артикул: 88-47-088
нет в наличии
Крышка
Количество на схеме: 1
Информация
Крышка
Количество
1
Артикул: 88-47-092
нет в наличии
Петля
Количество на схеме: 6
Информация
Петля
Количество
6
Артикул: 88-47-093
нет в наличии
Боковина правая
Количество на схеме: 1
Информация
Боковина правая
Количество
1
Артикул: 88-47-094
нет в наличии
Боковина левая
Количество на схеме: 1
Информация
Боковина левая
Количество
1
Артикул: 88-47-226-5
нет в наличии
Коврик
Количество на схеме: 1
Информация
Коврик
Количество
1
Артикул: 88-47-241-2
нет в наличии
Щиток правый
Количество на схеме: 1
Информация
Щиток правый
Количество
1
Артикул: 88-47-242-2
нет в наличии
Щиток левый
Количество на схеме: 1
Информация
Щиток левый
Количество
1
Артикул: 88-47-243-2
нет в наличии
Опора правая
Количество на схеме: 1
Информация
Опора правая
Количество
1
Артикул: 88-47-245-2
нет в наличии
Опора левая
Количество на схеме: 1
Информация
Опора левая
Количество
1
Артикул: 88-47-246-1
нет в наличии
Лист боковой передний правый
Количество на схеме: 1
Информация
Лист боковой передний правый
Количество
1
Артикул: 88-47-248-2
нет в наличии
Крючок задний правый
Количество на схеме: 1
Информация
Крючок задний правый
Количество
1
Артикул: 88-47-249-2
нет в наличии
Крючок задний левый
Количество на схеме: 1
Информация
Крючок задний левый
Количество
1
Артикул: 88-47-251
нет в наличии
Стяжка нижняя
Количество на схеме: 1
Информация
Стяжка нижняя
Количество
1
Артикул: 88-47-285-01
нет в наличии
Шайба
Количество на схеме: 2
Информация
Шайба
Количество
2
Артикул: 88-47-304-1
нет в наличии
Подкладка
Количество на схеме: 1
Информация
Подкладка
Количество
1
Артикул: 88-47-305-1
нет в наличии
Подкладка
Количество на схеме: 1
Информация
Подкладка
Количество
1
Артикул: 88-47-306-1
нет в наличии
Подкладка
Количество на схеме: 1
Информация
Подкладка
Количество
1
Артикул: 88-47-307-1
нет в наличии
Подкладка
Количество на схеме: 1
Информация
Подкладка
Количество
1
Артикул: 88-47-315
нет в наличии
Колпак
Количество на схеме: 1
Информация
Колпак
Количество
1
Артикул: 88-47-324
нет в наличии
Захват
Количество на схеме: 4
Информация
Захват
Количество
4
Артикул: 88-47-345
нет в наличии
Фиксатор
Количество на схеме: 2
Информация
Фиксатор
Количество
2
Артикул: 88-47-370
нет в наличии
Буфер
Количество на схеме: 16
Информация
Буфер
Количество
16
Артикул: 88-47-371
нет в наличии
Буфер
Количество на схеме: 20
Информация
Буфер
Количество
20
Артикул: Б78-47-111-1
нет в наличии
Крышка передняя
Количество на схеме: 1
Информация
Крышка передняя
Количество
1
Артикул: Б78-47-014-1
нет в наличии
Пол передний
Количество на схеме: 1
Информация
Пол передний
Количество
1
Артикул: В1М6х16
нет в наличии
Винт
Количество на схеме: 12
Информация
Винт
Количество
12
Артикул: В1М6х22
нет в наличии
Винт
Количество на схеме: 12
Информация
Винт
Количество
12
Артикул: К77-47-317
нет в наличии
Уплотнение
Количество на схеме: 1
Информация
Уплотнение
Количество
1
Артикул: М10
нет в наличии
Гайка ГОСТ 5915-70
Количество на схеме: 12
Информация
Гайка ГОСТ 5915-70
Количество
12
Артикул: М10-6gх20
нет в наличии
Болт
Количество на схеме: 27
Информация
Болт
Количество
27
Артикул: М10-6gх25
нет в наличии
Болт
Количество на схеме: 18
Информация
Болт
Количество
18
Артикул: М10-6gх30
нет в наличии
Болт
Количество на схеме: 2
Информация
Болт
Количество
2
Артикул: М12
нет в наличии
Гайка ГОСТ 5915-70
Количество на схеме: 4
Информация
Гайка ГОСТ 5915-70
Количество
4
Артикул: М12-6gХ25
нет в наличии
Болт ГОСТ 7796-70
Информация
Болт ГОСТ 7796-70
Артикул: М16х1,5-6Н
нет в наличии
Гайка
Количество на схеме: 6
Информация
Гайка
Количество
6
Артикул: М20х1,5х45
нет в наличии
Болт
Количество на схеме: 4
Информация
Болт
Количество
4
Артикул: М5-6gх8
нет в наличии
Винт
Количество на схеме: 2
Информация
Винт
Количество
2
Артикул: М6
нет в наличии
Гайка
Количество на схеме: 24
Информация
Гайка
Количество
24
Артикул: М8
нет в наличии
Гайка
Количество на схеме: 24
Информация
Гайка
Количество
24
Артикул: М8-6gх16
нет в наличии
Болт
Количество на схеме: 13
Информация
Болт
Количество
13
Артикул: М8-6gх20
нет в наличии
Болт
Количество на схеме: 18
Информация
Болт
Количество
18
Артикул: М8-6gх25
нет в наличии
Болт
Количество на схеме: 2
Информация
Болт
Количество
2
  • Грузовые автомобили
  • Автобусы
  • Сельхозтехника
  • Спецтехника
  • Двигатели
Получить оптовый прайс-лист
Скачать прайс-лист от 08.05.2026 16:00
Специальное предложение от 08.05.2026 17:00
Производители:


  • WEICHAI
  • Автодизель ПАО (ЯМЗ)
  • Тутаевский МЗ
  • ЯЗДА
  • УралАЗ
  • МАЗ
  • АЗПИ
  • BOSCH
  • ММЗ
  • ШААЗ
  • FEDERAL MOGUL
  • ПРАМО
  • Мотордеталь
  • ТАИМ
  • АвтоКрАЗ
  • БЕЛКАРД
  • CZ Strakonice
  • КамАЗ
  • БЗА
  • ЧМЗ
  • BMZ
Новости
Все новости
25 марта 2024
Флагманский седельный тягач «Валдай 45» на выставке «TransRussia»
10 марта 2024
Современные автобусы «CITYMAX 9» и ЛиАЗ-5292 CNG
25 февраля 2024
Серийное производство средних дизельных двигателей повышенной мощности от ЯМЗ
Статьи
Все статьи
Датчики двигателя: за что они отвечают, признаки неисправности и как не прогадать с выбором
Двигатели ЯМЗ-534: история, технические характеристики и области применения
Двигатели ЯМЗ 650: углублённый технический обзор и история
Компания
О компании
Реквизиты
Новости
Политика
Магазины
Информация
Условия оплаты
Условия доставки
Гарантия на товар
Обмен и возврат товара
Помощь
Как оформить заказ
Полезные статьи
Бренды
Пункты выдачи
Оставайтесь на связи
  • Вконтакте
  • YouTube
  • Одноклассники
  • Google Plus
Увидели ошибку?
Выделите, нажав Ctrl + Enter
Наши контакты
8-800-700-35-68
sales@din76.ru
г. Ярославль, Ленинградский пр-т 33, ТЦ "ОМЕГА"
2026 © ООО «Динамика 76» - Все права защищены ООО "Динамика 76"
Предложения на сайте не являются публичной офертой.
На сайте обнаружена ошибка

Текст с ошибкой