Избранное 0 Корзина 0 Личный кабинет
logo
Каталог
Каталог
  • Справочник
    • Грузовые автомобили
    • Автобусы
    • Сельхозтехника
    • Спецтехника
    • Двигатели
  • Доставка
  • Оплата
  • О компании
    • Реквизиты
    • Магазины
    • Оплата
    • Доставка
    • Лицензии и сертификаты
    • Новости
    • Вакансии
  • Контакты
Отправить заявку
Личный кабинет
8 (800) 700-35-68
sales@din76.ru
Избранное 0 Корзина 0
8 (800) 700-35-68
Оптовый прайс-лист
Каталог
  • Двигатели
  • Запчасти WEICHAI
  • Запчасти ЯМЗ, ТМЗ (V-образные)
  • Запчасти ЯМЗ-534, ЯМЗ-536
  • Запчасти ЯМЗ-650, ЯМЗ-651, DCi-11
  • Топливная аппаратура
  • Запчасти УРАЛ
  • Запчасти МАЗ
  • Запчасти КамАЗ
  • Запчасти ММЗ
  • Ремни
Автокаталог (справочник)
  • Доставка
  • Оплата
  • О компании
  • Контакты
8 (800) 700-35-68
Написать в Whatsapp
sales@din76.ru
Динамика 76
Меню  
  • Каталог
    • Двигатели  
      • Двигатели ТМЗ  
        • Двигатели ТМЗ для автомобилей
        • Двигатели ТМЗ для тракторов
        • Специальные двигатели ТМЗ
        • Промышленные двигатели ТМЗ
      • Двигатели ЯМЗ  
        • ЯМЗ 236
        • ЯМЗ 238
        • ЯМЗ 240
        • ЯМЗ 751
        • ЯМЗ 840
        • ЯМЗ 850
        • ЯМЗ 656
        • ЯМЗ 658
        • ЯМЗ 534
        • ЯМЗ 536
        • ЯМЗ 650
        • Двигатели ЯМЗ для электростанций
      • Двигатели КАМАЗ
      • Двигатели ММЗ
      • Двигатели индивидуальной сборки
      • Комплекты переоборудования
    • Запчасти WEICHAI  
      • Основные запчасти двигателя  
        • Клапаны и толкатели
        • Шатуны
        • Вал коленчатый и маховик
        • Вал распределительный
        • Цилиндро-поршневая группа
      • Система питания  
        • Форсунки
        • Турбокомпрессор
      • Система смазки  
        • Насос масляный
      • Головка блока
      • Ремкомплекты
      • Система охлаждения  
        • Насос водяной
        • Муфта вязкостная и крыльчатка
      • Фильтры
      • Электрооборудование  
        • Генератор
        • Стартер
    • Запчасти ЯМЗ, ТМЗ (V-образные)  
      • Основные запчасти двигателя  
        • Блок двигателя и комплектующие
        • Валы распределительные и клапаны
        • Головка блока и комплектующие
        • Цилиндро-поршневая группа
        • Маховики и комплектующие
        • Валы коленчатые и комплектующие
        • Шатуны и комплектующие
      • Система питания  
        • Коллекторы и патрубки
        • Топливные трубопроводы
        • Турбокомпрессор
        • Топливные фильтры
      • Электрооборудование двигателя
      • Система охлаждения  
        • Вязкостные муфты и крыльчатки
        • Приводы вентилятора
        • Водяные насосы
        • Водяные трубы и термостаты
      • Коробки переключения передач  
        • 8 Ступенчатые КПП
        • 5 Ступенчатые КПП
        • 9 Ступенчатые КПП
        • Запасные части КПП ЯМЗ, ТМЗ
      • Система смазки  
        • Теплообменник и комплектующие
        • Масляные насосы
        • Фильтры масляные (ФГОМ, ФЦОМ)
      • Сцепление  
        • Запасные части механизма сцепления
        • Муфты (подшипники выжимные)
        • Корзины (диски нажимные)
        • Диски ведомые
      • Прочие запчасти двигателя  
        • Ремкомплекты
        • Привод агрегатов
        • Натяжные устройства
        • Трубки
    • Запчасти ЯМЗ-534, ЯМЗ-536  
      • Основные запчасти двигателя  
        • Цилиндро-поршневая группа
        • Головка блока цилиндров и комплектующие
        • Блок цилиндров и комплектующие
        • Вал коленчатый и маховик
        • Вал распределительный
        • Клапаны и толкатели
        • ГУР (Гидроусилитель руля)
        • Система рециркуляции отработавших газов
        • Выпускной коллектор
      • Система питания  
        • Коллекторы и патрубки
        • Топливные фильтры
        • Турбокомпрессор
        • Топливные трубопроводы
      • Система смазки  
        • Масляный картер поддон
        • Масляный насос
        • Теплообменник /Водо-масляный радиатор
        • Фильтры масляные (ФГОМ, ФЦОМ)
      • Пневмокомпрессор и натяжное
      • Система охлаждения  
        • Водяной насос
        • Водяные трубы и патрубки
        • Муфты вязкостные, приводы, крыльчатки
      • Ремкомплекты
      • Сцепление
      • Электрооборудование
    • Запчасти ЯМЗ-650, ЯМЗ-651, DCi-11  
      • Основные запчасти двигателя  
        • Цилиндро-поршневая группа
        • Головка блока цилиндров и комплектующие
        • Блок цилиндров и комплектующие
        • Вал коленчатый и маховик
        • Выпускной коллектор
        • Вал распределительный
        • Клапаны и толкатели
        • ГУР (Гидроусилитель руля)
        • Система рециркуляции отработавших газов
      • Система питания  
        • Коллекторы и патрубки
        • Топливные трубопроводы
        • Топливные фильтры
        • Турбокомпрессор
      • Система смазки  
        • Масляный картер / поддон
        • Масляный насос
        • Теплообменник / Водо-масляный радиатор
        • Фильтры масляные (ФГОМ, ФЦОМ)
      • Система охлаждения  
        • Водяной насос
        • Водяные трубы и патрубки
        • Муфты вязкостные, приводы, крыльчатки
      • Ремкомплекты
      • Пневмокомпрессор и натяжное
      • Электрооборудование
      • Сцепление
    • Топливная аппаратура  
      • ЯЗДА  
        • Распылители
        • ТНВД
        • Форсунки
        • Топливный насос низкого давления
        • Пары плунжерные
        • Муфта опережения впрыска топлива
        • Запчасти и комплектующие ТНВД
      • НЗТА
      • АЗПИ  
        • Распылители
        • Форсунки
      • BOSCH
    • Запчасти УРАЛ  
      • Трансмиссия  
        • Коробка раздаточная
        • Передача карданная
        • Мост задний
        • Мост передний (ведущий)
        • Мост средний (промежуточный)
      • Кузов  
        • Дверь кабины
        • Капот, крылья, облицовка радиатора
        • Окно ветровое и заднее
        • Отопление и вентиляция кабины
        • Кабина
      • Механизмы управления  
        • Управление рулевое
        • Тормоза
      • Дополнительное оборудование  
        • Отбор мощности
        • Устройство седельное
      • Электрооборудование
      • Ходовая часть  
        • Колеса и ступицы
        • Ось передняя
        • Подвеска автомобиля
        • Рама
    • Запчасти МАЗ  
      • Трансмиссия  
        • Мост задний
        • Мост передний (ведущий)
        • Передача карданная
        • Мост средний (промежуточный)
      • Кузов  
        • Кабина
        • Дверь кабины
        • Детали основания кабины
        • Окно ветровое и заднее
        • Платформа
      • Механизмы управления  
        • Тормоза
        • Управление рулевое
      • Ходовая часть  
        • Колеса и ступицы
        • Ось передняя
        • Подвеска автомобиля
        • Рама
    • Запчасти КамАЗ  
      • Кузов  
        • Кабина
        • Капот, крылья, облицовка радиатора
        • Дверь кабины
        • Платформа
        • Окно ветровое и заднее
        • Устройство подъемное и опрокидывающее
        • Сиденье
        • Крыша кабины (крыша кузова)
        • Отопление и вентиляция кабины
      • Трансмиссия  
        • Коробка передач
        • Коробка раздаточная
        • Мост задний
        • Сцепление
        • Мост средний (промежуточный)
        • Передача карданная
        • Мост передний (ведущий)
      • Двигатель  
        • Основные запчасти двигателя
        • Система охлаждения
        • Система питания
        • Система смазки
      • Дополнительное оборудование  
        • Отбор мощности
        • Устройство седельное
      • Ходовая часть  
        • Подвеска автомобиля
        • Рама
        • Колеса и ступицы
        • Ось передняя
      • Механизмы управления  
        • Тормоза
        • Управление рулевое
      • Электрооборудование
    • Запчасти ММЗ
    • Ремни
  • Справочник
    • Грузовые автомобили
    • Автобусы
    • Сельхозтехника
    • Спецтехника
    • Двигатели
  • Как купить
    • Условия оплаты
    • Условия доставки
    • Гарантия на товар
    • Пункты выдачи
  • Услуги
    • Капитальный ремонт двигателей ЯМЗ
  • Акции
  • Статьи
  • Контакты
  • Компания
    • Реквизиты
    • Магазины
    • Оплата
    • Доставка
    • Лицензии и сертификаты
    • Новости
    • Вакансии
Избранное 0 Корзина 0
8-800-700-35-68

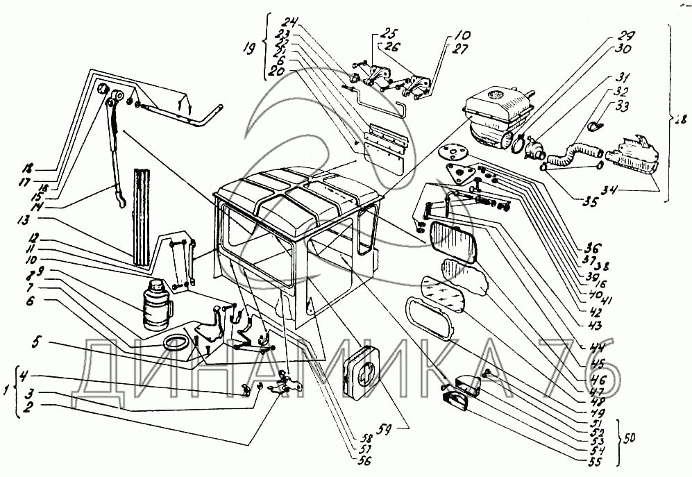
Оборудование кабины на ДТ-75МВ (до 2002 г.)

Справочник
Главная
-
Автокаталог
-
Сельхозтехника
-
ВгТЗ
-
ДТ-75МВ
Справочный каталог

Оборудование кабины — ДТ-75МВ:

88.46.003 1 2 3 4 5 6 6 7 8 9 10 10 11 12 13 14 15 16 16 17 18 19 20 21 22 23 24 25 26 27 28 29 30 30 31 32 33 34 35 36 37 37 38 39 40 41 42 43 44 45 46 47 48 49 51 52 53 54 55 56 57 58 59
в наличии
нет в наличии
масштаб

В наличии
Нет в наличии

Перечень комплектующих от Оборудование кабины на ДТ-75МВ

Схемы запчастей предназначены для справочных целей! Мы продаем не все запчасти от Оборудование кабины на ДТ-75МВ, представленные в этом списке.
Наличие на складах по деталям с ценой смотрите в карточке товара.
Артикул: 88-46-003
нет в наличии
Оборудование кабины
Информация
Оборудование кабины
1
1
Артикул: А30-06-100
нет в наличии
Хомут
Количество на схеме: 1
Информация
Хомут
Количество
1
Масса;Материал;
0,249
2
2
Артикул: А30-06-200
нет в наличии
Хомут
Количество на схеме: 1
Информация
Хомут
Количество
1
Масса;Материал;
0,23
3
3
Артикул: Шайба-10-01-ГОСТ-11371-78
нет в наличии
Шайба 10.01 ГОСТ 11371-78
Количество на схеме: 1
Информация
Шайба 10.01 ГОСТ 11371-78
Количество
1
Масса;Материал;
0,0408;Сталь 08кп ГОСТ 9045-70
4
4
Артикул: Гайка-М12х1-25-8-016-ГОСТ-5916-70
нет в наличии
Гайка М12х1.25.8.016 ГОСТ 5916-70
Количество на схеме: 1
Информация
Гайка М12х1.25.8.016 ГОСТ 5916-70
Количество
1
Масса;Материал;
0,0513;Сталь 15 ГОСТ 1050-74
5
5
Артикул: Болт-М8-6gх16-88-35-016-ГОСТ-7796-70
нет в наличии
Болт М8.6gх16.88.35.016 ГОСТ 7796-70
Количество на схеме: 4
Информация
Болт М8.6gх16.88.35.016 ГОСТ 7796-70
Количество
4
Масса;Материал;
0,01064;Сталь 35 ГОСТ 1050-74
6
6
Артикул: Винт-М5-6gх12-58-016-ГОСТ-17473-72
нет в наличии
Винт М5.6gх12.58.016 ГОСТ 17473-72
Количество на схеме: 6
Информация
Винт М5.6gх12.58.016 ГОСТ 17473-72
Количество
6
Масса;Материал;
0,002611;Сталь 10 ГОСТ 1050-74
7
7
Артикул: 88-46-137
нет в наличии
Прокладка термоса
Количество на схеме: 1
Информация
Прокладка термоса
Количество
1
Масса;Материал;
0,065;Резина
8
8
Артикул: 88-46-136-1
нет в наличии
Фиксатор
Количество на схеме: 1
Информация
Фиксатор
Количество
1
Масса;Материал;
0,17;Сталь 08кп ГОСТ 9045-70
9
9
Артикул: СШ2-945-012Г4
нет в наличии
Термос
Информация
Термос
10
10
Артикул: Шайба-8-65Г-05-ГОСТ-6402-70
нет в наличии
Шайба 8 65Г 05 ГОСТ 6402-70
Количество на схеме: 10
Информация
Шайба 8 65Г 05 ГОСТ 6402-70
Количество
10
Масса;Материал;
0,000998;Сталь 65Г ГОСТ 14959-79
11
11
Артикул: Болт-М8-6gх-12-88-35-016-ГОСТ-7796-70
нет в наличии
Болт М8.6gх 12.88.35.016 ГОСТ 7796-70
Количество на схеме: 2
Информация
Болт М8.6gх 12.88.35.016 ГОСТ 7796-70
Количество
2
Масса;Материал;
0,00918;Сталь 35 ГОСТ 1050-74
12
12
Артикул: А30-06-001
нет в наличии
Скоба
Количество на схеме: 1
Информация
Скоба
Количество
1
Масса;Материал;
0,14;Сталь 08кп ГОСТ 9045-70
13
13
Артикул: СЛ1/1-У39
нет в наличии
Щетка
Информация
Щетка
14
14
Артикул: СЛ12-5205500
нет в наличии
Узел рычага
Информация
Узел рычага
Модель
СЛ12
Группа
Окно ветровое
Подгруппа
Стеклоочиститель и привод
Порядковый номер детали
500
15
15
Артикул: СЛ12-5205013
нет в наличии
Гайка специальная
Информация
Гайка специальная
Модель
СЛ12
Группа
Окно ветровое
Подгруппа
Стеклоочиститель и привод
Порядковый номер детали
013
16
16
Артикул: Шайба-8-01-ГОСТ-11371-78
нет в наличии
Шайба 8.01 ГОСТ 11371-78
Количество на схеме: 2
Информация
Шайба 8.01 ГОСТ 11371-78
Количество
2
Масса;Материал;
0,215;Сталь 08кп ГОСТ 9045-70
17
17
Артикул: 88-46-182
нет в наличии
Ось
Количество на схеме: 1
Информация
Ось
Количество
1
Масса;Материал;
0,06;Сталь 20 ГОСТ 1051-73
18
18
Артикул: Шплинт-2х20-РОСТ-397-79
нет в наличии
Шплинт 2х20 РОСТ 397-79
Количество на схеме: 2
Информация
Шплинт 2х20 РОСТ 397-79
Количество
2
Масса;Материал;
0,000479;Сталь 10 ГОСТ 1050-74
19
19
Артикул: 88-46-055-1
нет в наличии
Козырек солнцезащитный
Количество на схеме: 1
Информация
Козырек солнцезащитный
Количество
1
Масса;Материал;
1,785
20
20
Артикул: 88-46-269
нет в наличии
Козырек
Количество на схеме: 1
Информация
Козырек
Количество
1
Масса;Материал;
0,9
21
21
Артикул: 88-46-267
нет в наличии
Планка наружная
Количество на схеме: 1
Информация
Планка наружная
Количество
1
Масса;Материал;
0,234
22
22
Артикул: 78-46-060
нет в наличии
Отопитель
Количество на схеме: 1
Информация
Отопитель
Количество
1
23
23
Артикул: 88-46-039
нет в наличии
Дуга
Количество на схеме: 5
Информация
Дуга
Количество
5
Масса;Материал;
0,81
24
24
Артикул: 78-57-060
нет в наличии
Маховичок
Количество на схеме: 1
Информация
Маховичок
Количество
1
25
25
Артикул: 88-46-056
нет в наличии
Кронштейн
Количество на схеме: 1
Информация
Кронштейн
Количество
1
Масса;Материал;
0,151
26
26
Артикул: 88-46-271
нет в наличии
Кронштейн
Количество на схеме: 1
Информация
Кронштейн
Количество
1
Масса;Материал;
0,12;Сталь 45Л ГОСТ 977-75
27
27
Артикул: Болт-М8-6gх20-88-35-016-ГОСТ-7796-70
нет в наличии
Болт М8.6gх20.88.35.016 ГОСТ 7796-70
Количество на схеме: 4
Информация
Болт М8.6gх20.88.35.016 ГОСТ 7796-70
Количество
4
Масса;Материал;
0,01209;Сталь 35 ГОСТ 1050-74
28
28
Артикул: 88-46-017
нет в наличии
Система обогрева кабины
Количество на схеме: 1
Информация
Система обогрева кабины
Количество
1
29
29
Артикул: 88-46-049
нет в наличии
Отопитель
Количество на схеме: 1
Информация
Отопитель
Количество
1
Масса;Материал;
5,865
30
30
Артикул: 88-46-033
нет в наличии
Хомутик
Количество на схеме: 1
Информация
Хомутик
Количество
1
Масса;Материал;
0,021
30
30
Артикул: 88-46-061
нет в наличии
Пепельница
Количество на схеме: 1
Информация
Пепельница
Количество
1
Масса;Материал;
0,16
31
31
Артикул: 88-46-030
нет в наличии
Патрубок
Количество на схеме: 1
Информация
Патрубок
Количество
1
Масса;Материал;
0,082
32
32
Артикул: 85-26-142
нет в наличии
Шланг воздухоподводящий
Количество на схеме: 1
Информация
Шланг воздухоподводящий
Количество
1
Масса;Материал;
0,193;Рукав гофрированный 44х560 ТУ 38.105803-75
33
33
Артикул: 88-46-167
нет в наличии
Лента
Количество на схеме: 1
Информация
Лента
Количество
1
Масса;Материал;
0,018;Сталь 08кп ГОСТ 9045-70
34
34
Артикул: 88-46-071
нет в наличии
Воздухораспределитель
Количество на схеме: 1
Информация
Воздухораспределитель
Количество
1
Масса;Материал;
0,858
35
35
Артикул: 77-06-027
нет в наличии
Хомут (хСВ-43)
Количество на схеме: 2
Информация
Хомут (хСВ-43)
Количество
2
Масса;Материал;
0,0589
36
36
Артикул: К77-46-202
нет в наличии
Пластина декоративная
Количество на схеме: 1
Информация
Пластина декоративная
Количество
1
Масса;Материал;
0,074;Сталь 2кп ГОСТ 1051-73
37
37
Артикул: К77-46-022
нет в наличии
Пластина опорная
Количество на схеме: 1
Информация
Пластина опорная
Количество
1
Масса;Материал;
0,063
38
38
Артикул: К77-46-204-1
нет в наличии
Втулка
Количество на схеме: 3
Информация
Втулка
Количество
3
Масса;Материал;
0,017;Сталь 08кп ГОСТ 9045-70
39
39
Артикул: 77-48-116
нет в наличии
Кольцо
Количество на схеме: 1
Информация
Кольцо
Количество
1
Масса;Материал;
0,002;Резина
40
40
Артикул: Болт-М8-6gх25-88-35-016-ГОСТ-7796-70
нет в наличии
Болт М8.6gх25.88.35.016 ГОСТ 7796-70
Количество на схеме: 3
Информация
Болт М8.6gх25.88.35.016 ГОСТ 7796-70
Количество
3
Масса;Материал;
0,0139;Сталь 35 ГОСТ 1050-74
41
41
Артикул: Гайка-М10-6-016-ГОСТ-5915-70
нет в наличии
Гайка М10.6.016 ГОСТ 5915-70
Количество на схеме: 1
Информация
Гайка М10.6.016 ГОСТ 5915-70
Количество
1
Масса;Материал;
0,0513;Сталь 15 ГОСТ 1050-74
42
42
Артикул: К77-46-040
нет в наличии
Опора
Количество на схеме: 1
Информация
Опора
Количество
1
Масса;Материал;
0,071
43
43
Артикул: К77-47-038-1
нет в наличии
Кронштейн зеркала в сборе
Количество на схеме: 1
Информация
Кронштейн зеркала в сборе
Количество
1
Масса;Материал;
0,27
44
44
Артикул: 77-52-256
нет в наличии
Пружина
Количество на схеме: 1
Информация
Пружина
Количество
1
Масса;Материал;
0,0156;Проволока 1 1-2,5 ГОСТ 9389-75
45
45
Артикул: Шайба-12-01-ГОСТ-11371-78
нет в наличии
Шайба 12.01 ГОСТ 11371-78
Количество на схеме: 1
Информация
Шайба 12.01 ГОСТ 11371-78
Количество
1
Масса;Материал;
0,627;Сталь 08кп ГОСТ 9045-70
46
46
Артикул: К77-46-039-1
нет в наличии
Основание
Количество на схеме: 1
Информация
Основание
Количество
1
Масса;Материал;
0,334
47
47
Артикул: А30-05-003
нет в наличии
Прокладка
Количество на схеме: 1
Информация
Прокладка
Количество
1
Масса;Материал;
0,035;Картон
48
48
Артикул: А30-05-001
нет в наличии
Зеркало заднего вида
Количество на схеме: 1
Информация
Зеркало заднего вида
Количество
1
Масса;Материал;
0,225
49
49
Артикул: А30-05-004
нет в наличии
Окантовка
Количество на схеме: 1
Информация
Окантовка
Количество
1
Масса;Материал;
0,05;Картон
51
51
Артикул: Гайка-М6-6-016-ГОСТ-5915-70
нет в наличии
Гайка М6.6.016 ГОСТ 5915-70
Количество на схеме: 1
Информация
Гайка М6.6.016 ГОСТ 5915-70
Количество
1
Масса;Материал;
0,00996;Сталь 15 ГОСТ 1050-74
52
52
Артикул: Шайба-6-65Г-05-ГОСТ-6402-70
нет в наличии
Шайба 6 65Г 05 ГОСТ 6402-70
Количество на схеме: 1
Информация
Шайба 6 65Г 05 ГОСТ 6402-70
Количество
1
Масса;Материал;
0,000487;Сталь 65Г ГОСТ М959-79
53
53
Артикул: А30-06-031
нет в наличии
Гнездо
Информация
Гнездо
54
54
Артикул: Винт-М6-6gх16-58-016-ГОСТ-17473-72
нет в наличии
Винт М6.6gх16-58.016 ГОСТ 17473-72
Количество на схеме: 1
Информация
Винт М6.6gх16-58.016 ГОСТ 17473-72
Количество
1
Масса;Материал;
0,00478;Сталь 10 ГОСТ 1050-74
55
55
Артикул: А30-06-038
нет в наличии
Коробка
Информация
Коробка
56
56
Артикул: 88-46-173-1
нет в наличии
Кронштейн
Количество на схеме: 1
Информация
Кронштейн
Количество
1
Масса;Материал;
0,07;Сталь 08кп ГОСТ 9045-70
57
57
Артикул: 88-46-168-1
нет в наличии
Кронштейн
Количество на схеме: 1
Информация
Кронштейн
Количество
1
Масса;Материал;
0,093;Сталь 08кп ГОСТ 9045-70
58
58
Артикул: 88-46-172-1
нет в наличии
Клипс
Количество на схеме: 1
Информация
Клипс
Количество
1
Масса;Материал;
0,045;Сталь 65Г ГОСТ 14959-79
59
59
Артикул: 411-00-00-00
нет в наличии
Футляр аптечки
Количество на схеме: 1
Информация
Футляр аптечки
Количество
1
Масса;Материал;
1,25
  • Грузовые автомобили
  • Автобусы
  • Сельхозтехника
  • Спецтехника
  • Двигатели
Получить оптовый прайс-лист
Скачать прайс-лист от 09.05.2026 12:00
Специальное предложение от 09.05.2026 09:00
Производители:


  • WEICHAI
  • Автодизель ПАО (ЯМЗ)
  • Тутаевский МЗ
  • ЯЗДА
  • УралАЗ
  • МАЗ
  • АЗПИ
  • BOSCH
  • ММЗ
  • ШААЗ
  • FEDERAL MOGUL
  • ПРАМО
  • Мотордеталь
  • ТАИМ
  • АвтоКрАЗ
  • БЕЛКАРД
  • CZ Strakonice
  • КамАЗ
  • БЗА
  • ЧМЗ
  • BMZ
Новости
Все новости
25 марта 2024
Флагманский седельный тягач «Валдай 45» на выставке «TransRussia»
10 марта 2024
Современные автобусы «CITYMAX 9» и ЛиАЗ-5292 CNG
25 февраля 2024
Серийное производство средних дизельных двигателей повышенной мощности от ЯМЗ
Статьи
Все статьи
Датчики двигателя: за что они отвечают, признаки неисправности и как не прогадать с выбором
Двигатели ЯМЗ-534: история, технические характеристики и области применения
Двигатели ЯМЗ 650: углублённый технический обзор и история
Компания
О компании
Реквизиты
Новости
Политика
Магазины
Информация
Условия оплаты
Условия доставки
Гарантия на товар
Обмен и возврат товара
Помощь
Как оформить заказ
Полезные статьи
Бренды
Пункты выдачи
Оставайтесь на связи
  • Вконтакте
  • YouTube
  • Одноклассники
  • Google Plus
Увидели ошибку?
Выделите, нажав Ctrl + Enter
Наши контакты
8-800-700-35-68
sales@din76.ru
г. Ярославль, Ленинградский пр-т 33, ТЦ "ОМЕГА"
2026 © ООО «Динамика 76» - Все права защищены ООО "Динамика 76"
Предложения на сайте не являются публичной офертой.
На сайте обнаружена ошибка

Текст с ошибкой