Избранное 0 Корзина 0 Личный кабинет
logo
Каталог
Каталог
  • Справочник
    • Грузовые автомобили
    • Автобусы
    • Сельхозтехника
    • Спецтехника
    • Двигатели
  • Доставка
  • Оплата
  • О компании
    • Реквизиты
    • Магазины
    • Оплата
    • Доставка
    • Лицензии и сертификаты
    • Новости
    • Вакансии
  • Контакты
Отправить заявку
Личный кабинет
8 (800) 700-35-68
sales@din76.ru
Избранное 0 Корзина 0
8 (800) 700-35-68
Оптовый прайс-лист
Каталог
  • Двигатели
  • Запчасти WEICHAI
  • Запчасти ЯМЗ, ТМЗ (V-образные)
  • Запчасти ЯМЗ-534, ЯМЗ-536
  • Запчасти ЯМЗ-650, ЯМЗ-651, DCi-11
  • Топливная аппаратура
  • Запчасти УРАЛ
  • Запчасти МАЗ
  • Запчасти КамАЗ
  • Запчасти ММЗ
  • Ремни
Автокаталог (справочник)
  • Доставка
  • Оплата
  • О компании
  • Контакты
8 (800) 700-35-68
Написать в Whatsapp
sales@din76.ru
Динамика 76
Меню  
  • Каталог
    • Двигатели  
      • Двигатели ТМЗ  
        • Двигатели ТМЗ для автомобилей
        • Двигатели ТМЗ для тракторов
        • Специальные двигатели ТМЗ
        • Промышленные двигатели ТМЗ
      • Двигатели ЯМЗ  
        • ЯМЗ 236
        • ЯМЗ 238
        • ЯМЗ 240
        • ЯМЗ 751
        • ЯМЗ 840
        • ЯМЗ 850
        • ЯМЗ 656
        • ЯМЗ 658
        • ЯМЗ 534
        • ЯМЗ 536
        • ЯМЗ 650
        • Двигатели ЯМЗ для электростанций
      • Двигатели КАМАЗ
      • Двигатели ММЗ
      • Двигатели индивидуальной сборки
      • Комплекты переоборудования
    • Запчасти WEICHAI  
      • Основные запчасти двигателя  
        • Клапаны и толкатели
        • Шатуны
        • Вал коленчатый и маховик
        • Вал распределительный
        • Цилиндро-поршневая группа
      • Система питания  
        • Форсунки
        • Турбокомпрессор
      • Система смазки  
        • Насос масляный
      • Головка блока
      • Ремкомплекты
      • Система охлаждения  
        • Насос водяной
        • Муфта вязкостная и крыльчатка
      • Фильтры
      • Электрооборудование  
        • Генератор
        • Стартер
    • Запчасти ЯМЗ, ТМЗ (V-образные)  
      • Основные запчасти двигателя  
        • Блок двигателя и комплектующие
        • Валы распределительные и клапаны
        • Головка блока и комплектующие
        • Цилиндро-поршневая группа
        • Маховики и комплектующие
        • Валы коленчатые и комплектующие
        • Шатуны и комплектующие
      • Система питания  
        • Коллекторы и патрубки
        • Топливные трубопроводы
        • Турбокомпрессор
        • Топливные фильтры
      • Электрооборудование двигателя
      • Система охлаждения  
        • Вязкостные муфты и крыльчатки
        • Приводы вентилятора
        • Водяные насосы
        • Водяные трубы и термостаты
      • Коробки переключения передач  
        • 8 Ступенчатые КПП
        • 5 Ступенчатые КПП
        • 9 Ступенчатые КПП
        • Запасные части КПП ЯМЗ, ТМЗ
      • Система смазки  
        • Теплообменник и комплектующие
        • Масляные насосы
        • Фильтры масляные (ФГОМ, ФЦОМ)
      • Сцепление  
        • Запасные части механизма сцепления
        • Муфты (подшипники выжимные)
        • Корзины (диски нажимные)
        • Диски ведомые
      • Прочие запчасти двигателя  
        • Ремкомплекты
        • Привод агрегатов
        • Натяжные устройства
        • Трубки
    • Запчасти ЯМЗ-534, ЯМЗ-536  
      • Основные запчасти двигателя  
        • Цилиндро-поршневая группа
        • Головка блока цилиндров и комплектующие
        • Блок цилиндров и комплектующие
        • Вал коленчатый и маховик
        • Вал распределительный
        • Клапаны и толкатели
        • ГУР (Гидроусилитель руля)
        • Система рециркуляции отработавших газов
        • Выпускной коллектор
      • Система питания  
        • Коллекторы и патрубки
        • Топливные фильтры
        • Турбокомпрессор
        • Топливные трубопроводы
      • Система смазки  
        • Масляный картер поддон
        • Масляный насос
        • Теплообменник /Водо-масляный радиатор
        • Фильтры масляные (ФГОМ, ФЦОМ)
      • Пневмокомпрессор и натяжное
      • Система охлаждения  
        • Водяной насос
        • Водяные трубы и патрубки
        • Муфты вязкостные, приводы, крыльчатки
      • Ремкомплекты
      • Сцепление
      • Электрооборудование
    • Запчасти ЯМЗ-650, ЯМЗ-651, DCi-11  
      • Основные запчасти двигателя  
        • Цилиндро-поршневая группа
        • Головка блока цилиндров и комплектующие
        • Блок цилиндров и комплектующие
        • Вал коленчатый и маховик
        • Выпускной коллектор
        • Вал распределительный
        • Клапаны и толкатели
        • ГУР (Гидроусилитель руля)
        • Система рециркуляции отработавших газов
      • Система питания  
        • Коллекторы и патрубки
        • Топливные трубопроводы
        • Топливные фильтры
        • Турбокомпрессор
      • Система смазки  
        • Масляный картер / поддон
        • Масляный насос
        • Теплообменник / Водо-масляный радиатор
        • Фильтры масляные (ФГОМ, ФЦОМ)
      • Система охлаждения  
        • Водяной насос
        • Водяные трубы и патрубки
        • Муфты вязкостные, приводы, крыльчатки
      • Ремкомплекты
      • Пневмокомпрессор и натяжное
      • Электрооборудование
      • Сцепление
    • Топливная аппаратура  
      • ЯЗДА  
        • Распылители
        • ТНВД
        • Форсунки
        • Топливный насос низкого давления
        • Пары плунжерные
        • Муфта опережения впрыска топлива
        • Запчасти и комплектующие ТНВД
      • НЗТА
      • АЗПИ  
        • Распылители
        • Форсунки
      • BOSCH
    • Запчасти УРАЛ  
      • Трансмиссия  
        • Коробка раздаточная
        • Передача карданная
        • Мост задний
        • Мост передний (ведущий)
        • Мост средний (промежуточный)
      • Кузов  
        • Дверь кабины
        • Капот, крылья, облицовка радиатора
        • Окно ветровое и заднее
        • Отопление и вентиляция кабины
        • Кабина
      • Механизмы управления  
        • Управление рулевое
        • Тормоза
      • Дополнительное оборудование  
        • Отбор мощности
        • Устройство седельное
      • Электрооборудование
      • Ходовая часть  
        • Колеса и ступицы
        • Ось передняя
        • Подвеска автомобиля
        • Рама
    • Запчасти МАЗ  
      • Трансмиссия  
        • Мост задний
        • Мост передний (ведущий)
        • Передача карданная
        • Мост средний (промежуточный)
      • Кузов  
        • Кабина
        • Дверь кабины
        • Детали основания кабины
        • Окно ветровое и заднее
        • Платформа
      • Механизмы управления  
        • Тормоза
        • Управление рулевое
      • Ходовая часть  
        • Колеса и ступицы
        • Ось передняя
        • Подвеска автомобиля
        • Рама
    • Запчасти КамАЗ  
      • Кузов  
        • Кабина
        • Капот, крылья, облицовка радиатора
        • Дверь кабины
        • Платформа
        • Окно ветровое и заднее
        • Устройство подъемное и опрокидывающее
        • Сиденье
        • Крыша кабины (крыша кузова)
        • Отопление и вентиляция кабины
      • Трансмиссия  
        • Коробка передач
        • Коробка раздаточная
        • Мост задний
        • Сцепление
        • Мост средний (промежуточный)
        • Передача карданная
        • Мост передний (ведущий)
      • Двигатель  
        • Основные запчасти двигателя
        • Система охлаждения
        • Система питания
        • Система смазки
      • Дополнительное оборудование  
        • Отбор мощности
        • Устройство седельное
      • Ходовая часть  
        • Подвеска автомобиля
        • Рама
        • Колеса и ступицы
        • Ось передняя
      • Механизмы управления  
        • Тормоза
        • Управление рулевое
      • Электрооборудование
    • Запчасти ММЗ
    • Ремни
  • Справочник
    • Грузовые автомобили
    • Автобусы
    • Сельхозтехника
    • Спецтехника
    • Двигатели
  • Как купить
    • Условия оплаты
    • Условия доставки
    • Гарантия на товар
    • Пункты выдачи
  • Услуги
    • Капитальный ремонт двигателей ЯМЗ
  • Акции
  • Статьи
  • Контакты
  • Компания
    • Реквизиты
    • Магазины
    • Оплата
    • Доставка
    • Лицензии и сертификаты
    • Новости
    • Вакансии
Избранное 0 Корзина 0
8-800-700-35-68

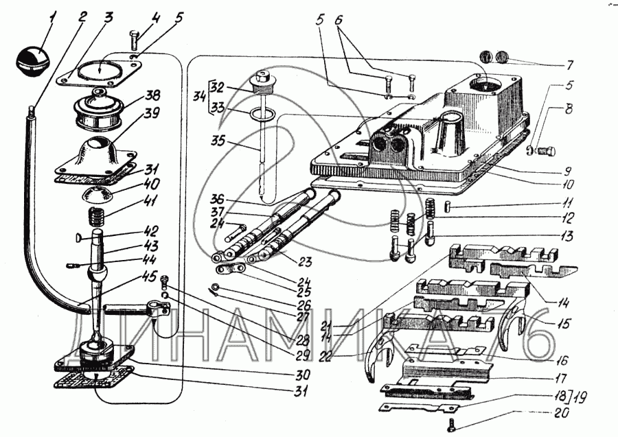
Ходоуменьшитель. Крышка верхняя на ДТ-75МВ (до 2002 г.)

Справочник
Главная
-
Автокаталог
-
Сельхозтехника
-
ВгТЗ
-
ДТ-75МВ
Справочный каталог

Ходоуменьшитель. Крышка верхняя — ДТ-75МВ:

1 2 3 4 5 6 7 8 9 10 11 12 13 14 15 16 17 18 19 20 21 22 23 24 25 26 27 28 29 30 31 33 34 35 36 37 38 39 40 41 42 43 44 45
в наличии
нет в наличии
масштаб

В наличии
Нет в наличии

Перечень комплектующих от Ходоуменьшитель. Крышка верхняя на ДТ-75МВ

Схемы запчастей предназначены для справочных целей! Мы продаем не все запчасти от Ходоуменьшитель. Крышка верхняя на ДТ-75МВ, представленные в этом списке.
Наличие на складах по деталям с ценой смотрите в карточке товара.
1
1
Артикул: А13-04-000А
нет в наличии
Рукоятка
Количество на схеме: 1
Информация
Рукоятка
Количество
1
Масса;Материал;
0,05;Фенопласт ГОСТ 5689-79
2
2
Артикул: 78-52-011
нет в наличии
Рычаг
Информация
Рычаг
3
3
Артикул: 77-37-122
нет в наличии
Кольцо прижимное
Количество на схеме: 1
Информация
Кольцо прижимное
Количество
1
Масса;Материал;
0,112;Сталь 08кп ГОСТ 9045-70
4
4
Артикул: Болт-М10-6gх35-58-016-ГОСТ-7796-70
нет в наличии
Болт М10.6gх35.58.016 ГОСТ 7796-70
Количество на схеме: 4
Информация
Болт М10.6gх35.58.016 ГОСТ 7796-70
Количество
4
Масса;Материал;
0,02817;Сталь 20кп ГОСТ 1050-74
5
5
Артикул: Шайба-1065Г05-ГОСТ-6402-70
нет в наличии
Шайба 1065Г05 ГОСТ 6402-70
Количество на схеме: 5
Информация
Шайба 1065Г05 ГОСТ 6402-70
Количество
5
Масса;Материал;
0,001945;Сталь 65Г ГОСТ 14959-79
6
6
Артикул: Болт-М10-6gх40-58-016
нет в наличии
Болт М10.6gх40.58.016
Количество на схеме: 10
Информация
Болт М10.6gх40.58.016
Количество
10
Масса;Материал;
0,03027;Сталь 20кп ГОСТ 1050-74
7
7
Артикул: Заглушка-28-08кп-ГОСТ-3111-67
нет в наличии
Заглушка 28-08кп ГОСТ 3111-67
Количество на схеме: 2
Информация
Заглушка 28-08кп ГОСТ 3111-67
Количество
2
Масса;Материал;
0,0096;Сталь 08кп ГОСТ 9045-70
8
8
Артикул: 77-37-218
нет в наличии
Болт стопорный
Количество на схеме: 2
Информация
Болт стопорный
Количество
2
Масса;Материал;
0,016;Сталь 45 ГОСТ 1050-74
9
9
Артикул: 78-52-203
нет в наличии
Крышка верхняя
Количество на схеме: 1
Информация
Крышка верхняя
Количество
1
Масса;Материал;
13,9;Чугун СЧ 15 ГОСТ 1412-79
10
10
Артикул: 77-52-230
нет в наличии
Прокладка
Количество на схеме: 1
Информация
Прокладка
Количество
1
Масса;Материал;
0,045;Паронит ГОСТ 481-71
11
11
Артикул: 77-52-276
нет в наличии
Штифт
Количество на схеме: 2
Информация
Штифт
Количество
2
Масса;Материал;
0,008;Сталь 45 ГОСТ 1050-74
12
12
Артикул: 77-52-256
нет в наличии
Пружина
Количество на схеме: 3
Информация
Пружина
Количество
3
Масса;Материал;
0,0155;Проволока 11-2,5 ГОСТ 9389-75
13
13
Артикул: 77-52-255
нет в наличии
Фиксатор
Количество на схеме: 3
Информация
Фиксатор
Количество
3
Масса;Материал;
0,055;Сталь 20х ГОСТ 4543-71
14
14
Артикул: 77-52-253
нет в наличии
Планка разделительная
Количество на схеме: 2
Информация
Планка разделительная
Количество
2
Масса;Материал;
0,075;Сталь 40х ГОСТ 4543-71
15
15
Артикул: 77-52-033А
нет в наличии
Вилка ведущего вала
Информация
Вилка ведущего вала
16
16
Артикул: 77-52-254
нет в наличии
Пластина замковая
Количество на схеме: 1
Информация
Пластина замковая
Количество
1
Масса;Материал;
0,01;Сталь 08кп ГОСТ 9045-70
17
17
Артикул: 77-52-252А
нет в наличии
Обойма
Количество на схеме: 1
Информация
Обойма
Количество
1
Масса;Материал;
0,49;Сталь 08кп ГОСТ 16523-70
18
18
Артикул: 77-52-222
нет в наличии
Пластина замковая
Количество на схеме: 1
Информация
Пластина замковая
Количество
1
Масса;Материал;
0,015;Сталь 08кп ГОСТ 9045-70
19
19
Артикул: 78-52-032
нет в наличии
Крышка верхняя
Информация
Крышка верхняя
20
20
Артикул: Болт-М10-6gх-20-58-046-ГОСТ-7796-70
нет в наличии
Болт М10.6gх 20.58.046 ГОСТ 7796-70
Количество на схеме: 4
Информация
Болт М10.6gх 20.58.046 ГОСТ 7796-70
Количество
4
Масса;Материал;
0,01926;Сталь 20кп ГОСТ 1050-74
21
21
Артикул: 77-52-035А
нет в наличии
Планка переключения
Информация
Планка переключения
22
22
Артикул: 77-52-034
нет в наличии
Вилка ведомого вала
Информация
Вилка ведомого вала
23
23
Артикул: 77-52-257
нет в наличии
Валик передний
Количество на схеме: 1
Информация
Валик передний
Количество
1
Масса;Материал;
0,97;Сталь 45х ГОСТ 4543-71
24
24
Артикул: 77-37-165
нет в наличии
Палец валика блокировки переднего
Количество на схеме: 2
Информация
Палец валика блокировки переднего
Количество
2
Масса;Материал;
0,025;Сталь 40-Н-В ГОСТ 1051-73
25
25
Артикул: 77-37-162
нет в наличии
Серьга
Количество на схеме: 1
Информация
Серьга
Количество
1
Масса;Материал;
0,05;Сталь 40 ГОСТ 1050-74
26
26
Артикул: Шайба-10-01-ГОСТ-11371-78
нет в наличии
Шайба 10.01 ГОСТ 11371-78
Количество на схеме: 1
Информация
Шайба 10.01 ГОСТ 11371-78
Количество
1
Масса;Материал;
0,00408;Сталь 10 ГОСТ 1050-74
27
27
Артикул: Шплинт-3,2х18-ГОСТ-397-79
нет в наличии
Шплинт 3,2х18 ГОСТ 397-79
Количество на схеме: 1
Информация
Шплинт 3,2х18 ГОСТ 397-79
Количество
1
Масса;Материал;
0,00126;Сталь 10 ГОСТ 1050-74
28
28
Артикул: Болт-М12-6gх35-58-016-ГОСТ-7796-70
нет в наличии
Болт М12.6gх35.58.016 ГОСТ 7796-70
Количество на схеме: 1
Информация
Болт М12.6gх35.58.016 ГОСТ 7796-70
Количество
1
Масса;Материал;
0,04259;Сталь 20кп ГОСТ 1050-74
29
29
Артикул: Шайба-1265Г05-ГОСТ-6402-70
нет в наличии
Шайба 1265Г05 ГОСТ 6402-70
Количество на схеме: 8
Информация
Шайба 1265Г05 ГОСТ 6402-70
Количество
8
Масса;Материал;
0,003357;Сталь 65Г ГОСТ 14959-79
30
30
Артикул: 77-52-260-1
нет в наличии
Фланец
Количество на схеме: 1
Информация
Фланец
Количество
1
Масса;Материал;
1,2;Сталь 40 ГОСТ 1050-74
31
31
Артикул: 77-37-114
нет в наличии
Прокладка фланца
Количество на схеме: 2
Информация
Прокладка фланца
Количество
2
Масса;Материал;
0,007;Паронит ГОСТ 481-71
33
33
Артикул: 77-38-203
нет в наличии
Прокладка пробки
Количество на схеме: 1
Информация
Прокладка пробки
Количество
1
Масса;Материал;
0,0025;Алюминий ГОСТ 21631-76
34
34
Артикул: 78-52-002Б
нет в наличии
Ходоуменьшитель
Информация
Ходоуменьшитель
35
35
Артикул: 78-52-040
нет в наличии
Щуп
Информация
Щуп
36
36
Артикул: 77-37-143А
нет в наличии
Кольцо уплотнительное
Количество на схеме: 1
Информация
Кольцо уплотнительное
Количество
1
Масса;Материал;
0,001;Резина ТУ 38.005.204-71
37
37
Артикул: 77-52-258
нет в наличии
Валик задний
Количество на схеме: 1
Информация
Валик задний
Количество
1
Масса;Материал;
0,98;Сталь 45х ГОСТ 4543-71
38
38
Артикул: 77-37-121
нет в наличии
Чехол
Количество на схеме: 1
Информация
Чехол
Количество
1
Масса;Материал;
0,072;Резина 7-4161 ТУ 38.005.204-71
39
39
Артикул: 77-52-231
нет в наличии
Колпак
Количество на схеме: 1
Информация
Колпак
Количество
1
Масса;Материал;
0,28;Сталь 08кп ГОСТ 16523-70
40
40
Артикул: 77-37-118
нет в наличии
Шайба сферическая
Количество на схеме: 1
Информация
Шайба сферическая
Количество
1
Масса;Материал;
0,125;Сталь 08кп ГОСТ 9045-70
41
41
Артикул: 77-37-117
нет в наличии
Пружина рычага
Количество на схеме: 1
Информация
Пружина рычага
Количество
1
Масса;Материал;
0,03;Проволока 111-3 ГОСТ 9389-75
42
42
Артикул: Шпонка-5х9-ГОСТ-24071-80
нет в наличии
Шпонка 5х9 ГОСТ 24071-80
Количество на схеме: 1
Информация
Шпонка 5х9 ГОСТ 24071-80
Количество
1
Масса;Материал;
0,00566;Сталь шпоночная сегментная 9 ГОСТ 8786-68
43
43
Артикул: К77-58-214
нет в наличии
Рычаг
Количество на схеме: 1
Информация
Рычаг
Количество
1
Масса;Материал;
0,702;Сталь 25хГТ ГОСТ 4543-71
44
44
Артикул: 77-37-116-1
нет в наличии
Штифт рычага
Количество на схеме: 1
Информация
Штифт рычага
Количество
1
Масса;Материал;
0,015;Сталь 45х ГОСТ 4543-71
45
45
Артикул: 78-52-224-1А
нет в наличии
Рычаг
Количество на схеме: 1
Информация
Рычаг
Количество
1
Масса;Материал;
1,35;Сталь 45 ГОСТ 1050-74
  • Грузовые автомобили
  • Автобусы
  • Сельхозтехника
  • Спецтехника
  • Двигатели
Получить оптовый прайс-лист
Скачать прайс-лист от 09.05.2026 08:00
Специальное предложение от 09.05.2026 09:00
Производители:


  • WEICHAI
  • Автодизель ПАО (ЯМЗ)
  • Тутаевский МЗ
  • ЯЗДА
  • УралАЗ
  • МАЗ
  • АЗПИ
  • BOSCH
  • ММЗ
  • ШААЗ
  • FEDERAL MOGUL
  • ПРАМО
  • Мотордеталь
  • ТАИМ
  • АвтоКрАЗ
  • БЕЛКАРД
  • CZ Strakonice
  • КамАЗ
  • БЗА
  • ЧМЗ
  • BMZ
Новости
Все новости
25 марта 2024
Флагманский седельный тягач «Валдай 45» на выставке «TransRussia»
10 марта 2024
Современные автобусы «CITYMAX 9» и ЛиАЗ-5292 CNG
25 февраля 2024
Серийное производство средних дизельных двигателей повышенной мощности от ЯМЗ
Статьи
Все статьи
Датчики двигателя: за что они отвечают, признаки неисправности и как не прогадать с выбором
Двигатели ЯМЗ-534: история, технические характеристики и области применения
Двигатели ЯМЗ 650: углублённый технический обзор и история
Компания
О компании
Реквизиты
Новости
Политика
Магазины
Информация
Условия оплаты
Условия доставки
Гарантия на товар
Обмен и возврат товара
Помощь
Как оформить заказ
Полезные статьи
Бренды
Пункты выдачи
Оставайтесь на связи
  • Вконтакте
  • YouTube
  • Одноклассники
  • Google Plus
Увидели ошибку?
Выделите, нажав Ctrl + Enter
Наши контакты
8-800-700-35-68
sales@din76.ru
г. Ярославль, Ленинградский пр-т 33, ТЦ "ОМЕГА"
2026 © ООО «Динамика 76» - Все права защищены ООО "Динамика 76"
Предложения на сайте не являются публичной офертой.
На сайте обнаружена ошибка

Текст с ошибкой