Избранное 0 Корзина 0 Личный кабинет
logo
Каталог
Каталог
  • Справочник
    • Грузовые автомобили
    • Автобусы
    • Сельхозтехника
    • Спецтехника
    • Двигатели
  • Доставка
  • Оплата
  • О компании
    • Реквизиты
    • Магазины
    • Оплата
    • Доставка
    • Лицензии и сертификаты
    • Новости
    • Вакансии
  • Контакты
Отправить заявку
Личный кабинет
8 (800) 700-35-68
sales@din76.ru
Избранное 0 Корзина 0
8 (800) 700-35-68
Оптовый прайс-лист
Каталог
  • Двигатели
  • Запчасти WEICHAI
  • Запчасти ЯМЗ, ТМЗ (V-образные)
  • Запчасти ЯМЗ-534, ЯМЗ-536
  • Запчасти ЯМЗ-650, ЯМЗ-651, DCi-11
  • Топливная аппаратура
  • Запчасти УРАЛ
  • Запчасти МАЗ
  • Запчасти КамАЗ
  • Запчасти ММЗ
  • Ремни
Автокаталог (справочник)
  • Доставка
  • Оплата
  • О компании
  • Контакты
8 (800) 700-35-68
Написать в Whatsapp
sales@din76.ru
Динамика 76
Меню  
  • Каталог
    • Двигатели  
      • Двигатели ТМЗ  
        • Двигатели ТМЗ для автомобилей
        • Двигатели ТМЗ для тракторов
        • Специальные двигатели ТМЗ
        • Промышленные двигатели ТМЗ
      • Двигатели ЯМЗ  
        • ЯМЗ 236
        • ЯМЗ 238
        • ЯМЗ 240
        • ЯМЗ 751
        • ЯМЗ 840
        • ЯМЗ 850
        • ЯМЗ 656
        • ЯМЗ 658
        • ЯМЗ 534
        • ЯМЗ 536
        • ЯМЗ 650
        • Двигатели ЯМЗ для электростанций
      • Двигатели КАМАЗ
      • Двигатели ММЗ
      • Двигатели индивидуальной сборки
      • Комплекты переоборудования
    • Запчасти WEICHAI  
      • Основные запчасти двигателя  
        • Клапаны и толкатели
        • Шатуны
        • Вал коленчатый и маховик
        • Вал распределительный
        • Цилиндро-поршневая группа
      • Система питания  
        • Форсунки
        • Турбокомпрессор
      • Система смазки  
        • Насос масляный
      • Головка блока
      • Ремкомплекты
      • Система охлаждения  
        • Насос водяной
        • Муфта вязкостная и крыльчатка
      • Фильтры
      • Электрооборудование  
        • Генератор
        • Стартер
    • Запчасти ЯМЗ, ТМЗ (V-образные)  
      • Основные запчасти двигателя  
        • Блок двигателя и комплектующие
        • Валы распределительные и клапаны
        • Головка блока и комплектующие
        • Цилиндро-поршневая группа
        • Маховики и комплектующие
        • Валы коленчатые и комплектующие
        • Шатуны и комплектующие
      • Система питания  
        • Коллекторы и патрубки
        • Топливные трубопроводы
        • Турбокомпрессор
        • Топливные фильтры
      • Электрооборудование двигателя
      • Система охлаждения  
        • Вязкостные муфты и крыльчатки
        • Приводы вентилятора
        • Водяные насосы
        • Водяные трубы и термостаты
      • Коробки переключения передач  
        • 8 Ступенчатые КПП
        • 5 Ступенчатые КПП
        • 9 Ступенчатые КПП
        • Запасные части КПП ЯМЗ, ТМЗ
      • Система смазки  
        • Теплообменник и комплектующие
        • Масляные насосы
        • Фильтры масляные (ФГОМ, ФЦОМ)
      • Сцепление  
        • Запасные части механизма сцепления
        • Муфты (подшипники выжимные)
        • Корзины (диски нажимные)
        • Диски ведомые
      • Прочие запчасти двигателя  
        • Ремкомплекты
        • Привод агрегатов
        • Натяжные устройства
        • Трубки
    • Запчасти ЯМЗ-534, ЯМЗ-536  
      • Основные запчасти двигателя  
        • Цилиндро-поршневая группа
        • Головка блока цилиндров и комплектующие
        • Блок цилиндров и комплектующие
        • Вал коленчатый и маховик
        • Вал распределительный
        • Клапаны и толкатели
        • ГУР (Гидроусилитель руля)
        • Система рециркуляции отработавших газов
        • Выпускной коллектор
      • Система питания  
        • Коллекторы и патрубки
        • Топливные фильтры
        • Турбокомпрессор
        • Топливные трубопроводы
      • Система смазки  
        • Масляный картер поддон
        • Масляный насос
        • Теплообменник /Водо-масляный радиатор
        • Фильтры масляные (ФГОМ, ФЦОМ)
      • Пневмокомпрессор и натяжное
      • Система охлаждения  
        • Водяной насос
        • Водяные трубы и патрубки
        • Муфты вязкостные, приводы, крыльчатки
      • Ремкомплекты
      • Сцепление
      • Электрооборудование
    • Запчасти ЯМЗ-650, ЯМЗ-651, DCi-11  
      • Основные запчасти двигателя  
        • Цилиндро-поршневая группа
        • Головка блока цилиндров и комплектующие
        • Блок цилиндров и комплектующие
        • Вал коленчатый и маховик
        • Выпускной коллектор
        • Вал распределительный
        • Клапаны и толкатели
        • ГУР (Гидроусилитель руля)
        • Система рециркуляции отработавших газов
      • Система питания  
        • Коллекторы и патрубки
        • Топливные трубопроводы
        • Топливные фильтры
        • Турбокомпрессор
      • Система смазки  
        • Масляный картер / поддон
        • Масляный насос
        • Теплообменник / Водо-масляный радиатор
        • Фильтры масляные (ФГОМ, ФЦОМ)
      • Система охлаждения  
        • Водяной насос
        • Водяные трубы и патрубки
        • Муфты вязкостные, приводы, крыльчатки
      • Ремкомплекты
      • Пневмокомпрессор и натяжное
      • Электрооборудование
      • Сцепление
    • Топливная аппаратура  
      • ЯЗДА  
        • Распылители
        • ТНВД
        • Форсунки
        • Топливный насос низкого давления
        • Пары плунжерные
        • Муфта опережения впрыска топлива
        • Запчасти и комплектующие ТНВД
      • НЗТА
      • АЗПИ  
        • Распылители
        • Форсунки
      • BOSCH
    • Запчасти УРАЛ  
      • Трансмиссия  
        • Коробка раздаточная
        • Передача карданная
        • Мост задний
        • Мост передний (ведущий)
        • Мост средний (промежуточный)
      • Кузов  
        • Дверь кабины
        • Капот, крылья, облицовка радиатора
        • Окно ветровое и заднее
        • Отопление и вентиляция кабины
        • Кабина
      • Механизмы управления  
        • Управление рулевое
        • Тормоза
      • Дополнительное оборудование  
        • Отбор мощности
        • Устройство седельное
      • Электрооборудование
      • Ходовая часть  
        • Колеса и ступицы
        • Ось передняя
        • Подвеска автомобиля
        • Рама
    • Запчасти МАЗ  
      • Трансмиссия  
        • Мост задний
        • Мост передний (ведущий)
        • Передача карданная
        • Мост средний (промежуточный)
      • Кузов  
        • Кабина
        • Дверь кабины
        • Детали основания кабины
        • Окно ветровое и заднее
        • Платформа
      • Механизмы управления  
        • Тормоза
        • Управление рулевое
      • Ходовая часть  
        • Колеса и ступицы
        • Ось передняя
        • Подвеска автомобиля
        • Рама
    • Запчасти КамАЗ  
      • Кузов  
        • Кабина
        • Капот, крылья, облицовка радиатора
        • Дверь кабины
        • Платформа
        • Окно ветровое и заднее
        • Устройство подъемное и опрокидывающее
        • Сиденье
        • Крыша кабины (крыша кузова)
        • Отопление и вентиляция кабины
      • Трансмиссия  
        • Коробка передач
        • Коробка раздаточная
        • Мост задний
        • Сцепление
        • Мост средний (промежуточный)
        • Передача карданная
        • Мост передний (ведущий)
      • Двигатель  
        • Основные запчасти двигателя
        • Система охлаждения
        • Система питания
        • Система смазки
      • Дополнительное оборудование  
        • Отбор мощности
        • Устройство седельное
      • Ходовая часть  
        • Подвеска автомобиля
        • Рама
        • Колеса и ступицы
        • Ось передняя
      • Механизмы управления  
        • Тормоза
        • Управление рулевое
      • Электрооборудование
    • Запчасти ММЗ
    • Ремни
  • Справочник
    • Грузовые автомобили
    • Автобусы
    • Сельхозтехника
    • Спецтехника
    • Двигатели
  • Как купить
    • Условия оплаты
    • Условия доставки
    • Гарантия на товар
    • Пункты выдачи
  • Услуги
    • Капитальный ремонт двигателей ЯМЗ
  • Акции
  • Статьи
  • Контакты
  • Компания
    • Реквизиты
    • Магазины
    • Оплата
    • Доставка
    • Лицензии и сертификаты
    • Новости
    • Вакансии
Избранное 0 Корзина 0
8-800-700-35-68

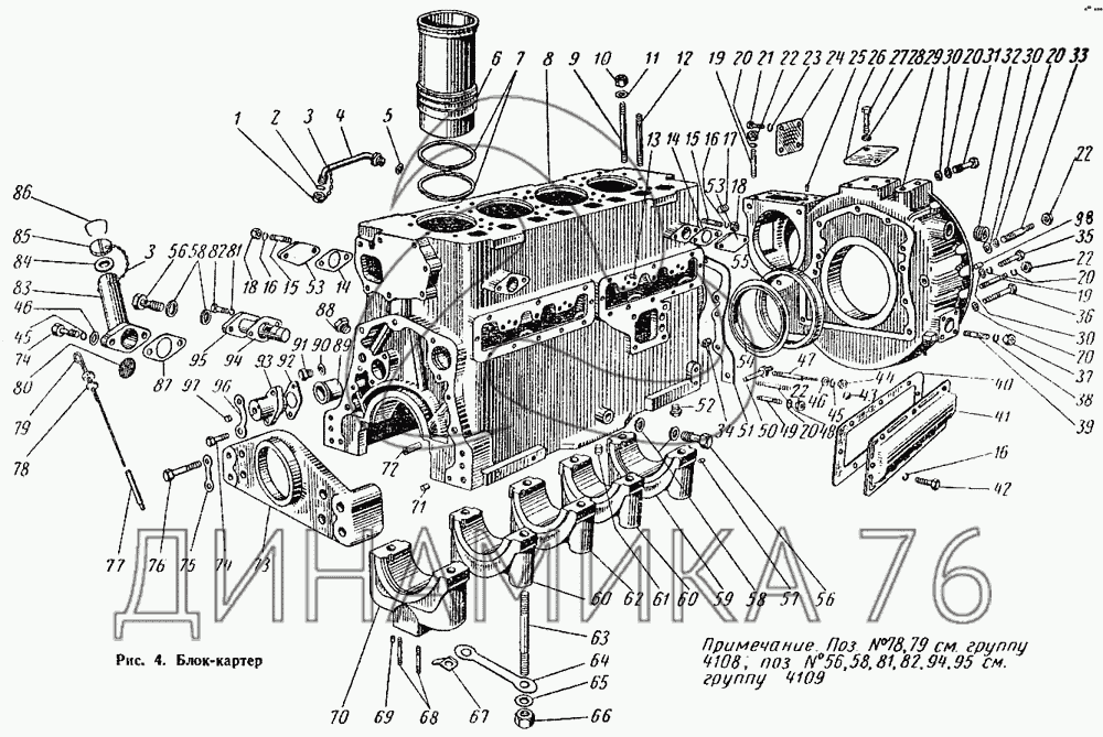
Блок-картер на ДТ-75М (до 1996 г.)

Справочник
Главная
-
Автокаталог
-
Сельхозтехника
-
ВгТЗ
-
ДТ-75М
Справочный каталог

Блок-картер — ДТ-75М:

41-01с2 41-01с3-1 41-01с8 42-01с5 6Т2-01с4 СМД7-01с4 1 2 3 3 3 4 5 6 7 8 9 10 11 12 13 14 14 15 15 16 16 16 17 18 18 19 19 20 20 20 20 20 20 21 22 22 22 22 23 24 25 26 27 28 29 30 30 30 31 32 33 34 35 36 37 38 39 40 41 42 43 44 45 45 46 46 47 48 49 50 51 52 53 53 54 55 56 56 57 58 58 59 60 60 61 62 63 64 65 66 67 68 69 70 71 72 73 74 74 75 76 77 78 79 80 81 82 83 84 85 86 87 88 89 90 91 92 93 94 95 96 97 98
в наличии
нет в наличии
масштаб

В наличии
Нет в наличии

Перечень комплектующих от Блок-картер на ДТ-75М

Схемы запчастей предназначены для справочных целей! Мы продаем не все запчасти от Блок-картер на ДТ-75М, представленные в этом списке.
Наличие на складах по деталям с ценой смотрите в карточке товара.
Артикул: 41-01с2
нет в наличии
Блок-картер
Количество на схеме: 1
Информация
Блок-картер
Количество
1
Артикул: 41-01с3-1
нет в наличии
Картер маховика в сборе
Количество на схеме: 1
Информация
Картер маховика в сборе
Количество
1
Артикул: 41-01с8
нет в наличии
Крышка коренного подшипника в сборе
Количество на схеме: 1
Информация
Крышка коренного подшипника в сборе
Количество
1
Артикул: 42-01с5
нет в наличии
Трубка сливная в сборе
Количество на схеме: 1
Информация
Трубка сливная в сборе
Количество
1
Артикул: 6Т2-01с4
нет в наличии
Палец в сборе
Количество на схеме: 1
Информация
Палец в сборе
Количество
1
Артикул: СМД7-01с4
нет в наличии
Патрубок маслоналивной в сборе
Количество на схеме: 1
Информация
Патрубок маслоналивной в сборе
Количество
1
1
1
Артикул: СМД7-0169
нет в наличии
Пробка
Количество на схеме: 1
Информация
Пробка
Количество
1
2
2
Артикул: 17-008
нет в наличии
Кольцо сальника
Количество на схеме: 1
Информация
Кольцо сальника
Количество
1
3
3
Артикул: СМД1-01с11
нет в наличии
Цепочка в сборе
Количество на схеме: 2
Информация
Цепочка в сборе
Количество
2
3
3
Артикул: Цепочка-5Х26-4-Н521-66-(входит-в-узел-СМ
нет в наличии
Цепочка 5Х26-4 Н521-66 (входит в узел СМД1-01с11)
Количество на схеме: 2
Информация
Цепочка 5Х26-4 Н521-66 (входит в узел СМД1-01с11)
Количество
2
4
4
Артикул: 42-01с6
нет в наличии
Трубка сливная
Количество на схеме: 1
Информация
Трубка сливная
Количество
1
5
5
Артикул: СМД7-0172
нет в наличии
Прокладка
Количество на схеме: 1
Информация
Прокладка
Количество
1
6
6
Артикул: 236-1002021
нет в наличии
Гильза цилиндра
Количество на схеме: 4
Информация
Гильза цилиндра
Количество
4
Модель
236
Группа
Двигатель
Подгруппа
Блок цилиндров
Порядковый номер детали
021
7
7
Артикул: 236-1002024
нет в наличии
Кольцо уплотнительное гильзы цилиндра
Количество на схеме: 8
Информация
Кольцо уплотнительное гильзы цилиндра
Количество
8
Модель
236
Группа
Двигатель
Подгруппа
Блок цилиндров
Порядковый номер детали
024
8
8
Артикул: 41-0101
нет в наличии
Блок-картер
Количество на схеме: 1
Информация
Блок-картер
Количество
1
9
9
Артикул: 41-0118-1
нет в наличии
Шпилька крепления головки
Количество на схеме: 20
Информация
Шпилька крепления головки
Количество
20
10
10
Артикул: 6Т2-0117
нет в наличии
Гайка крепления головки
Количество на схеме: 28
Информация
Гайка крепления головки
Количество
28
11
11
Артикул: 6Т2-0119
нет в наличии
Шайба
Количество на схеме: 28
Информация
Шайба
Количество
28
12
12
Артикул: 01-0118-1
нет в наличии
Шпилька крепления головки
Количество на схеме: 8
Информация
Шпилька крепления головки
Количество
8
13
13
Артикул: Штифт-цилиндрический-8ГХ16,-ГОСТ-3128-60
нет в наличии
Штифт цилиндрический 8ГХ16, ГОСТ 3128-60
Количество на схеме: 4
Информация
Штифт цилиндрический 8ГХ16, ГОСТ 3128-60
Количество
4
14
14
Артикул: 6Т3-0116
нет в наличии
Прокладка
Количество на схеме: 3
Информация
Прокладка
Количество
3
15
15
Артикул: Шпилька-М8Х18-Н578-66
нет в наличии
Шпилька М8Х18 Н578-66
Количество на схеме: 2
Информация
Шпилька М8Х18 Н578-66
Количество
2
16
16
Артикул: Шайба-пружинная-8Н-65Г,-ГОСТ-6402-61
нет в наличии
Шайба пружинная 8Н 65Г, ГОСТ 6402-61
Количество на схеме: 22
Информация
Шайба пружинная 8Н 65Г, ГОСТ 6402-61
Количество
22
17
17
Артикул: Пробка-КГ3/4,-ГОСТ-12718-67
нет в наличии
Пробка КГ3/4, ГОСТ 12718-67
Количество на схеме: 1
Информация
Пробка КГ3/4, ГОСТ 12718-67
Количество
1
18
18
Артикул: Гайка-М8-кл--2-055,-ГОСТ-2524-62
нет в наличии
Гайка М8 кл. 2-055, ГОСТ 2524-62
Количество на схеме: 2
Информация
Гайка М8 кл. 2-055, ГОСТ 2524-62
Количество
2
19
19
Артикул: Шпилька-М12Х35-Н480-66
нет в наличии
Шпилька М12Х35 Н480-66
Количество на схеме: 14
Информация
Шпилька М12Х35 Н480-66
Количество
14
20
20
Артикул: Шайба-пружинная-12Н-65Г,-ГОСТ-6402-61
нет в наличии
Шайба пружинная 12Н 65Г, ГОСТ 6402-61
Количество на схеме: 31
Информация
Шайба пружинная 12Н 65Г, ГОСТ 6402-61
Количество
31
21
21
Артикул: Болт-М6Х16-кл--2-015,-ГОСТ-7798-62
нет в наличии
Болт М6Х16 кл. 2-015, ГОСТ 7798-62
Количество на схеме: 4
Информация
Болт М6Х16 кл. 2-015, ГОСТ 7798-62
Количество
4
22
22
Артикул: Гайка-М12-кл--2-055,-ГОСТ-2524-62
нет в наличии
Гайка М12 кл. 2-055, ГОСТ 2524-62
Количество на схеме: 18
Информация
Гайка М12 кл. 2-055, ГОСТ 2524-62
Количество
18
23
23
Артикул: Шайба-пружинная-6Н-65Г,-ГОСТ-6402-61
нет в наличии
Шайба пружинная 6Н 65Г, ГОСТ 6402-61
Количество на схеме: 4
Информация
Шайба пружинная 6Н 65Г, ГОСТ 6402-61
Количество
4
24
24
Артикул: 01-0167
нет в наличии
Крышка
Количество на схеме: 1
Информация
Крышка
Количество
1
25
25
Артикул: Штифт-цилиндрический-10С3Х25,-ГОСТ-3128-
нет в наличии
Штифт цилиндрический 10С3Х25, ГОСТ 3128-60
Количество на схеме: 2
Информация
Штифт цилиндрический 10С3Х25, ГОСТ 3128-60
Количество
2
26
26
Артикул: 41-0136
нет в наличии
Крышка
Количество на схеме: 1
Информация
Крышка
Количество
1
27
27
Артикул: Болт-М16Х32-кл--2-015,-ГОСТ-7796-62
нет в наличии
Болт М16Х32 кл. 2-015, ГОСТ 7796-62
Количество на схеме: 2
Информация
Болт М16Х32 кл. 2-015, ГОСТ 7796-62
Количество
2
28
28
Артикул: Шайба-пружинная-16Н-65Г,-ГОСТ-6402-61
нет в наличии
Шайба пружинная 16Н 65Г, ГОСТ 6402-61
Количество на схеме: 2
Информация
Шайба пружинная 16Н 65Г, ГОСТ 6402-61
Количество
2
29
29
Артикул: 41-0103
нет в наличии
Картер маховика
Количество на схеме: 1
Информация
Картер маховика
Количество
1
30
30
Артикул: 6Т2-0219
нет в наличии
Шайба
Количество на схеме: 4
Информация
Шайба
Количество
4
31
31
Артикул: Болт-М12Х35-кл--2-015,-ГОСТ-7796-62
нет в наличии
Болт М12Х35 кл. 2-015, ГОСТ 7796-62
Количество на схеме: 1
Информация
Болт М12Х35 кл. 2-015, ГОСТ 7796-62
Количество
1
32
32
Артикул: 41-0150-1
нет в наличии
Пробка
Количество на схеме: 1
Информация
Пробка
Количество
1
33
33
Артикул: Шпилька-IIМ12Х55-Н480-66
нет в наличии
Шпилька IIМ12Х55 Н480-66
Количество на схеме: 2
Информация
Шпилька IIМ12Х55 Н480-66
Количество
2
34
34
Артикул: 01-0134
нет в наличии
Втулка направляющая
Количество на схеме: 2
Информация
Втулка направляющая
Количество
2
35
35
Артикул: Болт-М12Х50-кл--2-015,-ГОСТ-7795-62
нет в наличии
Болт М12Х50 кл. 2-015, ГОСТ 7795-62
Количество на схеме: 2
Информация
Болт М12Х50 кл. 2-015, ГОСТ 7795-62
Количество
2
36
36
Артикул: Болт-М12Х45-кл--2-015,-ГОСТ-7895-62
нет в наличии
Болт М12Х45 кл. 2-015, ГОСТ 7895-62
Количество на схеме: 4
Информация
Болт М12Х45 кл. 2-015, ГОСТ 7895-62
Количество
4
37
37
Артикул: Гайка-М14-кл--2-055,-ГОСТ-2524-62
нет в наличии
Гайка М14 кл. 2-055, ГОСТ 2524-62
Количество на схеме: 8
Информация
Гайка М14 кл. 2-055, ГОСТ 2524-62
Количество
8
38
38
Артикул: Шайба-пружинная-14Т-65Г,-ГОСТ-6402-61
нет в наличии
Шайба пружинная 14Т 65Г, ГОСТ 6402-61
Количество на схеме: 8
Информация
Шайба пружинная 14Т 65Г, ГОСТ 6402-61
Количество
8
39
39
Артикул: Шпилька-IIМ14Х35-Н480-66
нет в наличии
Шпилька IIМ14Х35 Н480-66
Количество на схеме: 8
Информация
Шпилька IIМ14Х35 Н480-66
Количество
8
40
40
Артикул: 4Т6-0109-1
нет в наличии
Прокладка
Количество на схеме: 2
Информация
Прокладка
Количество
2
41
41
Артикул: 4Т6-0108-1
нет в наличии
Крышка боковая левая
Количество на схеме: 2
Информация
Крышка боковая левая
Количество
2
42
42
Артикул: Болт-М8Х18-кл--2-015,-ГОСТ-7796-62
нет в наличии
Болт М8Х18 кл. 2-015, ГОСТ 7796-62
Количество на схеме: 20
Информация
Болт М8Х18 кл. 2-015, ГОСТ 7796-62
Количество
20
43
43
Артикул: Пробка-КГ-1",-ГОСТ-12719-67
нет в наличии
Пробка КГ-1", ГОСТ 12719-67
Количество на схеме: 1
Информация
Пробка КГ-1", ГОСТ 12719-67
Количество
1
44
44
Артикул: Гайка-М10-кл--2-055,-ГОСТ-2524-62
нет в наличии
Гайка М10 кл. 2-055, ГОСТ 2524-62
Количество на схеме: 2
Информация
Гайка М10 кл. 2-055, ГОСТ 2524-62
Количество
2
45
45
Артикул: Шайба-пружинная-10Н-65Г,-ГОСТ-6402-61
нет в наличии
Шайба пружинная 10Н 65Г, ГОСТ 6402-61
Количество на схеме: 4
Информация
Шайба пружинная 10Н 65Г, ГОСТ 6402-61
Количество
4
46
46
Артикул: Шайба-11Х22Х2-Н495-66
нет в наличии
Шайба 11Х22Х2 Н495-66
Количество на схеме: 2
Информация
Шайба 11Х22Х2 Н495-66
Количество
2
47
47
Артикул: 01-0132
нет в наличии
Шпилька
Количество на схеме: 2
Информация
Шпилька
Количество
2
48
48
Артикул: Шпилька-М12Х85-Н478-66
нет в наличии
Шпилька М12Х85 Н478-66
Количество на схеме: 1
Информация
Шпилька М12Х85 Н478-66
Количество
1
49
49
Артикул: Шпилька-М12Х40-Н478-66
нет в наличии
Шпилька М12Х40 Н478-66
Количество на схеме: 1
Информация
Шпилька М12Х40 Н478-66
Количество
1
50
50
Артикул: СМД55У-01с8
нет в наличии
Шпилька установочная в сборе
Количество на схеме: 1
Информация
Шпилька установочная в сборе
Количество
1
51
51
Артикул: 01-0204
нет в наличии
Прокладка картера маховика
Количество на схеме: 1
Информация
Прокладка картера маховика
Количество
1
52
52
Артикул: 01-0150
нет в наличии
Втулка резьбовая
Количество на схеме: 1
Информация
Втулка резьбовая
Количество
1
53
53
Артикул: 6Т3-0115
нет в наличии
Крышка
Количество на схеме: 3
Информация
Крышка
Количество
3
54
54
Артикул: 01-0148-2
нет в наличии
Маслоотражатель
Количество на схеме: 1
Информация
Маслоотражатель
Количество
1
55
55
Артикул: Манжета-11-140-Н536-66
нет в наличии
Манжета 11-140 Н536-66
Количество на схеме: 1
Информация
Манжета 11-140 Н536-66
Количество
1
56
56
Артикул: 54-08-406
нет в наличии
Болт зажимной
Количество на схеме: 4
Информация
Болт зажимной
Количество
4
57
57
Артикул: 6Т2-0123
нет в наличии
Штифт 4,75х12
Количество на схеме: 4
Информация
Штифт 4,75х12
Количество
4
58
58
Артикул: СЧД7-0929
нет в наличии
Прокладка
Количество на схеме: 8
Информация
Прокладка
Количество
8
59
59
Артикул: 6Т2-0106
нет в наличии
Крышка коренного подшипника
Количество на схеме: 1
Информация
Крышка коренного подшипника
Количество
1
60
60
Артикул: 6Т2-0104
нет в наличии
Крышка коренного подшипника
Количество на схеме: 2
Информация
Крышка коренного подшипника
Количество
2
61
61
Артикул: 41-0112
нет в наличии
Втулка резьбовая
Количество на схеме: 2
Информация
Втулка резьбовая
Количество
2
62
62
Артикул: 6Т2-0105
нет в наличии
Крышка коренного подшипника
Количество на схеме: 1
Информация
Крышка коренного подшипника
Количество
1
63
63
Артикул: 03-0110
нет в наличии
Шпилька коренных подшипников
Количество на схеме: 10
Информация
Шпилька коренных подшипников
Количество
10
64
64
Артикул: 6Т2-0111
нет в наличии
Шайба замковая
Количество на схеме: 4
Информация
Шайба замковая
Количество
4
65
65
Артикул: 6Т2-0141
нет в наличии
Шайба
Количество на схеме: 10
Информация
Шайба
Количество
10
66
66
Артикул: 6Т2-0112
нет в наличии
Гайка коренных подшипников
Количество на схеме: 10
Информация
Гайка коренных подшипников
Количество
10
67
67
Артикул: 03-0149
нет в наличии
Шайба стопорная
Количество на схеме: 2
Информация
Шайба стопорная
Количество
2
68
68
Артикул: Шпилька-М10Х25-Н478-66
нет в наличии
Шпилька М10Х25 Н478-66
Количество на схеме: 2
Информация
Шпилька М10Х25 Н478-66
Количество
2
69
69
Артикул: Штифт-цилиндрический-5С3Х16,-ГОСТ-3128-6
нет в наличии
Штифт цилиндрический 5С3Х16, ГОСТ 3128-60
Количество на схеме: 2
Информация
Штифт цилиндрический 5С3Х16, ГОСТ 3128-60
Количество
2
70
70
Артикул: 41-0104
нет в наличии
Крышка коренного подшипника
Количество на схеме: 1
Информация
Крышка коренного подшипника
Количество
1
71
71
Артикул: СМД55-0410
нет в наличии
Штифт установочный
Количество на схеме: 2
Информация
Штифт установочный
Количество
2
72
72
Артикул: СМД7-0166
нет в наличии
Втулка направляющая
Количество на схеме: 2
Информация
Втулка направляющая
Количество
2
73
73
Артикул: 41-0108-1
нет в наличии
Опора передняя
Количество на схеме: 1
Информация
Опора передняя
Количество
1
74
74
Артикул: Болт-М10Х30-кл--2-015,-ГОСТ-7796-62
нет в наличии
Болт М10Х30 кл. 2-015, ГОСТ 7796-62
Количество на схеме: 4
Информация
Болт М10Х30 кл. 2-015, ГОСТ 7796-62
Количество
4
75
75
Артикул: 6Т2-0115
нет в наличии
Шайба замковая
Количество на схеме: 2
Информация
Шайба замковая
Количество
2
76
76
Артикул: Болт-М16Х110-кл--2-015,-ГОСТ-7795-62
нет в наличии
Болт М16Х110 кл. 2-015, ГОСТ 7795-62
Количество на схеме: 4
Информация
Болт М16Х110 кл. 2-015, ГОСТ 7795-62
Количество
4
77
77
Артикул: 01-0135
нет в наличии
Трубка маслоизмерителя
Количество на схеме: 1
Информация
Трубка маслоизмерителя
Количество
1
78
78
Артикул: Кольцо-СП22-6-8,-ГОСТ-6308-61
нет в наличии
Кольцо СП22-6-8, ГОСТ 6308-61
Количество на схеме: 1
Информация
Кольцо СП22-6-8, ГОСТ 6308-61
Количество
1
79
79
Артикул: 41-08с4А
нет в наличии
Стержень маслоизмерителя с колпачком
Количество на схеме: 1
Информация
Стержень маслоизмерителя с колпачком
Количество
1
80
80
Артикул: СМД1-0125
нет в наличии
Сетка
Количество на схеме: 1
Информация
Сетка
Количество
1
81
81
Артикул: Шайба-пружинная-10Н-65-Г,-6402-61
нет в наличии
Шайба пружинная 10Н 65 Г, 6402-61
Количество на схеме: 2
Информация
Шайба пружинная 10Н 65 Г, 6402-61
Количество
2
82
82
Артикул: Болт-М10Х25-кл--2-015,-ГОСТ-7796-62
нет в наличии
Болт М10Х25 кл. 2-015, ГОСТ 7796-62
Количество на схеме: 2
Информация
Болт М10Х25 кл. 2-015, ГОСТ 7796-62
Количество
2
83
83
Артикул: СМД7-0132А
нет в наличии
Патрубок маслоналивной
Количество на схеме: 1
Информация
Патрубок маслоналивной
Количество
1
84
84
Артикул: СМД7-0122
нет в наличии
Прокладка крышки патрубка
Количество на схеме: 1
Информация
Прокладка крышки патрубка
Количество
1
85
85
Артикул: СМД7-0108
нет в наличии
Крышка патрубка
Количество на схеме: 1
Информация
Крышка патрубка
Количество
1
86
86
Артикул: СМД1-0124
нет в наличии
Пружина крышки
Количество на схеме: 1
Информация
Пружина крышки
Количество
1
87
87
Артикул: СМД1-0126
нет в наличии
Прокладка патрубка
Количество на схеме: 1
Информация
Прокладка патрубка
Количество
1
88
88
Артикул: 01-0155
нет в наличии
Пробка коническая
Количество на схеме: 4
Информация
Пробка коническая
Количество
4
89
89
Артикул: 41-0109
нет в наличии
Втулка распределительного вала передняя
Количество на схеме: 1
Информация
Втулка распределительного вала передняя
Количество
1
90
90
Артикул: СЧД7-0684
нет в наличии
Прокладка
Количество на схеме: 1
Информация
Прокладка
Количество
1
91
91
Артикул: 41-0164
нет в наличии
Пробка
Количество на схеме: 1
Информация
Пробка
Количество
1
92
92
Артикул: 6Т2-0133
нет в наличии
Прокладка пальца
Количество на схеме: 1
Информация
Прокладка пальца
Количество
1
93
93
Артикул: 6Т2-0113
нет в наличии
Палец
Количество на схеме: 1
Информация
Палец
Количество
1
94
94
Артикул: 6Т2-0934
нет в наличии
Прокладка
Количество на схеме: 1
Информация
Прокладка
Количество
1
95
95
Артикул: 01-0912А
нет в наличии
Переключатель
Количество на схеме: 1
Информация
Переключатель
Количество
1
96
96
Артикул: 6Т2-0116
нет в наличии
Шайба замковая
Количество на схеме: 1
Информация
Шайба замковая
Количество
1
97
97
Артикул: СМД55-0139
нет в наличии
Заглушка
Количество на схеме: 1
Информация
Заглушка
Количество
1
98
98
Артикул: Штифт-цилиндрический-13Пр-13Х26-Н507-66
нет в наличии
Штифт цилиндрический 13Пр 13Х26 Н507-66
Количество на схеме: 2
Информация
Штифт цилиндрический 13Пр 13Х26 Н507-66
Количество
2
  • Грузовые автомобили
  • Автобусы
  • Сельхозтехника
  • Спецтехника
  • Двигатели
Получить оптовый прайс-лист
Скачать прайс-лист от 06.05.2026 16:00
Специальное предложение от 06.05.2026 17:00
Производители:


  • WEICHAI
  • Автодизель ПАО (ЯМЗ)
  • Тутаевский МЗ
  • ЯЗДА
  • УралАЗ
  • МАЗ
  • АЗПИ
  • BOSCH
  • ММЗ
  • ШААЗ
  • FEDERAL MOGUL
  • ПРАМО
  • Мотордеталь
  • ТАИМ
  • АвтоКрАЗ
  • БЕЛКАРД
  • CZ Strakonice
  • КамАЗ
  • БЗА
  • ЧМЗ
  • BMZ
Новости
Все новости
25 марта 2024
Флагманский седельный тягач «Валдай 45» на выставке «TransRussia»
10 марта 2024
Современные автобусы «CITYMAX 9» и ЛиАЗ-5292 CNG
25 февраля 2024
Серийное производство средних дизельных двигателей повышенной мощности от ЯМЗ
Статьи
Все статьи
Датчики двигателя: за что они отвечают, признаки неисправности и как не прогадать с выбором
Двигатели ЯМЗ-534: история, технические характеристики и области применения
Двигатели ЯМЗ 650: углублённый технический обзор и история
Компания
О компании
Реквизиты
Новости
Политика
Магазины
Информация
Условия оплаты
Условия доставки
Гарантия на товар
Обмен и возврат товара
Помощь
Как оформить заказ
Полезные статьи
Бренды
Пункты выдачи
Оставайтесь на связи
  • Вконтакте
  • YouTube
  • Одноклассники
  • Google Plus
Увидели ошибку?
Выделите, нажав Ctrl + Enter
Наши контакты
8-800-700-35-68
sales@din76.ru
г. Ярославль, Ленинградский пр-т 33, ТЦ "ОМЕГА"
2026 © ООО «Динамика 76» - Все права защищены ООО "Динамика 76"
Предложения на сайте не являются публичной офертой.
На сайте обнаружена ошибка

Текст с ошибкой