Избранное 0 Корзина 0 Личный кабинет
logo
Каталог
Каталог
  • Справочник
    • Грузовые автомобили
    • Автобусы
    • Сельхозтехника
    • Спецтехника
    • Двигатели
  • Доставка
  • Оплата
  • О компании
    • Реквизиты
    • Магазины
    • Оплата
    • Доставка
    • Лицензии и сертификаты
    • Новости
    • Вакансии
  • Контакты
Отправить заявку
Личный кабинет
8 (800) 700-35-68
sales@din76.ru
Избранное 0 Корзина 0
8 (800) 700-35-68
Оптовый прайс-лист
Каталог
  • Двигатели
  • Запчасти WEICHAI
  • Запчасти ЯМЗ, ТМЗ (V-образные)
  • Запчасти ЯМЗ-534, ЯМЗ-536
  • Запчасти ЯМЗ-650, ЯМЗ-651, DCi-11
  • Топливная аппаратура
  • Запчасти УРАЛ
  • Запчасти МАЗ
  • Запчасти КамАЗ
  • Запчасти ММЗ
  • Ремни
Автокаталог (справочник)
  • Доставка
  • Оплата
  • О компании
  • Контакты
8 (800) 700-35-68
Написать в Whatsapp
sales@din76.ru
Динамика 76
Меню  
  • Каталог
    • Двигатели  
      • Двигатели ТМЗ  
        • Двигатели ТМЗ для автомобилей
        • Двигатели ТМЗ для тракторов
        • Специальные двигатели ТМЗ
        • Промышленные двигатели ТМЗ
      • Двигатели ЯМЗ  
        • ЯМЗ 236
        • ЯМЗ 238
        • ЯМЗ 240
        • ЯМЗ 751
        • ЯМЗ 840
        • ЯМЗ 850
        • ЯМЗ 656
        • ЯМЗ 658
        • ЯМЗ 534
        • ЯМЗ 536
        • ЯМЗ 650
        • Двигатели ЯМЗ для электростанций
      • Двигатели КАМАЗ
      • Двигатели ММЗ
      • Двигатели индивидуальной сборки
      • Комплекты переоборудования
    • Запчасти WEICHAI  
      • Основные запчасти двигателя  
        • Клапаны и толкатели
        • Шатуны
        • Вал коленчатый и маховик
        • Вал распределительный
        • Цилиндро-поршневая группа
      • Система питания  
        • Форсунки
        • Турбокомпрессор
      • Система смазки  
        • Насос масляный
      • Головка блока
      • Ремкомплекты
      • Система охлаждения  
        • Насос водяной
        • Муфта вязкостная и крыльчатка
      • Фильтры
      • Электрооборудование  
        • Генератор
        • Стартер
    • Запчасти ЯМЗ, ТМЗ (V-образные)  
      • Основные запчасти двигателя  
        • Блок двигателя и комплектующие
        • Валы распределительные и клапаны
        • Головка блока и комплектующие
        • Цилиндро-поршневая группа
        • Маховики и комплектующие
        • Валы коленчатые и комплектующие
        • Шатуны и комплектующие
      • Система питания  
        • Коллекторы и патрубки
        • Топливные трубопроводы
        • Турбокомпрессор
        • Топливные фильтры
      • Электрооборудование двигателя
      • Система охлаждения  
        • Вязкостные муфты и крыльчатки
        • Приводы вентилятора
        • Водяные насосы
        • Водяные трубы и термостаты
      • Коробки переключения передач  
        • 8 Ступенчатые КПП
        • 5 Ступенчатые КПП
        • 9 Ступенчатые КПП
        • Запасные части КПП ЯМЗ, ТМЗ
      • Система смазки  
        • Теплообменник и комплектующие
        • Масляные насосы
        • Фильтры масляные (ФГОМ, ФЦОМ)
      • Сцепление  
        • Запасные части механизма сцепления
        • Муфты (подшипники выжимные)
        • Корзины (диски нажимные)
        • Диски ведомые
      • Прочие запчасти двигателя  
        • Ремкомплекты
        • Привод агрегатов
        • Натяжные устройства
        • Трубки
    • Запчасти ЯМЗ-534, ЯМЗ-536  
      • Основные запчасти двигателя  
        • Цилиндро-поршневая группа
        • Головка блока цилиндров и комплектующие
        • Блок цилиндров и комплектующие
        • Вал коленчатый и маховик
        • Вал распределительный
        • Клапаны и толкатели
        • ГУР (Гидроусилитель руля)
        • Система рециркуляции отработавших газов
        • Выпускной коллектор
      • Система питания  
        • Коллекторы и патрубки
        • Топливные фильтры
        • Турбокомпрессор
        • Топливные трубопроводы
      • Система смазки  
        • Масляный картер поддон
        • Масляный насос
        • Теплообменник /Водо-масляный радиатор
        • Фильтры масляные (ФГОМ, ФЦОМ)
      • Пневмокомпрессор и натяжное
      • Система охлаждения  
        • Водяной насос
        • Водяные трубы и патрубки
        • Муфты вязкостные, приводы, крыльчатки
      • Ремкомплекты
      • Сцепление
      • Электрооборудование
    • Запчасти ЯМЗ-650, ЯМЗ-651, DCi-11  
      • Основные запчасти двигателя  
        • Цилиндро-поршневая группа
        • Головка блока цилиндров и комплектующие
        • Блок цилиндров и комплектующие
        • Вал коленчатый и маховик
        • Выпускной коллектор
        • Вал распределительный
        • Клапаны и толкатели
        • ГУР (Гидроусилитель руля)
        • Система рециркуляции отработавших газов
      • Система питания  
        • Коллекторы и патрубки
        • Топливные трубопроводы
        • Топливные фильтры
        • Турбокомпрессор
      • Система смазки  
        • Масляный картер / поддон
        • Масляный насос
        • Теплообменник / Водо-масляный радиатор
        • Фильтры масляные (ФГОМ, ФЦОМ)
      • Система охлаждения  
        • Водяной насос
        • Водяные трубы и патрубки
        • Муфты вязкостные, приводы, крыльчатки
      • Ремкомплекты
      • Пневмокомпрессор и натяжное
      • Электрооборудование
      • Сцепление
    • Топливная аппаратура  
      • ЯЗДА  
        • Распылители
        • ТНВД
        • Форсунки
        • Топливный насос низкого давления
        • Пары плунжерные
        • Муфта опережения впрыска топлива
        • Запчасти и комплектующие ТНВД
      • НЗТА
      • АЗПИ  
        • Распылители
        • Форсунки
      • BOSCH
    • Запчасти УРАЛ  
      • Трансмиссия  
        • Коробка раздаточная
        • Передача карданная
        • Мост задний
        • Мост передний (ведущий)
        • Мост средний (промежуточный)
      • Кузов  
        • Дверь кабины
        • Капот, крылья, облицовка радиатора
        • Окно ветровое и заднее
        • Отопление и вентиляция кабины
        • Кабина
      • Механизмы управления  
        • Управление рулевое
        • Тормоза
      • Дополнительное оборудование  
        • Отбор мощности
        • Устройство седельное
      • Электрооборудование
      • Ходовая часть  
        • Колеса и ступицы
        • Ось передняя
        • Подвеска автомобиля
        • Рама
    • Запчасти МАЗ  
      • Трансмиссия  
        • Мост задний
        • Мост передний (ведущий)
        • Передача карданная
        • Мост средний (промежуточный)
      • Кузов  
        • Кабина
        • Дверь кабины
        • Детали основания кабины
        • Окно ветровое и заднее
        • Платформа
      • Механизмы управления  
        • Тормоза
        • Управление рулевое
      • Ходовая часть  
        • Колеса и ступицы
        • Ось передняя
        • Подвеска автомобиля
        • Рама
    • Запчасти КамАЗ  
      • Кузов  
        • Кабина
        • Капот, крылья, облицовка радиатора
        • Дверь кабины
        • Платформа
        • Окно ветровое и заднее
        • Устройство подъемное и опрокидывающее
        • Сиденье
        • Крыша кабины (крыша кузова)
        • Отопление и вентиляция кабины
      • Трансмиссия  
        • Коробка передач
        • Коробка раздаточная
        • Мост задний
        • Сцепление
        • Мост средний (промежуточный)
        • Передача карданная
        • Мост передний (ведущий)
      • Двигатель  
        • Основные запчасти двигателя
        • Система охлаждения
        • Система питания
        • Система смазки
      • Дополнительное оборудование  
        • Отбор мощности
        • Устройство седельное
      • Ходовая часть  
        • Подвеска автомобиля
        • Рама
        • Колеса и ступицы
        • Ось передняя
      • Механизмы управления  
        • Тормоза
        • Управление рулевое
      • Электрооборудование
    • Запчасти ММЗ
    • Ремни
  • Справочник
    • Грузовые автомобили
    • Автобусы
    • Сельхозтехника
    • Спецтехника
    • Двигатели
  • Как купить
    • Условия оплаты
    • Условия доставки
    • Гарантия на товар
    • Пункты выдачи
  • Услуги
    • Капитальный ремонт двигателей ЯМЗ
  • Акции
  • Статьи
  • Контакты
  • Компания
    • Реквизиты
    • Магазины
    • Оплата
    • Доставка
    • Лицензии и сертификаты
    • Новости
    • Вакансии
Избранное 0 Корзина 0
8-800-700-35-68

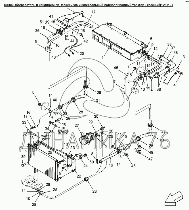
15D04 Обогреватель и кондиционер на Versatile серии 2000 (до 2008 г.)

Справочник
Главная
-
Автокаталог
-
Сельхозтехника
-
Versatile
-
Versatile серии 2000
Справочный каталог

15D04 Обогреватель и кондиционер — Versatile серии 2000:

1 2 3 4 4 5 5 5 5 6 6 7 8 8 9 9 9 10 10 10 11 11 11 12 13 14 14 14 14 14 15 15 16 16 16 17 18 18 18 18 19 20 21 22 23 24 25 25 25 26 26 27 28 28 28 28 28 28 28 28 29 30 31 31 32 33 34 35 36 36 36 36 37 38 38 38 39 40 41 41 42 43 44 45 46 47 48 49 50 51
в наличии
нет в наличии
масштаб

В наличии
Нет в наличии

Перечень комплектующих от 15D04 Обогреватель и кондиционер на Versatile серии 2000

Схемы запчастей предназначены для справочных целей! Мы продаем не все запчасти от 15D04 Обогреватель и кондиционер на Versatile серии 2000, представленные в этом списке.
Наличие на складах по деталям с ценой смотрите в карточке товара.
1
1
Артикул: NS
нет в наличии
Левая боковина в сборе
Количество на схеме: ;
Информация
Левая боковина в сборе
Количество
;
2
2
Артикул: 86000745
нет в наличии
Вкладыш задний правый
Количество на схеме: 1
Информация
Вкладыш задний правый
Количество
1
Группа
Механизм опрокидывающий платформы автомобиля-самосвала
Подгруппа
8600
Порядковый номер детали
074
3
3
Артикул: 86000744
нет в наличии
Вкладыш задний левый
Количество на схеме: 1
Информация
Вкладыш задний левый
Количество
1
Группа
Механизм опрокидывающий платформы автомобиля-самосвала
Подгруппа
8600
Порядковый номер детали
074
4
4
Артикул: 9804258
нет в наличии
Болт M8x20 Cl-8.8
Количество на схеме: 10
Информация
Болт M8x20 Cl-8.8
Количество
10
Подгруппа
9804
Порядковый номер детали
258
5
5
Артикул: 86505868
нет в наличии
Гайка шестигранная USR M 8 PL
Количество на схеме: 8
Информация
Гайка шестигранная USR M 8 PL
Количество
8
Группа
Механизм опрокидывающий платформы автомобиля-самосвала
Подгруппа
8650
Порядковый номер детали
586
6
6
Артикул: 9707354
нет в наличии
Уплотнение рукавов кондиционера
Количество на схеме: 1
Информация
Уплотнение рукавов кондиционера
Количество
1
Подгруппа
9707
Порядковый номер детали
354
7
7
Артикул: 86000943
нет в наличии
Дренажная трубка
Количество на схеме: 2
Информация
Дренажная трубка
Количество
2
Группа
Механизм опрокидывающий платформы автомобиля-самосвала
Подгруппа
8600
Порядковый номер детали
094
8
8
Артикул: 86011398
нет в наличии
Шланг АС 5/8 X 4840 J2064D
Количество на схеме: 1
Информация
Шланг АС 5/8 X 4840 J2064D
Количество
1
Группа
Механизм опрокидывающий платформы автомобиля-самосвала
Подгруппа
Надрамник платформы
Порядковый номер детали
139
9
9
Артикул: 86031255
нет в наличии
Уплотнительное кольцо, внут.диам.0.551dm
Количество на схеме: 3
Информация
Уплотнительное кольцо, внут.диам.0.551dm
Количество
3
Группа
Механизм опрокидывающий платформы автомобиля-самосвала
Подгруппа
Гидроподъемник
Порядковый номер детали
125
10
10
Артикул: 86030071
нет в наличии
Трубка кондиционера 5/16 X 4665 J2064C
Количество на схеме: 1
Информация
Трубка кондиционера 5/16 X 4665 J2064C
Количество
1
Группа
Механизм опрокидывающий платформы автомобиля-самосвала
Подгруппа
Гидроподъемник
Порядковый номер детали
007
11
11
Артикул: 9827060
нет в наличии
Кольцо уплотнительное 301IDx.070THK
Количество на схеме: 3
Информация
Кольцо уплотнительное 301IDx.070THK
Количество
3
Подгруппа
9827
Порядковый номер детали
060
12
12
Артикул: 86013087
нет в наличии
Медные трубки 1/2
Количество на схеме: 1
Информация
Медные трубки 1/2
Количество
1
Группа
Механизм опрокидывающий платформы автомобиля-самосвала
Подгруппа
Надрамник платформы
Порядковый номер детали
308
13
13
Артикул: 86013086
нет в наличии
Медные трубки 1/4
Количество на схеме: 1
Информация
Медные трубки 1/4
Количество
1
Группа
Механизм опрокидывающий платформы автомобиля-самосвала
Подгруппа
Надрамник платформы
Порядковый номер детали
308
14
14
Артикул: V86529
нет в наличии
Хомут 1.00dm
Количество на схеме: 7
Информация
Хомут 1.00dm
Количество
7
15
15
Артикул: V33721
нет в наличии
Хомут 7/8dm
Количество на схеме: 1
Информация
Хомут 7/8dm
Количество
1
16
16
Артикул: 86011880
нет в наличии
Шланг высокого давления 5/8 X 5300
Количество на схеме: 1
Информация
Шланг высокого давления 5/8 X 5300
Количество
1
Группа
Механизм опрокидывающий платформы автомобиля-самосвала
Подгруппа
Надрамник платформы
Порядковый номер детали
188
17
17
Артикул: 9790676
нет в наличии
Рукав 0.625
Количество на схеме: 1
Информация
Рукав 0.625
Количество
1
Подгруппа
9790
Порядковый номер детали
676
18
18
Артикул: 9706921
нет в наличии
Хомут 1/2dm-1.375dm
Количество на схеме: 6
Информация
Хомут 1/2dm-1.375dm
Количество
6
Подгруппа
9706
Порядковый номер детали
921
19
19
Артикул: 86013101
нет в наличии
Водяной клапан
Количество на схеме: 1
Информация
Водяной клапан
Количество
1
Группа
Механизм опрокидывающий платформы автомобиля-самосвала
Подгруппа
Надрамник платформы
Порядковый номер детали
310
20
20
Артикул: 86013810
нет в наличии
Кабель отопителя
Количество на схеме: 1
Информация
Кабель отопителя
Количество
1
Группа
Механизм опрокидывающий платформы автомобиля-самосвала
Подгруппа
Надрамник платформы
Порядковый номер детали
381
21
21
Артикул: 86029822
нет в наличии
Конденсор
Количество на схеме: 1
Информация
Конденсор
Количество
1
Группа
Механизм опрокидывающий платформы автомобиля-самосвала
Подгруппа
8602
Порядковый номер детали
982
22
22
Артикул: 86030073
нет в наличии
Трубка кондиционера 5/16x5200 J2064C
Количество на схеме: 1
Информация
Трубка кондиционера 5/16x5200 J2064C
Количество
1
Группа
Механизм опрокидывающий платформы автомобиля-самосвала
Подгруппа
Гидроподъемник
Порядковый номер детали
007
23
23
Артикул: 9705765
нет в наличии
Ресивер кондиционера
Количество на схеме: 1
Информация
Ресивер кондиционера
Количество
1
Подгруппа
9705
Порядковый номер детали
765
24
24
Артикул: 71690
нет в наличии
Крепежная скоба
Количество на схеме: 1
Информация
Крепежная скоба
Количество
1
25
25
Артикул: 86030072
нет в наличии
Трубка кондиционера 13/32x4000 J2064C
Количество на схеме: 1
Информация
Трубка кондиционера 13/32x4000 J2064C
Количество
1
Группа
Механизм опрокидывающий платформы автомобиля-самосвала
Подгруппа
Гидроподъемник
Порядковый номер детали
007
26
26
Артикул: 9827058
нет в наличии
Уплотнительное кольцо зеленое 70-Duro ID-0.42in
Количество на схеме: 2
Информация
Уплотнительное кольцо зеленое 70-Duro ID-0.42in
Количество
2
Подгруппа
9827
Порядковый номер детали
058
27
27
Артикул: 9705764
нет в наличии
Компрессор системы кондиционирования
Количество на схеме: 1
Информация
Компрессор системы кондиционирования
Количество
1
Подгруппа
9705
Порядковый номер детали
764
28
28
Артикул: 2747
нет в наличии
Накладка соединительная, нейлоновая, регулируемая
Количество на схеме: 17
Информация
Накладка соединительная, нейлоновая, регулируемая
Количество
17
29
29
Артикул: 9707391
нет в наличии
Фитинг компрессора №10
Количество на схеме: 1
Информация
Фитинг компрессора №10
Количество
1
Подгруппа
9707
Порядковый номер детали
391
30
30
Артикул: 9707390
нет в наличии
Фитинг №8
Количество на схеме: 1
Информация
Фитинг №8
Количество
1
Подгруппа
9707
Порядковый номер детали
390
31
31
Артикул: 9707360
нет в наличии
Защитный рукав, ширина 92мм, длина 700мм, нейлон
Количество на схеме: 2
Информация
Защитный рукав, ширина 92мм, длина 700мм, нейлон
Количество
2
Подгруппа
9707
Порядковый номер детали
360
32
32
Артикул: 86010532
нет в наличии
Шланговое соединение 5/8x1/2NPT
Количество на схеме: 1
Информация
Шланговое соединение 5/8x1/2NPT
Количество
1
Группа
Механизм опрокидывающий платформы автомобиля-самосвала
Подгруппа
Надрамник платформы
Порядковый номер детали
053
33
33
Артикул: 14602
нет в наличии
Фитинг 1/2dm NPT
Количество на схеме: 1
Информация
Фитинг 1/2dm NPT
Количество
1
34
34
Артикул: 83961305
нет в наличии
Кран отопителя
Количество на схеме: 1
Информация
Кран отопителя
Количество
1
Подгруппа
8396
Порядковый номер детали
130
35
35
Артикул: 88088
нет в наличии
Адаптер 1/2MNPFTx3/8SWFNPSM
Количество на схеме: 1
Информация
Адаптер 1/2MNPFTx3/8SWFNPSM
Количество
1
36
36
Артикул: 86013885
нет в наличии
Шланг высокого давления 5/8 X 4200
Количество на схеме: 1
Информация
Шланг высокого давления 5/8 X 4200
Количество
1
Группа
Механизм опрокидывающий платформы автомобиля-самосвала
Подгруппа
Надрамник платформы
Порядковый номер детали
388
36
36
Артикул: 86018785
нет в наличии
Трубка
Количество на схеме: 1
Информация
Трубка
Количество
1
Группа
Механизм опрокидывающий платформы автомобиля-самосвала
Подгруппа
Надрамник платформы
Порядковый номер детали
878
37
37
Артикул: 86001145
нет в наличии
Изолирующая медная труба
Количество на схеме: 1
Информация
Изолирующая медная труба
Количество
1
Группа
Механизм опрокидывающий платформы автомобиля-самосвала
Подгруппа
8600
Порядковый номер детали
114
38
38
Артикул: 263117
нет в наличии
Соединительный трос, нейлон
Количество на схеме: 4
Информация
Соединительный трос, нейлон
Количество
4
Покрытие
без покрытия
39
39
Артикул: 51026
нет в наличии
Болт M8x12 Cl-8.8
Количество на схеме: 4
Информация
Болт M8x12 Cl-8.8
Количество
4
40
40
Артикул: 9804261
нет в наличии
Болт M10x1.50x25 Cl-8.8
Количество на схеме: 4
Информация
Болт M10x1.50x25 Cl-8.8
Количество
4
Подгруппа
9804
Порядковый номер детали
261
41
41
Артикул: 9804261
нет в наличии
Болт M10x1.50x25 Cl-8.8
Количество на схеме: 2
Информация
Болт M10x1.50x25 Cl-8.8
Количество
2
Подгруппа
9804
Порядковый номер детали
261
42
42
Артикул: 104409
нет в наличии
Гайка M10 x 1.5
Количество на схеме: 2
Информация
Гайка M10 x 1.5
Количество
2
Покрытие
без покрытия
43
43
Артикул: 86019369
нет в наличии
Кабель управления
Количество на схеме: 1
Информация
Кабель управления
Количество
1
Группа
Механизм опрокидывающий платформы автомобиля-самосвала
Подгруппа
Надрамник платформы
Порядковый номер детали
936
44
44
Артикул: 86000156
нет в наличии
Пружинный зажим
Количество на схеме: 1
Информация
Пружинный зажим
Количество
1
Группа
Механизм опрокидывающий платформы автомобиля-самосвала
Подгруппа
8600
Порядковый номер детали
015
45
45
Артикул: 86001604
нет в наличии
Трубка дренажная резиновая Duro-65
Количество на схеме: 2
Информация
Трубка дренажная резиновая Duro-65
Количество
2
Группа
Механизм опрокидывающий платформы автомобиля-самосвала
Подгруппа
8600
Порядковый номер детали
160
46
46
Артикул: 86012470
нет в наличии
Изолирующая трубка, длина 44,0
Количество на схеме: 1
Информация
Изолирующая трубка, длина 44,0
Количество
1
Группа
Механизм опрокидывающий платформы автомобиля-самосвала
Подгруппа
Надрамник платформы
Порядковый номер детали
247
47
47
Артикул: V86490
нет в наличии
Хомут 1.50dm
Количество на схеме: 1
Информация
Хомут 1.50dm
Количество
1
48
48
Артикул: 43435
нет в наличии
Гайка M10 Usr Pl
Количество на схеме: 2
Информация
Гайка M10 Usr Pl
Количество
2
49
49
Артикул: 86511323
нет в наличии
Шайба 10.77X20.00X2.00 PL
Количество на схеме: 1
Информация
Шайба 10.77X20.00X2.00 PL
Количество
1
Группа
Механизм опрокидывающий платформы автомобиля-самосвала
Подгруппа
8651
Порядковый номер детали
132
50
50
Артикул: 86511841
нет в наличии
Болт M8x16, 8.8
Количество на схеме: 2
Информация
Болт M8x16, 8.8
Количество
2
Группа
Механизм опрокидывающий платформы автомобиля-самосвала
Подгруппа
8651
Порядковый номер детали
184
51
51
Артикул: 86020394
нет в наличии
Крепежное приспособление 0.173
Количество на схеме: 1
Информация
Крепежное приспособление 0.173
Количество
1
Группа
Механизм опрокидывающий платформы автомобиля-самосвала
Подгруппа
8602
Порядковый номер детали
039
  • Грузовые автомобили
  • Автобусы
  • Сельхозтехника
  • Спецтехника
  • Двигатели
Получить оптовый прайс-лист
Скачать прайс-лист от 26.05.2026 08:00
Специальное предложение от 25.05.2026 17:00
Производители:


  • WEICHAI
  • Автодизель ПАО (ЯМЗ)
  • Тутаевский МЗ
  • ЯЗДА
  • УралАЗ
  • МАЗ
  • АЗПИ
  • BOSCH
  • ММЗ
  • ШААЗ
  • FEDERAL MOGUL
  • ПРАМО
  • Мотордеталь
  • ТАИМ
  • АвтоКрАЗ
  • БЕЛКАРД
  • CZ Strakonice
  • КамАЗ
  • БЗА
  • ЧМЗ
  • BMZ
Новости
Все новости
25 марта 2024
Флагманский седельный тягач «Валдай 45» на выставке «TransRussia»
10 марта 2024
Современные автобусы «CITYMAX 9» и ЛиАЗ-5292 CNG
25 февраля 2024
Серийное производство средних дизельных двигателей повышенной мощности от ЯМЗ
Статьи
Все статьи
Датчики двигателя: за что они отвечают, признаки неисправности и как не прогадать с выбором
Двигатели ЯМЗ-534: история, технические характеристики и области применения
Двигатели ЯМЗ 650: углублённый технический обзор и история
Компания
О компании
Реквизиты
Новости
Политика
Магазины
Информация
Условия оплаты
Условия доставки
Гарантия на товар
Обмен и возврат товара
Помощь
Как оформить заказ
Полезные статьи
Бренды
Пункты выдачи
Оставайтесь на связи
  • Вконтакте
  • YouTube
  • Одноклассники
  • Google Plus
Увидели ошибку?
Выделите, нажав Ctrl + Enter
Наши контакты
8-800-700-35-68
sales@din76.ru
г. Ярославль, Ленинградский пр-т 33, ТЦ "ОМЕГА"
2026 © ООО «Динамика 76» - Все права защищены ООО "Динамика 76"
Предложения на сайте не являются публичной офертой.
На сайте обнаружена ошибка

Текст с ошибкой