Избранное 0 Корзина 0 Личный кабинет
logo
Каталог
Каталог
  • Справочник
    • Грузовые автомобили
    • Автобусы
    • Сельхозтехника
    • Спецтехника
    • Двигатели
  • Доставка
  • Оплата
  • О компании
    • Реквизиты
    • Магазины
    • Оплата
    • Доставка
    • Лицензии и сертификаты
    • Новости
    • Вакансии
  • Контакты
Отправить заявку
Личный кабинет
8 (800) 700-35-68
sales@din76.ru
Избранное 0 Корзина 0
8 (800) 700-35-68
Оптовый прайс-лист
Каталог
  • Двигатели
  • Запчасти WEICHAI
  • Запчасти ЯМЗ, ТМЗ (V-образные)
  • Запчасти ЯМЗ-534, ЯМЗ-536
  • Запчасти ЯМЗ-650, ЯМЗ-651, DCi-11
  • Топливная аппаратура
  • Запчасти УРАЛ
  • Запчасти МАЗ
  • Запчасти КамАЗ
  • Запчасти ММЗ
  • Ремни
Автокаталог (справочник)
  • Доставка
  • Оплата
  • О компании
  • Контакты
8 (800) 700-35-68
Написать в Whatsapp
sales@din76.ru
Динамика 76
Меню  
  • Каталог
    • Двигатели  
      • Двигатели ТМЗ  
        • Двигатели ТМЗ для автомобилей
        • Двигатели ТМЗ для тракторов
        • Специальные двигатели ТМЗ
        • Промышленные двигатели ТМЗ
      • Двигатели ЯМЗ  
        • ЯМЗ 236
        • ЯМЗ 238
        • ЯМЗ 240
        • ЯМЗ 751
        • ЯМЗ 840
        • ЯМЗ 850
        • ЯМЗ 656
        • ЯМЗ 658
        • ЯМЗ 534
        • ЯМЗ 536
        • ЯМЗ 650
        • Двигатели ЯМЗ для электростанций
      • Двигатели КАМАЗ
      • Двигатели ММЗ
      • Двигатели индивидуальной сборки
      • Комплекты переоборудования
    • Запчасти WEICHAI  
      • Основные запчасти двигателя  
        • Клапаны и толкатели
        • Шатуны
        • Вал коленчатый и маховик
        • Вал распределительный
        • Цилиндро-поршневая группа
      • Система питания  
        • Форсунки
        • Турбокомпрессор
      • Система смазки  
        • Насос масляный
      • Головка блока
      • Ремкомплекты
      • Система охлаждения  
        • Насос водяной
        • Муфта вязкостная и крыльчатка
      • Фильтры
      • Электрооборудование  
        • Генератор
        • Стартер
    • Запчасти ЯМЗ, ТМЗ (V-образные)  
      • Основные запчасти двигателя  
        • Блок двигателя и комплектующие
        • Валы распределительные и клапаны
        • Головка блока и комплектующие
        • Цилиндро-поршневая группа
        • Маховики и комплектующие
        • Валы коленчатые и комплектующие
        • Шатуны и комплектующие
      • Система питания  
        • Коллекторы и патрубки
        • Топливные трубопроводы
        • Турбокомпрессор
        • Топливные фильтры
      • Электрооборудование двигателя
      • Система охлаждения  
        • Вязкостные муфты и крыльчатки
        • Приводы вентилятора
        • Водяные насосы
        • Водяные трубы и термостаты
      • Коробки переключения передач  
        • 8 Ступенчатые КПП
        • 5 Ступенчатые КПП
        • 9 Ступенчатые КПП
        • Запасные части КПП ЯМЗ, ТМЗ
      • Система смазки  
        • Теплообменник и комплектующие
        • Масляные насосы
        • Фильтры масляные (ФГОМ, ФЦОМ)
      • Сцепление  
        • Запасные части механизма сцепления
        • Муфты (подшипники выжимные)
        • Корзины (диски нажимные)
        • Диски ведомые
      • Прочие запчасти двигателя  
        • Ремкомплекты
        • Привод агрегатов
        • Натяжные устройства
        • Трубки
    • Запчасти ЯМЗ-534, ЯМЗ-536  
      • Основные запчасти двигателя  
        • Цилиндро-поршневая группа
        • Головка блока цилиндров и комплектующие
        • Блок цилиндров и комплектующие
        • Вал коленчатый и маховик
        • Вал распределительный
        • Клапаны и толкатели
        • ГУР (Гидроусилитель руля)
        • Система рециркуляции отработавших газов
        • Выпускной коллектор
      • Система питания  
        • Коллекторы и патрубки
        • Топливные фильтры
        • Турбокомпрессор
        • Топливные трубопроводы
      • Система смазки  
        • Масляный картер поддон
        • Масляный насос
        • Теплообменник /Водо-масляный радиатор
        • Фильтры масляные (ФГОМ, ФЦОМ)
      • Пневмокомпрессор и натяжное
      • Система охлаждения  
        • Водяной насос
        • Водяные трубы и патрубки
        • Муфты вязкостные, приводы, крыльчатки
      • Ремкомплекты
      • Сцепление
      • Электрооборудование
    • Запчасти ЯМЗ-650, ЯМЗ-651, DCi-11  
      • Основные запчасти двигателя  
        • Цилиндро-поршневая группа
        • Головка блока цилиндров и комплектующие
        • Блок цилиндров и комплектующие
        • Вал коленчатый и маховик
        • Выпускной коллектор
        • Вал распределительный
        • Клапаны и толкатели
        • ГУР (Гидроусилитель руля)
        • Система рециркуляции отработавших газов
      • Система питания  
        • Коллекторы и патрубки
        • Топливные трубопроводы
        • Топливные фильтры
        • Турбокомпрессор
      • Система смазки  
        • Масляный картер / поддон
        • Масляный насос
        • Теплообменник / Водо-масляный радиатор
        • Фильтры масляные (ФГОМ, ФЦОМ)
      • Система охлаждения  
        • Водяной насос
        • Водяные трубы и патрубки
        • Муфты вязкостные, приводы, крыльчатки
      • Ремкомплекты
      • Пневмокомпрессор и натяжное
      • Электрооборудование
      • Сцепление
    • Топливная аппаратура  
      • ЯЗДА  
        • Распылители
        • ТНВД
        • Форсунки
        • Топливный насос низкого давления
        • Пары плунжерные
        • Муфта опережения впрыска топлива
        • Запчасти и комплектующие ТНВД
      • НЗТА
      • АЗПИ  
        • Распылители
        • Форсунки
      • BOSCH
    • Запчасти УРАЛ  
      • Трансмиссия  
        • Коробка раздаточная
        • Передача карданная
        • Мост задний
        • Мост передний (ведущий)
        • Мост средний (промежуточный)
      • Кузов  
        • Дверь кабины
        • Капот, крылья, облицовка радиатора
        • Окно ветровое и заднее
        • Отопление и вентиляция кабины
        • Кабина
      • Механизмы управления  
        • Управление рулевое
        • Тормоза
      • Дополнительное оборудование  
        • Отбор мощности
        • Устройство седельное
      • Электрооборудование
      • Ходовая часть  
        • Колеса и ступицы
        • Ось передняя
        • Подвеска автомобиля
        • Рама
    • Запчасти МАЗ  
      • Трансмиссия  
        • Мост задний
        • Мост передний (ведущий)
        • Передача карданная
        • Мост средний (промежуточный)
      • Кузов  
        • Кабина
        • Дверь кабины
        • Детали основания кабины
        • Окно ветровое и заднее
        • Платформа
      • Механизмы управления  
        • Тормоза
        • Управление рулевое
      • Ходовая часть  
        • Колеса и ступицы
        • Ось передняя
        • Подвеска автомобиля
        • Рама
    • Запчасти КамАЗ  
      • Кузов  
        • Кабина
        • Капот, крылья, облицовка радиатора
        • Дверь кабины
        • Платформа
        • Окно ветровое и заднее
        • Устройство подъемное и опрокидывающее
        • Сиденье
        • Крыша кабины (крыша кузова)
        • Отопление и вентиляция кабины
      • Трансмиссия  
        • Коробка передач
        • Коробка раздаточная
        • Мост задний
        • Сцепление
        • Мост средний (промежуточный)
        • Передача карданная
        • Мост передний (ведущий)
      • Двигатель  
        • Основные запчасти двигателя
        • Система охлаждения
        • Система питания
        • Система смазки
      • Дополнительное оборудование  
        • Отбор мощности
        • Устройство седельное
      • Ходовая часть  
        • Подвеска автомобиля
        • Рама
        • Колеса и ступицы
        • Ось передняя
      • Механизмы управления  
        • Тормоза
        • Управление рулевое
      • Электрооборудование
    • Запчасти ММЗ
    • Ремни
  • Справочник
    • Грузовые автомобили
    • Автобусы
    • Сельхозтехника
    • Спецтехника
    • Двигатели
  • Как купить
    • Условия оплаты
    • Условия доставки
    • Гарантия на товар
    • Пункты выдачи
  • Услуги
    • Капитальный ремонт двигателей ЯМЗ
  • Акции
  • Статьи
  • Контакты
  • Компания
    • Реквизиты
    • Магазины
    • Оплата
    • Доставка
    • Лицензии и сертификаты
    • Новости
    • Вакансии
Избранное 0 Корзина 0
8-800-700-35-68

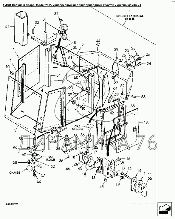
15B01 Кабина в сборе на Versatile серии 2000 (до 2008 г.)

Справочник
Главная
-
Автокаталог
-
Сельхозтехника
-
Versatile
-
Versatile серии 2000
Справочный каталог

15B01 Кабина в сборе — Versatile серии 2000:

104409 274257 43117 43436 50211 86000270 86001078 86001103 86001112 86001366 86001367 86001478 86013059 86025487 86025487 86027829 86034626 86050033 86050239 86050279 86050353 86500364 86502201 86502338 86503612 86505868 86511442 86511915 86511975 86514335 86514335 87404 87653 9673088 9701922 9703554 9703556 9703557 9703557 9706581 9706582 9706583 9706584 9706585 9706586 9706587 9706588 9706607 9706625 9706625 9706625 9706806 9706807 9706807 9706808 9706881 9707312 9707317 9707331 9707332 9707332 9707333 9707336 9707338 9707338 9707364 9780063 9804255 9804261 9824259 V104137 V30907 V32685 V55822
в наличии
нет в наличии
масштаб

В наличии
Нет в наличии

Перечень комплектующих от 15B01 Кабина в сборе на Versatile серии 2000

Схемы запчастей предназначены для справочных целей! Мы продаем не все запчасти от 15B01 Кабина в сборе на Versatile серии 2000, представленные в этом списке.
Наличие на складах по деталям с ценой смотрите в карточке товара.
Артикул: 104409
нет в наличии
Гайка M10 x 1.5
Количество на схеме: 4
Информация
Гайка M10 x 1.5
Количество
4
Покрытие
без покрытия
Артикул: 274257
нет в наличии
Винт с гексагональной головкой с фланцами M12 x 1.
Количество на схеме: 8
Информация
Винт с гексагональной головкой с фланцами M12 x 1.
Количество
8
Покрытие
без покрытия
Артикул: 43117
нет в наличии
Болт M6x1.0x30.0 Cl 8.8
Количество на схеме: 3
Информация
Болт M6x1.0x30.0 Cl 8.8
Количество
3
Артикул: 43436
нет в наличии
Гайка M12 Usr Pl
Количество на схеме: 8
Информация
Гайка M12 Usr Pl
Количество
8
Артикул: 50211
нет в наличии
Гайка 7/16dm-14
Количество на схеме: 1
Информация
Гайка 7/16dm-14
Количество
1
Артикул: 86000270
нет в наличии
Шайба специальная
Количество на схеме: 4
Информация
Шайба специальная
Количество
4
Группа
Механизм опрокидывающий платформы автомобиля-самосвала
Подгруппа
8600
Порядковый номер детали
027
Артикул: 86001078
нет в наличии
Гайка J специального типа
Количество на схеме: 3
Информация
Гайка J специального типа
Количество
3
Группа
Механизм опрокидывающий платформы автомобиля-самосвала
Подгруппа
8600
Порядковый номер детали
107
Артикул: 86001103
нет в наличии
Уплотнение левой задней панели
Количество на схеме: 1
Информация
Уплотнение левой задней панели
Количество
1
Группа
Механизм опрокидывающий платформы автомобиля-самосвала
Подгруппа
8600
Порядковый номер детали
110
Артикул: 86001112
нет в наличии
Уплотнительная прокладка стекла
Количество на схеме: 35
Информация
Уплотнительная прокладка стекла
Количество
35
Группа
Механизм опрокидывающий платформы автомобиля-самосвала
Подгруппа
8600
Порядковый номер детали
111
Артикул: 86001366
нет в наличии
Контейнер под гайку
Количество на схеме: 1
Информация
Контейнер под гайку
Количество
1
Группа
Механизм опрокидывающий платформы автомобиля-самосвала
Подгруппа
8600
Порядковый номер детали
136
Артикул: 86001367
нет в наличии
Прокладка дверной ручки
Количество на схеме: 1
Информация
Прокладка дверной ручки
Количество
1
Группа
Механизм опрокидывающий платформы автомобиля-самосвала
Подгруппа
8600
Порядковый номер детали
136
Артикул: 86001478
нет в наличии
Резиновая накладка для стекол
Количество на схеме: 12
Информация
Резиновая накладка для стекол
Количество
12
Группа
Механизм опрокидывающий платформы автомобиля-самосвала
Подгруппа
8600
Порядковый номер детали
147
Артикул: 86013059
нет в наличии
Узел кабины крепежный
Количество на схеме: 4
Информация
Узел кабины крепежный
Количество
4
Группа
Механизм опрокидывающий платформы автомобиля-самосвала
Подгруппа
Надрамник платформы
Порядковый номер детали
305
Артикул: 86025487
нет в наличии
Рама кабины
Количество на схеме: 1
Информация
Рама кабины
Количество
1
Группа
Механизм опрокидывающий платформы автомобиля-самосвала
Подгруппа
8602
Порядковый номер детали
548
Артикул: 86027829
нет в наличии
Задняя панель кабины
Количество на схеме: 1
Информация
Задняя панель кабины
Количество
1
Группа
Механизм опрокидывающий платформы автомобиля-самосвала
Подгруппа
8602
Порядковый номер детали
782
Артикул: 86034626
нет в наличии
Уплотнение двери по периметру
Количество на схеме: 1
Информация
Уплотнение двери по периметру
Количество
1
Группа
Механизм опрокидывающий платформы автомобиля-самосвала
Подгруппа
Гидроподъемник
Порядковый номер детали
462
Артикул: 86050033
нет в наличии
Шплинт оконного запора 3/16X1.4 PL
Количество на схеме: 1
Информация
Шплинт оконного запора 3/16X1.4 PL
Количество
1
Группа
Механизм опрокидывающий платформы автомобиля-самосвала
Подгруппа
8605
Порядковый номер детали
003
Артикул: 86050239
нет в наличии
Клинообразное уплотнение o 21 пылезащитной заглушк
Количество на схеме: 1
Информация
Клинообразное уплотнение o 21 пылезащитной заглушк
Количество
1
Группа
Механизм опрокидывающий платформы автомобиля-самосвала
Подгруппа
8605
Порядковый номер детали
023
Артикул: 86050279
нет в наличии
Гайка шестигранная M10 класс 10 PL
Количество на схеме: 1
Информация
Гайка шестигранная M10 класс 10 PL
Количество
1
Группа
Механизм опрокидывающий платформы автомобиля-самосвала
Подгруппа
8605
Порядковый номер детали
027
Артикул: 86050353
нет в наличии
Виниловая прокладка, длина 600 мм
Количество на схеме: 1
Информация
Виниловая прокладка, длина 600 мм
Количество
1
Группа
Механизм опрокидывающий платформы автомобиля-самосвала
Подгруппа
8605
Порядковый номер детали
035
Артикул: 86500364
нет в наличии
Гайка с нейлоновой вставкой SPL
Количество на схеме: 1
Информация
Гайка с нейлоновой вставкой SPL
Количество
1
Группа
Механизм опрокидывающий платформы автомобиля-самосвала
Подгруппа
8650
Порядковый номер детали
036
Артикул: 86502201
нет в наличии
Ключ
Количество на схеме: 1
Информация
Ключ
Количество
1
Группа
Механизм опрокидывающий платформы автомобиля-самосвала
Подгруппа
8650
Порядковый номер детали
220
Артикул: 86502338
нет в наличии
Шпилька ловушки фильтра
Количество на схеме: 1
Информация
Шпилька ловушки фильтра
Количество
1
Группа
Механизм опрокидывающий платформы автомобиля-самосвала
Подгруппа
8650
Порядковый номер детали
233
Артикул: 86503612
нет в наличии
Шайба 21.00X37.00X3.00 HDN
Количество на схеме: 8
Информация
Шайба 21.00X37.00X3.00 HDN
Количество
8
Группа
Механизм опрокидывающий платформы автомобиля-самосвала
Подгруппа
8650
Порядковый номер детали
361
Артикул: 86505868
нет в наличии
Гайка шестигранная USR M 8 PL
Количество на схеме: 1
Информация
Гайка шестигранная USR M 8 PL
Количество
1
Группа
Механизм опрокидывающий платформы автомобиля-самосвала
Подгруппа
8650
Порядковый номер детали
586
Артикул: 86511442
нет в наличии
Болт шестигранный FLG USR M 6x20 PL
Количество на схеме: 6
Информация
Болт шестигранный FLG USR M 6x20 PL
Количество
6
Группа
Механизм опрокидывающий платформы автомобиля-самосвала
Подгруппа
8651
Порядковый номер детали
144
Артикул: 86511915
нет в наличии
Крепежный винт с плоскоконической головкой #8 X 1.
Количество на схеме: 1
Информация
Крепежный винт с плоскоконической головкой #8 X 1.
Количество
1
Группа
Механизм опрокидывающий платформы автомобиля-самосвала
Подгруппа
8651
Порядковый номер детали
191
Артикул: 86511975
нет в наличии
Крепежный винт с плоской головкой 0.25 X 0.75
Количество на схеме: 4
Информация
Крепежный винт с плоской головкой 0.25 X 0.75
Количество
4
Группа
Механизм опрокидывающий платформы автомобиля-самосвала
Подгруппа
8651
Порядковый номер детали
197
Артикул: 86514335
нет в наличии
Контргайка с нейлоновой вставкой M6 класс 10 PL
Количество на схеме: 3
Информация
Контргайка с нейлоновой вставкой M6 класс 10 PL
Количество
3
Группа
Механизм опрокидывающий платформы автомобиля-самосвала
Подгруппа
8651
Порядковый номер детали
433
Артикул: 87404
нет в наличии
Болт G5 1/4dm-20x2dm
Количество на схеме: 1
Информация
Болт G5 1/4dm-20x2dm
Количество
1
Артикул: 87653
нет в наличии
Гайка №8 Nc Gr-5 Pl
Количество на схеме: 1
Информация
Гайка №8 Nc Gr-5 Pl
Количество
1
Артикул: 9673088
нет в наличии
Винт PHIL HD M4.2x1.4BL
Количество на схеме: 3
Информация
Винт PHIL HD M4.2x1.4BL
Количество
3
Подгруппа
9673
Порядковый номер детали
088
Артикул: 9701922
нет в наличии
Отбойник
Количество на схеме: 9
Информация
Отбойник
Количество
9
Подгруппа
9701
Порядковый номер детали
922
Артикул: 9703554
нет в наличии
Шарнир
Количество на схеме: 3
Информация
Шарнир
Количество
3
Подгруппа
9703
Порядковый номер детали
554
Артикул: 9703556
нет в наличии
Уплотнение оконного стекла, резина
Количество на схеме: 1
Информация
Уплотнение оконного стекла, резина
Количество
1
Подгруппа
9703
Порядковый номер детали
556
Артикул: 9703557
нет в наличии
Дверное уплотнение, L4WD
Количество на схеме: 1
Информация
Дверное уплотнение, L4WD
Количество
1
Подгруппа
9703
Порядковый номер детали
557
Артикул: 9706581
нет в наличии
Стекло дверное
Количество на схеме: 1
Информация
Стекло дверное
Количество
1
Подгруппа
9706
Порядковый номер детали
581
Артикул: 9706582
нет в наличии
Стекло переднее правое
Количество на схеме: 1
Информация
Стекло переднее правое
Количество
1
Подгруппа
9706
Порядковый номер детали
582
Артикул: 9706583
нет в наличии
Стекло переднее центральное
Количество на схеме: 1
Информация
Стекло переднее центральное
Количество
1
Подгруппа
9706
Порядковый номер детали
583
Артикул: 9706584
нет в наличии
Стекло переднее левое
Количество на схеме: 1
Информация
Стекло переднее левое
Количество
1
Подгруппа
9706
Порядковый номер детали
584
Артикул: 9706585
нет в наличии
Стекло заднее центральное
Количество на схеме: 1
Информация
Стекло заднее центральное
Количество
1
Подгруппа
9706
Порядковый номер детали
585
Артикул: 9706586
нет в наличии
Стекло заднее левое
Количество на схеме: 1
Информация
Стекло заднее левое
Количество
1
Подгруппа
9706
Порядковый номер детали
586
Артикул: 9706587
нет в наличии
Стекло заднее правое
Количество на схеме: 1
Информация
Стекло заднее правое
Количество
1
Подгруппа
9706
Порядковый номер детали
587
Артикул: 9706588
нет в наличии
Стекло боковое правое центральное
Количество на схеме: 1
Информация
Стекло боковое правое центральное
Количество
1
Подгруппа
9706
Порядковый номер детали
588
Артикул: 9706607
нет в наличии
Корпус замка двери
Количество на схеме: 1
Информация
Корпус замка двери
Количество
1
Подгруппа
9706
Порядковый номер детали
607
Артикул: 9706625
нет в наличии
Дверь кабины, HHP-L4wd
Количество на схеме: 1
Информация
Дверь кабины, HHP-L4wd
Количество
1
Подгруппа
9706
Порядковый номер детали
625
Артикул: 9706806
нет в наличии
Пружина дверная пневматическая
Количество на схеме: 1
Информация
Пружина дверная пневматическая
Количество
1
Подгруппа
9706
Порядковый номер детали
806
Артикул: 9706807
нет в наличии
Шаровой палец 13 диам.xM8
Количество на схеме: 2
Информация
Шаровой палец 13 диам.xM8
Количество
2
Подгруппа
9706
Порядковый номер детали
807
Артикул: 9706808
нет в наличии
Болт фиксирующий дверного замка
Количество на схеме: 1
Информация
Болт фиксирующий дверного замка
Количество
1
Подгруппа
9706
Порядковый номер детали
808
Артикул: 9706881
нет в наличии
Уплотнение задней панели кабины, длина 570мм
Количество на схеме: 1
Информация
Уплотнение задней панели кабины, длина 570мм
Количество
1
Подгруппа
9706
Порядковый номер детали
881
Артикул: 9707312
нет в наличии
Трос L=190 мм
Количество на схеме: 1
Информация
Трос L=190 мм
Количество
1
Подгруппа
9707
Порядковый номер детали
312
Артикул: 9707317
нет в наличии
Крышка задней панели
Количество на схеме: 1
Информация
Крышка задней панели
Количество
1
Подгруппа
9707
Порядковый номер детали
317
Артикул: 9707331
нет в наличии
Ручка двери кабины, L4WD
Количество на схеме: 1
Информация
Ручка двери кабины, L4WD
Количество
1
Подгруппа
9707
Порядковый номер детали
331
Артикул: 9707332
нет в наличии
Кнопка dmрешетка + капотdm
Количество на схеме: 2
Информация
Кнопка dmрешетка + капотdm
Количество
2
Подгруппа
9707
Порядковый номер детали
332
Артикул: 9707333
нет в наличии
Кожух отбойника
Количество на схеме: 1
Информация
Кожух отбойника
Количество
1
Подгруппа
9707
Порядковый номер детали
333
Артикул: 9707336
нет в наличии
Шарнир
Количество на схеме: 1
Информация
Шарнир
Количество
1
Подгруппа
9707
Порядковый номер детали
336
Артикул: 9707338
нет в наличии
Фиксатор
Количество на схеме: 2
Информация
Фиксатор
Количество
2
Подгруппа
9707
Порядковый номер детали
338
Артикул: 9707364
нет в наличии
Затвор L4wd
Количество на схеме: 1
Информация
Затвор L4wd
Количество
1
Подгруппа
9707
Порядковый номер детали
364
Артикул: 9780063
нет в наличии
Штифт 5х16мм
Количество на схеме: 1
Информация
Штифт 5х16мм
Количество
1
Подгруппа
9780
Порядковый номер детали
063
Артикул: 9804255
нет в наличии
Болт M6x16 Cl-8.8 Pl
Количество на схеме: 1
Информация
Болт M6x16 Cl-8.8 Pl
Количество
1
Подгруппа
9804
Порядковый номер детали
255
Артикул: 9804261
нет в наличии
Болт M10x1.50x25 Cl-8.8
Количество на схеме: 1
Информация
Болт M10x1.50x25 Cl-8.8
Количество
1
Подгруппа
9804
Порядковый номер детали
261
Артикул: 9824259
нет в наличии
Шайба диам.внут.6.62, наруж.12.0, толщина 1.6мм, сталь
Количество на схеме: 3
Информация
Шайба диам.внут.6.62, наруж.12.0, толщина 1.6мм, сталь
Количество
3
Подгруппа
9824
Порядковый номер детали
259
Артикул: V104137
нет в наличии
Болт М10х25
Количество на схеме: 4
Информация
Болт М10х25
Количество
4
Покрытие
без покрытия
Артикул: V30907
нет в наличии
Контргайка 0.75nc GR10 PL
Количество на схеме: 4
Информация
Контргайка 0.75nc GR10 PL
Количество
4
Артикул: V32685
нет в наличии
Втулка диам.внутр.0.32 наруж. 0.44 длина 0.44dm
Количество на схеме: 3
Информация
Втулка диам.внутр.0.32 наруж. 0.44 длина 0.44dm
Количество
3
Артикул: V55822
нет в наличии
Болт 3/4-10unc x5.50dm
Количество на схеме: 4
Информация
Болт 3/4-10unc x5.50dm
Количество
4
  • Грузовые автомобили
  • Автобусы
  • Сельхозтехника
  • Спецтехника
  • Двигатели
Получить оптовый прайс-лист
Скачать прайс-лист от 26.05.2026 08:00
Специальное предложение от 25.05.2026 17:00
Производители:


  • WEICHAI
  • Автодизель ПАО (ЯМЗ)
  • Тутаевский МЗ
  • ЯЗДА
  • УралАЗ
  • МАЗ
  • АЗПИ
  • BOSCH
  • ММЗ
  • ШААЗ
  • FEDERAL MOGUL
  • ПРАМО
  • Мотордеталь
  • ТАИМ
  • АвтоКрАЗ
  • БЕЛКАРД
  • CZ Strakonice
  • КамАЗ
  • БЗА
  • ЧМЗ
  • BMZ
Новости
Все новости
25 марта 2024
Флагманский седельный тягач «Валдай 45» на выставке «TransRussia»
10 марта 2024
Современные автобусы «CITYMAX 9» и ЛиАЗ-5292 CNG
25 февраля 2024
Серийное производство средних дизельных двигателей повышенной мощности от ЯМЗ
Статьи
Все статьи
Датчики двигателя: за что они отвечают, признаки неисправности и как не прогадать с выбором
Двигатели ЯМЗ-534: история, технические характеристики и области применения
Двигатели ЯМЗ 650: углублённый технический обзор и история
Компания
О компании
Реквизиты
Новости
Политика
Магазины
Информация
Условия оплаты
Условия доставки
Гарантия на товар
Обмен и возврат товара
Помощь
Как оформить заказ
Полезные статьи
Бренды
Пункты выдачи
Оставайтесь на связи
  • Вконтакте
  • YouTube
  • Одноклассники
  • Google Plus
Увидели ошибку?
Выделите, нажав Ctrl + Enter
Наши контакты
8-800-700-35-68
sales@din76.ru
г. Ярославль, Ленинградский пр-т 33, ТЦ "ОМЕГА"
2026 © ООО «Динамика 76» - Все права защищены ООО "Динамика 76"
Предложения на сайте не являются публичной офертой.
На сайте обнаружена ошибка

Текст с ошибкой