Избранное 0 Корзина 0 Личный кабинет
logo
Каталог
Каталог
  • Справочник
    • Грузовые автомобили
    • Автобусы
    • Сельхозтехника
    • Спецтехника
    • Двигатели
  • Доставка
  • Оплата
  • О компании
    • Реквизиты
    • Магазины
    • Оплата
    • Доставка
    • Лицензии и сертификаты
    • Новости
    • Вакансии
  • Контакты
Отправить заявку
Личный кабинет
8 (800) 700-35-68
sales@din76.ru
Избранное 0 Корзина 0
8 (800) 700-35-68
Оптовый прайс-лист
Каталог
  • Двигатели
  • Запчасти WEICHAI
  • Запчасти ЯМЗ, ТМЗ (V-образные)
  • Запчасти ЯМЗ-534, ЯМЗ-536
  • Запчасти ЯМЗ-650, ЯМЗ-651, DCi-11
  • Топливная аппаратура
  • Запчасти УРАЛ
  • Запчасти МАЗ
  • Запчасти КамАЗ
  • Запчасти ММЗ
  • Ремни
Автокаталог (справочник)
  • Доставка
  • Оплата
  • О компании
  • Контакты
8 (800) 700-35-68
Написать в Whatsapp
sales@din76.ru
Динамика 76
Меню  
  • Каталог
    • Двигатели  
      • Двигатели ТМЗ  
        • Двигатели ТМЗ для автомобилей
        • Двигатели ТМЗ для тракторов
        • Специальные двигатели ТМЗ
        • Промышленные двигатели ТМЗ
      • Двигатели ЯМЗ  
        • ЯМЗ 236
        • ЯМЗ 238
        • ЯМЗ 240
        • ЯМЗ 751
        • ЯМЗ 840
        • ЯМЗ 850
        • ЯМЗ 656
        • ЯМЗ 658
        • ЯМЗ 534
        • ЯМЗ 536
        • ЯМЗ 650
        • Двигатели ЯМЗ для электростанций
      • Двигатели КАМАЗ
      • Двигатели ММЗ
      • Двигатели индивидуальной сборки
      • Комплекты переоборудования
    • Запчасти WEICHAI  
      • Основные запчасти двигателя  
        • Клапаны и толкатели
        • Шатуны
        • Вал коленчатый и маховик
        • Вал распределительный
        • Цилиндро-поршневая группа
      • Система питания  
        • Форсунки
        • Турбокомпрессор
      • Система смазки  
        • Насос масляный
      • Головка блока
      • Ремкомплекты
      • Система охлаждения  
        • Насос водяной
        • Муфта вязкостная и крыльчатка
      • Фильтры
      • Электрооборудование  
        • Генератор
        • Стартер
    • Запчасти ЯМЗ, ТМЗ (V-образные)  
      • Основные запчасти двигателя  
        • Блок двигателя и комплектующие
        • Валы распределительные и клапаны
        • Головка блока и комплектующие
        • Цилиндро-поршневая группа
        • Маховики и комплектующие
        • Валы коленчатые и комплектующие
        • Шатуны и комплектующие
      • Система питания  
        • Коллекторы и патрубки
        • Топливные трубопроводы
        • Турбокомпрессор
        • Топливные фильтры
      • Электрооборудование двигателя
      • Система охлаждения  
        • Вязкостные муфты и крыльчатки
        • Приводы вентилятора
        • Водяные насосы
        • Водяные трубы и термостаты
      • Коробки переключения передач  
        • 8 Ступенчатые КПП
        • 5 Ступенчатые КПП
        • 9 Ступенчатые КПП
        • Запасные части КПП ЯМЗ, ТМЗ
      • Система смазки  
        • Теплообменник и комплектующие
        • Масляные насосы
        • Фильтры масляные (ФГОМ, ФЦОМ)
      • Сцепление  
        • Запасные части механизма сцепления
        • Муфты (подшипники выжимные)
        • Корзины (диски нажимные)
        • Диски ведомые
      • Прочие запчасти двигателя  
        • Ремкомплекты
        • Привод агрегатов
        • Натяжные устройства
        • Трубки
    • Запчасти ЯМЗ-534, ЯМЗ-536  
      • Основные запчасти двигателя  
        • Цилиндро-поршневая группа
        • Головка блока цилиндров и комплектующие
        • Блок цилиндров и комплектующие
        • Вал коленчатый и маховик
        • Вал распределительный
        • Клапаны и толкатели
        • ГУР (Гидроусилитель руля)
        • Система рециркуляции отработавших газов
        • Выпускной коллектор
      • Система питания  
        • Коллекторы и патрубки
        • Топливные фильтры
        • Турбокомпрессор
        • Топливные трубопроводы
      • Система смазки  
        • Масляный картер поддон
        • Масляный насос
        • Теплообменник /Водо-масляный радиатор
        • Фильтры масляные (ФГОМ, ФЦОМ)
      • Пневмокомпрессор и натяжное
      • Система охлаждения  
        • Водяной насос
        • Водяные трубы и патрубки
        • Муфты вязкостные, приводы, крыльчатки
      • Ремкомплекты
      • Сцепление
      • Электрооборудование
    • Запчасти ЯМЗ-650, ЯМЗ-651, DCi-11  
      • Основные запчасти двигателя  
        • Цилиндро-поршневая группа
        • Головка блока цилиндров и комплектующие
        • Блок цилиндров и комплектующие
        • Вал коленчатый и маховик
        • Выпускной коллектор
        • Вал распределительный
        • Клапаны и толкатели
        • ГУР (Гидроусилитель руля)
        • Система рециркуляции отработавших газов
      • Система питания  
        • Коллекторы и патрубки
        • Топливные трубопроводы
        • Топливные фильтры
        • Турбокомпрессор
      • Система смазки  
        • Масляный картер / поддон
        • Масляный насос
        • Теплообменник / Водо-масляный радиатор
        • Фильтры масляные (ФГОМ, ФЦОМ)
      • Система охлаждения  
        • Водяной насос
        • Водяные трубы и патрубки
        • Муфты вязкостные, приводы, крыльчатки
      • Ремкомплекты
      • Пневмокомпрессор и натяжное
      • Электрооборудование
      • Сцепление
    • Топливная аппаратура  
      • ЯЗДА  
        • Распылители
        • ТНВД
        • Форсунки
        • Топливный насос низкого давления
        • Пары плунжерные
        • Муфта опережения впрыска топлива
        • Запчасти и комплектующие ТНВД
      • НЗТА
      • АЗПИ  
        • Распылители
        • Форсунки
      • BOSCH
    • Запчасти УРАЛ  
      • Трансмиссия  
        • Коробка раздаточная
        • Передача карданная
        • Мост задний
        • Мост передний (ведущий)
        • Мост средний (промежуточный)
      • Кузов  
        • Дверь кабины
        • Капот, крылья, облицовка радиатора
        • Окно ветровое и заднее
        • Отопление и вентиляция кабины
        • Кабина
      • Механизмы управления  
        • Управление рулевое
        • Тормоза
      • Дополнительное оборудование  
        • Отбор мощности
        • Устройство седельное
      • Электрооборудование
      • Ходовая часть  
        • Колеса и ступицы
        • Ось передняя
        • Подвеска автомобиля
        • Рама
    • Запчасти МАЗ  
      • Трансмиссия  
        • Мост задний
        • Мост передний (ведущий)
        • Передача карданная
        • Мост средний (промежуточный)
      • Кузов  
        • Кабина
        • Дверь кабины
        • Детали основания кабины
        • Окно ветровое и заднее
        • Платформа
      • Механизмы управления  
        • Тормоза
        • Управление рулевое
      • Ходовая часть  
        • Колеса и ступицы
        • Ось передняя
        • Подвеска автомобиля
        • Рама
    • Запчасти КамАЗ  
      • Кузов  
        • Кабина
        • Капот, крылья, облицовка радиатора
        • Дверь кабины
        • Платформа
        • Окно ветровое и заднее
        • Устройство подъемное и опрокидывающее
        • Сиденье
        • Крыша кабины (крыша кузова)
        • Отопление и вентиляция кабины
      • Трансмиссия  
        • Коробка передач
        • Коробка раздаточная
        • Мост задний
        • Сцепление
        • Мост средний (промежуточный)
        • Передача карданная
        • Мост передний (ведущий)
      • Двигатель  
        • Основные запчасти двигателя
        • Система охлаждения
        • Система питания
        • Система смазки
      • Дополнительное оборудование  
        • Отбор мощности
        • Устройство седельное
      • Ходовая часть  
        • Подвеска автомобиля
        • Рама
        • Колеса и ступицы
        • Ось передняя
      • Механизмы управления  
        • Тормоза
        • Управление рулевое
      • Электрооборудование
    • Запчасти ММЗ
    • Ремни
  • Справочник
    • Грузовые автомобили
    • Автобусы
    • Сельхозтехника
    • Спецтехника
    • Двигатели
  • Как купить
    • Условия оплаты
    • Условия доставки
    • Гарантия на товар
    • Пункты выдачи
  • Услуги
    • Капитальный ремонт двигателей ЯМЗ
  • Акции
  • Статьи
  • Контакты
  • Компания
    • Реквизиты
    • Магазины
    • Оплата
    • Доставка
    • Лицензии и сертификаты
    • Новости
    • Вакансии
Избранное 0 Корзина 0
8-800-700-35-68

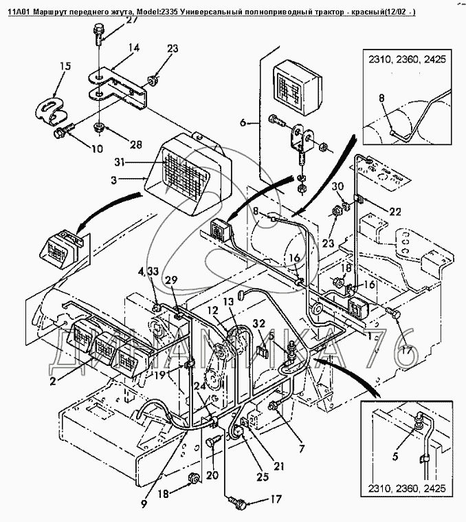
11A01 Маршрут переднего жгута на Versatile серии 2000 (до 2008 г.)

Справочник
Главная
-
Автокаталог
-
Сельхозтехника
-
Versatile
-
Versatile серии 2000
Справочный каталог

11A01 Маршрут переднего жгута — Versatile серии 2000:

1 2 3 4 4 4 5 5 6 7 8 8 9 9 9 10 12 13 14 15 16 16 17 17 18 18 19 20 21 22 23 23 24 25 27 28 29 30 31 32 33
в наличии
нет в наличии
масштаб

В наличии
Нет в наличии

Перечень комплектующих от 11A01 Маршрут переднего жгута на Versatile серии 2000

Схемы запчастей предназначены для справочных целей! Мы продаем не все запчасти от 11A01 Маршрут переднего жгута на Versatile серии 2000, представленные в этом списке.
Наличие на складах по деталям с ценой смотрите в карточке товара.
1
1
Артикул: 9821300
нет в наличии
Кронштейн звукового сигнала в сборе
Количество на схеме: 1
Информация
Кронштейн звукового сигнала в сборе
Количество
1
Подгруппа
9821
Порядковый номер детали
300
2
2
Артикул: 9707427
нет в наличии
Фара рабочая 3х5 левая
Количество на схеме: 2
Информация
Фара рабочая 3х5 левая
Количество
2
Подгруппа
9707
Порядковый номер детали
427
3
3
Артикул: 9707428
нет в наличии
Фара рабочая 3х5 правая
Количество на схеме: 2
Информация
Фара рабочая 3х5 правая
Количество
2
Подгруппа
9707
Порядковый номер детали
428
4
4
Артикул: 86018955
нет в наличии
Датчик уровня охлаждающей жидкости
Количество на схеме: 1
Информация
Датчик уровня охлаждающей жидкости
Количество
1
Группа
Механизм опрокидывающий платформы автомобиля-самосвала
Подгруппа
Надрамник платформы
Порядковый номер детали
895
4
4
Артикул: 86031593
нет в наличии
Датчик уровня охлаждающей жидкости
Количество на схеме: 1
Информация
Датчик уровня охлаждающей жидкости
Количество
1
Группа
Механизм опрокидывающий платформы автомобиля-самосвала
Подгруппа
Гидроподъемник
Порядковый номер детали
159
4
4
Артикул: 9706428
нет в наличии
Датчик уровня охлаждающей жидкости 3/8-16Ptf
Количество на схеме: 1
Информация
Датчик уровня охлаждающей жидкости 3/8-16Ptf
Количество
1
Подгруппа
9706
Порядковый номер детали
428
5
5
Артикул: 9673053
нет в наличии
Датчик магнитный
Количество на схеме: 1
Информация
Датчик магнитный
Количество
1
Подгруппа
9673
Порядковый номер детали
053
6
6
Артикул: 9706418
нет в наличии
Фара рабочая 4х6
Количество на схеме: 2
Информация
Фара рабочая 4х6
Количество
2
Подгруппа
9706
Порядковый номер детали
418
7
7
Артикул: 9672944
нет в наличии
Переключатель температуры 210 F
Количество на схеме: 1
Информация
Переключатель температуры 210 F
Количество
1
Подгруппа
9672
Порядковый номер детали
944
8
8
Артикул: V103356
нет в наличии
Датчик разряжения
Количество на схеме: 1
Информация
Датчик разряжения
Количество
1
Покрытие
без покрытия
9
9
Артикул: 86013882
нет в наличии
Жгут, двигатель N11 и 8.3 ltr
Количество на схеме: 1
Информация
Жгут, двигатель N11 и 8.3 ltr
Количество
1
Группа
Механизм опрокидывающий платформы автомобиля-самосвала
Подгруппа
Надрамник платформы
Порядковый номер детали
388
9
9
Артикул: 86018854
нет в наличии
Жгут, двигатель N14
Количество на схеме: 1
Информация
Жгут, двигатель N14
Количество
1
Группа
Механизм опрокидывающий платформы автомобиля-самосвала
Подгруппа
Надрамник платформы
Порядковый номер детали
885
9
9
Артикул: 86029887
нет в наличии
Жгут проводов двигателя QSM11
Количество на схеме: 1
Информация
Жгут проводов двигателя QSM11
Количество
1
Группа
Механизм опрокидывающий платформы автомобиля-самосвала
Подгруппа
8602
Порядковый номер детали
988
10
10
Артикул: 86511479
нет в наличии
Болт шестигранный FLG USR M 8 X 20 PL
Количество на схеме: 8
Информация
Болт шестигранный FLG USR M 8 X 20 PL
Количество
8
Группа
Механизм опрокидывающий платформы автомобиля-самосвала
Подгруппа
8651
Порядковый номер детали
147
12
12
Артикул: 9707484
нет в наличии
Переключатель - давление Nc 300/200 Psig L4WD
Количество на схеме: 1
Информация
Переключатель - давление Nc 300/200 Psig L4WD
Количество
1
Подгруппа
9707
Порядковый номер детали
484
13
13
Артикул: 9707483
нет в наличии
Переключатель, давление 40/4PSI
Количество на схеме: 1
Информация
Переключатель, давление 40/4PSI
Количество
1
Подгруппа
9707
Порядковый номер детали
483
14
14
Артикул: 86501123
нет в наличии
Крепление фонаря
Количество на схеме: 4
Информация
Крепление фонаря
Количество
4
Группа
Механизм опрокидывающий платформы автомобиля-самосвала
Подгруппа
8650
Порядковый номер детали
112
15
15
Артикул: 86501124
нет в наличии
Зажим крепления фонаря
Количество на схеме: 4
Информация
Зажим крепления фонаря
Количество
4
Группа
Механизм опрокидывающий платформы автомобиля-самосвала
Подгруппа
8650
Порядковый номер детали
112
16
16
Артикул: 86511954
нет в наличии
Хомут 1 1/16
Количество на схеме: 3
Информация
Хомут 1 1/16
Количество
3
Группа
Механизм опрокидывающий платформы автомобиля-самосвала
Подгруппа
8651
Порядковый номер детали
195
17
17
Артикул: 9840672
нет в наличии
Болт M10x1.50x30
Количество на схеме: 2
Информация
Болт M10x1.50x30
Количество
2
Подгруппа
9840
Порядковый номер детали
672
18
18
Артикул: 86050279
нет в наличии
Гайка шестигранная M10 класс 10 PL
Количество на схеме: 2
Информация
Гайка шестигранная M10 класс 10 PL
Количество
2
Группа
Механизм опрокидывающий платформы автомобиля-самосвала
Подгруппа
8605
Порядковый номер детали
027
19
19
Артикул: 86050307
нет в наличии
Р-образный зажим с покрытием o 0,75 двойной
Количество на схеме: 2
Информация
Р-образный зажим с покрытием o 0,75 двойной
Количество
2
Группа
Механизм опрокидывающий платформы автомобиля-самосвала
Подгруппа
8605
Порядковый номер детали
030
20
20
Артикул: 86511953
нет в наличии
Болт шестигранный FLG USR M 6 X 25 PL
Количество на схеме: 2
Информация
Болт шестигранный FLG USR M 6 X 25 PL
Количество
2
Группа
Механизм опрокидывающий платформы автомобиля-самосвала
Подгруппа
8651
Порядковый номер детали
195
21
21
Артикул: 86012004
нет в наличии
Гайка М6
Количество на схеме: 2
Информация
Гайка М6
Количество
2
Группа
Механизм опрокидывающий платформы автомобиля-самосвала
Подгруппа
Надрамник платформы
Порядковый номер детали
200
22
22
Артикул: 9706732
нет в наличии
Хомут 3/4dm
Количество на схеме: 1
Информация
Хомут 3/4dm
Количество
1
Подгруппа
9706
Порядковый номер детали
732
23
23
Артикул: 86507066
нет в наличии
Гайка шестигранная FLG M8 класс 10 PL
Количество на схеме: 9
Информация
Гайка шестигранная FLG M8 класс 10 PL
Количество
9
Группа
Механизм опрокидывающий платформы автомобиля-самосвала
Подгруппа
8650
Порядковый номер детали
706
24
24
Артикул: 9672530
нет в наличии
Хомут 0.50dm
Количество на схеме: 1
Информация
Хомут 0.50dm
Количество
1
Подгруппа
9672
Порядковый номер детали
530
25
25
Артикул: 9843767
нет в наличии
Реле пуска 75 А
Количество на схеме: 1
Информация
Реле пуска 75 А
Количество
1
Подгруппа
9843
Порядковый номер детали
767
27
27
Артикул: 86511481
нет в наличии
Болт шестигранный FLG M 8 X 50 8.8PL
Количество на схеме: 4
Информация
Болт шестигранный FLG M 8 X 50 8.8PL
Количество
4
Группа
Механизм опрокидывающий платформы автомобиля-самосвала
Подгруппа
8651
Порядковый номер детали
148
28
28
Артикул: 86505868
нет в наличии
Гайка шестигранная USR M 8 PL
Количество на схеме: 4
Информация
Гайка шестигранная USR M 8 PL
Количество
4
Группа
Механизм опрокидывающий платформы автомобиля-самосвала
Подгруппа
8650
Порядковый номер детали
586
29
29
Артикул: 86050266
нет в наличии
Хомут 3/8
Количество на схеме: 1
Информация
Хомут 3/8
Количество
1
Группа
Механизм опрокидывающий платформы автомобиля-самосвала
Подгруппа
8605
Порядковый номер детали
026
30
30
Артикул: 43730
нет в наличии
Шайба М8
Количество на схеме: 1
Информация
Шайба М8
Количество
1
31
31
Артикул: 86507528
нет в наличии
Фонарь 50Вт, 3х5
Количество на схеме: 1
Информация
Фонарь 50Вт, 3х5
Количество
1
Группа
Механизм опрокидывающий платформы автомобиля-самосвала
Подгруппа
8650
Порядковый номер детали
752
32
32
Артикул: V33721
нет в наличии
Хомут 7/8dm
Количество на схеме: 1
Информация
Хомут 7/8dm
Количество
1
33
33
Артикул: V20399
нет в наличии
Фитинг 3/8NPTx1/4FNPT
Количество на схеме: 1
Информация
Фитинг 3/8NPTx1/4FNPT
Количество
1
  • Грузовые автомобили
  • Автобусы
  • Сельхозтехника
  • Спецтехника
  • Двигатели
Получить оптовый прайс-лист
Скачать прайс-лист от 26.05.2026 08:00
Специальное предложение от 25.05.2026 17:00
Производители:


  • WEICHAI
  • Автодизель ПАО (ЯМЗ)
  • Тутаевский МЗ
  • ЯЗДА
  • УралАЗ
  • МАЗ
  • АЗПИ
  • BOSCH
  • ММЗ
  • ШААЗ
  • FEDERAL MOGUL
  • ПРАМО
  • Мотордеталь
  • ТАИМ
  • АвтоКрАЗ
  • БЕЛКАРД
  • CZ Strakonice
  • КамАЗ
  • БЗА
  • ЧМЗ
  • BMZ
Новости
Все новости
25 марта 2024
Флагманский седельный тягач «Валдай 45» на выставке «TransRussia»
10 марта 2024
Современные автобусы «CITYMAX 9» и ЛиАЗ-5292 CNG
25 февраля 2024
Серийное производство средних дизельных двигателей повышенной мощности от ЯМЗ
Статьи
Все статьи
Датчики двигателя: за что они отвечают, признаки неисправности и как не прогадать с выбором
Двигатели ЯМЗ-534: история, технические характеристики и области применения
Двигатели ЯМЗ 650: углублённый технический обзор и история
Компания
О компании
Реквизиты
Новости
Политика
Магазины
Информация
Условия оплаты
Условия доставки
Гарантия на товар
Обмен и возврат товара
Помощь
Как оформить заказ
Полезные статьи
Бренды
Пункты выдачи
Оставайтесь на связи
  • Вконтакте
  • YouTube
  • Одноклассники
  • Google Plus
Увидели ошибку?
Выделите, нажав Ctrl + Enter
Наши контакты
8-800-700-35-68
sales@din76.ru
г. Ярославль, Ленинградский пр-т 33, ТЦ "ОМЕГА"
2026 © ООО «Динамика 76» - Все права защищены ООО "Динамика 76"
Предложения на сайте не являются публичной офертой.
На сайте обнаружена ошибка

Текст с ошибкой