Избранное 0 Корзина 0 Личный кабинет
logo
Каталог
Каталог
  • Справочник
    • Грузовые автомобили
    • Автобусы
    • Сельхозтехника
    • Спецтехника
    • Двигатели
  • Доставка
  • Оплата
  • О компании
    • Реквизиты
    • Магазины
    • Оплата
    • Доставка
    • Лицензии и сертификаты
    • Новости
    • Вакансии
  • Контакты
Отправить заявку
Личный кабинет
8 (800) 700-35-68
sales@din76.ru
Избранное 0 Корзина 0
8 (800) 700-35-68
Оптовый прайс-лист
Каталог
  • Двигатели
  • Запчасти WEICHAI
  • Запчасти ЯМЗ, ТМЗ (V-образные)
  • Запчасти ЯМЗ-534, ЯМЗ-536
  • Запчасти ЯМЗ-650, ЯМЗ-651, DCi-11
  • Топливная аппаратура
  • Запчасти УРАЛ
  • Запчасти МАЗ
  • Запчасти КамАЗ
  • Запчасти ММЗ
  • Ремни
Автокаталог (справочник)
  • Доставка
  • Оплата
  • О компании
  • Контакты
8 (800) 700-35-68
Написать в Whatsapp
sales@din76.ru
Динамика 76
Меню  
  • Каталог
    • Двигатели  
      • Двигатели ТМЗ  
        • Двигатели ТМЗ для автомобилей
        • Двигатели ТМЗ для тракторов
        • Специальные двигатели ТМЗ
        • Промышленные двигатели ТМЗ
      • Двигатели ЯМЗ  
        • ЯМЗ 236
        • ЯМЗ 238
        • ЯМЗ 240
        • ЯМЗ 751
        • ЯМЗ 840
        • ЯМЗ 850
        • ЯМЗ 656
        • ЯМЗ 658
        • ЯМЗ 534
        • ЯМЗ 536
        • ЯМЗ 650
        • Двигатели ЯМЗ для электростанций
      • Двигатели КАМАЗ
      • Двигатели ММЗ
      • Двигатели индивидуальной сборки
      • Комплекты переоборудования
    • Запчасти WEICHAI  
      • Основные запчасти двигателя  
        • Клапаны и толкатели
        • Шатуны
        • Вал коленчатый и маховик
        • Вал распределительный
        • Цилиндро-поршневая группа
      • Система питания  
        • Форсунки
        • Турбокомпрессор
      • Система смазки  
        • Насос масляный
      • Головка блока
      • Ремкомплекты
      • Система охлаждения  
        • Насос водяной
        • Муфта вязкостная и крыльчатка
      • Фильтры
      • Электрооборудование  
        • Генератор
        • Стартер
    • Запчасти ЯМЗ, ТМЗ (V-образные)  
      • Основные запчасти двигателя  
        • Блок двигателя и комплектующие
        • Валы распределительные и клапаны
        • Головка блока и комплектующие
        • Цилиндро-поршневая группа
        • Маховики и комплектующие
        • Валы коленчатые и комплектующие
        • Шатуны и комплектующие
      • Система питания  
        • Коллекторы и патрубки
        • Топливные трубопроводы
        • Турбокомпрессор
        • Топливные фильтры
      • Электрооборудование двигателя
      • Система охлаждения  
        • Вязкостные муфты и крыльчатки
        • Приводы вентилятора
        • Водяные насосы
        • Водяные трубы и термостаты
      • Коробки переключения передач  
        • 8 Ступенчатые КПП
        • 5 Ступенчатые КПП
        • 9 Ступенчатые КПП
        • Запасные части КПП ЯМЗ, ТМЗ
      • Система смазки  
        • Теплообменник и комплектующие
        • Масляные насосы
        • Фильтры масляные (ФГОМ, ФЦОМ)
      • Сцепление  
        • Запасные части механизма сцепления
        • Муфты (подшипники выжимные)
        • Корзины (диски нажимные)
        • Диски ведомые
      • Прочие запчасти двигателя  
        • Ремкомплекты
        • Привод агрегатов
        • Натяжные устройства
        • Трубки
    • Запчасти ЯМЗ-534, ЯМЗ-536  
      • Основные запчасти двигателя  
        • Цилиндро-поршневая группа
        • Головка блока цилиндров и комплектующие
        • Блок цилиндров и комплектующие
        • Вал коленчатый и маховик
        • Вал распределительный
        • Клапаны и толкатели
        • ГУР (Гидроусилитель руля)
        • Система рециркуляции отработавших газов
        • Выпускной коллектор
      • Система питания  
        • Коллекторы и патрубки
        • Топливные фильтры
        • Турбокомпрессор
        • Топливные трубопроводы
      • Система смазки  
        • Масляный картер поддон
        • Масляный насос
        • Теплообменник /Водо-масляный радиатор
        • Фильтры масляные (ФГОМ, ФЦОМ)
      • Пневмокомпрессор и натяжное
      • Система охлаждения  
        • Водяной насос
        • Водяные трубы и патрубки
        • Муфты вязкостные, приводы, крыльчатки
      • Ремкомплекты
      • Сцепление
      • Электрооборудование
    • Запчасти ЯМЗ-650, ЯМЗ-651, DCi-11  
      • Основные запчасти двигателя  
        • Цилиндро-поршневая группа
        • Головка блока цилиндров и комплектующие
        • Блок цилиндров и комплектующие
        • Вал коленчатый и маховик
        • Выпускной коллектор
        • Вал распределительный
        • Клапаны и толкатели
        • ГУР (Гидроусилитель руля)
        • Система рециркуляции отработавших газов
      • Система питания  
        • Коллекторы и патрубки
        • Топливные трубопроводы
        • Топливные фильтры
        • Турбокомпрессор
      • Система смазки  
        • Масляный картер / поддон
        • Масляный насос
        • Теплообменник / Водо-масляный радиатор
        • Фильтры масляные (ФГОМ, ФЦОМ)
      • Система охлаждения  
        • Водяной насос
        • Водяные трубы и патрубки
        • Муфты вязкостные, приводы, крыльчатки
      • Ремкомплекты
      • Пневмокомпрессор и натяжное
      • Электрооборудование
      • Сцепление
    • Топливная аппаратура  
      • ЯЗДА  
        • Распылители
        • ТНВД
        • Форсунки
        • Топливный насос низкого давления
        • Пары плунжерные
        • Муфта опережения впрыска топлива
        • Запчасти и комплектующие ТНВД
      • НЗТА
      • АЗПИ  
        • Распылители
        • Форсунки
      • BOSCH
    • Запчасти УРАЛ  
      • Трансмиссия  
        • Коробка раздаточная
        • Передача карданная
        • Мост задний
        • Мост передний (ведущий)
        • Мост средний (промежуточный)
      • Кузов  
        • Дверь кабины
        • Капот, крылья, облицовка радиатора
        • Окно ветровое и заднее
        • Отопление и вентиляция кабины
        • Кабина
      • Механизмы управления  
        • Управление рулевое
        • Тормоза
      • Дополнительное оборудование  
        • Отбор мощности
        • Устройство седельное
      • Электрооборудование
      • Ходовая часть  
        • Колеса и ступицы
        • Ось передняя
        • Подвеска автомобиля
        • Рама
    • Запчасти МАЗ  
      • Трансмиссия  
        • Мост задний
        • Мост передний (ведущий)
        • Передача карданная
        • Мост средний (промежуточный)
      • Кузов  
        • Кабина
        • Дверь кабины
        • Детали основания кабины
        • Окно ветровое и заднее
        • Платформа
      • Механизмы управления  
        • Тормоза
        • Управление рулевое
      • Ходовая часть  
        • Колеса и ступицы
        • Ось передняя
        • Подвеска автомобиля
        • Рама
    • Запчасти КамАЗ  
      • Кузов  
        • Кабина
        • Капот, крылья, облицовка радиатора
        • Дверь кабины
        • Платформа
        • Окно ветровое и заднее
        • Устройство подъемное и опрокидывающее
        • Сиденье
        • Крыша кабины (крыша кузова)
        • Отопление и вентиляция кабины
      • Трансмиссия  
        • Коробка передач
        • Коробка раздаточная
        • Мост задний
        • Сцепление
        • Мост средний (промежуточный)
        • Передача карданная
        • Мост передний (ведущий)
      • Двигатель  
        • Основные запчасти двигателя
        • Система охлаждения
        • Система питания
        • Система смазки
      • Дополнительное оборудование  
        • Отбор мощности
        • Устройство седельное
      • Ходовая часть  
        • Подвеска автомобиля
        • Рама
        • Колеса и ступицы
        • Ось передняя
      • Механизмы управления  
        • Тормоза
        • Управление рулевое
      • Электрооборудование
    • Запчасти ММЗ
    • Ремни
  • Справочник
    • Грузовые автомобили
    • Автобусы
    • Сельхозтехника
    • Спецтехника
    • Двигатели
  • Как купить
    • Условия оплаты
    • Условия доставки
    • Гарантия на товар
    • Пункты выдачи
  • Услуги
    • Капитальный ремонт двигателей ЯМЗ
  • Акции
  • Статьи
  • Контакты
  • Компания
    • Реквизиты
    • Магазины
    • Оплата
    • Доставка
    • Лицензии и сертификаты
    • Новости
    • Вакансии
Избранное 0 Корзина 0
8-800-700-35-68

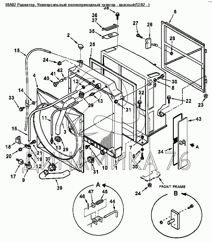
08A02 Радиатор на Versatile серии 2000 (до 2008 г.)

Справочник
Главная
-
Автокаталог
-
Сельхозтехника
-
Versatile
-
Versatile серии 2000
Справочный каталог

08A02 Радиатор — Versatile серии 2000:

86012069 86030400 86505868 1 1 2 3 4 4 6 6 7 8 8 9 10 11 12 12 13 13 14 15 16 17 18 19 20 21 22 23 23 24 24 25 26 27 28 29 29 30 30 31 31 31 32 33 34 35 36 37 38 39 40 41 42 43 44 45 46 47
в наличии
нет в наличии
масштаб

В наличии
Нет в наличии

Перечень комплектующих от 08A02 Радиатор на Versatile серии 2000

Схемы запчастей предназначены для справочных целей! Мы продаем не все запчасти от 08A02 Радиатор на Versatile серии 2000, представленные в этом списке.
Наличие на складах по деталям с ценой смотрите в карточке товара.
Артикул: 86012069
нет в наличии
U гайка М12
Количество на схеме: 4
Информация
U гайка М12
Количество
4
Группа
Механизм опрокидывающий платформы автомобиля-самосвала
Подгруппа
Надрамник платформы
Порядковый номер детали
206
Артикул: 86030400
нет в наличии
Поддерживающая рамка радиатора WA
Количество на схеме: 1
Информация
Поддерживающая рамка радиатора WA
Количество
1
Группа
Механизм опрокидывающий платформы автомобиля-самосвала
Подгруппа
Гидроподъемник
Порядковый номер детали
040
Артикул: 86505868
нет в наличии
Гайка шестигранная USR M 8 PL
Количество на схеме: 8
Информация
Гайка шестигранная USR M 8 PL
Количество
8
Группа
Механизм опрокидывающий платформы автомобиля-самосвала
Подгруппа
8650
Порядковый номер детали
586
1
1
Артикул: 86029737
нет в наличии
Радиатор
Количество на схеме: 1
Информация
Радиатор
Количество
1
Группа
Механизм опрокидывающий платформы автомобиля-самосвала
Подгруппа
8602
Порядковый номер детали
973
1
1
Артикул: 86030368
нет в наличии
Радиатор 6-рядный
Количество на схеме: 1
Информация
Радиатор 6-рядный
Количество
1
Группа
Механизм опрокидывающий платформы автомобиля-самосвала
Подгруппа
Гидроподъемник
Порядковый номер детали
036
2
2
Артикул: 86024961
нет в наличии
Крышка - радиатор 14 PSI
Количество на схеме: 1
Информация
Крышка - радиатор 14 PSI
Количество
1
Группа
Механизм опрокидывающий платформы автомобиля-самосвала
Подгруппа
8602
Порядковый номер детали
496
3
3
Артикул: 86029904
нет в наличии
Шланг 2.25 радиатора QSM верхний
Количество на схеме: 1
Информация
Шланг 2.25 радиатора QSM верхний
Количество
1
Группа
Механизм опрокидывающий платформы автомобиля-самосвала
Подгруппа
8602
Порядковый номер детали
990
4
4
Артикул: 86030029
нет в наличии
Кожух двигателя вентилятора, 33dm, QSM 11 - 375hp
Количество на схеме: 1
Информация
Кожух двигателя вентилятора, 33dm, QSM 11 - 375hp
Количество
1
Группа
Механизм опрокидывающий платформы автомобиля-самосвала
Подгруппа
Гидроподъемник
Порядковый номер детали
002
4
4
Артикул: 86030473
нет в наличии
Кожух двигателя вентилятора, 33dm, QSM 11 - 290-335hp
Количество на схеме: 1
Информация
Кожух двигателя вентилятора, 33dm, QSM 11 - 290-335hp
Количество
1
Группа
Механизм опрокидывающий платформы автомобиля-самосвала
Подгруппа
Гидроподъемник
Порядковый номер детали
047
6
6
Артикул: 86030251
нет в наличии
Рама крепления радиатора
Количество на схеме: 1
Информация
Рама крепления радиатора
Количество
1
Группа
Механизм опрокидывающий платформы автомобиля-самосвала
Подгруппа
Гидроподъемник
Порядковый номер детали
025
6
6
Артикул: 86030390
нет в наличии
Рама охладителя
Количество на схеме: 1
Информация
Рама охладителя
Количество
1
Группа
Механизм опрокидывающий платформы автомобиля-самосвала
Подгруппа
Гидроподъемник
Порядковый номер детали
039
7
7
Артикул: 86012244
нет в наличии
Установочная гайка
Количество на схеме: 4
Информация
Установочная гайка
Количество
4
Группа
Механизм опрокидывающий платформы автомобиля-самосвала
Подгруппа
Надрамник платформы
Порядковый номер детали
224
8
8
Артикул: 9672283
нет в наличии
Шайба 0.500x1.625x0.095 Pl, сталь
Количество на схеме: 4
Информация
Шайба 0.500x1.625x0.095 Pl, сталь
Количество
4
Подгруппа
9672
Порядковый номер детали
283
9
9
Артикул: 9790664
нет в наличии
Фитинг, 90 3/4x3/4mnpt
Количество на схеме: 1
Информация
Фитинг, 90 3/4x3/4mnpt
Количество
1
Подгруппа
9790
Порядковый номер детали
664
10
10
Артикул: 9672304
нет в наличии
Пробка дренажная, диам.внут.3/8dm 1/4nptf
Количество на схеме: 1
Информация
Пробка дренажная, диам.внут.3/8dm 1/4nptf
Количество
1
Подгруппа
9672
Порядковый номер детали
304
11
11
Артикул: 86030316
нет в наличии
Шланг армированный волокном 0.18 X 620
Количество на схеме: 1
Информация
Шланг армированный волокном 0.18 X 620
Количество
1
Группа
Механизм опрокидывающий платформы автомобиля-самосвала
Подгруппа
Гидроподъемник
Порядковый номер детали
031
12
12
Артикул: 514920
нет в наличии
Хомут 0.813-1.5dm
Количество на схеме: 2
Информация
Хомут 0.813-1.5dm
Количество
2
Покрытие
без покрытия
13
13
Артикул: 86505942
нет в наличии
Шланговое соединение 3/16x1/8NPTF
Количество на схеме: 2
Информация
Шланговое соединение 3/16x1/8NPTF
Количество
2
Группа
Механизм опрокидывающий платформы автомобиля-самосвала
Подгруппа
8650
Порядковый номер детали
594
14
14
Артикул: 86505938
нет в наличии
Шайба 0.406X1.375X0.083 PL
Количество на схеме: 8
Информация
Шайба 0.406X1.375X0.083 PL
Количество
8
Группа
Механизм опрокидывающий платформы автомобиля-самосвала
Подгруппа
8650
Порядковый номер детали
593
15
15
Артикул: 9672949
нет в наличии
Рукав 5/16dmх1600мм 30r6
Количество на схеме: 1
Информация
Рукав 5/16dmх1600мм 30r6
Количество
1
Подгруппа
9672
Порядковый номер детали
949
16
16
Артикул: 9790674
нет в наличии
Трубка 3/4dmх1100мм
Количество на схеме: 1
Информация
Трубка 3/4dmх1100мм
Количество
1
Подгруппа
9790
Порядковый номер детали
674
17
17
Артикул: V18933
нет в наличии
Адаптер гидросистемы 1.0swmnpt 3/4fnpt
Количество на схеме: 1
Информация
Адаптер гидросистемы 1.0swmnpt 3/4fnpt
Количество
1
18
18
Артикул: V30426
нет в наличии
Кронштейн
Количество на схеме: 1
Информация
Кронштейн
Количество
1
19
19
Артикул: 9671028
нет в наличии
Хомут 1.50dm
Количество на схеме: 1
Информация
Хомут 1.50dm
Количество
1
Подгруппа
9671
Порядковый номер детали
028
20
20
Артикул: 86511444
нет в наличии
Гайка шестигранная FLG USR M 6 PL
Количество на схеме: 2
Информация
Гайка шестигранная FLG USR M 6 PL
Количество
2
Группа
Механизм опрокидывающий платформы автомобиля-самосвала
Подгруппа
8651
Порядковый номер детали
144
21
21
Артикул: 86511442
нет в наличии
Болт шестигранный FLG USR M 6x20 PL
Количество на схеме: 1
Информация
Болт шестигранный FLG USR M 6x20 PL
Количество
1
Группа
Механизм опрокидывающий платформы автомобиля-самосвала
Подгруппа
8651
Порядковый номер детали
144
22
22
Артикул: 355788
нет в наличии
Болт M10x1.5x70 Cl-10.9
Количество на схеме: 2
Информация
Болт M10x1.5x70 Cl-10.9
Количество
2
Покрытие
без покрытия
23
23
Артикул: 412141
нет в наличии
Контргайка M10 Cl-8 Pl
Количество на схеме: 2
Информация
Контргайка M10 Cl-8 Pl
Количество
2
Покрытие
без покрытия
23
23
Артикул: 86514720
нет в наличии
Контргайка с нейлоновой вставкой M10 CLASS10PL
Количество на схеме: 6
Информация
Контргайка с нейлоновой вставкой M10 CLASS10PL
Количество
6
Группа
Механизм опрокидывающий платформы автомобиля-самосвала
Подгруппа
8651
Порядковый номер детали
472
24
24
Артикул: 43436
нет в наличии
Гайка M12 Usr Pl
Количество на схеме: 6
Информация
Гайка M12 Usr Pl
Количество
6
25
25
Артикул: 9704114
нет в наличии
Уплотнение радиатора, неопрен
Количество на схеме: 1
Информация
Уплотнение радиатора, неопрен
Количество
1
Подгруппа
9704
Порядковый номер детали
114
26
26
Артикул: 86021834
нет в наличии
Затвор решетки
Количество на схеме: 1
Информация
Затвор решетки
Количество
1
Группа
Механизм опрокидывающий платформы автомобиля-самосвала
Подгруппа
8602
Порядковый номер детали
183
27
27
Артикул: 86050281
нет в наличии
Болт шестигранный FLG USR M 6x30 PL
Количество на схеме: 2
Информация
Болт шестигранный FLG USR M 6x30 PL
Количество
2
Группа
Механизм опрокидывающий платформы автомобиля-самосвала
Подгруппа
8605
Порядковый номер детали
028
28
28
Артикул: 86511444
нет в наличии
Гайка шестигранная FLG USR M 6 PL
Количество на схеме: 2
Информация
Гайка шестигранная FLG USR M 6 PL
Количество
2
Группа
Механизм опрокидывающий платформы автомобиля-самосвала
Подгруппа
8651
Порядковый номер детали
144
29
29
Артикул: 82012728
нет в наличии
Хомут
Количество на схеме: 2
Информация
Хомут
Количество
2
Группа
Принадлежности кабины
Подгруппа
Зеркало заднего вида
Порядковый номер детали
272
30
30
Артикул: 9706693
нет в наличии
Болт M12x60 Cl-8.8
Количество на схеме: 4
Информация
Болт M12x60 Cl-8.8
Количество
4
Подгруппа
9706
Порядковый номер детали
693
31
31
Артикул: 82012729
нет в наличии
Хомут
Количество на схеме: 2
Информация
Хомут
Количество
2
Группа
Принадлежности кабины
Подгруппа
Зеркало заднего вида
Порядковый номер детали
272
32
32
Артикул: 9804268
нет в наличии
Болт M12x40 Cl-8.8
Количество на схеме: 4
Информация
Болт M12x40 Cl-8.8
Количество
4
Подгруппа
9804
Порядковый номер детали
268
33
33
Артикул: 86050286
нет в наличии
Болт шестигранный FLG HVY M10x1.5x20
Количество на схеме: 8
Информация
Болт шестигранный FLG HVY M10x1.5x20
Количество
8
Группа
Механизм опрокидывающий платформы автомобиля-самосвала
Подгруппа
8605
Порядковый номер детали
028
34
34
Артикул: 86030335
нет в наличии
Резиновый уплотнитель двери
Количество на схеме: 2
Информация
Резиновый уплотнитель двери
Количество
2
Группа
Механизм опрокидывающий платформы автомобиля-самосвала
Подгруппа
Гидроподъемник
Порядковый номер детали
033
35
35
Артикул: 86030329
нет в наличии
Уплотнение, резина
Количество на схеме: 2
Информация
Уплотнение, резина
Количество
2
Группа
Механизм опрокидывающий платформы автомобиля-самосвала
Подгруппа
Гидроподъемник
Порядковый номер детали
032
36
36
Артикул: 86030327
нет в наличии
Резиновый уплотнитель рамы, левый
Количество на схеме: 1
Информация
Резиновый уплотнитель рамы, левый
Количество
1
Группа
Механизм опрокидывающий платформы автомобиля-самосвала
Подгруппа
Гидроподъемник
Порядковый номер детали
032
37
37
Артикул: 86030328
нет в наличии
Резиновый уплотнитель рамы, правый
Количество на схеме: 1
Информация
Резиновый уплотнитель рамы, правый
Количество
1
Группа
Механизм опрокидывающий платформы автомобиля-самосвала
Подгруппа
Гидроподъемник
Порядковый номер детали
032
38
38
Артикул: 120104
нет в наличии
Болт M8х20 8.8Plt
Количество на схеме: 8
Информация
Болт M8х20 8.8Plt
Количество
8
Покрытие
без покрытия
39
39
Артикул: 86029903
нет в наличии
Шланг 2.50 радиатора QSM нижний
Количество на схеме: 1
Информация
Шланг 2.50 радиатора QSM нижний
Количество
1
Группа
Механизм опрокидывающий платформы автомобиля-самосвала
Подгруппа
8602
Порядковый номер детали
990
40
40
Артикул: 86000756
нет в наличии
С'ёмник смотрового стекла радиатора
Количество на схеме: 1
Информация
С'ёмник смотрового стекла радиатора
Количество
1
Группа
Механизм опрокидывающий платформы автомобиля-самосвала
Подгруппа
8600
Порядковый номер детали
075
41
41
Артикул: 86000754
нет в наличии
Смотровое стекло охлаждающей жидкости радиатора
Количество на схеме: 1
Информация
Смотровое стекло охлаждающей жидкости радиатора
Количество
1
Группа
Механизм опрокидывающий платформы автомобиля-самосвала
Подгруппа
8600
Порядковый номер детали
075
42
42
Артикул: 86000755
нет в наличии
Кольцо уплотнительное
Количество на схеме: 1
Информация
Кольцо уплотнительное
Количество
1
Группа
Механизм опрокидывающий платформы автомобиля-самосвала
Подгруппа
8600
Порядковый номер детали
075
43
43
Артикул: 86030014
нет в наличии
Боковая пластина крышки, сварная
Количество на схеме: 2
Информация
Боковая пластина крышки, сварная
Количество
2
Группа
Механизм опрокидывающий платформы автомобиля-самосвала
Подгруппа
Гидроподъемник
Порядковый номер детали
001
44
44
Артикул: 86030126
нет в наличии
Стопорный штифт
Количество на схеме: 2
Информация
Стопорный штифт
Количество
2
Группа
Механизм опрокидывающий платформы автомобиля-самосвала
Подгруппа
Гидроподъемник
Порядковый номер детали
012
45
45
Артикул: 86030132
нет в наличии
Нажимная пружина, внеш. O 12,7, длина 38,1
Количество на схеме: 2
Информация
Нажимная пружина, внеш. O 12,7, длина 38,1
Количество
2
Группа
Механизм опрокидывающий платформы автомобиля-самосвала
Подгруппа
Гидроподъемник
Порядковый номер детали
013
46
46
Артикул: 130004
нет в наличии
Скрепка 3.2x25мм
Количество на схеме: 2
Информация
Скрепка 3.2x25мм
Количество
2
Покрытие
без покрытия
47
47
Артикул: 140017
нет в наличии
Шайба 11.43x20.00x2.000 Pl, сталь
Количество на схеме: 2
Информация
Шайба 11.43x20.00x2.000 Pl, сталь
Количество
2
Покрытие
без покрытия
  • Грузовые автомобили
  • Автобусы
  • Сельхозтехника
  • Спецтехника
  • Двигатели
Получить оптовый прайс-лист
Скачать прайс-лист от 26.05.2026 08:00
Специальное предложение от 25.05.2026 17:00
Производители:


  • WEICHAI
  • Автодизель ПАО (ЯМЗ)
  • Тутаевский МЗ
  • ЯЗДА
  • УралАЗ
  • МАЗ
  • АЗПИ
  • BOSCH
  • ММЗ
  • ШААЗ
  • FEDERAL MOGUL
  • ПРАМО
  • Мотордеталь
  • ТАИМ
  • АвтоКрАЗ
  • БЕЛКАРД
  • CZ Strakonice
  • КамАЗ
  • БЗА
  • ЧМЗ
  • BMZ
Новости
Все новости
25 марта 2024
Флагманский седельный тягач «Валдай 45» на выставке «TransRussia»
10 марта 2024
Современные автобусы «CITYMAX 9» и ЛиАЗ-5292 CNG
25 февраля 2024
Серийное производство средних дизельных двигателей повышенной мощности от ЯМЗ
Статьи
Все статьи
Датчики двигателя: за что они отвечают, признаки неисправности и как не прогадать с выбором
Двигатели ЯМЗ-534: история, технические характеристики и области применения
Двигатели ЯМЗ 650: углублённый технический обзор и история
Компания
О компании
Реквизиты
Новости
Политика
Магазины
Информация
Условия оплаты
Условия доставки
Гарантия на товар
Обмен и возврат товара
Помощь
Как оформить заказ
Полезные статьи
Бренды
Пункты выдачи
Оставайтесь на связи
  • Вконтакте
  • YouTube
  • Одноклассники
  • Google Plus
Увидели ошибку?
Выделите, нажав Ctrl + Enter
Наши контакты
8-800-700-35-68
sales@din76.ru
г. Ярославль, Ленинградский пр-т 33, ТЦ "ОМЕГА"
2026 © ООО «Динамика 76» - Все права защищены ООО "Динамика 76"
Предложения на сайте не являются публичной офертой.
На сайте обнаружена ошибка

Текст с ошибкой