Избранное 0 Корзина 0 Личный кабинет
logo
Каталог
Каталог
  • Справочник
    • Грузовые автомобили
    • Автобусы
    • Сельхозтехника
    • Спецтехника
    • Двигатели
  • Доставка
  • Оплата
  • О компании
    • Реквизиты
    • Магазины
    • Оплата
    • Доставка
    • Лицензии и сертификаты
    • Новости
    • Вакансии
  • Контакты
Отправить заявку
Личный кабинет
8 (800) 700-35-68
sales@din76.ru
Избранное 0 Корзина 0
8 (800) 700-35-68
Оптовый прайс-лист
Каталог
  • Двигатели
  • Запчасти WEICHAI
  • Запчасти ЯМЗ, ТМЗ (V-образные)
  • Запчасти ЯМЗ-534, ЯМЗ-536
  • Запчасти ЯМЗ-650, ЯМЗ-651, DCi-11
  • Топливная аппаратура
  • Запчасти УРАЛ
  • Запчасти МАЗ
  • Запчасти КамАЗ
  • Запчасти ММЗ
  • Ремни
Автокаталог (справочник)
  • Доставка
  • Оплата
  • О компании
  • Контакты
8 (800) 700-35-68
Написать в Whatsapp
sales@din76.ru
Динамика 76
Меню  
  • Каталог
    • Двигатели  
      • Двигатели ТМЗ  
        • Двигатели ТМЗ для автомобилей
        • Двигатели ТМЗ для тракторов
        • Специальные двигатели ТМЗ
        • Промышленные двигатели ТМЗ
      • Двигатели ЯМЗ  
        • ЯМЗ 236
        • ЯМЗ 238
        • ЯМЗ 240
        • ЯМЗ 751
        • ЯМЗ 840
        • ЯМЗ 850
        • ЯМЗ 656
        • ЯМЗ 658
        • ЯМЗ 534
        • ЯМЗ 536
        • ЯМЗ 650
        • Двигатели ЯМЗ для электростанций
      • Двигатели КАМАЗ
      • Двигатели ММЗ
      • Двигатели индивидуальной сборки
      • Комплекты переоборудования
    • Запчасти WEICHAI  
      • Основные запчасти двигателя  
        • Клапаны и толкатели
        • Шатуны
        • Вал коленчатый и маховик
        • Вал распределительный
        • Цилиндро-поршневая группа
      • Система питания  
        • Форсунки
        • Турбокомпрессор
      • Система смазки  
        • Насос масляный
      • Головка блока
      • Ремкомплекты
      • Система охлаждения  
        • Насос водяной
        • Муфта вязкостная и крыльчатка
      • Фильтры
      • Электрооборудование  
        • Генератор
        • Стартер
    • Запчасти ЯМЗ, ТМЗ (V-образные)  
      • Основные запчасти двигателя  
        • Блок двигателя и комплектующие
        • Валы распределительные и клапаны
        • Головка блока и комплектующие
        • Цилиндро-поршневая группа
        • Маховики и комплектующие
        • Валы коленчатые и комплектующие
        • Шатуны и комплектующие
      • Система питания  
        • Коллекторы и патрубки
        • Топливные трубопроводы
        • Турбокомпрессор
        • Топливные фильтры
      • Электрооборудование двигателя
      • Система охлаждения  
        • Вязкостные муфты и крыльчатки
        • Приводы вентилятора
        • Водяные насосы
        • Водяные трубы и термостаты
      • Коробки переключения передач  
        • 8 Ступенчатые КПП
        • 5 Ступенчатые КПП
        • 9 Ступенчатые КПП
        • Запасные части КПП ЯМЗ, ТМЗ
      • Система смазки  
        • Теплообменник и комплектующие
        • Масляные насосы
        • Фильтры масляные (ФГОМ, ФЦОМ)
      • Сцепление  
        • Запасные части механизма сцепления
        • Муфты (подшипники выжимные)
        • Корзины (диски нажимные)
        • Диски ведомые
      • Прочие запчасти двигателя  
        • Ремкомплекты
        • Привод агрегатов
        • Натяжные устройства
        • Трубки
    • Запчасти ЯМЗ-534, ЯМЗ-536  
      • Основные запчасти двигателя  
        • Цилиндро-поршневая группа
        • Головка блока цилиндров и комплектующие
        • Блок цилиндров и комплектующие
        • Вал коленчатый и маховик
        • Вал распределительный
        • Клапаны и толкатели
        • ГУР (Гидроусилитель руля)
        • Система рециркуляции отработавших газов
        • Выпускной коллектор
      • Система питания  
        • Коллекторы и патрубки
        • Топливные фильтры
        • Турбокомпрессор
        • Топливные трубопроводы
      • Система смазки  
        • Масляный картер поддон
        • Масляный насос
        • Теплообменник /Водо-масляный радиатор
        • Фильтры масляные (ФГОМ, ФЦОМ)
      • Пневмокомпрессор и натяжное
      • Система охлаждения  
        • Водяной насос
        • Водяные трубы и патрубки
        • Муфты вязкостные, приводы, крыльчатки
      • Ремкомплекты
      • Сцепление
      • Электрооборудование
    • Запчасти ЯМЗ-650, ЯМЗ-651, DCi-11  
      • Основные запчасти двигателя  
        • Цилиндро-поршневая группа
        • Головка блока цилиндров и комплектующие
        • Блок цилиндров и комплектующие
        • Вал коленчатый и маховик
        • Выпускной коллектор
        • Вал распределительный
        • Клапаны и толкатели
        • ГУР (Гидроусилитель руля)
        • Система рециркуляции отработавших газов
      • Система питания  
        • Коллекторы и патрубки
        • Топливные трубопроводы
        • Топливные фильтры
        • Турбокомпрессор
      • Система смазки  
        • Масляный картер / поддон
        • Масляный насос
        • Теплообменник / Водо-масляный радиатор
        • Фильтры масляные (ФГОМ, ФЦОМ)
      • Система охлаждения  
        • Водяной насос
        • Водяные трубы и патрубки
        • Муфты вязкостные, приводы, крыльчатки
      • Ремкомплекты
      • Пневмокомпрессор и натяжное
      • Электрооборудование
      • Сцепление
    • Топливная аппаратура  
      • ЯЗДА  
        • Распылители
        • ТНВД
        • Форсунки
        • Топливный насос низкого давления
        • Пары плунжерные
        • Муфта опережения впрыска топлива
        • Запчасти и комплектующие ТНВД
      • НЗТА
      • АЗПИ  
        • Распылители
        • Форсунки
      • BOSCH
    • Запчасти УРАЛ  
      • Трансмиссия  
        • Коробка раздаточная
        • Передача карданная
        • Мост задний
        • Мост передний (ведущий)
        • Мост средний (промежуточный)
      • Кузов  
        • Дверь кабины
        • Капот, крылья, облицовка радиатора
        • Окно ветровое и заднее
        • Отопление и вентиляция кабины
        • Кабина
      • Механизмы управления  
        • Управление рулевое
        • Тормоза
      • Дополнительное оборудование  
        • Отбор мощности
        • Устройство седельное
      • Электрооборудование
      • Ходовая часть  
        • Колеса и ступицы
        • Ось передняя
        • Подвеска автомобиля
        • Рама
    • Запчасти МАЗ  
      • Трансмиссия  
        • Мост задний
        • Мост передний (ведущий)
        • Передача карданная
        • Мост средний (промежуточный)
      • Кузов  
        • Кабина
        • Дверь кабины
        • Детали основания кабины
        • Окно ветровое и заднее
        • Платформа
      • Механизмы управления  
        • Тормоза
        • Управление рулевое
      • Ходовая часть  
        • Колеса и ступицы
        • Ось передняя
        • Подвеска автомобиля
        • Рама
    • Запчасти КамАЗ  
      • Кузов  
        • Кабина
        • Капот, крылья, облицовка радиатора
        • Дверь кабины
        • Платформа
        • Окно ветровое и заднее
        • Устройство подъемное и опрокидывающее
        • Сиденье
        • Крыша кабины (крыша кузова)
        • Отопление и вентиляция кабины
      • Трансмиссия  
        • Коробка передач
        • Коробка раздаточная
        • Мост задний
        • Сцепление
        • Мост средний (промежуточный)
        • Передача карданная
        • Мост передний (ведущий)
      • Двигатель  
        • Основные запчасти двигателя
        • Система охлаждения
        • Система питания
        • Система смазки
      • Дополнительное оборудование  
        • Отбор мощности
        • Устройство седельное
      • Ходовая часть  
        • Подвеска автомобиля
        • Рама
        • Колеса и ступицы
        • Ось передняя
      • Механизмы управления  
        • Тормоза
        • Управление рулевое
      • Электрооборудование
    • Запчасти ММЗ
    • Ремни
  • Справочник
    • Грузовые автомобили
    • Автобусы
    • Сельхозтехника
    • Спецтехника
    • Двигатели
  • Как купить
    • Условия оплаты
    • Условия доставки
    • Гарантия на товар
    • Пункты выдачи
  • Услуги
    • Капитальный ремонт двигателей ЯМЗ
  • Акции
  • Статьи
  • Контакты
  • Компания
    • Реквизиты
    • Магазины
    • Оплата
    • Доставка
    • Лицензии и сертификаты
    • Новости
    • Вакансии
Избранное 0 Корзина 0
8-800-700-35-68

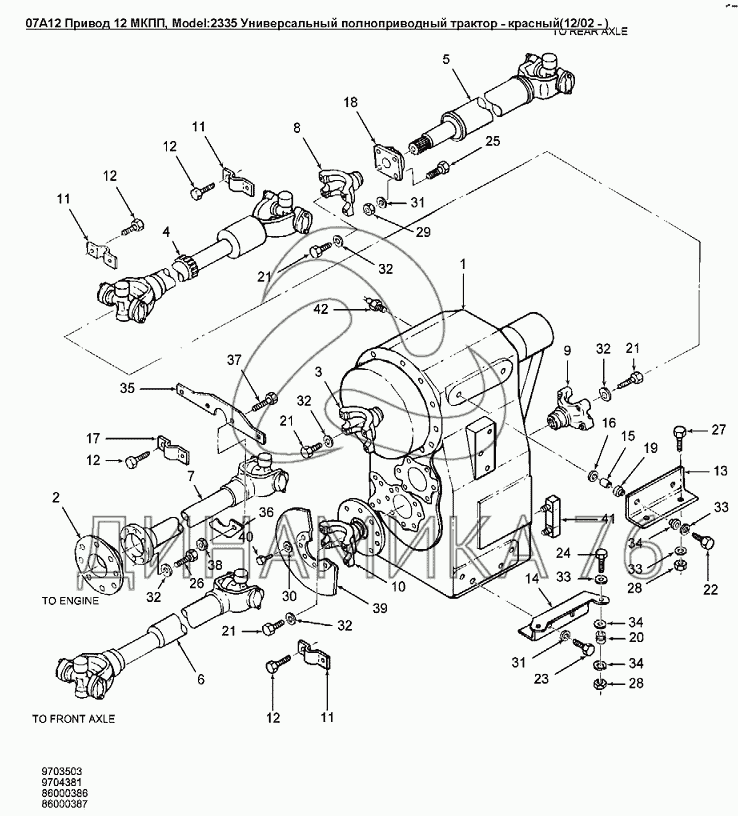
07A12 Привод 12 МКПП на Versatile серии 2000 (до 2008 г.)

Справочник
Главная
-
Автокаталог
-
Сельхозтехника
-
Versatile
-
Versatile серии 2000
Справочный каталог

07A12 Привод 12 МКПП — Versatile серии 2000:

1 1 1 1 1 2 2 2 2 2 3 4 4 4 5 5 5 6 6 6 7 7 7 7 7 7 7 8 9 10 11 11 11 12 12 12 12 13 14 15 16 17 18 19 20 21 21 21 21 22 23 24 25 26 27 28 28 29 30 31 31 32 32 32 32 32 33 33 33 34 34 34 35 36 37 38 39 40 41 41 41 42
в наличии
нет в наличии
масштаб

В наличии
Нет в наличии

Перечень комплектующих от 07A12 Привод 12 МКПП на Versatile серии 2000

Схемы запчастей предназначены для справочных целей! Мы продаем не все запчасти от 07A12 Привод 12 МКПП на Versatile серии 2000, представленные в этом списке.
Наличие на складах по деталям с ценой смотрите в карточке товара.
1
1
Артикул: 86025252
нет в наличии
МКПП с ВОМ L4WD
Количество на схеме: 1
Информация
МКПП с ВОМ L4WD
Количество
1
Группа
Механизм опрокидывающий платформы автомобиля-самосвала
Подгруппа
8602
Порядковый номер детали
525
1
1
Артикул: 86025253
нет в наличии
МКПП без ВОМ L4WD
Количество на схеме: 1
Информация
МКПП без ВОМ L4WD
Количество
1
Группа
Механизм опрокидывающий платформы автомобиля-самосвала
Подгруппа
8602
Порядковый номер детали
525
1
1
Артикул: 86032586
нет в наличии
Коробка передач в сборе SYN TM78 12-ти скоростная
Количество на схеме: 1
Информация
Коробка передач в сборе SYN TM78 12-ти скоростная
Количество
1
Группа
Механизм опрокидывающий платформы автомобиля-самосвала
Подгруппа
Гидроподъемник
Порядковый номер детали
258
2
2
Артикул: 86017513
нет в наличии
Фланец DYNAFLEX 600 SER
Количество на схеме: 1
Информация
Фланец DYNAFLEX 600 SER
Количество
1
Группа
Механизм опрокидывающий платформы автомобиля-самосвала
Подгруппа
Надрамник платформы
Порядковый номер детали
751
2
2
Артикул: 86017514
нет в наличии
Фланец DYNAFLEX 400 SER
Количество на схеме: 1
Информация
Фланец DYNAFLEX 400 SER
Количество
1
Группа
Механизм опрокидывающий платформы автомобиля-самосвала
Подгруппа
Надрамник платформы
Порядковый номер детали
751
2
2
Артикул: 86017515
нет в наличии
Фланец
Количество на схеме: 1
Информация
Фланец
Количество
1
Группа
Механизм опрокидывающий платформы автомобиля-самосвала
Подгруппа
Надрамник платформы
Порядковый номер детали
751
3
3
Артикул: 9706530
нет в наличии
СКОБА
Количество на схеме: 1
Информация
СКОБА
Количество
1
Подгруппа
9706
Порядковый номер детали
530
4
4
Артикул: 86001004
нет в наличии
Карданный вал в сборе, серия 1610 (синий)
Количество на схеме: 1
Информация
Карданный вал в сборе, серия 1610 (синий)
Количество
1
Группа
Механизм опрокидывающий платформы автомобиля-самосвала
Подгруппа
8600
Порядковый номер детали
100
4
4
Артикул: 86027862
нет в наличии
Вал карданный, серия 1610
Количество на схеме: 1
Информация
Вал карданный, серия 1610
Количество
1
Группа
Механизм опрокидывающий платформы автомобиля-самосвала
Подгруппа
8602
Порядковый номер детали
786
5
5
Артикул: 86028084
нет в наличии
Карданный вал, серия 1610
Количество на схеме: 1
Информация
Карданный вал, серия 1610
Количество
1
Группа
Механизм опрокидывающий платформы автомобиля-самосвала
Подгруппа
8602
Порядковый номер детали
808
5
5
Артикул: 9707104
нет в наличии
Карданный вал в сборе, серия 1610 неокрашенный
Количество на схеме: 1
Информация
Карданный вал в сборе, серия 1610 неокрашенный
Количество
1
Подгруппа
9707
Порядковый номер детали
104
6
6
Артикул: 86027858
нет в наличии
Вал карданный, серия 1610
Количество на схеме: 1
Информация
Вал карданный, серия 1610
Количество
1
Группа
Механизм опрокидывающий платформы автомобиля-самосвала
Подгруппа
8602
Порядковый номер детали
785
6
6
Артикул: 9704379
нет в наличии
Карданный вал в сборе, серия 1610
Количество на схеме: 1
Информация
Карданный вал в сборе, серия 1610
Количество
1
Подгруппа
9704
Порядковый номер детали
379
7
7
Артикул: 86027856
нет в наличии
Вал карданный в сборе, серия 1610
Количество на схеме: 1
Информация
Вал карданный в сборе, серия 1610
Количество
1
Группа
Механизм опрокидывающий платформы автомобиля-самосвала
Подгруппа
8602
Порядковый номер детали
785
7
7
Артикул: 86027866
нет в наличии
Вал карданный в сборе, длина 637мм, серия 1610
Количество на схеме: 1
Информация
Вал карданный в сборе, длина 637мм, серия 1610
Количество
1
Группа
Механизм опрокидывающий платформы автомобиля-самосвала
Подгруппа
8602
Порядковый номер детали
786
7
7
Артикул: 86029957
нет в наличии
Вал карданный, серия 1610 535М
Количество на схеме: 1
Информация
Вал карданный, серия 1610 535М
Количество
1
Группа
Механизм опрокидывающий платформы автомобиля-самосвала
Подгруппа
8602
Порядковый номер детали
995
7
7
Артикул: 9704294
нет в наличии
Карданный вал в сборе 1610 SERIES
Количество на схеме: 1
Информация
Карданный вал в сборе 1610 SERIES
Количество
1
Подгруппа
9704
Порядковый номер детали
294
8
8
Артикул: 9706530
нет в наличии
СКОБА
Количество на схеме: 1
Информация
СКОБА
Количество
1
Подгруппа
9706
Порядковый номер детали
530
9
9
Артикул: 9707250
нет в наличии
Вилка рычага серии 1610
Количество на схеме: 1
Информация
Вилка рычага серии 1610
Количество
1
Подгруппа
9707
Порядковый номер детали
250
10
10
Артикул: 86030622
нет в наличии
Вилка карданного вала серии 1610
Количество на схеме: 1
Информация
Вилка карданного вала серии 1610
Количество
1
Группа
Механизм опрокидывающий платформы автомобиля-самосвала
Подгруппа
Гидроподъемник
Порядковый номер детали
062
11
11
Артикул: V88469
нет в наличии
Кронштейн карданного вала 1610
Количество на схеме: 10
Информация
Кронштейн карданного вала 1610
Количество
10
12
12
Артикул: 86000226
нет в наличии
Болт 0.375NFX0.750 P&O
Количество на схеме: 24
Информация
Болт 0.375NFX0.750 P&O
Количество
24
Группа
Механизм опрокидывающий платформы автомобиля-самосвала
Подгруппа
8600
Порядковый номер детали
022
13
13
Артикул: 9705891
нет в наличии
Кронштейн КПП L4WD
Количество на схеме: 1
Информация
Кронштейн КПП L4WD
Количество
1
Подгруппа
9705
Порядковый номер детали
891
14
14
Артикул: 9705231
нет в наличии
Кронштейн
Количество на схеме: 2
Информация
Кронштейн
Количество
2
Подгруппа
9705
Порядковый номер детали
231
15
15
Артикул: 9704762
нет в наличии
Кольцо
Количество на схеме: 2
Информация
Кольцо
Количество
2
Подгруппа
9704
Порядковый номер детали
762
16
16
Артикул: 9704764
нет в наличии
Втулка внутр.диам. 25.4мм, длина 43.0, резина
Количество на схеме: 2
Информация
Втулка внутр.диам. 25.4мм, длина 43.0, резина
Количество
2
Подгруппа
9704
Порядковый номер детали
764
17
17
Артикул: V88469
нет в наличии
Кронштейн карданного вала 1610
Количество на схеме: 2
Информация
Кронштейн карданного вала 1610
Количество
2
18
18
Артикул: 86018363
нет в наличии
Уплотнитель, креп. 4 болтами, внутр. O 55,50
Количество на схеме: 1
Информация
Уплотнитель, креп. 4 болтами, внутр. O 55,50
Количество
1
Группа
Механизм опрокидывающий платформы автомобиля-самосвала
Подгруппа
Надрамник платформы
Порядковый номер детали
836
19
19
Артикул: 9704761
нет в наличии
Резиновая прокладка крепления трансмиссии
Количество на схеме: 4
Информация
Резиновая прокладка крепления трансмиссии
Количество
4
Подгруппа
9704
Порядковый номер детали
761
20
20
Артикул: V60614
нет в наличии
Изолятор
Количество на схеме: 4
Информация
Изолятор
Количество
4
21
21
Артикул: V106543
нет в наличии
Болт Gr-5, 0.625dm-18UNFx1.25dm
Количество на схеме: 4
Информация
Болт Gr-5, 0.625dm-18UNFx1.25dm
Количество
4
Покрытие
без покрытия
22
22
Артикул: 88747
нет в наличии
Болт G5 3/4dm-10x3.25dm
Количество на схеме: 2
Информация
Болт G5 3/4dm-10x3.25dm
Количество
2
23
23
Артикул: 88062
нет в наличии
Болт Gr-5 0.625dm-11x1.50dm
Количество на схеме: 8
Информация
Болт Gr-5 0.625dm-11x1.50dm
Количество
8
24
24
Артикул: 280210
нет в наличии
Болт G5 3/4dm-10x4dm
Количество на схеме: 4
Информация
Болт G5 3/4dm-10x4dm
Количество
4
Покрытие
без покрытия
25
25
Артикул: 120091
нет в наличии
Болт M16x2x60 Cl-8.8
Количество на схеме: 4
Информация
Болт M16x2x60 Cl-8.8
Количество
4
Покрытие
без покрытия
26
26
Артикул: 280853
нет в наличии
Болт G8 0.50х1.25
Количество на схеме: 8
Информация
Болт G8 0.50х1.25
Количество
8
Покрытие
без покрытия
27
27
Артикул: 9707515
нет в наличии
Болт G5 5/16dm-18x1-3/4dm
Количество на схеме: 2
Информация
Болт G5 5/16dm-18x1-3/4dm
Количество
2
Подгруппа
9707
Порядковый номер детали
515
28
28
Артикул: 86534279
нет в наличии
Гайка шестигранная FLG 0.75 10 GR8 PL
Количество на схеме: 6
Информация
Гайка шестигранная FLG 0.75 10 GR8 PL
Количество
6
Группа
Механизм опрокидывающий платформы автомобиля-самосвала
Подгруппа
8653
Порядковый номер детали
427
29
29
Артикул: 86012007
нет в наличии
Контргайка с нейлоновой вставкой M16 CLASS10 P
Количество на схеме: 4
Информация
Контргайка с нейлоновой вставкой M16 CLASS10 P
Количество
4
Группа
Механизм опрокидывающий платформы автомобиля-самосвала
Подгруппа
Надрамник платформы
Порядковый номер детали
200
30
30
Артикул: 44183
нет в наличии
Шайба 13.00X24.00X2.5 HDN PL
Количество на схеме: 17
Информация
Шайба 13.00X24.00X2.5 HDN PL
Количество
17
31
31
Артикул: V44253
нет в наличии
Шайба 17.00x30.00x3.00 Hdn Pl, сталь
Количество на схеме: 12
Информация
Шайба 17.00x30.00x3.00 Hdn Pl, сталь
Количество
12
32
32
Артикул: 9671405
нет в наличии
ШАЙБА
Количество на схеме: 4
Информация
ШАЙБА
Количество
4
Подгруппа
9671
Порядковый номер детали
405
33
33
Артикул: 86503612
нет в наличии
Шайба 21.00X37.00X3.00 HDN
Количество на схеме: 8
Информация
Шайба 21.00X37.00X3.00 HDN
Количество
8
Группа
Механизм опрокидывающий платформы автомобиля-самосвала
Подгруппа
8650
Порядковый номер детали
361
34
34
Артикул: 86050249
нет в наличии
Стальная шайба 0.781
Количество на схеме: 10
Информация
Стальная шайба 0.781
Количество
10
Группа
Механизм опрокидывающий платформы автомобиля-самосвала
Подгруппа
8605
Порядковый номер детали
024
35
35
Артикул: 9706859
нет в наличии
Кольцо уплотнительное
Количество на схеме: 1
Информация
Кольцо уплотнительное
Количество
1
Подгруппа
9706
Порядковый номер детали
859
36
36
Артикул: 9706860
нет в наличии
Опора карданного вала
Количество на схеме: 1
Информация
Опора карданного вала
Количество
1
Подгруппа
9706
Порядковый номер детали
860
37
37
Артикул: 86512260
нет в наличии
Болт шестигранный FLG USR M12 X 50 PL
Количество на схеме: 4
Информация
Болт шестигранный FLG USR M12 X 50 PL
Количество
4
Группа
Механизм опрокидывающий платформы автомобиля-самосвала
Подгруппа
8651
Порядковый номер детали
226
38
38
Артикул: 43436
нет в наличии
Гайка M12 Usr Pl
Количество на схеме: 4
Информация
Гайка M12 Usr Pl
Количество
4
39
39
Артикул: 9672899
нет в наличии
Диск тормозной 508x19
Количество на схеме: 1
Информация
Диск тормозной 508x19
Количество
1
Подгруппа
9672
Порядковый номер детали
899
40
40
Артикул: 87689
нет в наличии
Болт шестигранный 0.50x1.50GR5 PL
Количество на схеме: 8
Информация
Болт шестигранный 0.50x1.50GR5 PL
Количество
8
41
41
Артикул: 86035430
нет в наличии
Указатель уровня жидкости
Количество на схеме: 1
Информация
Указатель уровня жидкости
Количество
1
Группа
Механизм опрокидывающий платформы автомобиля-самосвала
Подгруппа
Гидроподъемник
Порядковый номер детали
543
41
41
Артикул: 9705718
нет в наличии
Стекло смотровое уровня масла
Количество на схеме: 1
Информация
Стекло смотровое уровня масла
Количество
1
Подгруппа
9705
Порядковый номер детали
718
42
42
Артикул: V55699
нет в наличии
Датчик нейтрального положения рыгала переключения передач
Количество на схеме: 2
Информация
Датчик нейтрального положения рыгала переключения передач
Количество
2
  • Грузовые автомобили
  • Автобусы
  • Сельхозтехника
  • Спецтехника
  • Двигатели
Получить оптовый прайс-лист
Скачать прайс-лист от 26.05.2026 08:00
Специальное предложение от 25.05.2026 17:00
Производители:


  • WEICHAI
  • Автодизель ПАО (ЯМЗ)
  • Тутаевский МЗ
  • ЯЗДА
  • УралАЗ
  • МАЗ
  • АЗПИ
  • BOSCH
  • ММЗ
  • ШААЗ
  • FEDERAL MOGUL
  • ПРАМО
  • Мотордеталь
  • ТАИМ
  • АвтоКрАЗ
  • БЕЛКАРД
  • CZ Strakonice
  • КамАЗ
  • БЗА
  • ЧМЗ
  • BMZ
Новости
Все новости
25 марта 2024
Флагманский седельный тягач «Валдай 45» на выставке «TransRussia»
10 марта 2024
Современные автобусы «CITYMAX 9» и ЛиАЗ-5292 CNG
25 февраля 2024
Серийное производство средних дизельных двигателей повышенной мощности от ЯМЗ
Статьи
Все статьи
Датчики двигателя: за что они отвечают, признаки неисправности и как не прогадать с выбором
Двигатели ЯМЗ-534: история, технические характеристики и области применения
Двигатели ЯМЗ 650: углублённый технический обзор и история
Компания
О компании
Реквизиты
Новости
Политика
Магазины
Информация
Условия оплаты
Условия доставки
Гарантия на товар
Обмен и возврат товара
Помощь
Как оформить заказ
Полезные статьи
Бренды
Пункты выдачи
Оставайтесь на связи
  • Вконтакте
  • YouTube
  • Одноклассники
  • Google Plus
Увидели ошибку?
Выделите, нажав Ctrl + Enter
Наши контакты
8-800-700-35-68
sales@din76.ru
г. Ярославль, Ленинградский пр-т 33, ТЦ "ОМЕГА"
2026 © ООО «Динамика 76» - Все права защищены ООО "Динамика 76"
Предложения на сайте не являются публичной офертой.
На сайте обнаружена ошибка

Текст с ошибкой