Избранное 0 Корзина 0 Личный кабинет
logo
Каталог
Каталог
  • Справочник
    • Грузовые автомобили
    • Автобусы
    • Сельхозтехника
    • Спецтехника
    • Двигатели
  • Доставка
  • Оплата
  • О компании
    • Реквизиты
    • Магазины
    • Оплата
    • Доставка
    • Лицензии и сертификаты
    • Новости
    • Вакансии
  • Контакты
Отправить заявку
Личный кабинет
8 (800) 700-35-68
sales@din76.ru
Избранное 0 Корзина 0
8 (800) 700-35-68
Оптовый прайс-лист
Каталог
  • Двигатели
  • Запчасти WEICHAI
  • Запчасти ЯМЗ, ТМЗ (V-образные)
  • Запчасти ЯМЗ-534, ЯМЗ-536
  • Запчасти ЯМЗ-650, ЯМЗ-651, DCi-11
  • Топливная аппаратура
  • Запчасти УРАЛ
  • Запчасти МАЗ
  • Запчасти КамАЗ
  • Запчасти ММЗ
  • Ремни
Автокаталог (справочник)
  • Доставка
  • Оплата
  • О компании
  • Контакты
8 (800) 700-35-68
Написать в Whatsapp
sales@din76.ru
Динамика 76
Меню  
  • Каталог
    • Двигатели  
      • Двигатели ТМЗ  
        • Двигатели ТМЗ для автомобилей
        • Двигатели ТМЗ для тракторов
        • Специальные двигатели ТМЗ
        • Промышленные двигатели ТМЗ
      • Двигатели ЯМЗ  
        • ЯМЗ 236
        • ЯМЗ 238
        • ЯМЗ 240
        • ЯМЗ 751
        • ЯМЗ 840
        • ЯМЗ 850
        • ЯМЗ 656
        • ЯМЗ 658
        • ЯМЗ 534
        • ЯМЗ 536
        • ЯМЗ 650
        • Двигатели ЯМЗ для электростанций
      • Двигатели КАМАЗ
      • Двигатели ММЗ
      • Двигатели индивидуальной сборки
      • Комплекты переоборудования
    • Запчасти WEICHAI  
      • Основные запчасти двигателя  
        • Клапаны и толкатели
        • Шатуны
        • Вал коленчатый и маховик
        • Вал распределительный
        • Цилиндро-поршневая группа
      • Система питания  
        • Форсунки
        • Турбокомпрессор
      • Система смазки  
        • Насос масляный
      • Головка блока
      • Ремкомплекты
      • Система охлаждения  
        • Насос водяной
        • Муфта вязкостная и крыльчатка
      • Фильтры
      • Электрооборудование  
        • Генератор
        • Стартер
    • Запчасти ЯМЗ, ТМЗ (V-образные)  
      • Основные запчасти двигателя  
        • Блок двигателя и комплектующие
        • Валы распределительные и клапаны
        • Головка блока и комплектующие
        • Цилиндро-поршневая группа
        • Маховики и комплектующие
        • Валы коленчатые и комплектующие
        • Шатуны и комплектующие
      • Система питания  
        • Коллекторы и патрубки
        • Топливные трубопроводы
        • Турбокомпрессор
        • Топливные фильтры
      • Электрооборудование двигателя
      • Система охлаждения  
        • Вязкостные муфты и крыльчатки
        • Приводы вентилятора
        • Водяные насосы
        • Водяные трубы и термостаты
      • Коробки переключения передач  
        • 8 Ступенчатые КПП
        • 5 Ступенчатые КПП
        • 9 Ступенчатые КПП
        • Запасные части КПП ЯМЗ, ТМЗ
      • Система смазки  
        • Теплообменник и комплектующие
        • Масляные насосы
        • Фильтры масляные (ФГОМ, ФЦОМ)
      • Сцепление  
        • Запасные части механизма сцепления
        • Муфты (подшипники выжимные)
        • Корзины (диски нажимные)
        • Диски ведомые
      • Прочие запчасти двигателя  
        • Ремкомплекты
        • Привод агрегатов
        • Натяжные устройства
        • Трубки
    • Запчасти ЯМЗ-534, ЯМЗ-536  
      • Основные запчасти двигателя  
        • Цилиндро-поршневая группа
        • Головка блока цилиндров и комплектующие
        • Блок цилиндров и комплектующие
        • Вал коленчатый и маховик
        • Вал распределительный
        • Клапаны и толкатели
        • ГУР (Гидроусилитель руля)
        • Система рециркуляции отработавших газов
        • Выпускной коллектор
      • Система питания  
        • Коллекторы и патрубки
        • Топливные фильтры
        • Турбокомпрессор
        • Топливные трубопроводы
      • Система смазки  
        • Масляный картер поддон
        • Масляный насос
        • Теплообменник /Водо-масляный радиатор
        • Фильтры масляные (ФГОМ, ФЦОМ)
      • Пневмокомпрессор и натяжное
      • Система охлаждения  
        • Водяной насос
        • Водяные трубы и патрубки
        • Муфты вязкостные, приводы, крыльчатки
      • Ремкомплекты
      • Сцепление
      • Электрооборудование
    • Запчасти ЯМЗ-650, ЯМЗ-651, DCi-11  
      • Основные запчасти двигателя  
        • Цилиндро-поршневая группа
        • Головка блока цилиндров и комплектующие
        • Блок цилиндров и комплектующие
        • Вал коленчатый и маховик
        • Выпускной коллектор
        • Вал распределительный
        • Клапаны и толкатели
        • ГУР (Гидроусилитель руля)
        • Система рециркуляции отработавших газов
      • Система питания  
        • Коллекторы и патрубки
        • Топливные трубопроводы
        • Топливные фильтры
        • Турбокомпрессор
      • Система смазки  
        • Масляный картер / поддон
        • Масляный насос
        • Теплообменник / Водо-масляный радиатор
        • Фильтры масляные (ФГОМ, ФЦОМ)
      • Система охлаждения  
        • Водяной насос
        • Водяные трубы и патрубки
        • Муфты вязкостные, приводы, крыльчатки
      • Ремкомплекты
      • Пневмокомпрессор и натяжное
      • Электрооборудование
      • Сцепление
    • Топливная аппаратура  
      • ЯЗДА  
        • Распылители
        • ТНВД
        • Форсунки
        • Топливный насос низкого давления
        • Пары плунжерные
        • Муфта опережения впрыска топлива
        • Запчасти и комплектующие ТНВД
      • НЗТА
      • АЗПИ  
        • Распылители
        • Форсунки
      • BOSCH
    • Запчасти УРАЛ  
      • Трансмиссия  
        • Коробка раздаточная
        • Передача карданная
        • Мост задний
        • Мост передний (ведущий)
        • Мост средний (промежуточный)
      • Кузов  
        • Дверь кабины
        • Капот, крылья, облицовка радиатора
        • Окно ветровое и заднее
        • Отопление и вентиляция кабины
        • Кабина
      • Механизмы управления  
        • Управление рулевое
        • Тормоза
      • Дополнительное оборудование  
        • Отбор мощности
        • Устройство седельное
      • Электрооборудование
      • Ходовая часть  
        • Колеса и ступицы
        • Ось передняя
        • Подвеска автомобиля
        • Рама
    • Запчасти МАЗ  
      • Трансмиссия  
        • Мост задний
        • Мост передний (ведущий)
        • Передача карданная
        • Мост средний (промежуточный)
      • Кузов  
        • Кабина
        • Дверь кабины
        • Детали основания кабины
        • Окно ветровое и заднее
        • Платформа
      • Механизмы управления  
        • Тормоза
        • Управление рулевое
      • Ходовая часть  
        • Колеса и ступицы
        • Ось передняя
        • Подвеска автомобиля
        • Рама
    • Запчасти КамАЗ  
      • Кузов  
        • Кабина
        • Капот, крылья, облицовка радиатора
        • Дверь кабины
        • Платформа
        • Окно ветровое и заднее
        • Устройство подъемное и опрокидывающее
        • Сиденье
        • Крыша кабины (крыша кузова)
        • Отопление и вентиляция кабины
      • Трансмиссия  
        • Коробка передач
        • Коробка раздаточная
        • Мост задний
        • Сцепление
        • Мост средний (промежуточный)
        • Передача карданная
        • Мост передний (ведущий)
      • Двигатель  
        • Основные запчасти двигателя
        • Система охлаждения
        • Система питания
        • Система смазки
      • Дополнительное оборудование  
        • Отбор мощности
        • Устройство седельное
      • Ходовая часть  
        • Подвеска автомобиля
        • Рама
        • Колеса и ступицы
        • Ось передняя
      • Механизмы управления  
        • Тормоза
        • Управление рулевое
      • Электрооборудование
    • Запчасти ММЗ
    • Ремни
  • Справочник
    • Грузовые автомобили
    • Автобусы
    • Сельхозтехника
    • Спецтехника
    • Двигатели
  • Как купить
    • Условия оплаты
    • Условия доставки
    • Гарантия на товар
    • Пункты выдачи
  • Услуги
    • Капитальный ремонт двигателей ЯМЗ
  • Акции
  • Статьи
  • Контакты
  • Компания
    • Реквизиты
    • Магазины
    • Оплата
    • Доставка
    • Лицензии и сертификаты
    • Новости
    • Вакансии
Избранное 0 Корзина 0
8-800-700-35-68

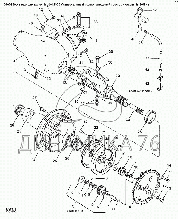
04A01 Мост ведущих колес на Versatile серии 2000 (до 2008 г.)

Справочник
Главная
-
Автокаталог
-
Сельхозтехника
-
Versatile
-
Versatile серии 2000
Справочный каталог

04A01 Мост ведущих колес — Versatile серии 2000:

1 1 1 1 1 1 1 1 1 1 1 1 1 1 1 1 1 1 1 1 1 1 1 2 2 2 3 3 3 4 4 4 5 5 5 6 6 6 6 7 7 7 8 8 8 9 9 9 9 10 10 10 11 11 11 12 12 12 12 13 13 13 13 14 15 16 16 16 17 17 17 18 18 18 18 18 19 19 19 20 20 20 21 21 21 21 21 22 23 24 24 24 24 24 25 25 25 25 26 26 26 26 27 28 28 28 29 29 29 29 29 29 29 29 29 30 30 30 30 30 30 30 30 30 30 31 31 32 33 34 35 36 36 37 38 38 38 39 39 39 40 41 42 42 42 43 44 45 46 47
в наличии
нет в наличии
масштаб

В наличии
Нет в наличии

Перечень комплектующих от 04A01 Мост ведущих колес на Versatile серии 2000

Схемы запчастей предназначены для справочных целей! Мы продаем не все запчасти от 04A01 Мост ведущих колес на Versatile серии 2000, представленные в этом списке.
Наличие на складах по деталям с ценой смотрите в карточке товара.
1
1
Артикул: 86011950
нет в наличии
Дифференциал в сборе 22130
Количество на схеме: 1
Информация
Дифференциал в сборе 22130
Количество
1
Группа
Механизм опрокидывающий платформы автомобиля-самосвала
Подгруппа
Надрамник платформы
Порядковый номер детали
195
1
1
Артикул: 86011951
нет в наличии
Дифференциал в сборе 22130
Количество на схеме: 1
Информация
Дифференциал в сборе 22130
Количество
1
Группа
Механизм опрокидывающий платформы автомобиля-самосвала
Подгруппа
Надрамник платформы
Порядковый номер детали
195
1
1
Артикул: 86011952
нет в наличии
Дифференциал в сборе 22430
Количество на схеме: 1
Информация
Дифференциал в сборе 22430
Количество
1
Группа
Механизм опрокидывающий платформы автомобиля-самосвала
Подгруппа
Надрамник платформы
Порядковый номер детали
195
1
1
Артикул: 86011953
нет в наличии
Дифференциал в сборе 22430
Количество на схеме: 1
Информация
Дифференциал в сборе 22430
Количество
1
Группа
Механизм опрокидывающий платформы автомобиля-самосвала
Подгруппа
Надрамник платформы
Порядковый номер детали
195
1
1
Артикул: 86011954
нет в наличии
Дифференциал 23130 правый
Количество на схеме: 1
Информация
Дифференциал 23130 правый
Количество
1
Группа
Механизм опрокидывающий платформы автомобиля-самосвала
Подгруппа
Надрамник платформы
Порядковый номер детали
195
1
1
Артикул: 86011955
нет в наличии
Дифференциал 23130 левый
Количество на схеме: 1
Информация
Дифференциал 23130 левый
Количество
1
Группа
Механизм опрокидывающий платформы автомобиля-самосвала
Подгруппа
Надрамник платформы
Порядковый номер детали
195
1
1
Артикул: 86011956
нет в наличии
Водило правое
Количество на схеме: 1
Информация
Водило правое
Количество
1
Группа
Механизм опрокидывающий платформы автомобиля-самосвала
Подгруппа
Надрамник платформы
Порядковый номер детали
195
1
1
Артикул: 86011957
нет в наличии
Водило левое
Количество на схеме: 1
Информация
Водило левое
Количество
1
Группа
Механизм опрокидывающий платформы автомобиля-самосвала
Подгруппа
Надрамник платформы
Порядковый номер детали
195
1
1
Артикул: 86011958
нет в наличии
Дифференциал 23130 RHSPR SP
Количество на схеме: 1
Информация
Дифференциал 23130 RHSPR SP
Количество
1
Группа
Механизм опрокидывающий платформы автомобиля-самосвала
Подгруппа
Надрамник платформы
Порядковый номер детали
195
1
1
Артикул: 86011959
нет в наличии
Дифференциал
Количество на схеме: 1
Информация
Дифференциал
Количество
1
Группа
Механизм опрокидывающий платформы автомобиля-самосвала
Подгруппа
Надрамник платформы
Порядковый номер детали
195
1
1
Артикул: 86011960
нет в наличии
Водило правое косозубое
Количество на схеме: 1
Информация
Водило правое косозубое
Количество
1
Группа
Механизм опрокидывающий платформы автомобиля-самосвала
Подгруппа
Надрамник платформы
Порядковый номер детали
196
1
1
Артикул: 86011961
нет в наличии
Водило левое косозубое
Количество на схеме: 1
Информация
Водило левое косозубое
Количество
1
Группа
Механизм опрокидывающий платформы автомобиля-самосвала
Подгруппа
Надрамник платформы
Порядковый номер детали
196
2
2
Артикул: 9704725
нет в наличии
Корпус дифференциала
Количество на схеме: 1
Информация
Корпус дифференциала
Количество
1
Подгруппа
9704
Порядковый номер детали
725
2
2
Артикул: 9705803
нет в наличии
Корпус дифференциала L4WD
Количество на схеме: 1
Информация
Корпус дифференциала L4WD
Количество
1
Подгруппа
9705
Порядковый номер детали
803
3
3
Артикул: 9705804
нет в наличии
Водило в сборе
Количество на схеме: 4
Информация
Водило в сборе
Количество
4
Подгруппа
9705
Порядковый номер детали
804
3
3
Артикул: 9706080
нет в наличии
Водило в сборе
Количество на схеме: 4
Информация
Водило в сборе
Количество
4
Подгруппа
9706
Порядковый номер детали
080
4
4
Артикул: 86023755
нет в наличии
Опора планетарной шестерни
Количество на схеме: 2
Информация
Опора планетарной шестерни
Количество
2
Группа
Механизм опрокидывающий платформы автомобиля-самосвала
Подгруппа
8602
Порядковый номер детали
375
4
4
Артикул: 9705795
нет в наличии
Водило
Количество на схеме: 2
Информация
Водило
Количество
2
Подгруппа
9705
Порядковый номер детали
795
5
5
Артикул: 9672293
нет в наличии
Шестерня Z=29 планетарного редуктора
Количество на схеме: 6
Информация
Шестерня Z=29 планетарного редуктора
Количество
6
Подгруппа
9672
Порядковый номер детали
293
5
5
Артикул: 9672588
нет в наличии
Шестерня 34T
Количество на схеме: 6
Информация
Шестерня 34T
Количество
6
Подгруппа
9672
Порядковый номер детали
588
6
6
Артикул: V63259
нет в наличии
Шайба планетарной шестерни
Количество на схеме: 12
Информация
Шайба планетарной шестерни
Количество
12
6
6
Артикул: V63697
нет в наличии
Шайба планетарной шестерни
Количество на схеме: 12
Информация
Шайба планетарной шестерни
Количество
12
7
7
Артикул: 9672294
нет в наличии
Палец планетарной передачи
Количество на схеме: 6
Информация
Палец планетарной передачи
Количество
6
Подгруппа
9672
Порядковый номер детали
294
7
7
Артикул: 9672590
нет в наличии
Палец планетарной шестерни
Количество на схеме: 6
Информация
Палец планетарной шестерни
Количество
6
Подгруппа
9672
Порядковый номер детали
590
8
8
Артикул: 87406
нет в наличии
Пружинный штифт диам.0.25, длина 1.5
Количество на схеме: 6
Информация
Пружинный штифт диам.0.25, длина 1.5
Количество
6
8
8
Артикул: 9672411
нет в наличии
Штифт диам.8мм длина 40мм
Количество на схеме: 6
Информация
Штифт диам.8мм длина 40мм
Количество
6
Подгруппа
9672
Порядковый номер детали
411
9
9
Артикул: 9672296
нет в наличии
Игла подшипника 6.35DIAX25.40LG
Количество на схеме: 348
Информация
Игла подшипника 6.35DIAX25.40LG
Количество
348
Подгруппа
9672
Порядковый номер детали
296
9
9
Артикул: 9672586
нет в наличии
Игольчатый подшипник, внутр. O 7,94, длина 27
Количество на схеме: 348
Информация
Игольчатый подшипник, внутр. O 7,94, длина 27
Количество
348
Подгруппа
9672
Порядковый номер детали
586
10
10
Артикул: 86012473
нет в наличии
Прокладка внутр o 69,0, внешн o 81,30, толщина 6,7
Количество на схеме: 6
Информация
Прокладка внутр o 69,0, внешн o 81,30, толщина 6,7
Количество
6
Группа
Механизм опрокидывающий платформы автомобиля-самосвала
Подгруппа
Надрамник платформы
Порядковый номер детали
247
10
10
Артикул: 9672297
нет в наличии
Прокладка 2.067 X 2.500 X 0.055
Количество на схеме: 6
Информация
Прокладка 2.067 X 2.500 X 0.055
Количество
6
Подгруппа
9672
Порядковый номер детали
297
11
11
Артикул: 14460080
нет в наличии
Уплотнительное кольцо
Количество на схеме: 6
Информация
Уплотнительное кольцо
Количество
6
Группа
Система управления двигателем электронная
Подгруппа
1446
Порядковый номер детали
008
11
11
Артикул: 374545
нет в наличии
Кольцо уплотнительное 1.862 IDX0.103 THK BUNA
Количество на схеме: 6
Информация
Кольцо уплотнительное 1.862 IDX0.103 THK BUNA
Количество
6
Покрытие
без покрытия
12
12
Артикул: 86541153
нет в наличии
Уплотнение
Количество на схеме: 7
Информация
Уплотнение
Количество
7
Группа
Механизм опрокидывающий платформы автомобиля-самосвала
Подгруппа
8654
Порядковый номер детали
115
13
13
Артикул: 9848947
нет в наличии
Пробка 1.0x18
Количество на схеме: 7
Информация
Пробка 1.0x18
Количество
7
Подгруппа
9848
Порядковый номер детали
947
14
14
Артикул: 44183
нет в наличии
Шайба 13.00X24.00X2.5 HDN PL
Количество на схеме: 32
Информация
Шайба 13.00X24.00X2.5 HDN PL
Количество
32
15
15
Артикул: 337563
нет в наличии
Болт шестигранный M12x40 10.9PL
Количество на схеме: 32
Информация
Болт шестигранный M12x40 10.9PL
Количество
32
Покрытие
без покрытия
16
16
Артикул: 86050186
нет в наличии
Шайба диам.внутр.0.50, сталь
Количество на схеме: 2
Информация
Шайба диам.внутр.0.50, сталь
Количество
2
Группа
Механизм опрокидывающий платформы автомобиля-самосвала
Подгруппа
8605
Порядковый номер детали
018
16
16
Артикул: 9672581
нет в наличии
Шайба полуоси
Количество на схеме: 2
Информация
Шайба полуоси
Количество
2
Подгруппа
9672
Порядковый номер детали
581
17
17
Артикул: 27503
нет в наличии
Стопорное кольцо диам.46.99
Количество на схеме: 2
Информация
Стопорное кольцо диам.46.99
Количество
2
17
17
Артикул: 86050337
нет в наличии
Стопорное кольцо o 2,31
Количество на схеме: 2
Информация
Стопорное кольцо o 2,31
Количество
2
Группа
Механизм опрокидывающий платформы автомобиля-самосвала
Подгруппа
8605
Порядковый номер детали
033
18
18
Артикул: 86000858
нет в наличии
Шестерня солнечная Z=16
Количество на схеме: 2
Информация
Шестерня солнечная Z=16
Количество
2
Группа
Механизм опрокидывающий платформы автомобиля-самосвала
Подгруппа
8600
Порядковый номер детали
085
18
18
Артикул: 86011198
нет в наличии
Шестерня солнечная z=21
Количество на схеме: 2
Информация
Шестерня солнечная z=21
Количество
2
Группа
Механизм опрокидывающий платформы автомобиля-самосвала
Подгруппа
Надрамник платформы
Порядковый номер детали
119
18
18
Артикул: 9672589
нет в наличии
Шестерня солнечная, 21 зуб
Количество на схеме: 2
Информация
Шестерня солнечная, 21 зуб
Количество
2
Подгруппа
9672
Порядковый номер детали
589
19
19
Артикул: 9673129
нет в наличии
Шайба толщина 11 мм, сталь
Количество на схеме: 2
Информация
Шайба толщина 11 мм, сталь
Количество
2
Подгруппа
9673
Порядковый номер детали
129
19
19
Артикул: V68773
нет в наличии
Шайба
Количество на схеме: 2
Информация
Шайба
Количество
2
20
20
Артикул: 86010576
нет в наличии
Зубчатое кольцо 90Т
Количество на схеме: 2
Информация
Зубчатое кольцо 90Т
Количество
2
Группа
Механизм опрокидывающий платформы автомобиля-самосвала
Подгруппа
Надрамник платформы
Порядковый номер детали
057
20
20
Артикул: 9672292
нет в наличии
Коронная шестерня Z=74
Количество на схеме: ;
Информация
Коронная шестерня Z=74
Количество
;
Порядковый номер детали
292
21
21
Артикул: 9704946
нет в наличии
Ступица шестерни коронной
Количество на схеме: 2
Информация
Ступица шестерни коронной
Количество
2
Подгруппа
9704
Порядковый номер детали
946
21
21
Артикул: 9706078
нет в наличии
Ступица коронной шестерни
Количество на схеме: 2
Информация
Ступица коронной шестерни
Количество
2
Подгруппа
9706
Порядковый номер детали
078
21
21
Артикул: 9706079
нет в наличии
Ступица венцовой шестерни
Количество на схеме: 2
Информация
Ступица венцовой шестерни
Количество
2
Подгруппа
9706
Порядковый номер детали
079
22
22
Артикул: 86010923
нет в наличии
Стопорное кольцо
Количество на схеме: 6
Информация
Стопорное кольцо
Количество
6
Группа
Механизм опрокидывающий платформы автомобиля-самосвала
Подгруппа
Надрамник платформы
Порядковый номер детали
092
23
23
Артикул: 86000226
нет в наличии
Болт 0.375NFX0.750 P&O
Количество на схеме: 12
Информация
Болт 0.375NFX0.750 P&O
Количество
12
Группа
Механизм опрокидывающий платформы автомобиля-самосвала
Подгруппа
8600
Порядковый номер детали
022
24
24
Артикул: 9704727
нет в наличии
Ступица L4wd
Количество на схеме: 2
Информация
Ступица L4wd
Количество
2
Подгруппа
9704
Порядковый номер детали
727
24
24
Артикул: 9705805
нет в наличии
Ступица L4WD
Количество на схеме: 2
Информация
Ступица L4WD
Количество
2
Подгруппа
9705
Порядковый номер детали
805
24
24
Артикул: V78136
нет в наличии
Ступица L4WD
Количество на схеме: 2
Информация
Ступица L4WD
Количество
2
25
25
Артикул: 86050185
нет в наличии
Кольцо подшипника наружное ID-127.0mm OD-182.5mmTh
Количество на схеме: 4
Информация
Кольцо подшипника наружное ID-127.0mm OD-182.5mmTh
Количество
4
Группа
Механизм опрокидывающий платформы автомобиля-самосвала
Подгруппа
8605
Порядковый номер детали
018
25
25
Артикул: 9672524
нет в наличии
Кольцо подшипника наружное 225.42ODX42.8THK
Количество на схеме: 4
Информация
Кольцо подшипника наружное 225.42ODX42.8THK
Количество
4
Подгруппа
9672
Порядковый номер детали
524
26
26
Артикул: 86050184
нет в наличии
Подшипник конический однорядный ID-127.0mm Thk-38
Количество на схеме: 4
Информация
Подшипник конический однорядный ID-127.0mm Thk-38
Количество
4
Группа
Механизм опрокидывающий платформы автомобиля-самосвала
Подгруппа
8605
Порядковый номер детали
018
26
26
Артикул: 9672525
нет в наличии
Подшипник конический 165.10IDX42.8THK
Количество на схеме: 4
Информация
Подшипник конический 165.10IDX42.8THK
Количество
4
Подгруппа
9672
Порядковый номер детали
525
27
27
Артикул: 9780074
нет в наличии
Болт колеса
Количество на схеме: 32
Информация
Болт колеса
Количество
32
Подгруппа
9780
Порядковый номер детали
074
28
28
Артикул: 9672314
нет в наличии
Уплотнение ступицы колеса
Количество на схеме: 2
Информация
Уплотнение ступицы колеса
Количество
2
Подгруппа
9672
Порядковый номер детали
314
28
28
Артикул: 9672579
нет в наличии
Уплотнение масляное внут. O7,84 х внеш. O10,23 х 0
Количество на схеме: 2
Информация
Уплотнение масляное внут. O7,84 х внеш. O10,23 х 0
Количество
2
Подгруппа
9672
Порядковый номер детали
579
29
29
Артикул: 86011281
нет в наличии
Корпус полуоси, серия 80/82/84 + BVI
Количество на схеме: 4
Информация
Корпус полуоси, серия 80/82/84 + BVI
Количество
4
Группа
Механизм опрокидывающий платформы автомобиля-самосвала
Подгруппа
Надрамник платформы
Порядковый номер детали
128
29
29
Артикул: 86012399
нет в наличии
Корпус полуоси, 4WD
Количество на схеме: 4
Информация
Корпус полуоси, 4WD
Количество
4
Группа
Механизм опрокидывающий платформы автомобиля-самосвала
Подгруппа
Надрамник платформы
Порядковый номер детали
239
29
29
Артикул: 86012400
нет в наличии
Корпус полуоси, длина 737мм, L4WD
Количество на схеме: 4
Информация
Корпус полуоси, длина 737мм, L4WD
Количество
4
Группа
Механизм опрокидывающий платформы автомобиля-самосвала
Подгруппа
Надрамник платформы
Порядковый номер детали
240
29
29
Артикул: 9704726
нет в наличии
Труба полуоси
Количество на схеме: 4
Информация
Труба полуоси
Количество
4
Подгруппа
9704
Порядковый номер детали
726
29
29
Артикул: 9705792
нет в наличии
Корпус полуоси, длина 675.5мм, L4WD
Количество на схеме: 4
Информация
Корпус полуоси, длина 675.5мм, L4WD
Количество
4
Подгруппа
9705
Порядковый номер детали
792
30
30
Артикул: 86000859
нет в наличии
Мост L4WD
Количество на схеме: 4
Информация
Мост L4WD
Количество
4
Группа
Механизм опрокидывающий платформы автомобиля-самосвала
Подгруппа
8600
Порядковый номер детали
085
30
30
Артикул: 86032703
нет в наличии
Полуось короткая
Количество на схеме: 4
Информация
Полуось короткая
Количество
4
Группа
Механизм опрокидывающий платформы автомобиля-самосвала
Подгруппа
Гидроподъемник
Порядковый номер детали
270
30
30
Артикул: 86033782
нет в наличии
Полуось, L4WD
Количество на схеме: 4
Информация
Полуось, L4WD
Количество
4
Группа
Механизм опрокидывающий платформы автомобиля-самосвала
Подгруппа
Гидроподъемник
Порядковый номер детали
378
30
30
Артикул: 9704957
нет в наличии
Полуось, длина 1141мм L4WD
Количество на схеме: 4
Информация
Полуось, длина 1141мм L4WD
Количество
4
Подгруппа
9704
Порядковый номер детали
957
30
30
Артикул: 9706083
нет в наличии
Полуось, длина 1080мм L4WD
Количество на схеме: 4
Информация
Полуось, длина 1080мм L4WD
Количество
4
Подгруппа
9706
Порядковый номер детали
083
31
31
Артикул: 9672419
нет в наличии
Шайба 16.00х28.00х3.00, Нdn, Вl, сталь
Количество на схеме: 12
Информация
Шайба 16.00х28.00х3.00, Нdn, Вl, сталь
Количество
12
Подгруппа
9672
Порядковый номер детали
419
32
32
Артикул: 86050189
нет в наличии
Винт 5/8dm-11UNCх1.75
Количество на схеме: 8
Информация
Винт 5/8dm-11UNCх1.75
Количество
8
Группа
Механизм опрокидывающий платформы автомобиля-самосвала
Подгруппа
8605
Порядковый номер детали
018
33
33
Артикул: 86002544
нет в наличии
Маслоуказатель
Количество на схеме: 1
Информация
Маслоуказатель
Количество
1
Группа
Механизм опрокидывающий платформы автомобиля-самосвала
Подгруппа
8600
Порядковый номер детали
254
34
34
Артикул: 14457281
нет в наличии
Кольцо уплотнительное, внут.диам.15.54 толщина2.62
Количество на схеме: 2
Информация
Кольцо уплотнительное, внут.диам.15.54 толщина2.62
Количество
2
Группа
Система управления двигателем электронная
Подгруппа
1445
Порядковый номер детали
728
35
35
Артикул: 44139
нет в наличии
Винт с гексагональной головкой M30 x 120 10.9PL
Количество на схеме: 16
Информация
Винт с гексагональной головкой M30 x 120 10.9PL
Количество
16
36
36
Артикул: 86015466
нет в наличии
Шайба 1.25 X 2.25 X 0.156
Количество на схеме: 32
Информация
Шайба 1.25 X 2.25 X 0.156
Количество
32
Группа
Механизм опрокидывающий платформы автомобиля-самосвала
Подгруппа
Надрамник платформы
Порядковый номер детали
546
37
37
Артикул: 86509266
нет в наличии
Гайка шестигранная M30 класс 10 PL
Количество на схеме: 32
Информация
Гайка шестигранная M30 класс 10 PL
Количество
32
Группа
Механизм опрокидывающий платформы автомобиля-самосвала
Подгруппа
8650
Порядковый номер детали
926
38
38
Артикул: 86050187
нет в наличии
Контргайка полуоси
Количество на схеме: 2
Информация
Контргайка полуоси
Количество
2
Группа
Механизм опрокидывающий платформы автомобиля-самосвала
Подгруппа
8605
Порядковый номер детали
018
38
38
Артикул: V60072
нет в наличии
Шайба фиксирующая,
Количество на схеме: 2
Информация
Шайба фиксирующая,
Количество
2
39
39
Артикул: 86024124
нет в наличии
Контргайка трубчатой балки оси
Количество на схеме: 2
Информация
Контргайка трубчатой балки оси
Количество
2
Группа
Механизм опрокидывающий платформы автомобиля-самосвала
Подгруппа
8602
Порядковый номер детали
412
39
39
Артикул: 86050188
нет в наличии
Контргайка
Количество на схеме: 2
Информация
Контргайка
Количество
2
Группа
Механизм опрокидывающий платформы автомобиля-самосвала
Подгруппа
8605
Порядковый номер детали
018
40
40
Артикул: 88557
нет в наличии
Болт шестигранный 0.75x2.00GR5 PL
Количество на схеме: 24
Информация
Болт шестигранный 0.75x2.00GR5 PL
Количество
24
41
41
Артикул: 88556
нет в наличии
Болт 0.62х2.25 Gr-5 Рl
Количество на схеме: 4
Информация
Болт 0.62х2.25 Gr-5 Рl
Количество
4
42
42
Артикул: 86002544
нет в наличии
Маслоуказатель
Количество на схеме: 1
Информация
Маслоуказатель
Количество
1
Группа
Механизм опрокидывающий платформы автомобиля-самосвала
Подгруппа
8600
Порядковый номер детали
254
42
42
Артикул: 9706802
нет в наличии
Датчик уровня масла с фильтром
Количество на схеме: 1
Информация
Датчик уровня масла с фильтром
Количество
1
Подгруппа
9706
Порядковый номер детали
802
43
43
Артикул: 20864
нет в наличии
Фитинг 5/16х1/8
Количество на схеме: 2
Информация
Фитинг 5/16х1/8
Количество
2
44
44
Артикул: V100406
нет в наличии
Рукав 0.312x680
Количество на схеме: 1
Информация
Рукав 0.312x680
Количество
1
Покрытие
без покрытия
45
45
Артикул: 20864
нет в наличии
Фитинг 5/16х1/8
Количество на схеме: 2
Информация
Фитинг 5/16х1/8
Количество
2
46
46
Артикул: 229144
нет в наличии
Фитинг 90, 1/4NPT
Количество на схеме: 1
Информация
Фитинг 90, 1/4NPT
Количество
1
Покрытие
без покрытия
47
47
Артикул: 86002555
нет в наличии
Сапун 1/4 NPT
Количество на схеме: 1
Информация
Сапун 1/4 NPT
Количество
1
Группа
Механизм опрокидывающий платформы автомобиля-самосвала
Подгруппа
8600
Порядковый номер детали
255
  • Грузовые автомобили
  • Автобусы
  • Сельхозтехника
  • Спецтехника
  • Двигатели
Получить оптовый прайс-лист
Скачать прайс-лист от 26.05.2026 08:00
Специальное предложение от 25.05.2026 17:00
Производители:


  • WEICHAI
  • Автодизель ПАО (ЯМЗ)
  • Тутаевский МЗ
  • ЯЗДА
  • УралАЗ
  • МАЗ
  • АЗПИ
  • BOSCH
  • ММЗ
  • ШААЗ
  • FEDERAL MOGUL
  • ПРАМО
  • Мотордеталь
  • ТАИМ
  • АвтоКрАЗ
  • БЕЛКАРД
  • CZ Strakonice
  • КамАЗ
  • БЗА
  • ЧМЗ
  • BMZ
Новости
Все новости
25 марта 2024
Флагманский седельный тягач «Валдай 45» на выставке «TransRussia»
10 марта 2024
Современные автобусы «CITYMAX 9» и ЛиАЗ-5292 CNG
25 февраля 2024
Серийное производство средних дизельных двигателей повышенной мощности от ЯМЗ
Статьи
Все статьи
Датчики двигателя: за что они отвечают, признаки неисправности и как не прогадать с выбором
Двигатели ЯМЗ-534: история, технические характеристики и области применения
Двигатели ЯМЗ 650: углублённый технический обзор и история
Компания
О компании
Реквизиты
Новости
Политика
Магазины
Информация
Условия оплаты
Условия доставки
Гарантия на товар
Обмен и возврат товара
Помощь
Как оформить заказ
Полезные статьи
Бренды
Пункты выдачи
Оставайтесь на связи
  • Вконтакте
  • YouTube
  • Одноклассники
  • Google Plus
Увидели ошибку?
Выделите, нажав Ctrl + Enter
Наши контакты
8-800-700-35-68
sales@din76.ru
г. Ярославль, Ленинградский пр-т 33, ТЦ "ОМЕГА"
2026 © ООО «Динамика 76» - Все права защищены ООО "Динамика 76"
Предложения на сайте не являются публичной офертой.
На сайте обнаружена ошибка

Текст с ошибкой