Избранное 0 Корзина 0 Личный кабинет
logo
Каталог
Каталог
  • Справочник
    • Грузовые автомобили
    • Автобусы
    • Сельхозтехника
    • Спецтехника
    • Двигатели
  • Доставка
  • Оплата
  • О компании
    • Реквизиты
    • Магазины
    • Оплата
    • Доставка
    • Лицензии и сертификаты
    • Новости
    • Вакансии
  • Контакты
Отправить заявку
Личный кабинет
8 (800) 700-35-68
sales@din76.ru
Избранное 0 Корзина 0
8 (800) 700-35-68
Оптовый прайс-лист
Каталог
  • Двигатели
  • Запчасти WEICHAI
  • Запчасти ЯМЗ, ТМЗ (V-образные)
  • Запчасти ЯМЗ-534, ЯМЗ-536
  • Запчасти ЯМЗ-650, ЯМЗ-651, DCi-11
  • Топливная аппаратура
  • Запчасти УРАЛ
  • Запчасти МАЗ
  • Запчасти КамАЗ
  • Запчасти ММЗ
  • Ремни
Автокаталог (справочник)
  • Доставка
  • Оплата
  • О компании
  • Контакты
8 (800) 700-35-68
Написать в Whatsapp
sales@din76.ru
Динамика 76
Меню  
  • Каталог
    • Двигатели  
      • Двигатели ТМЗ  
        • Двигатели ТМЗ для автомобилей
        • Двигатели ТМЗ для тракторов
        • Специальные двигатели ТМЗ
        • Промышленные двигатели ТМЗ
      • Двигатели ЯМЗ  
        • ЯМЗ 236
        • ЯМЗ 238
        • ЯМЗ 240
        • ЯМЗ 751
        • ЯМЗ 840
        • ЯМЗ 850
        • ЯМЗ 656
        • ЯМЗ 658
        • ЯМЗ 534
        • ЯМЗ 536
        • ЯМЗ 650
        • Двигатели ЯМЗ для электростанций
      • Двигатели КАМАЗ
      • Двигатели ММЗ
      • Двигатели индивидуальной сборки
      • Комплекты переоборудования
    • Запчасти WEICHAI  
      • Основные запчасти двигателя  
        • Клапаны и толкатели
        • Шатуны
        • Вал коленчатый и маховик
        • Вал распределительный
        • Цилиндро-поршневая группа
      • Система питания  
        • Форсунки
        • Турбокомпрессор
      • Система смазки  
        • Насос масляный
      • Головка блока
      • Ремкомплекты
      • Система охлаждения  
        • Насос водяной
        • Муфта вязкостная и крыльчатка
      • Фильтры
      • Электрооборудование  
        • Генератор
        • Стартер
    • Запчасти ЯМЗ, ТМЗ (V-образные)  
      • Основные запчасти двигателя  
        • Блок двигателя и комплектующие
        • Валы распределительные и клапаны
        • Головка блока и комплектующие
        • Цилиндро-поршневая группа
        • Маховики и комплектующие
        • Валы коленчатые и комплектующие
        • Шатуны и комплектующие
      • Система питания  
        • Коллекторы и патрубки
        • Топливные трубопроводы
        • Турбокомпрессор
        • Топливные фильтры
      • Электрооборудование двигателя
      • Система охлаждения  
        • Вязкостные муфты и крыльчатки
        • Приводы вентилятора
        • Водяные насосы
        • Водяные трубы и термостаты
      • Коробки переключения передач  
        • 8 Ступенчатые КПП
        • 5 Ступенчатые КПП
        • 9 Ступенчатые КПП
        • Запасные части КПП ЯМЗ, ТМЗ
      • Система смазки  
        • Теплообменник и комплектующие
        • Масляные насосы
        • Фильтры масляные (ФГОМ, ФЦОМ)
      • Сцепление  
        • Запасные части механизма сцепления
        • Муфты (подшипники выжимные)
        • Корзины (диски нажимные)
        • Диски ведомые
      • Прочие запчасти двигателя  
        • Ремкомплекты
        • Привод агрегатов
        • Натяжные устройства
        • Трубки
    • Запчасти ЯМЗ-534, ЯМЗ-536  
      • Основные запчасти двигателя  
        • Цилиндро-поршневая группа
        • Головка блока цилиндров и комплектующие
        • Блок цилиндров и комплектующие
        • Вал коленчатый и маховик
        • Вал распределительный
        • Клапаны и толкатели
        • ГУР (Гидроусилитель руля)
        • Система рециркуляции отработавших газов
        • Выпускной коллектор
      • Система питания  
        • Коллекторы и патрубки
        • Топливные фильтры
        • Турбокомпрессор
        • Топливные трубопроводы
      • Система смазки  
        • Масляный картер поддон
        • Масляный насос
        • Теплообменник /Водо-масляный радиатор
        • Фильтры масляные (ФГОМ, ФЦОМ)
      • Пневмокомпрессор и натяжное
      • Система охлаждения  
        • Водяной насос
        • Водяные трубы и патрубки
        • Муфты вязкостные, приводы, крыльчатки
      • Ремкомплекты
      • Сцепление
      • Электрооборудование
    • Запчасти ЯМЗ-650, ЯМЗ-651, DCi-11  
      • Основные запчасти двигателя  
        • Цилиндро-поршневая группа
        • Головка блока цилиндров и комплектующие
        • Блок цилиндров и комплектующие
        • Вал коленчатый и маховик
        • Выпускной коллектор
        • Вал распределительный
        • Клапаны и толкатели
        • ГУР (Гидроусилитель руля)
        • Система рециркуляции отработавших газов
      • Система питания  
        • Коллекторы и патрубки
        • Топливные трубопроводы
        • Топливные фильтры
        • Турбокомпрессор
      • Система смазки  
        • Масляный картер / поддон
        • Масляный насос
        • Теплообменник / Водо-масляный радиатор
        • Фильтры масляные (ФГОМ, ФЦОМ)
      • Система охлаждения  
        • Водяной насос
        • Водяные трубы и патрубки
        • Муфты вязкостные, приводы, крыльчатки
      • Ремкомплекты
      • Пневмокомпрессор и натяжное
      • Электрооборудование
      • Сцепление
    • Топливная аппаратура  
      • ЯЗДА  
        • Распылители
        • ТНВД
        • Форсунки
        • Топливный насос низкого давления
        • Пары плунжерные
        • Муфта опережения впрыска топлива
        • Запчасти и комплектующие ТНВД
      • НЗТА
      • АЗПИ  
        • Распылители
        • Форсунки
      • BOSCH
    • Запчасти УРАЛ  
      • Трансмиссия  
        • Коробка раздаточная
        • Передача карданная
        • Мост задний
        • Мост передний (ведущий)
        • Мост средний (промежуточный)
      • Кузов  
        • Дверь кабины
        • Капот, крылья, облицовка радиатора
        • Окно ветровое и заднее
        • Отопление и вентиляция кабины
        • Кабина
      • Механизмы управления  
        • Управление рулевое
        • Тормоза
      • Дополнительное оборудование  
        • Отбор мощности
        • Устройство седельное
      • Электрооборудование
      • Ходовая часть  
        • Колеса и ступицы
        • Ось передняя
        • Подвеска автомобиля
        • Рама
    • Запчасти МАЗ  
      • Трансмиссия  
        • Мост задний
        • Мост передний (ведущий)
        • Передача карданная
        • Мост средний (промежуточный)
      • Кузов  
        • Кабина
        • Дверь кабины
        • Детали основания кабины
        • Окно ветровое и заднее
        • Платформа
      • Механизмы управления  
        • Тормоза
        • Управление рулевое
      • Ходовая часть  
        • Колеса и ступицы
        • Ось передняя
        • Подвеска автомобиля
        • Рама
    • Запчасти КамАЗ  
      • Кузов  
        • Кабина
        • Капот, крылья, облицовка радиатора
        • Дверь кабины
        • Платформа
        • Окно ветровое и заднее
        • Устройство подъемное и опрокидывающее
        • Сиденье
        • Крыша кабины (крыша кузова)
        • Отопление и вентиляция кабины
      • Трансмиссия  
        • Коробка передач
        • Коробка раздаточная
        • Мост задний
        • Сцепление
        • Мост средний (промежуточный)
        • Передача карданная
        • Мост передний (ведущий)
      • Двигатель  
        • Основные запчасти двигателя
        • Система охлаждения
        • Система питания
        • Система смазки
      • Дополнительное оборудование  
        • Отбор мощности
        • Устройство седельное
      • Ходовая часть  
        • Подвеска автомобиля
        • Рама
        • Колеса и ступицы
        • Ось передняя
      • Механизмы управления  
        • Тормоза
        • Управление рулевое
      • Электрооборудование
    • Запчасти ММЗ
    • Ремни
  • Справочник
    • Грузовые автомобили
    • Автобусы
    • Сельхозтехника
    • Спецтехника
    • Двигатели
  • Как купить
    • Условия оплаты
    • Условия доставки
    • Гарантия на товар
    • Пункты выдачи
  • Услуги
    • Капитальный ремонт двигателей ЯМЗ
  • Акции
  • Статьи
  • Контакты
  • Компания
    • Реквизиты
    • Магазины
    • Оплата
    • Доставка
    • Лицензии и сертификаты
    • Новости
    • Вакансии
Избранное 0 Корзина 0
8-800-700-35-68

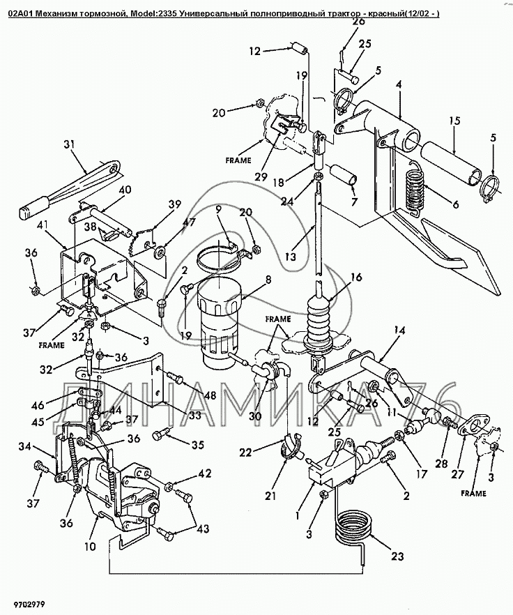
02A01 Механизм тормозной на Versatile серии 2000 (до 2008 г.)

Справочник
Главная
-
Автокаталог
-
Сельхозтехника
-
Versatile
-
Versatile серии 2000
Справочный каталог

02A01 Механизм тормозной — Versatile серии 2000:

1 2 2 3 3 3 4 5 5 6 6 7 8 9 10 11 12 12 13 14 15 16 17 18 19 19 20 20 21 22 23 24 25 25 26 26 27 28 29 30 31 31 32 32 33 33 34 35 36 36 36 36 37 37 37 38 39 40 41 42 43 44 45 46 47 48
в наличии
нет в наличии
масштаб

В наличии
Нет в наличии

Перечень комплектующих от 02A01 Механизм тормозной на Versatile серии 2000

Схемы запчастей предназначены для справочных целей! Мы продаем не все запчасти от 02A01 Механизм тормозной на Versatile серии 2000, представленные в этом списке.
Наличие на складах по деталям с ценой смотрите в карточке товара.
1
1
Артикул: 9704710
нет в наличии
Цилиндр тормозной главный
Количество на схеме: 1
Информация
Цилиндр тормозной главный
Количество
1
Подгруппа
9704
Порядковый номер детали
710
2
2
Артикул: 9840672
нет в наличии
Болт M10x1.50x30
Количество на схеме: 3
Информация
Болт M10x1.50x30
Количество
3
Подгруппа
9840
Порядковый номер детали
672
3
3
Артикул: 43435
нет в наличии
Гайка M10 Usr Pl
Количество на схеме: 7
Информация
Гайка M10 Usr Pl
Количество
7
4
4
Артикул: 9706372
нет в наличии
Педаль тормоза
Количество на схеме: 1
Информация
Педаль тормоза
Количество
1
Подгруппа
9706
Порядковый номер детали
372
5
5
Артикул: 25121
нет в наличии
Стопорное кольцо диам.1.00dm
Количество на схеме: 2
Информация
Стопорное кольцо диам.1.00dm
Количество
2
6
6
Артикул: 86024297
нет в наличии
Пружина растяжения 31.7 внешн. диам., 125 длина
Количество на схеме: 1
Информация
Пружина растяжения 31.7 внешн. диам., 125 длина
Количество
1
Группа
Механизм опрокидывающий платформы автомобиля-самосвала
Подгруппа
8602
Порядковый номер детали
429
6
6
Артикул: 9790661
нет в наличии
Пружина диам.наруж. 1.25dm длина 4.92dm, педаль сцепления/тормоза
Количество на схеме: 1
Информация
Пружина диам.наруж. 1.25dm длина 4.92dm, педаль сцепления/тормоза
Количество
1
Подгруппа
9790
Порядковый номер детали
661
7
7
Артикул: 9703405
нет в наличии
Фиксатор педали сцепления/тормоза
Количество на схеме: 1
Информация
Фиксатор педали сцепления/тормоза
Количество
1
Подгруппа
9703
Порядковый номер детали
405
8
8
Артикул: 9704613
нет в наличии
Бачок
Количество на схеме: 1
Информация
Бачок
Количество
1
Подгруппа
9704
Порядковый номер детали
613
9
9
Артикул: 9706150
нет в наличии
Хомут
Количество на схеме: 1
Информация
Хомут
Количество
1
Подгруппа
9706
Порядковый номер детали
150
10
10
Артикул: 9705927
нет в наличии
Суппорт тормоза
Количество на схеме: 1
Информация
Суппорт тормоза
Количество
1
Подгруппа
9705
Порядковый номер детали
927
11
11
Артикул: 86011737
нет в наличии
Наконечник 3/8 24UNF
Количество на схеме: 1
Информация
Наконечник 3/8 24UNF
Количество
1
Группа
Механизм опрокидывающий платформы автомобиля-самосвала
Подгруппа
Надрамник платформы
Порядковый номер детали
173
12
12
Артикул: V14841
нет в наличии
Втулка диам.внутр.0.509dm
Количество на схеме: 4
Информация
Втулка диам.внутр.0.509dm
Количество
4
13
13
Артикул: 9706258
нет в наличии
Тяга регулируемая
Количество на схеме: 1
Информация
Тяга регулируемая
Количество
1
Подгруппа
9706
Порядковый номер детали
258
14
14
Артикул: 9706260
нет в наличии
Рычаг коленчатый
Количество на схеме: 1
Информация
Рычаг коленчатый
Количество
1
Подгруппа
9706
Порядковый номер детали
260
15
15
Артикул: 515308
нет в наличии
Втулка бронзовая, диам.внутр.1.003 наруж. 1.128 длина 1.0dm
Количество на схеме: 2
Информация
Втулка бронзовая, диам.внутр.1.003 наруж. 1.128 длина 1.0dm
Количество
2
Покрытие
без покрытия
16
16
Артикул: 9706251
нет в наличии
Чехол
Количество на схеме: 1
Информация
Чехол
Количество
1
Подгруппа
9706
Порядковый номер детали
251
17
17
Артикул: 87308
нет в наличии
Гайка 3/8dm-24
Количество на схеме: 1
Информация
Гайка 3/8dm-24
Количество
1
18
18
Артикул: V20453
нет в наличии
Вилка штока тормозной тяги
Количество на схеме: 1
Информация
Вилка штока тормозной тяги
Количество
1
19
19
Артикул: 86511477
нет в наличии
Болт шестигранный FLG USR M 5 X 16 PL
Количество на схеме: 4
Информация
Болт шестигранный FLG USR M 5 X 16 PL
Количество
4
Группа
Механизм опрокидывающий платформы автомобиля-самосвала
Подгруппа
8651
Порядковый номер детали
147
20
20
Артикул: 43416
нет в наличии
Гайка M5
Количество на схеме: 4
Информация
Гайка M5
Количество
4
21
21
Артикул: 244358
нет в наличии
Хомут
Количество на схеме: 2
Информация
Хомут
Количество
2
Покрытие
без покрытия
22
22
Артикул: 9706262
нет в наличии
Трубка 6.3ммx546мм
Количество на схеме: 1
Информация
Трубка 6.3ммx546мм
Количество
1
Подгруппа
9706
Порядковый номер детали
262
23
23
Артикул: 9706263
нет в наличии
Трубка тормозная
Количество на схеме: 1
Информация
Трубка тормозная
Количество
1
Подгруппа
9706
Порядковый номер детали
263
24
24
Артикул: 87309
нет в наличии
Гайка G2, 1/2dm-20
Количество на схеме: 1
Информация
Гайка G2, 1/2dm-20
Количество
1
25
25
Артикул: 20446
нет в наличии
Палец 1/2dm
Количество на схеме: 2
Информация
Палец 1/2dm
Количество
2
26
26
Артикул: 130004
нет в наличии
Скрепка 3.2x25мм
Количество на схеме: 2
Информация
Скрепка 3.2x25мм
Количество
2
Покрытие
без покрытия
27
27
Артикул: V75121
нет в наличии
Крышка подшипника диам.внут.7/8dm
Количество на схеме: 2
Информация
Крышка подшипника диам.внут.7/8dm
Количество
2
28
28
Артикул: 274249
нет в наличии
Болт шестигранный USR M10x20 PL
Количество на схеме: 4
Информация
Болт шестигранный USR M10x20 PL
Количество
4
Покрытие
без покрытия
29
29
Артикул: 9706898
нет в наличии
Кронштейн переключателя L4WD
Количество на схеме: 1
Информация
Кронштейн переключателя L4WD
Количество
1
Подгруппа
9706
Порядковый номер детали
898
30
30
Артикул: V33491
нет в наличии
Кольцо уплотнительное, диам.внут. 5/8 наруж. 1/4 толщина 3/16dm
Количество на схеме: 1
Информация
Кольцо уплотнительное, диам.внут. 5/8 наруж. 1/4 толщина 3/16dm
Количество
1
31
31
Артикул: 86021838
нет в наличии
Рычаг стояночного тормоза
Количество на схеме: 1
Информация
Рычаг стояночного тормоза
Количество
1
Группа
Механизм опрокидывающий платформы автомобиля-самосвала
Подгруппа
8602
Порядковый номер детали
183
31
31
Артикул: 86030463
нет в наличии
Рычаг стояночного тормоза
Количество на схеме: 1
Информация
Рычаг стояночного тормоза
Количество
1
Группа
Механизм опрокидывающий платформы автомобиля-самосвала
Подгруппа
Гидроподъемник
Порядковый номер детали
046
32
32
Артикул: 9704828
нет в наличии
Трос стояночного тормоза
Количество на схеме: 1
Информация
Трос стояночного тормоза
Количество
1
Подгруппа
9704
Порядковый номер детали
828
33
33
Артикул: 86002348
нет в наличии
Кронштейн
Количество на схеме: 1
Информация
Кронштейн
Количество
1
Группа
Механизм опрокидывающий платформы автомобиля-самосвала
Подгруппа
8600
Порядковый номер детали
234
33
33
Артикул: 86002420
нет в наличии
Кронштейн
Количество на схеме: 1
Информация
Кронштейн
Количество
1
Группа
Механизм опрокидывающий платформы автомобиля-самосвала
Подгруппа
8600
Порядковый номер детали
242
34
34
Артикул: 86027817
нет в наличии
Кронштейн тормозного привода (красный)
Количество на схеме: 1
Информация
Кронштейн тормозного привода (красный)
Количество
1
Группа
Механизм опрокидывающий платформы автомобиля-самосвала
Подгруппа
8602
Порядковый номер детали
781
35
35
Артикул: 86505259
нет в наличии
Болт M12x70 10.9 Pl
Количество на схеме: 2
Информация
Болт M12x70 10.9 Pl
Количество
2
Группа
Механизм опрокидывающий платформы автомобиля-самосвала
Подгруппа
8650
Порядковый номер детали
525
36
36
Артикул: 9670023
нет в наличии
Контргайка с нейлоновой вставкой M8 класс 8 PL
Количество на схеме: 6
Информация
Контргайка с нейлоновой вставкой M8 класс 8 PL
Количество
6
Подгруппа
9670
Порядковый номер детали
023
37
37
Артикул: 9671714
нет в наличии
Болт шестигранный FLG M 8x25 8.8PL
Количество на схеме: 4
Информация
Болт шестигранный FLG M 8x25 8.8PL
Количество
4
Подгруппа
9671
Порядковый номер детали
714
38
38
Артикул: 9511051
нет в наличии
Штифт 6.0х30мм
Количество на схеме: 2
Информация
Штифт 6.0х30мм
Количество
2
Подгруппа
9511
Порядковый номер детали
051
39
39
Артикул: 86502785
нет в наличии
Рычажные зубья
Количество на схеме: 1
Информация
Рычажные зубья
Количество
1
Группа
Механизм опрокидывающий платформы автомобиля-самосвала
Подгруппа
8650
Порядковый номер детали
278
40
40
Артикул: 86000769
нет в наличии
Ось стояночного тормоза WA
Количество на схеме: 1
Информация
Ось стояночного тормоза WA
Количество
1
Группа
Механизм опрокидывающий платформы автомобиля-самосвала
Подгруппа
8600
Порядковый номер детали
076
41
41
Артикул: 86000763
нет в наличии
Кронштейн рычага стояночного тормоза, L4WD
Количество на схеме: 1
Информация
Кронштейн рычага стояночного тормоза, L4WD
Количество
1
Группа
Механизм опрокидывающий платформы автомобиля-самосвала
Подгруппа
8600
Порядковый номер детали
076
42
42
Артикул: V44253
нет в наличии
Шайба 17.00x30.00x3.00 Hdn Pl, сталь
Количество на схеме: 2
Информация
Шайба 17.00x30.00x3.00 Hdn Pl, сталь
Количество
2
43
43
Артикул: 9627896
нет в наличии
Болт G5 5/8dm-11 x 1-3/4dm
Количество на схеме: 4
Информация
Болт G5 5/8dm-11 x 1-3/4dm
Количество
4
Подгруппа
9627
Порядковый номер детали
896
44
44
Артикул: 86511842
нет в наличии
Болт M8x1.25x40 Cl 8.8
Количество на схеме: 2
Информация
Болт M8x1.25x40 Cl 8.8
Количество
2
Группа
Механизм опрокидывающий платформы автомобиля-самосвала
Подгруппа
8651
Порядковый номер детали
184
45
45
Артикул: 86000001
нет в наличии
Фиксатор кабеля 12.8
Количество на схеме: 1
Информация
Фиксатор кабеля 12.8
Количество
1
Группа
Механизм опрокидывающий платформы автомобиля-самосвала
Подгруппа
8600
Порядковый номер детали
000
46
46
Артикул: 86000002
нет в наличии
Стыковая прокладка
Количество на схеме: 1
Информация
Стыковая прокладка
Количество
1
Группа
Механизм опрокидывающий платформы автомобиля-самосвала
Подгруппа
8600
Порядковый номер детали
000
47
47
Артикул: 277604
нет в наличии
Шайба стальная
Количество на схеме: 1
Информация
Шайба стальная
Количество
1
Покрытие
без покрытия
48
48
Артикул: 9804272
нет в наличии
Болт M16x2x50 Cl-8.8
Количество на схеме: 2
Информация
Болт M16x2x50 Cl-8.8
Количество
2
Подгруппа
9804
Порядковый номер детали
272
  • Грузовые автомобили
  • Автобусы
  • Сельхозтехника
  • Спецтехника
  • Двигатели
Получить оптовый прайс-лист
Скачать прайс-лист от 26.05.2026 08:00
Специальное предложение от 25.05.2026 17:00
Производители:


  • WEICHAI
  • Автодизель ПАО (ЯМЗ)
  • Тутаевский МЗ
  • ЯЗДА
  • УралАЗ
  • МАЗ
  • АЗПИ
  • BOSCH
  • ММЗ
  • ШААЗ
  • FEDERAL MOGUL
  • ПРАМО
  • Мотордеталь
  • ТАИМ
  • АвтоКрАЗ
  • БЕЛКАРД
  • CZ Strakonice
  • КамАЗ
  • БЗА
  • ЧМЗ
  • BMZ
Новости
Все новости
25 марта 2024
Флагманский седельный тягач «Валдай 45» на выставке «TransRussia»
10 марта 2024
Современные автобусы «CITYMAX 9» и ЛиАЗ-5292 CNG
25 февраля 2024
Серийное производство средних дизельных двигателей повышенной мощности от ЯМЗ
Статьи
Все статьи
Датчики двигателя: за что они отвечают, признаки неисправности и как не прогадать с выбором
Двигатели ЯМЗ-534: история, технические характеристики и области применения
Двигатели ЯМЗ 650: углублённый технический обзор и история
Компания
О компании
Реквизиты
Новости
Политика
Магазины
Информация
Условия оплаты
Условия доставки
Гарантия на товар
Обмен и возврат товара
Помощь
Как оформить заказ
Полезные статьи
Бренды
Пункты выдачи
Оставайтесь на связи
  • Вконтакте
  • YouTube
  • Одноклассники
  • Google Plus
Увидели ошибку?
Выделите, нажав Ctrl + Enter
Наши контакты
8-800-700-35-68
sales@din76.ru
г. Ярославль, Ленинградский пр-т 33, ТЦ "ОМЕГА"
2026 © ООО «Динамика 76» - Все права защищены ООО "Динамика 76"
Предложения на сайте не являются публичной офертой.
На сайте обнаружена ошибка

Текст с ошибкой