Избранное 0 Корзина 0 Личный кабинет
logo
Каталог
Каталог
  • Справочник
    • Грузовые автомобили
    • Автобусы
    • Сельхозтехника
    • Спецтехника
    • Двигатели
  • Доставка
  • Оплата
  • О компании
    • Реквизиты
    • Магазины
    • Оплата
    • Доставка
    • Лицензии и сертификаты
    • Новости
    • Вакансии
  • Контакты
Отправить заявку
Личный кабинет
8 (800) 700-35-68
sales@din76.ru
Избранное 0 Корзина 0
8 (800) 700-35-68
Оптовый прайс-лист
Каталог
  • Двигатели
  • Запчасти WEICHAI
  • Запчасти ЯМЗ, ТМЗ (V-образные)
  • Запчасти ЯМЗ-534, ЯМЗ-536
  • Запчасти ЯМЗ-650, ЯМЗ-651, DCi-11
  • Топливная аппаратура
  • Запчасти УРАЛ
  • Запчасти МАЗ
  • Запчасти КамАЗ
  • Запчасти ММЗ
  • Ремни
Автокаталог (справочник)
  • Доставка
  • Оплата
  • О компании
  • Контакты
8 (800) 700-35-68
Написать в Whatsapp
sales@din76.ru
Динамика 76
Меню  
  • Каталог
    • Двигатели  
      • Двигатели ТМЗ  
        • Двигатели ТМЗ для автомобилей
        • Двигатели ТМЗ для тракторов
        • Специальные двигатели ТМЗ
        • Промышленные двигатели ТМЗ
      • Двигатели ЯМЗ  
        • ЯМЗ 236
        • ЯМЗ 238
        • ЯМЗ 240
        • ЯМЗ 751
        • ЯМЗ 840
        • ЯМЗ 850
        • ЯМЗ 656
        • ЯМЗ 658
        • ЯМЗ 534
        • ЯМЗ 536
        • ЯМЗ 650
        • Двигатели ЯМЗ для электростанций
      • Двигатели КАМАЗ
      • Двигатели ММЗ
      • Двигатели индивидуальной сборки
      • Комплекты переоборудования
    • Запчасти WEICHAI  
      • Основные запчасти двигателя  
        • Клапаны и толкатели
        • Шатуны
        • Вал коленчатый и маховик
        • Вал распределительный
        • Цилиндро-поршневая группа
      • Система питания  
        • Форсунки
        • Турбокомпрессор
      • Система смазки  
        • Насос масляный
      • Головка блока
      • Ремкомплекты
      • Система охлаждения  
        • Насос водяной
        • Муфта вязкостная и крыльчатка
      • Фильтры
      • Электрооборудование  
        • Генератор
        • Стартер
    • Запчасти ЯМЗ, ТМЗ (V-образные)  
      • Основные запчасти двигателя  
        • Блок двигателя и комплектующие
        • Валы распределительные и клапаны
        • Головка блока и комплектующие
        • Цилиндро-поршневая группа
        • Маховики и комплектующие
        • Валы коленчатые и комплектующие
        • Шатуны и комплектующие
      • Система питания  
        • Коллекторы и патрубки
        • Топливные трубопроводы
        • Турбокомпрессор
        • Топливные фильтры
      • Электрооборудование двигателя
      • Система охлаждения  
        • Вязкостные муфты и крыльчатки
        • Приводы вентилятора
        • Водяные насосы
        • Водяные трубы и термостаты
      • Коробки переключения передач  
        • 8 Ступенчатые КПП
        • 5 Ступенчатые КПП
        • 9 Ступенчатые КПП
        • Запасные части КПП ЯМЗ, ТМЗ
      • Система смазки  
        • Теплообменник и комплектующие
        • Масляные насосы
        • Фильтры масляные (ФГОМ, ФЦОМ)
      • Сцепление  
        • Запасные части механизма сцепления
        • Муфты (подшипники выжимные)
        • Корзины (диски нажимные)
        • Диски ведомые
      • Прочие запчасти двигателя  
        • Ремкомплекты
        • Привод агрегатов
        • Натяжные устройства
        • Трубки
    • Запчасти ЯМЗ-534, ЯМЗ-536  
      • Основные запчасти двигателя  
        • Цилиндро-поршневая группа
        • Головка блока цилиндров и комплектующие
        • Блок цилиндров и комплектующие
        • Вал коленчатый и маховик
        • Вал распределительный
        • Клапаны и толкатели
        • ГУР (Гидроусилитель руля)
        • Система рециркуляции отработавших газов
        • Выпускной коллектор
      • Система питания  
        • Коллекторы и патрубки
        • Топливные фильтры
        • Турбокомпрессор
        • Топливные трубопроводы
      • Система смазки  
        • Масляный картер поддон
        • Масляный насос
        • Теплообменник /Водо-масляный радиатор
        • Фильтры масляные (ФГОМ, ФЦОМ)
      • Пневмокомпрессор и натяжное
      • Система охлаждения  
        • Водяной насос
        • Водяные трубы и патрубки
        • Муфты вязкостные, приводы, крыльчатки
      • Ремкомплекты
      • Сцепление
      • Электрооборудование
    • Запчасти ЯМЗ-650, ЯМЗ-651, DCi-11  
      • Основные запчасти двигателя  
        • Цилиндро-поршневая группа
        • Головка блока цилиндров и комплектующие
        • Блок цилиндров и комплектующие
        • Вал коленчатый и маховик
        • Выпускной коллектор
        • Вал распределительный
        • Клапаны и толкатели
        • ГУР (Гидроусилитель руля)
        • Система рециркуляции отработавших газов
      • Система питания  
        • Коллекторы и патрубки
        • Топливные трубопроводы
        • Топливные фильтры
        • Турбокомпрессор
      • Система смазки  
        • Масляный картер / поддон
        • Масляный насос
        • Теплообменник / Водо-масляный радиатор
        • Фильтры масляные (ФГОМ, ФЦОМ)
      • Система охлаждения  
        • Водяной насос
        • Водяные трубы и патрубки
        • Муфты вязкостные, приводы, крыльчатки
      • Ремкомплекты
      • Пневмокомпрессор и натяжное
      • Электрооборудование
      • Сцепление
    • Топливная аппаратура  
      • ЯЗДА  
        • Распылители
        • ТНВД
        • Форсунки
        • Топливный насос низкого давления
        • Пары плунжерные
        • Муфта опережения впрыска топлива
        • Запчасти и комплектующие ТНВД
      • НЗТА
      • АЗПИ  
        • Распылители
        • Форсунки
      • BOSCH
    • Запчасти УРАЛ  
      • Трансмиссия  
        • Коробка раздаточная
        • Передача карданная
        • Мост задний
        • Мост передний (ведущий)
        • Мост средний (промежуточный)
      • Кузов  
        • Дверь кабины
        • Капот, крылья, облицовка радиатора
        • Окно ветровое и заднее
        • Отопление и вентиляция кабины
        • Кабина
      • Механизмы управления  
        • Управление рулевое
        • Тормоза
      • Дополнительное оборудование  
        • Отбор мощности
        • Устройство седельное
      • Электрооборудование
      • Ходовая часть  
        • Колеса и ступицы
        • Ось передняя
        • Подвеска автомобиля
        • Рама
    • Запчасти МАЗ  
      • Трансмиссия  
        • Мост задний
        • Мост передний (ведущий)
        • Передача карданная
        • Мост средний (промежуточный)
      • Кузов  
        • Кабина
        • Дверь кабины
        • Детали основания кабины
        • Окно ветровое и заднее
        • Платформа
      • Механизмы управления  
        • Тормоза
        • Управление рулевое
      • Ходовая часть  
        • Колеса и ступицы
        • Ось передняя
        • Подвеска автомобиля
        • Рама
    • Запчасти КамАЗ  
      • Кузов  
        • Кабина
        • Капот, крылья, облицовка радиатора
        • Дверь кабины
        • Платформа
        • Окно ветровое и заднее
        • Устройство подъемное и опрокидывающее
        • Сиденье
        • Крыша кабины (крыша кузова)
        • Отопление и вентиляция кабины
      • Трансмиссия  
        • Коробка передач
        • Коробка раздаточная
        • Мост задний
        • Сцепление
        • Мост средний (промежуточный)
        • Передача карданная
        • Мост передний (ведущий)
      • Двигатель  
        • Основные запчасти двигателя
        • Система охлаждения
        • Система питания
        • Система смазки
      • Дополнительное оборудование  
        • Отбор мощности
        • Устройство седельное
      • Ходовая часть  
        • Подвеска автомобиля
        • Рама
        • Колеса и ступицы
        • Ось передняя
      • Механизмы управления  
        • Тормоза
        • Управление рулевое
      • Электрооборудование
    • Запчасти ММЗ
    • Ремни
  • Справочник
    • Грузовые автомобили
    • Автобусы
    • Сельхозтехника
    • Спецтехника
    • Двигатели
  • Как купить
    • Условия оплаты
    • Условия доставки
    • Гарантия на товар
    • Пункты выдачи
  • Услуги
    • Капитальный ремонт двигателей ЯМЗ
  • Акции
  • Статьи
  • Контакты
  • Компания
    • Реквизиты
    • Магазины
    • Оплата
    • Доставка
    • Лицензии и сертификаты
    • Новости
    • Вакансии
Избранное 0 Корзина 0
8-800-700-35-68

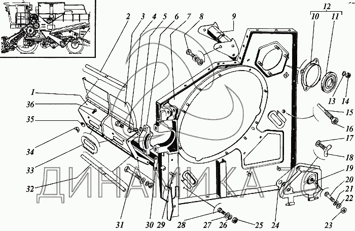
Панель левая передней секции молотилки на Дон 1500Б

Справочник
Главная
-
Автокаталог
-
Сельхозтехника
-
РСМ
-
Дон 1500Б
Справочный каталог

Панель левая передней секции молотилки — Дон 1500Б:

1 1 2 2 3 3 4 5 6 7 8 9 9 10 11 11 12 13 14 15 16 17 18 19 20 21 22 23 24 25 26 27 28 29 30 30 31 32 33 34 35 36
в наличии
нет в наличии
масштаб

В наличии
Нет в наличии

Перечень комплектующих от Панель левая передней секции молотилки на Дон 1500Б

Схемы запчастей предназначены для справочных целей! Мы продаем не все запчасти от Панель левая передней секции молотилки на Дон 1500Б, представленные в этом списке.
Наличие на складах по деталям с ценой смотрите в карточке товара.
1
1
Артикул: РСМ-10Б-01-15-060
нет в наличии
Щит
Количество на схеме: 1
Информация
Щит
Количество
1
1
1
Артикул: РСМ-8Б-01-15-060
нет в наличии
Щит
Количество на схеме: ;;
Информация
Щит
Количество
;;
2
2
Артикул: РСМ-10-01-15-606
нет в наличии
Ось
Количество на схеме: 1
Информация
Ось
Количество
1
2
2
Артикул: РСМ-8-01-15-606
нет в наличии
Ось
Количество на схеме: ;;
Информация
Ось
Количество
;;
3
3
Артикул: РСМ-10-01-15-080
нет в наличии
Щиток
Количество на схеме: 1
Информация
Щиток
Количество
1
3
3
Артикул: РСМ-8-01-15-080
нет в наличии
Щиток
Количество на схеме: ;;
Информация
Щиток
Количество
;;
4
4
Артикул: М20-6gх60-10-9-40Х-019
нет в наличии
Болт
Количество на схеме: 2
Информация
Болт
Количество
2
5
5
Артикул: 20Т-65Г-019
нет в наличии
Шайба
Количество на схеме: 2
Информация
Шайба
Количество
2
6
6
Артикул: РСМ-10-01-15-202
нет в наличии
Обойма
Количество на схеме: 1
Информация
Обойма
Количество
1
7
7
Артикул: РСМ-10Б-01-16-000
нет в наличии
Панель левая
Количество на схеме: 1
Информация
Панель левая
Количество
1
8
8
Артикул: М10х25
нет в наличии
Болт
Количество на схеме: 4
Информация
Болт
Количество
4
9
9
Артикул: РСМ-10-01-15-190
нет в наличии
Отсекатель
Количество на схеме: 1
Информация
Отсекатель
Количество
1
9
9
Артикул: РСМ-8-01-15-190
нет в наличии
Отсекатель
Количество на схеме: ;;
Информация
Отсекатель
Количество
;;
10
10
Артикул: Н-027-116
нет в наличии
Корпус подшипника
Количество на схеме: 1
Информация
Корпус подшипника
Количество
1
11
11
Артикул: 780716НК7С17
нет в наличии
Подшипник или 780716НК7С27
Количество на схеме: 1
Информация
Подшипник или 780716НК7С27
Количество
1
Покрытие
11
11
Артикул: 780716НК7С27
нет в наличии
Подшипник или 780716НК7С17
Количество на схеме: 1
Информация
Подшипник или 780716НК7С17
Количество
1
Покрытие
светлое (блестящее) цинкование
12
12
Артикул: Н-027-01-160-01
нет в наличии
Опора
Количество на схеме: 1
Информация
Опора
Количество
1
13
13
Артикул: 16Т-65Г-019
нет в наличии
Шайба
Количество на схеме: 4
Информация
Шайба
Количество
4
14
14
Артикул: М16-6Н-6-019
нет в наличии
Гайка
Количество на схеме: 4
Информация
Гайка
Количество
4
15
15
Артикул: РСМ-10-01-15-615
нет в наличии
Шпилька
Количество на схеме: 2
Информация
Шпилька
Количество
2
16
16
Артикул: М12-6Н-6-019
нет в наличии
Гайка
Количество на схеме: 2
Информация
Гайка
Количество
2
17
17
Артикул: 44-00241
нет в наличии
Втулка
Количество на схеме: 2
Информация
Втулка
Количество
2
18
18
Артикул: 44-1-2-16-2
нет в наличии
Винт
Количество на схеме: 2
Информация
Винт
Количество
2
19
19
Артикул: РСМ-10-01-15-220
нет в наличии
Крышка
Количество на схеме: 1
Информация
Крышка
Количество
1
20
20
Артикул: М8х20
нет в наличии
Болт
Количество на схеме: 2
Информация
Болт
Количество
2
21
21
Артикул: 8Т-65Г-019
нет в наличии
Шайба
Количество на схеме: 2
Информация
Шайба
Количество
2
22
22
Артикул: С8х1,4-01-019
нет в наличии
Шайба
Количество на схеме: 2
Информация
Шайба
Количество
2
23
23
Артикул: М8-6Н-6-019
нет в наличии
Гайка
Количество на схеме: 2
Информация
Гайка
Количество
2
24
24
Артикул: РСМ-10-01-15-415А
нет в наличии
Накладка
Количество на схеме: 1
Информация
Накладка
Количество
1
25
25
Артикул: М10-6Н-6-019
нет в наличии
Гайка
Количество на схеме: 15
Информация
Гайка
Количество
15
26
26
Артикул: 10Т-65Г-019
нет в наличии
Шайба
Количество на схеме: 16
Информация
Шайба
Количество
16
27
27
Артикул: С10х2,0-01-019
нет в наличии
Шайба
Количество на схеме: 16
Информация
Шайба
Количество
16
28
28
Артикул: М10-6gх25-88-35-019
нет в наличии
Болт
Количество на схеме: 6
Информация
Болт
Количество
6
29
29
Артикул: М10-6gх90-88-35-019
нет в наличии
Болт
Количество на схеме: 2
Информация
Болт
Количество
2
30
30
Артикул: РСМ-10Б-01-15-380
нет в наличии
Камнеуловитель
Количество на схеме: 1
Информация
Камнеуловитель
Количество
1
30
30
Артикул: РСМ-8Б-01-15-380
нет в наличии
Камнеуловитель
Количество на схеме: ;;
Информация
Камнеуловитель
Количество
;;
31
31
Артикул: М10-6gх110-88-35-019
нет в наличии
Болт
Количество на схеме: 4
Информация
Болт
Количество
4
32
32
Артикул: РСМ-10-05-13-602
нет в наличии
Ось
Количество на схеме: 2
Информация
Ось
Количество
2
33
33
Артикул: РСМ-10Б-01-15-411
нет в наличии
Крышка
Количество на схеме: 2
Информация
Крышка
Количество
2
34
34
Артикул: 54-2-157
нет в наличии
Гайка специальная
Количество на схеме: 4
Информация
Гайка специальная
Количество
4
35
35
Артикул: 41119
нет в наличии
Шайба эксцентричная
Количество на схеме: 4
Информация
Шайба эксцентричная
Количество
4
36
36
Артикул: М6х20
нет в наличии
Болт
Количество на схеме: 4
Информация
Болт
Количество
4
  • Грузовые автомобили
  • Автобусы
  • Сельхозтехника
  • Спецтехника
  • Двигатели
Получить оптовый прайс-лист
Скачать прайс-лист от 07.05.2026 12:00
Специальное предложение от 07.05.2026 09:00
Производители:


  • WEICHAI
  • Автодизель ПАО (ЯМЗ)
  • Тутаевский МЗ
  • ЯЗДА
  • УралАЗ
  • МАЗ
  • АЗПИ
  • BOSCH
  • ММЗ
  • ШААЗ
  • FEDERAL MOGUL
  • ПРАМО
  • Мотордеталь
  • ТАИМ
  • АвтоКрАЗ
  • БЕЛКАРД
  • CZ Strakonice
  • КамАЗ
  • БЗА
  • ЧМЗ
  • BMZ
Новости
Все новости
25 марта 2024
Флагманский седельный тягач «Валдай 45» на выставке «TransRussia»
10 марта 2024
Современные автобусы «CITYMAX 9» и ЛиАЗ-5292 CNG
25 февраля 2024
Серийное производство средних дизельных двигателей повышенной мощности от ЯМЗ
Статьи
Все статьи
Датчики двигателя: за что они отвечают, признаки неисправности и как не прогадать с выбором
Двигатели ЯМЗ-534: история, технические характеристики и области применения
Двигатели ЯМЗ 650: углублённый технический обзор и история
Компания
О компании
Реквизиты
Новости
Политика
Магазины
Информация
Условия оплаты
Условия доставки
Гарантия на товар
Обмен и возврат товара
Помощь
Как оформить заказ
Полезные статьи
Бренды
Пункты выдачи
Оставайтесь на связи
  • Вконтакте
  • YouTube
  • Одноклассники
  • Google Plus
Увидели ошибку?
Выделите, нажав Ctrl + Enter
Наши контакты
8-800-700-35-68
sales@din76.ru
г. Ярославль, Ленинградский пр-т 33, ТЦ "ОМЕГА"
2026 © ООО «Динамика 76» - Все права защищены ООО "Динамика 76"
Предложения на сайте не являются публичной офертой.
На сайте обнаружена ошибка

Текст с ошибкой