Избранное 0 Корзина 0 Личный кабинет
logo
Каталог
Каталог
  • Справочник
    • Грузовые автомобили
    • Автобусы
    • Сельхозтехника
    • Спецтехника
    • Двигатели
  • Доставка
  • Оплата
  • О компании
    • Реквизиты
    • Магазины
    • Оплата
    • Доставка
    • Лицензии и сертификаты
    • Новости
    • Вакансии
  • Контакты
Отправить заявку
Личный кабинет
8 (800) 700-35-68
sales@din76.ru
Избранное 0 Корзина 0
8 (800) 700-35-68
Оптовый прайс-лист
Каталог
  • Двигатели
  • Запчасти WEICHAI
  • Запчасти ЯМЗ, ТМЗ (V-образные)
  • Запчасти ЯМЗ-534, ЯМЗ-536
  • Запчасти ЯМЗ-650, ЯМЗ-651, DCi-11
  • Топливная аппаратура
  • Запчасти УРАЛ
  • Запчасти МАЗ
  • Запчасти КамАЗ
  • Запчасти ММЗ
  • Ремни
Автокаталог (справочник)
  • Доставка
  • Оплата
  • О компании
  • Контакты
8 (800) 700-35-68
Написать в Whatsapp
sales@din76.ru
Динамика 76
Меню  
  • Каталог
    • Двигатели  
      • Двигатели ТМЗ  
        • Двигатели ТМЗ для автомобилей
        • Двигатели ТМЗ для тракторов
        • Специальные двигатели ТМЗ
        • Промышленные двигатели ТМЗ
      • Двигатели ЯМЗ  
        • ЯМЗ 236
        • ЯМЗ 238
        • ЯМЗ 240
        • ЯМЗ 751
        • ЯМЗ 840
        • ЯМЗ 850
        • ЯМЗ 656
        • ЯМЗ 658
        • ЯМЗ 534
        • ЯМЗ 536
        • ЯМЗ 650
        • Двигатели ЯМЗ для электростанций
      • Двигатели КАМАЗ
      • Двигатели ММЗ
      • Двигатели индивидуальной сборки
      • Комплекты переоборудования
    • Запчасти WEICHAI  
      • Основные запчасти двигателя  
        • Клапаны и толкатели
        • Шатуны
        • Вал коленчатый и маховик
        • Вал распределительный
        • Цилиндро-поршневая группа
      • Система питания  
        • Форсунки
        • Турбокомпрессор
      • Система смазки  
        • Насос масляный
      • Головка блока
      • Ремкомплекты
      • Система охлаждения  
        • Насос водяной
        • Муфта вязкостная и крыльчатка
      • Фильтры
      • Электрооборудование  
        • Генератор
        • Стартер
    • Запчасти ЯМЗ, ТМЗ (V-образные)  
      • Основные запчасти двигателя  
        • Блок двигателя и комплектующие
        • Валы распределительные и клапаны
        • Головка блока и комплектующие
        • Цилиндро-поршневая группа
        • Маховики и комплектующие
        • Валы коленчатые и комплектующие
        • Шатуны и комплектующие
      • Система питания  
        • Коллекторы и патрубки
        • Топливные трубопроводы
        • Турбокомпрессор
        • Топливные фильтры
      • Электрооборудование двигателя
      • Система охлаждения  
        • Вязкостные муфты и крыльчатки
        • Приводы вентилятора
        • Водяные насосы
        • Водяные трубы и термостаты
      • Коробки переключения передач  
        • 8 Ступенчатые КПП
        • 5 Ступенчатые КПП
        • 9 Ступенчатые КПП
        • Запасные части КПП ЯМЗ, ТМЗ
      • Система смазки  
        • Теплообменник и комплектующие
        • Масляные насосы
        • Фильтры масляные (ФГОМ, ФЦОМ)
      • Сцепление  
        • Запасные части механизма сцепления
        • Муфты (подшипники выжимные)
        • Корзины (диски нажимные)
        • Диски ведомые
      • Прочие запчасти двигателя  
        • Ремкомплекты
        • Привод агрегатов
        • Натяжные устройства
        • Трубки
    • Запчасти ЯМЗ-534, ЯМЗ-536  
      • Основные запчасти двигателя  
        • Цилиндро-поршневая группа
        • Головка блока цилиндров и комплектующие
        • Блок цилиндров и комплектующие
        • Вал коленчатый и маховик
        • Вал распределительный
        • Клапаны и толкатели
        • ГУР (Гидроусилитель руля)
        • Система рециркуляции отработавших газов
        • Выпускной коллектор
      • Система питания  
        • Коллекторы и патрубки
        • Топливные фильтры
        • Турбокомпрессор
        • Топливные трубопроводы
      • Система смазки  
        • Масляный картер поддон
        • Масляный насос
        • Теплообменник /Водо-масляный радиатор
        • Фильтры масляные (ФГОМ, ФЦОМ)
      • Пневмокомпрессор и натяжное
      • Система охлаждения  
        • Водяной насос
        • Водяные трубы и патрубки
        • Муфты вязкостные, приводы, крыльчатки
      • Ремкомплекты
      • Сцепление
      • Электрооборудование
    • Запчасти ЯМЗ-650, ЯМЗ-651, DCi-11  
      • Основные запчасти двигателя  
        • Цилиндро-поршневая группа
        • Головка блока цилиндров и комплектующие
        • Блок цилиндров и комплектующие
        • Вал коленчатый и маховик
        • Выпускной коллектор
        • Вал распределительный
        • Клапаны и толкатели
        • ГУР (Гидроусилитель руля)
        • Система рециркуляции отработавших газов
      • Система питания  
        • Коллекторы и патрубки
        • Топливные трубопроводы
        • Топливные фильтры
        • Турбокомпрессор
      • Система смазки  
        • Масляный картер / поддон
        • Масляный насос
        • Теплообменник / Водо-масляный радиатор
        • Фильтры масляные (ФГОМ, ФЦОМ)
      • Система охлаждения  
        • Водяной насос
        • Водяные трубы и патрубки
        • Муфты вязкостные, приводы, крыльчатки
      • Ремкомплекты
      • Пневмокомпрессор и натяжное
      • Электрооборудование
      • Сцепление
    • Топливная аппаратура  
      • ЯЗДА  
        • Распылители
        • ТНВД
        • Форсунки
        • Топливный насос низкого давления
        • Пары плунжерные
        • Муфта опережения впрыска топлива
        • Запчасти и комплектующие ТНВД
      • НЗТА
      • АЗПИ  
        • Распылители
        • Форсунки
      • BOSCH
    • Запчасти УРАЛ  
      • Трансмиссия  
        • Коробка раздаточная
        • Передача карданная
        • Мост задний
        • Мост передний (ведущий)
        • Мост средний (промежуточный)
      • Кузов  
        • Дверь кабины
        • Капот, крылья, облицовка радиатора
        • Окно ветровое и заднее
        • Отопление и вентиляция кабины
        • Кабина
      • Механизмы управления  
        • Управление рулевое
        • Тормоза
      • Дополнительное оборудование  
        • Отбор мощности
        • Устройство седельное
      • Электрооборудование
      • Ходовая часть  
        • Колеса и ступицы
        • Ось передняя
        • Подвеска автомобиля
        • Рама
    • Запчасти МАЗ  
      • Трансмиссия  
        • Мост задний
        • Мост передний (ведущий)
        • Передача карданная
        • Мост средний (промежуточный)
      • Кузов  
        • Кабина
        • Дверь кабины
        • Детали основания кабины
        • Окно ветровое и заднее
        • Платформа
      • Механизмы управления  
        • Тормоза
        • Управление рулевое
      • Ходовая часть  
        • Колеса и ступицы
        • Ось передняя
        • Подвеска автомобиля
        • Рама
    • Запчасти КамАЗ  
      • Кузов  
        • Кабина
        • Капот, крылья, облицовка радиатора
        • Дверь кабины
        • Платформа
        • Окно ветровое и заднее
        • Устройство подъемное и опрокидывающее
        • Сиденье
        • Крыша кабины (крыша кузова)
        • Отопление и вентиляция кабины
      • Трансмиссия  
        • Коробка передач
        • Коробка раздаточная
        • Мост задний
        • Сцепление
        • Мост средний (промежуточный)
        • Передача карданная
        • Мост передний (ведущий)
      • Двигатель  
        • Основные запчасти двигателя
        • Система охлаждения
        • Система питания
        • Система смазки
      • Дополнительное оборудование  
        • Отбор мощности
        • Устройство седельное
      • Ходовая часть  
        • Подвеска автомобиля
        • Рама
        • Колеса и ступицы
        • Ось передняя
      • Механизмы управления  
        • Тормоза
        • Управление рулевое
      • Электрооборудование
    • Запчасти ММЗ
    • Ремни
  • Справочник
    • Грузовые автомобили
    • Автобусы
    • Сельхозтехника
    • Спецтехника
    • Двигатели
  • Как купить
    • Условия оплаты
    • Условия доставки
    • Гарантия на товар
    • Пункты выдачи
  • Услуги
    • Капитальный ремонт двигателей ЯМЗ
  • Акции
  • Статьи
  • Контакты
  • Компания
    • Реквизиты
    • Магазины
    • Оплата
    • Доставка
    • Лицензии и сертификаты
    • Новости
    • Вакансии
Избранное 0 Корзина 0
8-800-700-35-68

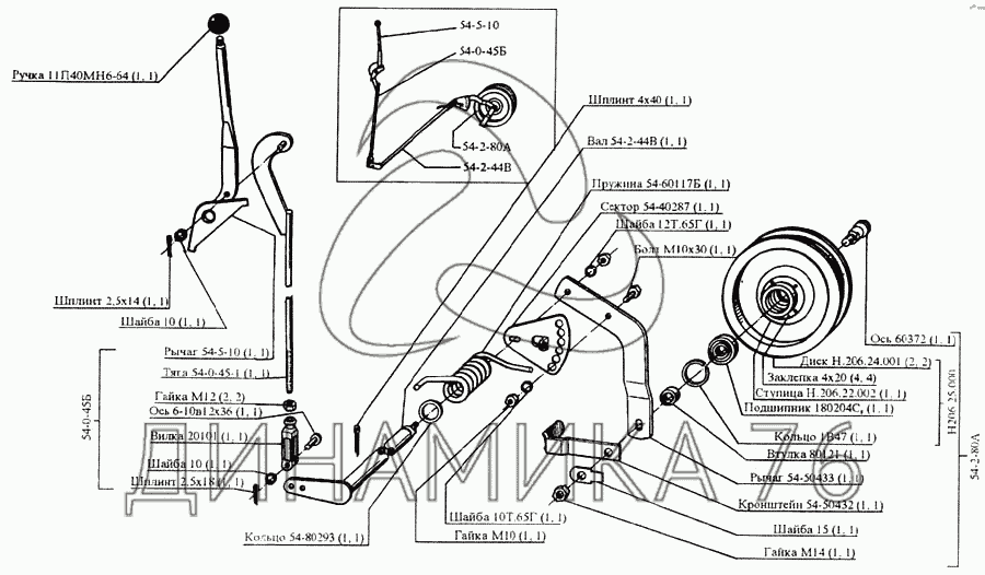
Механизм включения жатки на CK-5М-1 «Нива»

Справочник
Главная
-
Автокаталог
-
Сельхозтехника
-
РСМ
-
CK-5М-1 «Нива»
Справочный каталог

Механизм включения жатки — CK-5М-1 «Нива»:

10Т.65Г 11П40МН6-64 12Т.65Г 18020С9 1В47 20101 54-0-45-1 54-0-45Б 54-0-45Б 54-2-44В 54-2-44В 54-2-80А 54-2-80А 54-40287 54-5-10 54-5-10 54-50432 54-50433 54-60117Б 54-80293 60372 80121 Болт М10х30 Гайка М10 Гайка М12 Гайка М14 Заклепка 4х20 Н.206.22.002 Н.206.24.001 Н.206.25.000 Ось 6-10в12х36 Шайба 10 Шайба 10 Шайба 15 Шплинт 2,5х14 Шплинт 2,5х18 Шплинт 4х40
в наличии
нет в наличии
масштаб

В наличии
Нет в наличии

Перечень комплектующих от Механизм включения жатки на CK-5М-1 «Нива»

Схемы запчастей предназначены для справочных целей! Мы продаем не все запчасти от Механизм включения жатки на CK-5М-1 «Нива», представленные в этом списке.
Наличие на складах по деталям с ценой смотрите в карточке товара.
Артикул: 10Т-65Г
нет в наличии
Шайба
Количество на схеме: 1
Информация
Шайба
Количество
1
Артикул: 11П40МН6-64
нет в наличии
Ручка
Количество на схеме: 1
Информация
Ручка
Количество
1
Артикул: 12Т-65Г
нет в наличии
Шайба
Количество на схеме: 1
Информация
Шайба
Количество
1
Артикул: 18020С9
нет в наличии
Подшипник
Количество на схеме: 1
Информация
Подшипник
Количество
1
Артикул: 1В47
нет в наличии
Кольцо
Количество на схеме: 1
Информация
Кольцо
Количество
1
Артикул: 20101
нет в наличии
Вилка
Количество на схеме: 1
Информация
Вилка
Количество
1
Артикул: 54-0-45-1
нет в наличии
Тяга
Количество на схеме: 1
Информация
Тяга
Количество
1
Артикул: 54-0-45Б
нет в наличии
-
Количество на схеме: ;
Информация
-
Количество
;
Артикул: 54-2-44В
нет в наличии
Вал
Количество на схеме: ;
Информация
Вал
Количество
;
Артикул: 54-2-44В
нет в наличии
Вал
Количество на схеме: 1
Информация
Вал
Количество
1
Артикул: 54-2-80А
нет в наличии
Шкив
Количество на схеме: ;
Информация
Шкив
Количество
;
Артикул: 54-40287
нет в наличии
Сектор
Количество на схеме: 1
Информация
Сектор
Количество
1
Артикул: 54-5-10
нет в наличии
Рычаг
Количество на схеме: ;
Информация
Рычаг
Количество
;
Артикул: 54-5-10
нет в наличии
Рычаг
Количество на схеме: 1
Информация
Рычаг
Количество
1
Артикул: 54-50432
нет в наличии
Кронштейн
Количество на схеме: 1
Информация
Кронштейн
Количество
1
Артикул: 54-50433
нет в наличии
Рычаг
Количество на схеме: 1
Информация
Рычаг
Количество
1
Артикул: 54-60117Б
нет в наличии
Пружина
Количество на схеме: 1
Информация
Пружина
Количество
1
Артикул: 54-80293
нет в наличии
Кольцо
Количество на схеме: 1
Информация
Кольцо
Количество
1
Артикул: 60372
нет в наличии
Ось
Количество на схеме: 1
Информация
Ось
Количество
1
Артикул: 80121
нет в наличии
Втулка
Количество на схеме: 1
Информация
Втулка
Количество
1
Артикул: Болт-М10х30
нет в наличии
Болт М10х30
Количество на схеме: 1
Информация
Болт М10х30
Количество
1
Артикул: Гайка-М10
нет в наличии
Гайка М10
Количество на схеме: 1
Информация
Гайка М10
Количество
1
Артикул: Гайка-М12
нет в наличии
Гайка М12
Количество на схеме: 2
Информация
Гайка М12
Количество
2
Артикул: Гайка-М14
нет в наличии
Гайка М14
Количество на схеме: 1
Информация
Гайка М14
Количество
1
Артикул: Заклепка-4х20
нет в наличии
Заклепка 4х20
Количество на схеме: 4
Информация
Заклепка 4х20
Количество
4
Артикул: Н-206-22-002
нет в наличии
Ступица
Количество на схеме: 1
Информация
Ступица
Количество
1
Артикул: Н-206-24-001
нет в наличии
Диск
Количество на схеме: 2
Информация
Диск
Количество
2
Артикул: Н-206-25-000
нет в наличии
Шкив
Количество на схеме: ;
Информация
Шкив
Количество
;
Артикул: Ось-6-10в12х36
нет в наличии
Ось 6-10в12х36
Количество на схеме: 1
Информация
Ось 6-10в12х36
Количество
1
Артикул: Шайба-10
нет в наличии
Шайба 10
Количество на схеме: 1
Информация
Шайба 10
Количество
1
Артикул: Шайба-15
нет в наличии
Шайба 15
Количество на схеме: 1
Информация
Шайба 15
Количество
1
Артикул: Шплинт-2,5х14
нет в наличии
Шплинт 2,5х14
Количество на схеме: 1
Информация
Шплинт 2,5х14
Количество
1
Артикул: Шплинт-2,5х18
нет в наличии
Шплинт 2,5х18
Количество на схеме: 1
Информация
Шплинт 2,5х18
Количество
1
Артикул: Шплинт-4х40
нет в наличии
Шплинт 4х40
Количество на схеме: 1
Информация
Шплинт 4х40
Количество
1
  • Грузовые автомобили
  • Автобусы
  • Сельхозтехника
  • Спецтехника
  • Двигатели
Получить оптовый прайс-лист
Скачать прайс-лист от 08.05.2026 16:00
Специальное предложение от 08.05.2026 13:00
Производители:


  • WEICHAI
  • Автодизель ПАО (ЯМЗ)
  • Тутаевский МЗ
  • ЯЗДА
  • УралАЗ
  • МАЗ
  • АЗПИ
  • BOSCH
  • ММЗ
  • ШААЗ
  • FEDERAL MOGUL
  • ПРАМО
  • Мотордеталь
  • ТАИМ
  • АвтоКрАЗ
  • БЕЛКАРД
  • CZ Strakonice
  • КамАЗ
  • БЗА
  • ЧМЗ
  • BMZ
Новости
Все новости
25 марта 2024
Флагманский седельный тягач «Валдай 45» на выставке «TransRussia»
10 марта 2024
Современные автобусы «CITYMAX 9» и ЛиАЗ-5292 CNG
25 февраля 2024
Серийное производство средних дизельных двигателей повышенной мощности от ЯМЗ
Статьи
Все статьи
Датчики двигателя: за что они отвечают, признаки неисправности и как не прогадать с выбором
Двигатели ЯМЗ-534: история, технические характеристики и области применения
Двигатели ЯМЗ 650: углублённый технический обзор и история
Компания
О компании
Реквизиты
Новости
Политика
Магазины
Информация
Условия оплаты
Условия доставки
Гарантия на товар
Обмен и возврат товара
Помощь
Как оформить заказ
Полезные статьи
Бренды
Пункты выдачи
Оставайтесь на связи
  • Вконтакте
  • YouTube
  • Одноклассники
  • Google Plus
Увидели ошибку?
Выделите, нажав Ctrl + Enter
Наши контакты
8-800-700-35-68
sales@din76.ru
г. Ярославль, Ленинградский пр-т 33, ТЦ "ОМЕГА"
2026 © ООО «Динамика 76» - Все права защищены ООО "Динамика 76"
Предложения на сайте не являются публичной офертой.
На сайте обнаружена ошибка

Текст с ошибкой