Избранное 0 Корзина 0 Личный кабинет
logo
Каталог
Каталог
  • Справочник
    • Грузовые автомобили
    • Автобусы
    • Сельхозтехника
    • Спецтехника
    • Двигатели
  • Доставка
  • Оплата
  • О компании
    • Реквизиты
    • Магазины
    • Оплата
    • Доставка
    • Лицензии и сертификаты
    • Новости
    • Вакансии
  • Контакты
Отправить заявку
Личный кабинет
8 (800) 700-35-68
sales@din76.ru
Избранное 0 Корзина 0
8 (800) 700-35-68
Оптовый прайс-лист
Каталог
  • Двигатели
  • Запчасти WEICHAI
  • Запчасти ЯМЗ, ТМЗ (V-образные)
  • Запчасти ЯМЗ-534, ЯМЗ-536
  • Запчасти ЯМЗ-650, ЯМЗ-651, DCi-11
  • Топливная аппаратура
  • Запчасти УРАЛ
  • Запчасти МАЗ
  • Запчасти КамАЗ
  • Запчасти ММЗ
  • Ремни
Автокаталог (справочник)
  • Доставка
  • Оплата
  • О компании
  • Контакты
8 (800) 700-35-68
Написать в Whatsapp
sales@din76.ru
Динамика 76
Меню  
  • Каталог
    • Двигатели  
      • Двигатели ТМЗ  
        • Двигатели ТМЗ для автомобилей
        • Двигатели ТМЗ для тракторов
        • Специальные двигатели ТМЗ
        • Промышленные двигатели ТМЗ
      • Двигатели ЯМЗ  
        • ЯМЗ 236
        • ЯМЗ 238
        • ЯМЗ 240
        • ЯМЗ 751
        • ЯМЗ 840
        • ЯМЗ 850
        • ЯМЗ 656
        • ЯМЗ 658
        • ЯМЗ 534
        • ЯМЗ 536
        • ЯМЗ 650
        • Двигатели ЯМЗ для электростанций
      • Двигатели КАМАЗ
      • Двигатели ММЗ
      • Двигатели индивидуальной сборки
      • Комплекты переоборудования
    • Запчасти WEICHAI  
      • Основные запчасти двигателя  
        • Клапаны и толкатели
        • Шатуны
        • Вал коленчатый и маховик
        • Вал распределительный
        • Цилиндро-поршневая группа
      • Система питания  
        • Форсунки
        • Турбокомпрессор
      • Система смазки  
        • Насос масляный
      • Головка блока
      • Ремкомплекты
      • Система охлаждения  
        • Насос водяной
        • Муфта вязкостная и крыльчатка
      • Фильтры
      • Электрооборудование  
        • Генератор
        • Стартер
    • Запчасти ЯМЗ, ТМЗ (V-образные)  
      • Основные запчасти двигателя  
        • Блок двигателя и комплектующие
        • Валы распределительные и клапаны
        • Головка блока и комплектующие
        • Цилиндро-поршневая группа
        • Маховики и комплектующие
        • Валы коленчатые и комплектующие
        • Шатуны и комплектующие
      • Система питания  
        • Коллекторы и патрубки
        • Топливные трубопроводы
        • Турбокомпрессор
        • Топливные фильтры
      • Электрооборудование двигателя
      • Система охлаждения  
        • Вязкостные муфты и крыльчатки
        • Приводы вентилятора
        • Водяные насосы
        • Водяные трубы и термостаты
      • Коробки переключения передач  
        • 8 Ступенчатые КПП
        • 5 Ступенчатые КПП
        • 9 Ступенчатые КПП
        • Запасные части КПП ЯМЗ, ТМЗ
      • Система смазки  
        • Теплообменник и комплектующие
        • Масляные насосы
        • Фильтры масляные (ФГОМ, ФЦОМ)
      • Сцепление  
        • Запасные части механизма сцепления
        • Муфты (подшипники выжимные)
        • Корзины (диски нажимные)
        • Диски ведомые
      • Прочие запчасти двигателя  
        • Ремкомплекты
        • Привод агрегатов
        • Натяжные устройства
        • Трубки
    • Запчасти ЯМЗ-534, ЯМЗ-536  
      • Основные запчасти двигателя  
        • Цилиндро-поршневая группа
        • Головка блока цилиндров и комплектующие
        • Блок цилиндров и комплектующие
        • Вал коленчатый и маховик
        • Вал распределительный
        • Клапаны и толкатели
        • ГУР (Гидроусилитель руля)
        • Система рециркуляции отработавших газов
        • Выпускной коллектор
      • Система питания  
        • Коллекторы и патрубки
        • Топливные фильтры
        • Турбокомпрессор
        • Топливные трубопроводы
      • Система смазки  
        • Масляный картер поддон
        • Масляный насос
        • Теплообменник /Водо-масляный радиатор
        • Фильтры масляные (ФГОМ, ФЦОМ)
      • Пневмокомпрессор и натяжное
      • Система охлаждения  
        • Водяной насос
        • Водяные трубы и патрубки
        • Муфты вязкостные, приводы, крыльчатки
      • Ремкомплекты
      • Сцепление
      • Электрооборудование
    • Запчасти ЯМЗ-650, ЯМЗ-651, DCi-11  
      • Основные запчасти двигателя  
        • Цилиндро-поршневая группа
        • Головка блока цилиндров и комплектующие
        • Блок цилиндров и комплектующие
        • Вал коленчатый и маховик
        • Выпускной коллектор
        • Вал распределительный
        • Клапаны и толкатели
        • ГУР (Гидроусилитель руля)
        • Система рециркуляции отработавших газов
      • Система питания  
        • Коллекторы и патрубки
        • Топливные трубопроводы
        • Топливные фильтры
        • Турбокомпрессор
      • Система смазки  
        • Масляный картер / поддон
        • Масляный насос
        • Теплообменник / Водо-масляный радиатор
        • Фильтры масляные (ФГОМ, ФЦОМ)
      • Система охлаждения  
        • Водяной насос
        • Водяные трубы и патрубки
        • Муфты вязкостные, приводы, крыльчатки
      • Ремкомплекты
      • Пневмокомпрессор и натяжное
      • Электрооборудование
      • Сцепление
    • Топливная аппаратура  
      • ЯЗДА  
        • Распылители
        • ТНВД
        • Форсунки
        • Топливный насос низкого давления
        • Пары плунжерные
        • Муфта опережения впрыска топлива
        • Запчасти и комплектующие ТНВД
      • НЗТА
      • АЗПИ  
        • Распылители
        • Форсунки
      • BOSCH
    • Запчасти УРАЛ  
      • Трансмиссия  
        • Коробка раздаточная
        • Передача карданная
        • Мост задний
        • Мост передний (ведущий)
        • Мост средний (промежуточный)
      • Кузов  
        • Дверь кабины
        • Капот, крылья, облицовка радиатора
        • Окно ветровое и заднее
        • Отопление и вентиляция кабины
        • Кабина
      • Механизмы управления  
        • Управление рулевое
        • Тормоза
      • Дополнительное оборудование  
        • Отбор мощности
        • Устройство седельное
      • Электрооборудование
      • Ходовая часть  
        • Колеса и ступицы
        • Ось передняя
        • Подвеска автомобиля
        • Рама
    • Запчасти МАЗ  
      • Трансмиссия  
        • Мост задний
        • Мост передний (ведущий)
        • Передача карданная
        • Мост средний (промежуточный)
      • Кузов  
        • Кабина
        • Дверь кабины
        • Детали основания кабины
        • Окно ветровое и заднее
        • Платформа
      • Механизмы управления  
        • Тормоза
        • Управление рулевое
      • Ходовая часть  
        • Колеса и ступицы
        • Ось передняя
        • Подвеска автомобиля
        • Рама
    • Запчасти КамАЗ  
      • Кузов  
        • Кабина
        • Капот, крылья, облицовка радиатора
        • Дверь кабины
        • Платформа
        • Окно ветровое и заднее
        • Устройство подъемное и опрокидывающее
        • Сиденье
        • Крыша кабины (крыша кузова)
        • Отопление и вентиляция кабины
      • Трансмиссия  
        • Коробка передач
        • Коробка раздаточная
        • Мост задний
        • Сцепление
        • Мост средний (промежуточный)
        • Передача карданная
        • Мост передний (ведущий)
      • Двигатель  
        • Основные запчасти двигателя
        • Система охлаждения
        • Система питания
        • Система смазки
      • Дополнительное оборудование  
        • Отбор мощности
        • Устройство седельное
      • Ходовая часть  
        • Подвеска автомобиля
        • Рама
        • Колеса и ступицы
        • Ось передняя
      • Механизмы управления  
        • Тормоза
        • Управление рулевое
      • Электрооборудование
    • Запчасти ММЗ
    • Ремни
  • Справочник
    • Грузовые автомобили
    • Автобусы
    • Сельхозтехника
    • Спецтехника
    • Двигатели
  • Как купить
    • Условия оплаты
    • Условия доставки
    • Гарантия на товар
    • Пункты выдачи
  • Услуги
    • Капитальный ремонт двигателей ЯМЗ
  • Акции
  • Статьи
  • Контакты
  • Компания
    • Реквизиты
    • Магазины
    • Оплата
    • Доставка
    • Лицензии и сертификаты
    • Новости
    • Вакансии
Избранное 0 Корзина 0
8-800-700-35-68

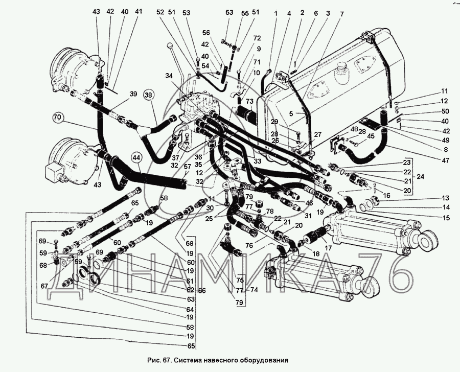
Система навесного оборудования на К-701

Справочник
Главная
-
Автокаталог
-
Сельхозтехника
-
Петербургский Трактор
-
К-701
Справочный каталог

Система навесного оборудования — К-701:

700А.46.00.000-4 700А.46.00.120 700А.46.16.350 701.46.00.000-1 1 2 4 5 7 8 19 19 19 19 19 19 20 20 21 21 23 24 25 26 33 34 35 36 38 44 46 47 52 55 58 58 58 60 60 61 62 63 64 65 65 66 68 70 71 74 75 76 77 77 78 79 79
в наличии
нет в наличии
масштаб

В наличии
Нет в наличии

Перечень комплектующих от Система навесного оборудования на К-701

Схемы запчастей предназначены для справочных целей! Мы продаем не все запчасти от Система навесного оборудования на К-701, представленные в этом списке.
Наличие на складах по деталям с ценой смотрите в карточке товара.
Артикул: 700А-46-00-000-4
нет в наличии
Система подъемно-навесная
Количество на схеме: 1
Информация
Система подъемно-навесная
Количество
1
Масса;Материал
837.1;;
Артикул: 700А-46-00-120
нет в наличии
Труба
Количество на схеме: 1
Информация
Труба
Количество
1
Масса;Материал
3.901;;
Артикул: 700А-46-16-350
нет в наличии
Труба
Количество на схеме: 1
Информация
Труба
Количество
1
Масса;Материал
1.661;;
Артикул: 701-46-00-000-1
нет в наличии
Система подъемно-навесная
Количество на схеме: 1
Информация
Система подъемно-навесная
Количество
1
Масса;Материал
837.0;;
1
1
Артикул: 700А-46-00-070
нет в наличии
Лента
Количество на схеме: 2
Информация
Лента
Количество
2
Масса;Материал
0.466;;
2
2
Артикул: 700А-46-00-027
нет в наличии
Опора
Количество на схеме: 2
Информация
Опора
Количество
2
Масса;Материал
0.300;Сталь 30Л-1;
4
4
Артикул: 700А-46-00-036
нет в наличии
Прокладка
Количество на схеме: 2
Информация
Прокладка
Количество
2
Масса;Материал
0.070;Резина;
5
5
Артикул: 700А-46-00-018
нет в наличии
Прокладка
Количество на схеме: 1
Информация
Прокладка
Количество
1
Масса;Материал
0.022;Резина;
7
7
Артикул: 700А-46-00-070-01
нет в наличии
Лента
Количество на схеме: 2
Информация
Лента
Количество
2
Масса;Материал
0.426;;
8
8
Артикул: 700А-46-00-035
нет в наличии
Подушка
Количество на схеме: 2
Информация
Подушка
Количество
2
Масса;Материал
0.420;Резина;
19
19
Артикул: 700-46-16-650-1
нет в наличии
Переходник в сборе
Количество на схеме: 17
Информация
Переходник в сборе
Количество
17
Масса;Материал
0.200;;
20
20
Артикул: 700А-40-00-240
нет в наличии
Корпус клапана в сборе
Количество на схеме: 1
Информация
Корпус клапана в сборе
Количество
1
Масса;Материал
0.310;;
21
21
Артикул: 700А-46-00-076
нет в наличии
Клапан замедлительный
Количество на схеме: 4
Информация
Клапан замедлительный
Количество
4
Масса;Материал
0.030;Сталь 45;
23
23
Артикул: 700А-46-00-075
нет в наличии
Штуцер
Количество на схеме: 4
Информация
Штуцер
Количество
4
Масса;Материал
0.265;Сталь 45;
24
24
Артикул: 700А-46-00-230
нет в наличии
Клапан замедлительный
Количество на схеме: 1
Информация
Клапан замедлительный
Количество
1
Масса;Материал
0.600;;
25
25
Артикул: 700-46-16-660-02
нет в наличии
Рукав в сборе
Количество на схеме: 4
Информация
Рукав в сборе
Количество
4
Масса;Материал
2.130;;
26
26
Артикул: 700-46-00-067-1
нет в наличии
Скоба
Количество на схеме: 4
Информация
Скоба
Количество
4
Масса;Материал
0.080;Сталь БСт3пс;
33
33
Артикул: 700А-46-00-080-01
нет в наличии
Труба
Количество на схеме: 2
Информация
Труба
Количество
2
Масса;Материал
1.050;;
34
34
Артикул: 700А-46-16-330
нет в наличии
Труба в сборе
Количество на схеме: 1
Информация
Труба в сборе
Количество
1
Масса;Материал
1.400;;
35
35
Артикул: 700А-46-16-320
нет в наличии
Труба в сборе
Количество на схеме: 1
Информация
Труба в сборе
Количество
1
Масса;Материал
1.305;;
36
36
Артикул: 700А-46-00-080
нет в наличии
Труба
Количество на схеме: 2
Информация
Труба
Количество
2
Масса;Материал
0.990;;
38
38
Артикул: 701-46-16-030
нет в наличии
Труба
Количество на схеме: 1
Информация
Труба
Количество
1
Масса;Материал
1.660;;
44
44
Артикул: 701-46-00-010
нет в наличии
Труба
Количество на схеме: 1
Информация
Труба
Количество
1
Масса;Материал
3.900;;
46
46
Артикул: 700-46-16-080-1
нет в наличии
Запорное устройство 016 мм
Количество на схеме: 4
Информация
Запорное устройство 016 мм
Количество
4
Масса;Материал
0.520;;
47
47
Артикул: 700А-46-00-110
нет в наличии
Труба
Количество на схеме: 1
Информация
Труба
Количество
1
Масса;Материал
2.150;;
52
52
Артикул: 700А-46-00-090
нет в наличии
Труба
Количество на схеме: 1
Информация
Труба
Количество
1
Масса;Материал
0.056;;
55
55
Артикул: 700А-46-00-100
нет в наличии
Труба
Количество на схеме: 1
Информация
Труба
Количество
1
Масса;Материал
0.075;;
58
58
Артикул: 700-46-16-740
нет в наличии
Клапан запорного устройства для шлангов д. 16 мм
Количество на схеме: 4
Информация
Клапан запорного устройства для шлангов д. 16 мм
Количество
4
Масса;Материал
0.260;;
60
60
Артикул: 700-46-16-660-06
нет в наличии
Переходник в сборе
Количество на схеме: 4
Информация
Переходник в сборе
Количество
4
Масса;Материал
2.820;;
61
61
Артикул: 700-46-16-160-1
нет в наличии
Муфта разрывная
Количество на схеме: 4
Информация
Муфта разрывная
Количество
4
Масса;Материал
0.850;;
62
62
Артикул: 700-46-16-087
нет в наличии
Шарнир
Количество на схеме: 4
Информация
Шарнир
Количество
4
Масса;Материал
0.270;Сталь 45Х;
63
63
Артикул: 700-46-16-086-1
нет в наличии
Обойма шарниров
Количество на схеме: 2
Информация
Обойма шарниров
Количество
2
Масса;Материал
0.650;Сталь 45Х;
64
64
Артикул: 700-46-16-088
нет в наличии
Кольцо стопорное
Количество на схеме: 4
Информация
Кольцо стопорное
Количество
4
Масса;Материал
0.008;Проволока II-3.0;
65
65
Артикул: 700-46-16-660-07
нет в наличии
Рукав в сборе D 20Х2200
Количество на схеме: 4
Информация
Рукав в сборе D 20Х2200
Количество
4
Масса;Материал
3.630;;
66
66
Артикул: 700-46-16-170-7
нет в наличии
Муфты разрывные в сборе
Количество на схеме: 2
Информация
Муфты разрывные в сборе
Количество
2
Масса;Материал
18.210;;
68
68
Артикул: 700-46-16-700
нет в наличии
Стойка
Количество на схеме: 1
Информация
Стойка
Количество
1
Масса;Материал
0.055;;
70
70
Артикул: 700А-46-00-130
нет в наличии
Труба
Количество на схеме: 1
Информация
Труба
Количество
1
Масса;Материал
1.100;;
71
71
Артикул: 700А-46-00-037
нет в наличии
Скоба
Количество на схеме: 1
Информация
Скоба
Количество
1
Масса;Материал
0.110;Сталь БСт3пс;
74
74
Артикул: 700А-46-00-200
нет в наличии
Тройник в сборе
Количество на схеме: 1
Информация
Тройник в сборе
Количество
1
Масса;Материал
0.673;;
75
75
Артикул: 700А-46-00-210
нет в наличии
Переходник
Количество на схеме: 1
Информация
Переходник
Количество
1
Масса;Материал
0.555;;
76
76
Артикул: 700А-46-00-220
нет в наличии
Клапан замедлительный
Количество на схеме: 1
Информация
Клапан замедлительный
Количество
1
Масса;Материал
0.890;;
77
77
Артикул: 700А-46-00-071
нет в наличии
Заглушка
Количество на схеме: 2
Информация
Заглушка
Количество
2
Масса;Материал
0.053;Сталь 23;
78
78
Артикул: 700А-46-00-072
нет в наличии
Тройник
Количество на схеме: 1
Информация
Тройник
Количество
1
Масса;Материал
0.460;Сталь 25;
79
79
Артикул: 700-46-16-075-1
нет в наличии
Гайка накидная
Количество на схеме: 2
Информация
Гайка накидная
Количество
2
Масса;Материал
0.065;Сталь 45;
  • Грузовые автомобили
  • Автобусы
  • Сельхозтехника
  • Спецтехника
  • Двигатели
Получить оптовый прайс-лист
Скачать прайс-лист от 08.05.2026 16:00
Специальное предложение от 08.05.2026 13:00
Производители:


  • WEICHAI
  • Автодизель ПАО (ЯМЗ)
  • Тутаевский МЗ
  • ЯЗДА
  • УралАЗ
  • МАЗ
  • АЗПИ
  • BOSCH
  • ММЗ
  • ШААЗ
  • FEDERAL MOGUL
  • ПРАМО
  • Мотордеталь
  • ТАИМ
  • АвтоКрАЗ
  • БЕЛКАРД
  • CZ Strakonice
  • КамАЗ
  • БЗА
  • ЧМЗ
  • BMZ
Новости
Все новости
25 марта 2024
Флагманский седельный тягач «Валдай 45» на выставке «TransRussia»
10 марта 2024
Современные автобусы «CITYMAX 9» и ЛиАЗ-5292 CNG
25 февраля 2024
Серийное производство средних дизельных двигателей повышенной мощности от ЯМЗ
Статьи
Все статьи
Датчики двигателя: за что они отвечают, признаки неисправности и как не прогадать с выбором
Двигатели ЯМЗ-534: история, технические характеристики и области применения
Двигатели ЯМЗ 650: углублённый технический обзор и история
Компания
О компании
Реквизиты
Новости
Политика
Магазины
Информация
Условия оплаты
Условия доставки
Гарантия на товар
Обмен и возврат товара
Помощь
Как оформить заказ
Полезные статьи
Бренды
Пункты выдачи
Оставайтесь на связи
  • Вконтакте
  • YouTube
  • Одноклассники
  • Google Plus
Увидели ошибку?
Выделите, нажав Ctrl + Enter
Наши контакты
8-800-700-35-68
sales@din76.ru
г. Ярославль, Ленинградский пр-т 33, ТЦ "ОМЕГА"
2026 © ООО «Динамика 76» - Все права защищены ООО "Динамика 76"
Предложения на сайте не являются публичной офертой.
На сайте обнаружена ошибка

Текст с ошибкой